*** START OF THE PROJECT GUTENBERG EBOOK 64592 ***

Please see the Transcriber’s Notes at the end of this text.

The cover image has been created for this text and is placed in the public domain.


Cover image

Harper’s Practical Books for Boys


A SERIES OF NEW HANDY-BOOKS
FOR AMERICAN BOYS

Each Crown 8vo, with many Illustrations.


I

HARPER’S OUTDOOR BOOK FOR BOYS

By Joseph H. Adams. With Additional Contributions by Kirk Munroe, Tappan Adney, Capt. Howard Patterson, L. M. Yale, and others. Cloth, $1.75.

II

HARPER’S ELECTRICITY BOOK FOR BOYS

Written and Illustrated by Joseph H. Adams. With a Dictionary of Electrical Terms. Cloth, $1.75.

IN PRESS

III

HARPER’S HOW TO UNDERSTAND ELECTRICAL WORK

A Simple Explanation of Electric Light, Heat, Power, and Traction in Daily Life. By Joseph B. Baker, Technical Editor, U. S. Geological Survey, formerly of the General Electric Company.

IV

HARPER’S INDOOR BOOK FOR BOYS

By Joseph H. Adams and others. Cloth, $1.75.

V

HARPER’S MACHINERY BOOK FOR BOYS

The Boy’s Own Book of Engines and Machinery. Cloth, $1.75.


HARPER & BROTHERS, PUBLISHERS, NEW YORK


Copyright, 1907, by Joseph H. Adams, N. Y.

THOMAS A. EDISON DICTATING TO HIS GRAPHOPHONE


HARPER’S
ELECTRICITY BOOK
FOR BOYS

WRITTEN AND ILLUSTRATED BY
JOSEPH H. ADAMS

AUTHOR OF
“HARPER’S OUTDOOR BOOK FOR BOYS”

WITH AN EXPLANATION OF ELECTRIC LIGHT, HEAT
POWER, AND TRACTION BY JOSEPH B. BAKER
TECHNICAL EDITOR, U. S. GEOLOGICAL SURVEY

AND
A DICTIONARY OF ELECTRICAL TERMS

Publisher's logo

HARPER & BROTHERS PUBLISHERS
NEW YORK AND LONDON
MCMVII



[vii]

CONTENTS

  PAGE
INTRODUCTION xi
Part I
CHAPTER I.—SOME GENERAL EXPLANATIONS 3
An Invisible World-power—Generating Electricity—What a Boy Can Do—Inexpensive Tools—Some Practical Advice  
CHAPTER II.—CELLS AND BATTERIES 12
Simple and Inexpensive Cells—How to Make Cells and Batteries—A Plunge-battery—A Storage-battery—Dry-cells and Batteries  
CHAPTER III.—PUSH-BUTTONS AND SWITCHES 33
How to Make Push-buttons—Switches and Cut-outs—Table-jack Switches—Binding-posts and Connectors—Lightning-arresters and Fuse-blocks—Some Practical Precautions  
CHAPTER IV.—MAGNETS AND INDUCTION-COILS 54
Simple and Horseshoe Magnets—Induction-coils—An Electric Buzzer—Electric Bells—A Large Induction-coil—Circuit-interrupters  
CHAPTER V.—ANNUNCIATORS AND BELLS 78
A Drum-sounder—A Simple Annunciator—A Double Electric Bell—An Electric Horn—How to Make a Burglar-alarm—Electric Call-signals—Clock-alarms—A Dining-table Call  
CHAPTER VI.—CURRENT-DETECTORS AND GALVANOMETERS[viii] 102
How to Make Detectors—An Astatic Current-detector—An Astatic Galvanometer—A Tangent Galvanometer  
Part II
CHAPTER VII.—ELECTRICAL RESISTANCE 125
Governing the Electric Current—Ohm’s Law—Resistance-coils and Rheostats—How to Make Simple Apparatus—Liquid Resistance—Importance of Switches—Uses of a House-current—Running a Sewing-machine, Fan, or Toys—An Easy Method for a Boy’s Use  
CHAPTER VIII.—THE TELEPHONE 156
Vibratory Waves—A Bladder Telephone—A Single (Receiver) Line—Plan of Installation—A Double-pole Receiver—The Transmitter—Another Form of Transmitter—The Wiring System—A Telephone Induction-coil—An Installation Plan—A Portable Apparatus  
CHAPTER IX.—LINE AND WIRELESS TELEGRAPHS 190
A Ground Telegraph—How to Talk from House to House—The Morse Telegraph Code—A Story of Edison—How Detectives Used the Code—Wireless Telegraphy—Its True Character—How a Boy Can Make a Practical Apparatus—Receiving and Sending Poles—Induction-coils, Batteries, Coherers and De-coherers, etc.—Working Plans in Detail—Aërograms Across the Atlantic and, perhaps, Around the World  
CHAPTER X.—DYNAMOS AND MOTORS 229
Dependence of Modern Electricity upon the Dynamo—A Field of Force Cutting another Field of Force—Varieties[ix] of Dynamos—Simpler Forms of Generators and Motors—How to Make a Uni-direction Current Machine—Permanent Magnet, Armature, Shafts, Wheels, etc.—A Small Dynamo—Machines to Light Lamps, Run Motors, etc.—A Split-ring Dynamo—A Small Motor—The Flat-bed Motor—Motors of Other Types  
CHAPTER XI.—GALVANISM AND ELECTRO-PLATING 266
A Fascinating Use of Electricity—A Simple Electro-plating Outfit—The Sulphate of Copper Bath—How to Make the Tank and Other Apparatus—A Variety of Beautiful and Useful Results—Explanations of Various Batteries—The Cleansing Process—The Plating-bath—Silver-plating—Gold-plating—Nickel-plating—Finishing—Electrotyping—Practical Details of Interesting Work  
CHAPTER XII.—MISCELLANEOUS APPARATUS 294
Making a Rotary Glass-cutter—To Smooth Glass Edges—Cutting Holes in Glass—Anti-hum Device for Metallic Lines—A Reel-car for Wire—Insulators—Joints and Splices—“Grounds”—The Edison Roach-killer—An Electric Mouse-killer  
CHAPTER XIII.—FRICTIONAL ELECTRICITY 312
Its Nature—Limited Uses—Simplicity of Apparatus—A “Wimshurst Influence Machine”—Materials Required—Glass, Tin-foil, Spindles, Uprights, Wheels, etc.—A Large Leyden-jar—Apparatus for Interesting Experiments—Necessity of Caution  
CHAPTER XIV.—FORMULÆ 327
Acid-proof Cements—Hard Cement—Soft Cement—Very Hard Cement—Clark’s Compound—Battery Fluid—Glass Rubbing—Acetic Glue—Insulators—Non-conductors—Insulating Varnish—Battery Wax  
CHAPTER XV.—ELECTRIC LIGHT, HEAT AND POWER[x] 334
(By Joseph B. Baker)  
The Work of the Dynamo—The Electric Light—Uses of the Arc-light—Incandescent and Other Lamps—Electric Heat—Electric Furnaces—Welding Metals—Electric Car-heaters—Household Uses—Electric Power—Power from Water-wheels—Transformers—Rotary Converters—Oil-switches—Electric Traction—The Trolley-car—The Continuous-current Motor—The Controller—Electric Locomotives—Other Forms of Electric Traction  
A DICTIONARY OF ELECTRICAL TERMS 359

[xi]

INTRODUCTION

If a handy-book of electricity like this had fallen into the hands of Thomas A. Edison when he was a newsboy on the Grand Trunk Railway, or when he was a telegraph operator, he would have devoured it with the utmost eagerness. To be sure, at that time, in the early sixties, all that we knew of electricity and its applications could have been told in a very brief compass. It was an almost unknown field, and the crude form of the telegraph then in use represented its most important application. There were no electric lights; there was no telephone or phonograph; there were no electric motors. Telegraphing, itself, was a slow and difficult process. All the conditions were as far removed as possible from the broad field of applied electricity indicated in this book.

But this does not mean that we have now accomplished all that there is to be done. On the contrary, the next half-century will be full of wonderful advances. This makes it more than ever essential that we should become acquainted with the principles and present conditions of a science which is being applied more and more closely to the work of every-day life. It is necessary to know this from the inside, not simply from general descriptions. Theory is all very well, but there is nothing like mastering principles, and then applying them and working out results for one’s self.[xii] Any active and intelligent boy with an inquiring mind will find a new world opened to him in the satisfaction of making electrical devices for himself according to the suggestions given in this book. This will show him the reasons for things in concrete form, will familiarize him with principles, and will develop his mechanical ingenuity. He may be laying the foundation for inventions of his own or for professional success in some of the many fields which electricity now offers. Work of this kind brings out what is in one, and there is no satisfaction greater than that of winning success by one’s own efforts.

The boy who makes a push-button for his own home, or builds his own telephone line or wireless telegraph plant, or by his own ingenuity makes electricity run his mother’s sewing-machine and do other home work, has learned applications of theory which he will never forget. The new world which he will enter is a modern fairyland of science, for in the use of electricity he has added to himself the control of a powerful genie, a willing and most useful servant, who will do his errands or provide new playthings, who will give him manual training and a vast increase in general knowledge. The contents of this book, ranging from the preparation of simple cells to the making of dynamos and motors, and the delightful possibilities of electro-plating, shows the richness of the field which is made accessible by Mr. Adams’ practical explanations, his carefully tested working plans, and his numerous and admirable drawings—all of which have been made for this book.

It is in keeping with the practical character of the Electricity Book that pains are taken throughout to show the[xiii] simplest and most inexpensive way of choosing materials and securing results. The actual working out of these directions can be done at very small expense. Furthermore, there need be no concern whatever as to possible danger if the book is read with reasonable intelligence. Mr. Adams has taken pains to place danger-signals wherever special precautions are advisable, and, as a father of boys who are constantly working with electricity in his laboratory, he may be relied upon as a safe and sure counsellor and guide.

While this book shows boys what they can do themselves, its scope has been enlarged by Mr. Baker’s chapter explaining briefly the working of electricity all about us, in light and heat, in the trolley-car, and other daily applications. In addition, Mr. Adams has prepared a Dictionary of Electrical Terms, and these brief definitions will be found peculiarly helpful in the first reading of the book. It is believed that there is no book in this particular field comparable to Harper’s Electricity Book in its comprehensiveness, practical character, and the number and usefulness of its illustrations. It follows the successful Out-door Book for Boys in Harper’s series of Practical Books for Boys, and it will be followed by How to Understand Electrical Work, a book, not of instructions in making electrical apparatus, but of explanations of the commercial uses of electricity all about us.


[1]

Part I


[2-
3]

ELECTRICITY BOOK FOR BOYS


Chapter I
SOME GENERAL EXPLANATIONS

We are living in the age of electricity, just as our fathers lived in the age of steam. Electricity is the world-power, the most powerful and terrible of nature’s hidden forces. Yet, when man has learned how to harness its fiery energies, electricity becomes the most docile and useful of his servants. Unquestionably, electricity is to-day the most fascinating and the most profitable field for the investigator and the inventor. The best brains of the country are at work upon its problems. New discoveries are constantly being recorded, and no labor is thought too great if it but add its mite to the sum total of our knowledge. And yet, ridiculous as the statement may seem, we do not know what electricity is. We only know certain of its manifestations—what it can do. All we can say is that it does our bidding; it propels our trains, lights our houses and streets, warms us, cooks for us, and performs a thousand and one other tasks at the turn of a button or at the thrust of a switch. But what it is, we do not know. Electricity has[4] no weight, no bulk, no color. No one has seen it; it cannot be classified, nor analyzed, nor resolved into its ultimate elements by any known process of science. We must content ourselves with describing it as one manifestation of the energy which fills the universe and appears in a variety of forms—such as heat, light, magnetism, chemical affinity, and mechanical motion. In all probability it is one of those phenomena of nature that are destined to remain forever secret. Thus it stands in line with gravitation, magnetism, the active principle of radium, and the perpetual motion of the solar system.

Electricity was known to the early Greeks; indeed, it derives its name from the Greek word for amber (electron). For many centuries amber was credited with certain special or magical powers. When it was rubbed with a flannel cloth, “the hidden spirit” came out and laid hold of small detached objects, such as bits of paper, thread, chips, or pith-balls. No one could explain this phenomenon. It was looked upon with superstitious awe and the amber itself was regarded as possessing the special attributes of divinity. But as time went on, it was discovered that in various other substances this mysterious attractive power could be excited, at will, through the agency of friction. Rubbing a piece of glass rod with silk or leather generated an “electricity” identical with that of the amber; or the same result could be obtained by exciting hard rubber with catskin. The conclusion followed that electricity was not a property of the special materials employed to generate it, but that it came from without, from that great reservoir of energy, the atmosphere. Then came Franklin with his experiment[5] of the kite, and the invention of the Leyden-jar and the chemical production of the electric fluid by means of batteries. It was shown that the properties of the new and strange force were the same, whether it was produced by the static (frictional) process or by the galvanic (chemical) method. Electrical science as a science, had begun.

And yet, for many years, electricity was hardly more than a scientific toy. It was not supposed to possess any practical usefulness. The entertaining experiments with the static machine and the Leyden-jar (chapter xiii.) were confined to the laboratory and the lecture hall. Electricity was an amusing display of unknown energy, but no one ever dreamed that it could ever be made to serve the practical ends of life. It was not until about 1850 that electrical science became anything more than a name. The galvanic and voltaic batteries (chapter ii.) opened the way for “current” electricity, which flowed continuously, instead of jumping and disappearing like the spark from a Leyden-jar. When the continuous current became an established fact, the telegraph and telephone headed the line of a long series of developments. Finally, the generation of electricity in greater volume, and cheaply, made possible the application of its power for heating, light, traction, and the other forms of activity in which it now does so large a share of the world’s work.

How electricity works is a question often asked, but not easily answered. There are certain so-called laws, but we shall best arrive at a conclusion by simply stating a few of the facts that have been established through the observation[6] and investigation of scientists and electrical engineers.[1]

[1] Explanations of any technical names or phrases used in the text will be found in the simple dictionary of electrical terms which appears as an appendix.

For example, electricity is always alert, ready to move, and continually on the lookout for a chance to obtain its freedom. It will never go the longest way round if there is a short cut; and it will heat, light, or fuse anything in its path that is too weak to carry or resist it. For this reason, it must be generated in small volume—that is, just sufficient to do the work required of it. If produced in larger volume, it must be held in check by resistance, and only so much allowed to escape as may be needed for the specified work.

Again, when electricity is generated this must be done in one of two ways—by friction or chemically. But in both processes there must be air surrounding the generators, and the fluid must be of a nature through which oxygen and hydrogen can circulate freely. Water fluids are suitable for this purpose, but oils cannot be used, as they contain hydro-carbon in large quantities and are non-conductors.

Batteries are chemical generators, dynamos are magneto-electric, and static machines are frictional. Now the theory is that electricity is drawn from the ether and, in its normal state, is quiet. If it be disturbed and collected by mechanical or chemical means, it is always on the alert to escape and again take its place in the atmosphere. As its volume is increased, so its energy to get away is multiplied, and this energy may be transformed, at will, into power, heat, or light. To express the idea in the simplest language,[7] it wants to go home, and in its effort to do so it expresses itself in the form of stored-up power, precisely like water behind a dam. It is for man’s cunning brain to devise all sorts of tasks that this power must perform before it can gain its release. It can’t go home until its work is done.

Nearly every boy has experimented, at one time or another, with electricity and electrical apparatus, and whether it was with some of the simple frictional or galvanic toys, or with the more complicated induction-coils and motors, he has undoubtedly found it a most interesting amusement and an ever new and widening field for study. Then again, many boys would like to know something about simple electrical apparatus and how to make and use it. But his school-books relating to the general subject of electricity are hardly definite enough to serve as a practical manual. And yet there are many things in the way of electrical machinery and equipment that a boy can easily construct and use. In this book it is my purpose to show him just what can be done with the aid of the tools that are usually in his possession. While some things may have to be purchased from an electrical supply-house or other sources, there is still much material to be found about the house that may be put to good use by the amateur electrician.

It is not possible or desirable to describe every variety of electrical equipment. We must confine ourselves to apparatus which can be readily understood and operated. The “practical” idea is the one to be borne in mind. This book shows a boy how to use his brains and the simple tools and material that may be at his command. Care and thought in the construction of the apparatus are the important[8] qualifications for success. The instructions are given in the clearest possible language; the diagrams and drawings are intelligible to any one who will take the trouble to study them. If your finished apparatus does not work properly, read the description again and see if you have not made some error. A misplaced or broken wire, a wrong connection, or a short circuit will mean all the difference between success and failure.

Save in one short chapter, static or frictional electricity (see Appendix) is not considered; for outside of laboratory experimenting and electro-medical apparatus, frictional electricity is but a toy—interesting and useful when generated in small volume, but very dangerous and difficult of control when in great volume. For example, the bolt of lightning is but the many times multiplied spark stored in the Leyden-jar by the static machine. For all practical purposes, galvanic electricity, in its various phases of direct and alternating current, meets the requirements of man. With the improved apparatus and the rapid advancement along the line of invention, electricity is as easily controlled to-day as steam—in fact, its economical use is even more fully under control and its adaptability more practical.

In the following pages there are probably illustrations and descriptions of many things that will seem strange to the boy who has not heard of them; but if a book were written each year on the subject of electricity, every new one would include principles and facts not known before. The field of electrical research is so broad and so many are working in it that new discoveries are being made continually.

[9]

To those familiar with the application of electricity, it is clearly evident that, as yet, we are only beginning to deal with this unknown force. For generations to come, developments will take place and invention follow invention until electricity assumes its rightful place as the motive force of the world. To the boy interested in this subject a wide field is open, and the youth of to-day, who are taking up this study, are destined to become the successful electrical engineers and inventors of the future. There is no better education for any boy, in the application and principles of electricity, than to begin at the very bottom of the ladder and climb up, constructing and studying as he progresses. When he attempts to design more technical and difficult apparatus the lessons learned in a practical way will be of inestimable value, greater by far than any theoretical principles deduced from books; he knows his subject from the ground up; he understands his machine because he has constructed it with his own hands.

As I have said already, the necessary tools are few in number and not expensive. They may include a hammer, a plane, awls, pliers, wire-cutters, and tin-shears. The raw material is also cheap—lead, tin, wire, wood, and simple chemicals. The laboratory may be a corner in the attic, or even in a boy’s bedroom, so far as the finer work is concerned, while the hammering and sawing may be done in the cellar. The other best plan, of course, is to get the use of a spare room which may be fitted with shelves, drawers, and appliances for serious work. To enthusiastic beginners, as well as to those who have had some experience in electricity, a needed warning may be given in three words:[10] “Take no chances.” Electricity, the subtle, stealthy, and ever-alert force, will often deal a blow when least expected. For that reason, a boy should never meddle with a high-tension current or with the mains from dynamos. The current in the house, used for lighting, cooking, or heating purposes, is always an attractive point for the young electrician, but the wires should never be touched in any way. Too many accidents have happened, and the conductors, lamp-sockets, and plugs should be carefully avoided.

The boy should keep strictly to his batteries, or small dynamos run by water-power from a faucet; in no case should the wire from power-houses be tampered with. One little knows what a current it may be carrying and what a death-dealing force it possesses. Always bear in mind that a naked wire falling from a trolley equipment carries enough force to kill anything it strikes.

Special attention is called to the dictionary of electrical terms given in the Appendix. The young student should never pass over a word or a term that he does not thoroughly understand. Always look it up at once and every time it occurs, until you are sure that its meaning is fixed in your mind. This is an education in itself, at least so far as the theoretical knowledge of our subject is concerned.

As a final word, I should like every boy interested in electricity to hear what Thomas A. Edison once said to me when I was a boy working in his laboratories. I often recall it when things do not go just right at first.

I asked the great inventor one day if invention was not made up largely of inspiration. He looked at me quizzically for a moment, and then replied: “My boy, I have little use[11] for a man who works on inspiration. Invention is two parts inspiration and ninety-eight per cent. perspiration.”

You will never get what you are after unless you work hard for it. You must stick to it until you produce results. If the history of the world’s most valuable inventions could be fully known, the fact would be clearly established that the vital spark of inspiration is but the starting-point. Then follow the days, weeks, and sometimes years of industrious toil, failures, and disappointments, until finally the desired end is attained. One must work for success; there is no other means of winning it.

As the table of contents shows, Part I. of this book explains principles and the simpler forms of electrical appliances. From this we advance to Part II., which deals with more complex forms of electrical work, most of which, however, are within the reach of intelligent boys who have followed the chapters carefully from the first. In a final chapter we have simple explanations of the great commercial uses of electricity, which we see all about us, although very few of us have a clear idea as to their operation.


[12]

Chapter II
CELLS AND BATTERIES

Simple Cells

In order to generate electricity it is necessary to employ cells, batteries, or dynamos. Since the construction and operation of a dynamo is somewhat intricate, it will be better to start with the simpler methods of electric generation, and so work up to the more complicated forms. For small apparatus, such as electric bells and light magnets and motors, the zinc-carbon-sal-ammoniac cell will answer very well; but for larger machinery, where more current is required, the bluestone and the bi-chromate batteries will be found necessary.

SIMPLE BATTERY ELEMENTS

A simple and inexpensive cell may be made from electric-light carbons, with the copper coating removed, and pencils of zinc, such as are used for electric-bell batteries and which can be purchased for five cents each. Copper wire is to be bound around the top of each pencil of carbon and zinc, and firmly fastened with the pliers, so that it will not pull off or become detached. It will be well to cut a groove with a file around the top of both the carbon and zinc, into which the wire will fit. The elements should then be[13-
14]
clamped between two pieces of wood and held with screws, as shown in Fig. 1. A more efficient carbon pole is made by strapping six or more short carbon pencils around one long one, as shown in Fig. 3. The short pieces of electric-light carbons are bound to the longest carbon with heavy elastic bands, or cotton string dipped in paraffine or wax, to make the cotton impervious to water and the sal-ammoniac solution.

Another arrangement of elements is shown in Fig. 2, where a zinc rod is suspended between two carbons, the carbons being connected by a wire that must not touch the zinc.

A fruit-jar, or a wide-necked pickle-bottle, may be employed for a cell, but before the solution is poured in, the upper edge of the glass should be coated with paraffine. This should be melted and applied with a brush, or the edge of the glass dipped in the paraffine.

The solution is made by dissolving four ounces of sal-ammoniac in a pint of water, and the jar should be filled three-fourths full. In this solution the carbons and zinc may be suspended, as shown in the illustration (Fig. 4) of the sal-ammoniac cell. The wood clamps keep the carbon and zinc together, and the extending ends rest on the top of the jar and hold the poles in suspension. Plates of zinc and carbon may be clamped on either side of a square stick and suspended in the sal-ammoniac solution, as shown in Fig. 5, taking care, however, that the screws used for clamping do not touch each other.

If one cell is not sufficiently powerful, several of them may be made and coupled up in series—that is, by carrying[15] the wire from the zinc of one to the carbon of the next cell, and so on to the end, taking care that the wire from the carbon in the first cell and that from the zinc of the last cell will be the ones in hand, as shown in Fig. 6. This constitutes a battery. Be sure and keep the ends of the wire apart, to prevent galvanic action and to save the power of the batteries.

This battery is an excellent one for bells and small experimental work, and when inactive the zincs are not eaten away (as they would be if suspended in a bi-chromate solution), for corrosion takes place only as the electricity is required, or when the circuit is closed. A series of batteries of this description will last about twelve months, if used for a bell, and at the end of that time will only require a new zinc and fresh solution.

The cell in which the plates shown in Fig. 5 are used may contain a bi-chromate solution; and for experimental work, where electricity is required for a short time only, this will produce a stronger current. But remember that the solution eats the zinc rapidly, and the plates must be removed as soon as you have finished using them.

The bi-chromate solution is made by slowly pouring four ounces of commercial sulphuric acid into a quart of cold water. This should be done in an earthen jar, since the heat generated by adding acid to water is enough to crack a glass bottle. Never pour the water into the acid. When the solution is about cold, add four ounces of bi-chromate of potash, and shake or mix it occasionally until dissolved; then place it in a bottle and label it:

[16]

BI-CHROMATE BATTERY FLUID
POISON

Before the zincs are immersed in the bi-chromate solution they should be well amalgamated to prevent the acid from eating them too rapidly.

The amalgamating is done by immersing the zincs in a diluted solution of sulphuric acid for a few seconds, and then rubbing mercury (quicksilver) on the surfaces. The mercury will adhere to the chemically cleaned surfaces of any metal except iron and steel, and so prevent the corroding action of the acid. Do not get on too much mercury, but only enough to give the zinc a thin coat, so that it will present a silvery or shiny surface.

A two-fluid cell is made with an outer glass or porcelain jar and an inner porous cup through which the current can pass when the cup is wet. Fig. 7.

Batteries
Batteries

A porous cup is an unglazed earthen receptacle, similar to a flower-pot, through which moisture will pass slowly. The porous cup contains an amalgamated plate of zinc immersed in a solution of diluted sulphuric acid—one ounce to one pint of water. The outer cell contains a saturated solution of sulphate of copper in which a cylindrical piece of thin sheet-copper is held by a thin copper strap, bent over the edge of the outer cell. A few lumps or crystals of the copper sulphate, or bluestone, should be dropped to the bottom of the jar to keep the copper solution saturated at all times. When not in use, the zinc should be removed from the inner cell and washed off; and if the battery is not to be employed for several days, it would be well to[17] pour the solutions back into bottles and wash the several parts of the battery, so that it may be fresh and strong when next required. When in action, the solutions in both cups should be at the same level, and be careful never to allow the solutions to get mixed or the copper solution to touch the zinc. Coat the top of the porous cell with paraffine[18] to prevent crystallization, and also to keep it clean. Take great care, in handling the acid solutions, to wear old clothes, and do not let the liquids spatter, for they are strong enough to eat holes in almost anything, and even to char wood. The two-fluid cells are much stronger than the one-solution cells, and connected up in series they will develop considerable power.

For telegraph-sounders, large electric bells, and as accumulators for charging storage-batteries, the gravity-cell will give the most satisfactory results. The one shown in Fig. 8 consists of a deep glass jar, three strips of thin copper riveted together, and a zinc crow-foot that is caught on the upper edge of the glass jar. These parts will have to be purchased at a supply-house, together with a pound or two of sulphate of copper (bluestone).

To set up the cell, place the copper at the bottom and drop in enough of the crystals to generously cover the bottom, but do not try to imbed the metallic copper in the crystals; then fill the jar half full of clear water. In another jar dissolve two ounces of sulphate of zinc in enough water to complete the filling of the jar to within two inches of the top; then hang the zinc crow-foot on the edge of the jar so that it is immersed in the liquid and is suspended about three inches above the top of the copper strip. The wire that leads up from the copper should be insulated with a water-proof coating and well covered with paraffine. A number of these cells may be connected in series to increase the power of the current, and for a working-battery this will show a high efficiency. Note that at first the solutions will mingle. To separate them, join the[19] two wires and start the action; then, in a few hours, a dividing line will be seen between the white, or clear, and the blue solutions, and the action of the cell will be stronger. After long-continued use it may be necessary to draw off some of the clear zinc sulphate, or top solution, and replace it with pure water. The action of the acids reduces the metallic zinc to zinc sulphate and deposits metallic copper on the thin copper strips, and in this process an electrical current is generated.

A Plunge-battery

When two or more cells (in which sulphuric acid, bi-chromate of potash, or other strong electropoions are employed) are coupled in series, it would be well to arrange the copper and zinc, or the zinc and carbon, poles on a board, so that all of them may be lowered together into the solutions contained in the several jars. A simple arrangement of this kind is shown in Fig. 9, where a rack is built for the jars and at the top of the end boards a projecting piece of wood, supported by a bracket, is made fast. A narrow piece of board nearly the length of the jar-rack is fitted with the battery-poles, as shown at Fig. 9 A. The carbon and zinc, or copper and zinc, poles are attached to small blocks of wood (as described for Fig. 5), and this block in turn is fastened to the under side of the board with brass screws. The poles of the cells are to be connected (as explained in Fig. 6), and when the battery is in use the poles are immersed in the solution contained in the jars. When the battery is at rest the narrow board should be lifted up and placed on[20] the projecting arms of the rack, so that the liquid on the poles may drain into the jars directly underneath. One or more of these battery-racks may be constructed, but they cannot be made to hold conveniently more than four or six cells each; if more cells are required, those contained in each rack must be coupled up in series.

Batteries

A simpler plunge-battery is shown in Fig. 10. A cell-rack is made of wood and given two or three coats of shellac. The narrow board (to the under side of which the battery-poles are attached, as explained in Fig. 9) is hung on chains or flexible wires, which in turn are made fast to an iron shaft running the entire length of the cell-rack. This shaft is of half-inch round iron, and is held in place, at one end, by a pin and washer; while at the other the end is filed with a square shoulder, and a handle and crank is fitted to it, so that the shaft may be turned. A small hole, made at the side of the crank when it is hanging down, will receive a hard-wood peg, or a steel nail, and this will prevent the crank from slipping when the board holding the[21] poles is raised. If a gear-wheel and tongue can be had to fit on the shaft, it will then be possible to check the shaft securely at any part of a turn of the crank. The battery-poles are to be connected in series along the top of the portable board, as explained for Fig. 6. When two or more of these plunge-batteries are used at one time, the wire from the carbon of one is to be connected with the zinc pole of the next, and so on. The wire from the zinc of the first battery, and the wire from the carbon of the last battery, will be the ones available for use.

A Storage-battery

When more current is desired than the simple batteries will give, a storage-battery should be employed as an accumulator. This result can be secured by coupling primary cells in series, so that they will be constantly generating and feeding the battery. Storage-batteries are too heavy to be shifted about, like single cells or small plunge-batteries; they should be placed in a cellar, where the charging or primary cells can be located close by, and, unless positively necessary, the battery of cells and the accumulator should not be moved.

With sufficiently large insulated wires (Nos. 12, 14, or 16 copper), the current may be carried to any part of the house for use in various ways—such as running a light motor or a fan, lighting a lamp-circuit, or fusing metals and chemicals for experimental purposes. While the battery to be described is not a light one in weight, nor as economical as the improved new Edison storage-battery, it is a good and[22] constant one, and, if not overcharged or abused, will last for several years.

The component parts of a storage-battery are lead in metallic and chemical form, the electrolyte, or fluid, in which the plates are immersed, and the water-tight and chemical-proof cell or container. From a plumber, a supply-house, or a lead-works, obtain a quantity of three-eighth by one-quarter-inch strip-lead of the kind called chemical, or desilverized; also a larger quantity of lead-tape, one-sixty-fourth of an inch thick and three-eighths of an inch wide. This last is also known as torpedo-lead, and is kept by electrical supply-houses.

If the three-eighths by quarter-inch strip-lead cannot be had, then purchase eight or ten pounds of heavy sheet-lead, and, with a tin-shears, divide it into strips three-eighths of an inch wide and twenty-nine inches long, taking care to cut it of uniform width and with true edges. From hard-wood three-eighths or half an inch thick, cut a block six by seven inches and make four countersunk holes in it, so that it may be screwed fast to a table or bench, as shown in Fig. 11 A. Around this the lead strips should be shaped and beaten at the corners to make the angles sharp.

From the three-eighths by quarter-inch, or sheet-lead strips, make seven frames as shown in Fig. 12. This is done by binding a strip of the lead around the block, as shown at Fig. 11 B. Where the ends come together insert a short piece of lead, three-eighths or half-inch, as shown at Fig. 12 A, and solder it fast. A soldering-iron may be heated with a Bunsen-burner gas-flame or in a charcoal fire. However, if gas is available, it would be better to use the blue[23] flame from a Bunsen burner and direct the hot blast directly on the work with a blow-pipe, and so fuse the lead points together. After a little practice with the blow-pipe it will be used for many pieces of work in preference to the soldering-iron. If the sheet-lead is used for the frames in place of the three-eighths by quarter-inch strips, two or three strips will have to be taken, so as to build up the band of the frame to about a quarter of an inch in thickness. When soldered together, or fused at the edges, these built-up frames will be as rigid as the solid metal.

Leadwork

Now cut a number of strips of the thin lead-tape six inches and a half long, and others that will necessarily be somewhat longer, for each frame is to be filled with straight and crimped pieces, as shown in Fig. 13. If there is a fluting-iron in the house, the crimping may be done in the brass gears at one end of the machine. Or two wheels may be cut from hard-wood with a fret-saw, and made fast to a[24] block with screws, as shown in Fig. 14. A handle, attached to one wheel, will make it possible to turn the gears; and they should be placed just far enough apart to allow the tape to pass through without tearing or squeezing. Put a washer between the wheel and the block to prevent friction.

When a frame is in the position shown in Fig. 13, and lying on a piece of slate or flat stone, you will first put in a crimped piece of tape, as shown at Fig. 13 A, and under this arrange a straight piece (Fig. 13 B); then, with the blow-pipe and flame, fuse fast to the frame and catch the flutes of the crimped piece to the straight one every inch or two. Add alternate crimped and straight strips until the frame is filled and presents the appearance of Fig. 13. When the seven frames are ready, lay three of them aside for the positives and four for the negatives. Note that the positives are red and the negatives a dark yellow when they are filled with the active material.

There are several methods of depositing the active material in the mesh or net-work of the plates, but some of them are too technical, others too complicated, and still others require charging machinery. The following plan will be the simplest and easiest for the amateur:

At a paint-store, or from a wholesale druggist, obtain several pounds of oxide of lead (red-lead) and a similar quantity of litharge (yellow-lead). In an earthen vessel, or large jar, make a solution composed of water, twenty ounces, and commercial sulphuric acid, two ounces. This is the mixture commonly known as “one to ten.” Place some red-lead (dry) in an old saucepan or soup-plate, and add a little of the acid solution: then, with an old table-knife[25] or small trowel, mix the lead into a stiff paste, like soft putty. Do not get it too thin or it will run; nor too thick, as then it will not properly adhere to the lead-mesh of the frames. With the frame lying on its side, plaster in the red composition between the flutes and fill up the frame solid with it. Treat all three of the positive frames in the same manner, taking care that the exposed surfaces of the composition-filling is smooth and flush with the edges of the lead frame and mesh. Do not disturb these plates for a while, but let them remain in position, so as to set and partially dry. Add acid solution to the yellow-lead in a similar manner, and fill the four negative plates. When partially dry, the plates will be ready to combine in a pile.

Batteries; fluting tool

At a supply-house obtain some sheets of cellulous fibre, three-sixteenths of an inch thick, or some asbestos cloth. If neither can be had, then soak some pieces of ordinary brown card-board in a solution of silicate of soda and let them dry. Lay a negative (yellow) plate on the table with the lug at the left (Fig. 13 C). On this place a square of the fibre, asbestos, or card-board; and on top of it lay a positive (red) plate with the lug at the right side. Continue in this manner until the seven plates are stacked, the four negative lugs being at the left and the three positives at the right. Tie the plates securely together with cotton string bound about them in both directions; then stand the pile up so that the lugs are at the top, as shown at Fig. 15, with every alternate lug in an opposite direction. Obtain two lead bars three-eighths of an inch square, or cut strips from the sheet-lead and solder them together, turning the ends as shown at Fig. 13 D. Drop one of these bars into[26] the lugs of the positive plates, as shown in Fig. 15 H, and solder it fast at the three unions. Repeat this with the other bar in the lugs of the negative plates, and the pile will then be ready for immersion in the electrolyte. To both ends of each plate-bar solder binding-posts, so that the conductor-wires can be attached at one end and the feed-wires at the other. If a hard rubber or glass cell can be had for the battery so much the better; if not, a stout box may be[27] made from pine, white-wood, or cypress, and thoroughly coated with asphaltum varnish or asphaltick. At an electrical supply-house you can purchase some “P and B” compound, which is acid and water proof. This is excellent for the inside coating as well as for the outside of the box.

The box should be made of wood not less than three-quarters of an inch thick, and the sides, ends, and bottom should be in one piece, free from knots, sappy places, or cracks. Brass screws should be used to hold the boards together, and before the joints are made the butt-ends of wood and the sides, against which they impinge, must be thoroughly coated with the asphaltum or compound. Put together the four sides first and then make the bottom fast, placing the screws two inches apart and countersinking the wood, so that the screw-heads will lie flush, as shown in Fig. 16. The box should be large enough to allow about one inch of space all around the pile, and deep enough for the solution to cover the plates and two inches of space above it to the top edge of the cell. The complete storage-battery will then appear as shown in Fig. 17.

The electrolyte is composed of sulphuric acid and water in the proportion of one ounce of acid to four of water, making a five-part solution. This should be mixed in an earthen or glass jar, and the acid poured slowly into the water, the latter being stirred while the acid is added. When the solution cools (for adding acid to water creates heat), add about two ounces of bicarbonate of soda, and mix the solution thoroughly.

When the pile is in place within the box (having first removed the string which bound the plates together) pour[28] the electrolyte slowly into the cell, taking care that none of it spatters, for it will eat clothing or anything else that it touches. Before placing the pile, or electrolyte, in the box, it should be thoroughly tested for leaks by allowing water to stand in it for several days. Indeed, you should be very generous with the asphaltum, or compound, when coating the angles and points inside the box; for if the acid solution gets at the screws it will corrode them and the box will soon leak and fall apart. As a precaution against the acid working over the top of the box, the upper edge, for an inch or two, should be coated with paraffine over the asphaltum or acid-proof coating.

A cell constructed in this way should accumulate about two volts and one hundred ampere-hours, and will run a one-sixteenth horse-power motor. The expense of making these plates is about twenty-five cents each, and, including the cell and coating materials, each storage-battery will cost approximately two dollars. The lasting qualities of the battery depend on the use or abuse it is put to; but with ordinary care it should last from three to five years.

When the battery ceases to accumulate properly the pile should be removed, and, after washing it thoroughly, the bars should be cut away and new positive plates made and installed. The positive plates are the ones that deteriorate and need replacing; the negatives are almost everlasting, and with proper usage will live for fifteen or twenty years.

Directly the electrolyte is in the cell, connect the poles of your primary cells so as to begin the accumulation of current. Never exhaust the charge of electricity from your storage-cell, and never leave it uncharged when the electrolyte[29] is in, or the plates will be ruined. A battery consisting of from five to twenty bluestone cells will be the best with which to charge this accumulator; and if more than one cell is desired, any number of them can be made and coupled up in series. Take care, when connecting the wires from the primary cells, to see that the positive wire is connected with the positive plates and the negative with the lead bar joining the yellow plates. If by accident you should make a misconnection, bubbles will rise from the electrolyte. This is not right, so reverse the wires and the accumulation of current will then take place without agitation in the cell.

Dry-cells and Batteries

Battery

Dry-cells are extensively used nowadays, since their cleanliness, high efficiency, and low internal resistance make them preferable to the Leclanché and other open-circuit batteries for bells, annunciators, and other light work. In the dry-cell, the electrolyte, instead of being a liquid, is a gelatinous or semi-solid mass, which will not run nor slop over. When the capping of pitch or tar is in place, the cell may be placed in any position, with full assurance that the electrolyte will not become displaced nor run out. Dry-cells may be made of almost any size for convenience of handling, but those commonly used vary from one to four inches in diameter, and from four to fifteen inches high. For bells and general electric work, a cell two inches and a half in diameter and seven inches high will be found a convenient size to make and handle.

[30]

The component parts of a dry-cell are the cell itself (which is made of zinc and acts as the positive pole), the carbon, the electrolyte or active excitant element, and the pitch or tar cap to hold the electrolyte and carbon in place.

From a tinsmith obtain some pieces of sheet zinc, and roll them into cylindrical form as shown in Fig. 18 A. The sheets should measure seven by eight inches, and when formed the edges are to be lapped and soldered.

From a smaller piece of zinc cut round bottoms, fit them in the cylinders and solder securely in place, taking care to close up all seams or joints to prevent the escape of the electrolyte.

From a supply-house obtain battery-carbons, one inch and a half wide by half or three-eighths of an inch thick and eight inches long. These should be provided with a thumb-screw or small bolt and nut at the top so as to make wire connections with the carbon. A strip of zinc should be soldered to the outside upper edge of the zinc cup to which wire attachments may be made with thumb-screws or small bolts and nuts. When the parts are ready to assemble, make a wooden mould or form a trifle larger than the carbon. This is intended to act as a temporary plunger, and is inserted, at first, in place of the carbon plate. This wooden plunger[31] should be smooth, and given a coat of shellac to prevent it from absorbing any moisture.

Insert the plunger in the zinc cup and support it so that it will be at least half an inch above the bottom and centred at the middle of the cup. The electrolyte is then placed in the cup, and, when it has set a little, the wooden plunger is removed and the carbon inserted in its place.

The electrolyte is composed as follows:

Ammonium chloride 1 part
Zinc chloride 1 part
Plaster of Paris 3 parts
Flour ¾ part
Water 2 parts

Mix these together and place the compound within the zinc cups, so that the mass settles down and packs closely about the plunger. The space left unfilled about the carbon should be filled with a mixture composed as follows:

Ammonium chloride 1 part
Zinc chloride 1 part
Manganese binoxide 1 part
Granulated carbon 1 part
Flour 1 part
Plaster of Paris 3 parts
Water 2 parts

These proportions may be measured in a tin cup, a table-spoon, or any other small receptacle. Note that the measurement by parts is always by bulk and not by weight.

Do not fill the zinc cup to the top, but leave an inch of space, so that half an inch of sealing material may be added. See that the inside top edge of the zinc cup is clean; then[32] melt some tar or pitch and pour it over the top of the electrolyte, so that it binds the zinc cup and carbon into a solid form. Drive an awl down through the capping material when it is nearly dry, and leave the holes open for the escapement of gases.

Give the outer surface of the zinc cells a coat of asphaltum varnish, and wrap several thicknesses of heavy paper about them to prevent contact and short-circuiting. Protect the bottoms in a similar manner, and as a result you will have a cell that will appear as shown in Fig. 18 B. A battery of cells powerful enough for any light work can be made by connecting the cells in series, each having an electro-motive force of one and a half volts, with an internal resistance of less than one-third of an ohm.


[33]

Chapter III
PUSH-BUTTONS AND SWITCHES

Push-buttons

Push-buttons and switches are a necessity in every home where electric bells, lights, or fans are used, for with them connections are made or broken. The telegraph-key and the commutators on a motor and dynamo are only improved forms of the push-button, and this simple little device is really an indispensable part of any electrical equipment.

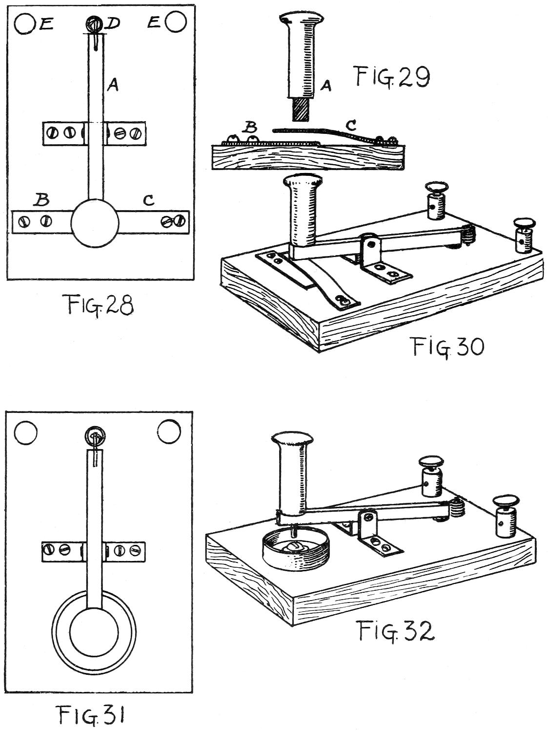
The simplest form of push-button is a bent piece of tin or thin sheet-metal screwed fast to a small block of wood, as shown in Fig. 1. Under the screw-head one end of a wire is caught, and the other wire end is secured by a washer and a screw driven into the block directly under the projecting end of the strip of metal. By pressing a finger on the tin it is brought into contact with the screw-head under it, and the circuit is closed; on releasing it, the tin flies up and the circuit is opened again.

An enclosed push-button is shown in Fig. 2. It is made of the cover or body of a wooden box, a spool-end, and several other small parts. A round piece of thin wood is cut to fit inside the box and so form the base for the button.[34] On this the spring strip is attached with screws, and the wire ends are made fast, as shown in Fig. 3. The wires are carried through the bottom of the base and along grooves to the edge, and thence to their final destination. The end of a spool is cut off and glued to the top of the box, as shown in Fig. 2, and a hole is made in the box to correspond in size with that in the spool. Through this aperture the button (cut from a wooden dowel or shaped out with a knife) passes, so that the end projects about a quarter of an inch beyond the spool. To prevent the button from falling out, a small steel nail should be driven across the inner end, or a washer may be tacked to the end of the stick, as shown in Fig. 4.

Buttons

The button is mounted by screwing the base fast to the door or window casing, it being understood that the wires have been first arranged in place. The button is then set[35] in the hole and the cap is placed over the base, covering it completely. By means of small screws, passed through the rim of the box and into the edge of the base, the cap is held in place. A coat of paint or varnish will finish the wood-work nicely, and this home-made button should then answer every requirement.

Switches and Cut-outs

In electrical equipment and experimental work, switches and cut-outs will be found necessary, particularly so for telegraph and telephone lines. Care should be taken to construct them in a strong and durable fashion, for they will probably be subjected to considerable wear and tear.

A simple switch (Fig. 5) is made from a base-block of wood three inches long, two wide, and half an inch in thickness, together with some small metal parts. It has but one contact-point, and that is the brass-headed tack (T in Fig. 5) driven through the binding-post, the latter being a small plate of brass, copper, or even tin screwed to the base-block. The end of a wire is caught under the screw-head before it is driven down. A similar binding-post is arranged at the lower side of the block, and the movable arm is attached to it with a screw. Between the arm and the post-plate there should be a small copper washer, to make it work more easily. The arm is cut from a thin piece of hard sheet brass or copper (tin or zinc will also answer very well), and at the loose end the half of a small spool is attached, with a brass screw and washer, to serve as a handle. The end of the screw that passes through a hole in the arm is riveted to the[36] under side to hold it securely in place. This arrangement is shown in Fig. 6.

Switches

The under edges of the arm may be slightly bevelled with a file, so that it will slip up easily on the oval head of the brass tack. The drawing shows an open switch; when the circuit is closed the arm rests on the tack-head. By means of small screws this switch-board may be fastened to a table or to any part of the wood-work in a house.

In Fig. 7 a complex switch is shown. This is the principle of the shunt-box switch, of the resistance-coil, and also of the commutators of a motor. A motorman’s controller on a trolley-car is a good example of the shunt, and, with it and the resistance-coils, the car can be started, stopped, or run at any speed, according to the current that is admitted to the motor.

The complex switch is made in the same manner as described for the single switch, except that any number of binding-posts may be employed, arranged on a radial plan, so that the end of the arm will rest on any tack-head at will. Bells in various parts of the house may be rung by this[37] switch, or it may be coupled with a series of resistance-coils to control any amount of current.

The simple cut-out (Fig. 8) is constructed in the same manner as the simple switch, except that there are two points of contact instead of one. This is the principle of the telephone and telegraph instrument wiring, so that a bell or sounder may be rung from a distance. The arm is then thrown over and the bell cut out, allowing the “phone” or key to be brought into use. In lifting the transmitter from the hook on a telephone, a cut-out is operated and the bell circuit is thrown out of action. It is in operation again directly the transmitter is returned to the hook. The switch cut-out (Fig. 9) is inactive when the arm is in the position shown in the illustration; but when it is thrown over (as shown by the dotted line) it connects the poles at opposite ends of the board. It may be thrown over in both directions, and is a useful switch for many purposes.

For strong currents the lever-switch, that rests on a brass tack-head, will not be suitable, as the switch-bar must be held firmly in place to make a perfect connection. Strong currents throw weak switches open, causing an open or broken circuit.

A single pole-switch, to carry a current up to one hundred and twenty-five volts and twenty-five amperes, is shown in Fig. 10. This consists of a base-block, a bar which is attached to the vertical ears of a binding-post, and a clutch that will hold the bar when it is pressed down between the ears.

The base-block should be made from some non-conducting material, such as soapstone, marble, or slate. If a piece of[38] soapstone can be procured, that will be just the thing, since it is easily worked into the proper shape and size. Soapstone may be sawed and smoothed with a file; it is easily bored into with a gimlet-bit, and it is one of the best non-conducting substances. The base for this switch is six inches long, two inches wide, and as thick as the soapstone happens to be—say three-quarters of an inch. The top edge may be bevelled for the sake of appearance or left square.

Two pieces of heavy sheet copper or brass are to be cut as shown at A in Fig. 11. The ears are half an inch wide, and the total height of the strip is two inches and a half, while the part with two holes in it side by side is one inch and a quarter long, including the half-inch width of the vertical strip. With round and flat-nosed pliers bend the long ears into shape, so as to form a keeper for the bar which is then to be riveted in place. Omit the holes at the ends of the long ears in the other plate; then bend it into shape to form a clutch that will hold the bar when it is pressed down between the ears. These binding-posts should be made fast to the base-block with brass machine-screws and nuts, which will fit in countersunk holes in the bottom of the soapstone. If hard-wood is used for the base, ordinary brass wood-screws will answer very well.

The connection-bar is cut from metal the same thickness as that employed for the binding-posts and clutches; it should be shaped so as to appear as shown at B in Fig. 11. A handle should be driven on the slim end, and where the lower edge enters between the ears of the clutch, the corners of the bar should be rounded with a file. Countersunk[39] screw-holes are bored in the base, so that it can be made fast to the wood-work.

Switches

A double pole-switch is shown in Fig. 12, and in general construction it is similar to the single pole-switch described above. The binding posts and bars are cut and bent from the patterns A and B in Fig. 11; but in this case the long, slim ends of the bars are omitted. A short turn is made at the handle end of each bar and a hard-wood block is placed between the bar-ends and held in position with screws driven through holes made in the bars and into the ends of the block. A handle is made fast to the middle of the block[40] with a long and slim wood-screw; or a steel-wire nail may be passed through the handle and block, a burr slipped over the end opposite the head, and the small end riveted fast. When the binding-posts (to which the ends of the bars are attached) are screwed onto the base, be sure and see that the bars are parallel and the same distance apart at both ends. In like manner, when the cleat binding-posts are made fast, see that they are directly in line with the bars, so that the yoke will drop into the spaces between the ears without having to be pulled to one side or the other. This is a very useful switch for strong currents, and may be placed close to a dynamo, so that the current in both wires may be cut out at once.

Table-jack Switches

A table-jack switch is a most convenient piece of apparatus where several lines of bells, alarms, or telephone circuits are to be switched on and off.

The single table-jack switch, shown in Fig. 13, is made of a hard-wood block three-quarters of an inch thick, five inches wide, and seven inches long. It is to be smoothed and varnished, or given several coats of shellac. At the four corners small holes are made to receive slim screws, and at one end of the block five short metal plates are screwed fast, with the heads of the screws countersunk, so that they will be flush with the top of the plates. These small plates should be half an inch wide and one inch long, and may be of brass, copper, or tin. But if they are of tin the plates are made of a longer strip tacked to the board[41] and then bent over, as shown at A in Fig. 14. They will therefore form short springs, the upper parts of which will rest against the long spring-arms. From spring brass or copper five arms are to be cut and shaped, as shown in Fig. 13. Holes are made at one end of each, and others again two inches from these, through which to pass screws.

Screw-eyes are passed through copper washers and the end holes in the strips, and then screwed into the wood plate. These will act as binding-posts, while the second line of screws will hold the plates down to the base. The arms should be bent, so that when the screws are driven down the lower edge will press on the small plates under them.

The outlet wires are attached to the binding-posts at the head of the block, and the plug (A in Fig. 13) is inserted between the arm and plate at the foot, so that contact and connection are made. This plug is a small plate of metal to which the end of a flexible wire is made fast. It should be of copper or brass, but for light work a strip of tin may be bent over with the wire caught between the plates and a copper tack passed through the sides and riveted, as shown at B in Fig. 14.

A double jack-switch (Fig. 15) is made on the same general plan as the single, but it has no binding-posts. A block of the same size is used, and two rows of short plates are made fast at each end. The arms are made with two screw-holes near the middle, as shown in Fig. 15, and through these holes screws are driven to hold the arms down to the base. Several plugs are used for each end, so that the in and out lines can be shifted, and from one to four lines used at a time.

[42]

Switches
Switches

TABLE-JACK SWITCHES

[43]

A convenient slip-switch for single or double line work is shown in Fig. 16. This consists of a small wooden base, on which a brass arm and handle are screwed fast and connected with a binding-post (A in Fig. 16). A slip-plate is made from a piece of sheet-brass and bent so as to form a pocket into which the arm will fit. This pocket piece is connected with the binding-post B. When the switch is thrown out the circuit is broken, unless a contact-point, C, is provided, from the under side of which a wire leads out to a second circuit. When the switch is in place, as shown in Fig. 16, the circuit is closed through A and B; but when the arm is thrown out the circuit through A and B is broken and that through A and C is closed.

Binding-posts and Connectors

To make quick connections between wires and other parts of electrical apparatus, binding-posts are the most convenient device, since the turn of a screw binds or releases a wire instantly. Binding-posts may be made in many forms, but the simple ones that a boy will need can be made from screw-eyes, burrs, stove-bolts, and nuts, together with thin strips of metal and nails.

Five simple posts are shown in Fig. 17. A is made from a screw and two burrs, B from a screw-eye and two burrs, and C from a thin plate of metal and two screws, with oval or round heads. This last, however is more of a connector than a binding-post. The ends of the wires to be connected should be caught under the screw-heads or between the burrs before the screws are driven down.

[44]

In D a simple arrangement of a stove-bolt and two nuts is shown. The under bolt is screwed down tightly against the wood, and under the head a wire is made fast, so that another wire may be caught under the upper nut. If a small thumb-nut can be had in place of the plain nut, it will be easier to bind the upper wire. In Fig. 17 E a thin strip of metal may be folded over, and at the loose ends a hole should be punched through which a screw-eye will pass. The metal is held to a wood base with a screw, under the head of which a wire is caught. The second wire end is slipped between the metal plates, and a turn of the screw-eye will bind and hold it securely.

Connectors

Connectors are employed to unite the ends of wires temporarily, and are made in many forms. A simple and useful one is made from a piece of spiral spring fastened to a block of wood by two staples, as shown at Fig. 18 A.[45] The ends of the wires are pressed down into the coils of the spring and are held with sufficient security for temporary use. Another connector is made from a block of wood, a strip of thin metal, and two screw-eyes (Fig. 18 B). The metal is bent around the ends of the block, and through holes made in the ends of the strip screw-eyes are driven into the block. When the ends of wires are slipped under the metal, a turn of the eyes will hold them fast, as shown at Fig. 18 B.

A short bolt threaded at each end and provided with four nuts will also act as a connector. The inner nuts are screwed on tightly and the outer ones are loose, so that when wires are placed between them they may be tightened with the fingers, as shown at C in Fig. 18. These are a few simple forms of connectors; the ingenious boy can devise many others to suit his needs and ideas.

Lightning-arresters and Fuse-blocks

All lines of exposed wire that run from out-doors into the house should be provided at both ends with lightning-arresters, particularly if they are telephone or telegraph lines, burglar alarms, or messenger call-boxes. In many instances where unprotected telephone lines have been the plaything of lightning, painful accidents have happened, and it is only the part of prudence to provide against them. It is better to have an arrester at both ends of a line, and as the cost is insignificant it is hardly worth considering as against its feature of safety.

Lightning-arresters may be constructed in many ways[46] and of different materials; the ones here shown and described are easily made and efficient. The principle of all arresters is simply a fuse which burns out whenever the wire is carrying a greater amount of current than is required for the proper working of the apparatus, thereby arresting the current and protecting the instruments from destruction. Induction-coils, relays, fine windings on armatures, or a magnet helix are quickly destroyed if a too powerful current is permitted to pass through them, and it is therefore advisable to protect them. When a fuse burns out under a trolley-car, or in the shunt-box of a motor-car or engine, it is because a greater amount of current is trying to pass in than the motor will safely stand. When a fuse “blows out,” the apparatus or motor is put out of commission until the fuse is replaced, but the delicate mechanism and the fine wiring on the field-magnets or armatures are saved.

The simplest form of single pole-fuse is a fine piece of lead wire held between two binding-posts, as shown at A in Fig. 19. The lead wire may be of any length; but for small instruments, where a moderate current is employed and where there is a possibility of lightning travelling on the wire, the fuse should be from two to three inches long. For inside work, however, where it is to be used simply as a safety, the wire may be shorter and finer.

To make the lightning-arrester shown in Fig. 19, cut out a hard-wood block five inches long, an inch wide, and half an inch thick. Give this several coats of shellac; then place a piece of mica, or asbestos paper, over the top of the block, and make it fast with thick shellac to act as a glue. From small pieces of copper or brass cut two plates one-half by[47] one inch, and drill holes in them to take screws and screw-eyes. Place copper burrs under the screw-eyes for connectors, and drive two brass screws half-way down in the block through the holes at the inner ends of the binding-post plates. See that these screws fit snugly in the holes in the plates so that contact is perfect. If the holes are too large and the screws fit loosely, two copper burrs will have to be used and the screws driven in, so that the heads bind the burrs on the ends of the fuse-wire. From an electrician, or supply-house, purchase a few inches of fine lead fuse-wire—say Nos. 20, 22, or 24—and twist the ends of a length around the screws, as shown in the drawing. Perfect contact should be had between the lead wire and the screws; by way of precaution, a bit of solder will dispel all doubt. Just touch the point with a little soldering solution; then apply a soldering-iron having a drop or two of solder on the end.

Perfect connection is absolutely necessary for telephone, telegraph, or annunciator work, and where there is a lightning-arrester and the line is not working well, the trouble may often lie in the poor contact of lead and brass or copper, or possibly in using wire that is too fine. Lead is a very poor conductor, and a fine wire would act as a check. For a test, first insert a piece of copper wire to see that the line is working properly; then use lead wire of sufficient size to carry the current as well as the copper did. The action of metals and wire, as current retarders, will be explained in the chapter on resistance and resistance-coils.

For general commercial use the base-blocks of all lightning-arresters should be made of porcelain, slate, or some of the composition non-conductors, such as moulded mica,[48] silex and shellac, or fibre. As these are not always available, wood, with a covering of mica, will answer every purpose and can be readily adapted for use.

The apparatus pictured in Fig. 19 is known as a single-pole lightning-arrester, and is the simplest form of this kind of electrical paraphernalia. In Fig. 20 a double-pole arrester is shown. This is constructed in the same manner as described for the single one. The block is five inches long, two inches wide, and half or five-eighths of an inch thick. A countersunk hole is made in the middle of all the lightning-arrester blocks through which a screw can be passed to hold the apparatus fast in any desired location.

In Fig. 21 another form of fuse is shown. It is made from a piece of mica three-quarters of an inch wide and four inches long, two pieces of thin sheet-copper, and a piece of lead fuse-wire. The copper is three-quarters of an inch wide, and one piece of it is bent in the form of a V, as shown at A in Fig. 21. One end of the mica strip is dropped in the V, and with a pair of pliers the V is closed up by pinching it at the bottom. To further insure its staying in place, the top and end, or open edges, should be soldered. Punch a small hole through the copper ends, at the inside edge, slip the ends of the fuse-wire in them, and touch the union with a drop of solder to insure perfect contact. With shears and file cut a U from the side of one copper band and from the end of the other; these will allow the copper ends to pass under the heads of screws, thus avoiding the necessity of removing the entire screw from the block in order to set the fuse in place.

[49]

LIGHTNING-ARRESTERS AND FUSE-BLOCKS

[50]

The block on which this fuse is held is shown in Fig. 22, and is made in a similar manner to the one shown in Fig. 19, except that the metal plates are a trifle longer and are bent up, as shown in the drawing. Thus the mica fuse-plate will be elevated above the block. If the brass or copper used for the binding-post plates is too thin to stand the pressure of the screws when the fuse ends are screwed fast, put a few burrs on the screws below the plates; then the pressure of the screws cannot bend down the extending ears of the plates and make an imperfect contact.

Another form of fuse-block is shown in Fig. 23. The same sort of a fuse is employed as shown in Fig. 21, but without the U cuts at the ends. The clutches are made by binding brass or copper plates, as shown in the drawing; they should then be screwed fast to a base-block five inches long, one inch and a half wide, and five-eighths of an inch thick. The opening between them should just admit the copper ends of the fuse, and pressure should be used to force the fuse in place so that the contact will be perfect.

Still another form of fuse is shown in Fig. 24. This last may more properly be called a non-sparking fuse, for the lead wire is encased in a glass tube, and when it fuses no sparks fly and no small pieces of melted metal can get away from the inside of the tube. The plug is made from a piece of glass tube half an inch in diameter, two metal caps, and a short piece of lead wire. The metal caps are of thin sheet-copper, and are caught at the edges with solder. One end of the lead fuse-wire is passed through a hole in the end of a cap and soldered, as shown at A in Fig. 24. The wire is then passed through the tube and the cap placed over one end of it. This is repeated at the other end and[51] the wire soldered fast. As a result, you will have a glass tube with metal caps held on the ends of the tube, by means of the thin lead wire which runs through the middle of the tube. The base-block to which this fuse-plug is attached is of wood one inch and a half wide, five or six inches long, and five-eighths of an inch thick. Two metal straps are made and screwed fast to the block, and the circuit wires are attached under the copper burrs and held down by the screw-eyes.

To place or replace a fuse-plug, unscrew the eyes and raise each strap slightly, so that the copper cap ends will pass under them. A turn or two of the eyes will clamp the plug in position and at the same time bind the circuit wires.

A spring lightning-arrester is shown in Fig. 25; it is simply a modified form of that shown and described in Fig. 19. The base-block is five by one-and-a-quarter by five-eighths of an inch, and is properly protected by a sheet of mica or asbestos. The two metal plates are cut for the binding-posts and screwed in place with screws, burrs, and screw-eyes. From spring-brass wire bend a hook and slip one end of it under the screw-head at the left side of the block. From a longer piece of wire make two or three turns around a piece of wood half an inch in diameter; then form a hook at one end and a turn at the other, so that it can be made fast under the screw-head of the binding-post. When at rest, the spring-hook should stand in an upright position, but when sprung and tied it occupies the position shown in the drawing. The spring-hook is to be bent down so that the two hooks are brought within an inch of each other. They are held in this position with a piece of lead[52] fuse-wire. This last is given a turn about the hooks and one or two turns about itself, close to each hook, to prevent the spring from tearing itself away. When the wire is fused by a current the spring-hook flies up and away from possible contact with the short hook attached to the opposite binding-post. This is the construction for a single-pole-spring lightning-arrester; a double one is made in a similar manner, and the parts mounted on a wider block, as shown in Fig. 20.

For doubtful currents, where there is no means of knowing how strong they are, a combined fuse and single-pole switch is shown in Fig. 26. This is nothing more than a combination of the apparatus shown in Fig. 21, and the single-pole switch (Fig. 10). The base block is seven inches long and two inches wide. Or it may be made half an inch wider if it is to be bevelled at the top, as shown in the drawing. It should be three-quarters of an inch thick and provided with two countersunk holes for screws that will hold it in place on a ledge or against a casement. The little angles to hold the copper-ended mica fuse-plate are described for the apparatus pictured in Fig. 21. If it is desired that one of the ends should be provided with burrs and a screw-eye, the little plate of brass should be an inch long and an inch wide, with a half-inch-square piece snipped from one corner, as shown at A in Fig. 26. It is provided with two holes, and then bent on the dotted line, so that the part with the holes will lie on the block and the ear will stand in a vertical position. A reverse-plate made on this pattern will act as one side of the switch-bar clutch at the opposite end of the block. For the metal clutch and keeper at the[53] middle of the block the metal plate (before it is bent) will appear as shown at B in Fig. 26. The long plate with two holes lies on the base, while the first ear (or the one without the hole) forms part of the clutch for the fuse end, the ear with the hole acting as one side of the bar-lever strap. An opposite plate to this forms the other side of the clutch and strap, and the two plates are screwed side by side, so that the fuse-plate will be held securely when pushed into place.

For the switch-bar use a piece of hard copper or brass four inches long, half an inch wide, and about one-eighth of an inch thick, or the same thickness as the copper straps at the ends of the mica fuse-plate. Bore a hole at one end of this bar, and with a copper rivet attach it between the two upright ears at the middle of the block. With a file cut away the two edges at the other end of the bar for a distance of an inch, so that the bar will have an end as shown at C in Fig. 26. Drive a small file-handle on this end and give it a coat or two of shellac; then bevel the lower edges of the bar with a file where it enters between the blades of the clutch. The circuit wires are made fast at both ends of the block, and the current travels through the binding-posts, the lead fuse-wire on the mica plate D, and the switch-bar. If the current is too strong, then when the switch-bar is pushed into the clutch the safety-fuse will burn out and save the apparatus; or it will arrest a flash of lightning.


[54]

Chapter IV
MAGNETS AND INDUCTION-COILS

Simple and Horseshoe Magnets

Every boy has a horseshoe magnet among his collection of useful odds and ends, and whether it is a large or small one its working principle is the same. If large enough it will lift a jack-knife, nails, or solid weights, such as a small flat-iron or an iron padlock. A horseshoe magnet is made of highly tempered steel and magnetized so that one end is a north pole and the other a south pole. In more scientific language these poles are known as, respectively, positive and negative. Once magnetized the instrument retains that property indefinitely, unless the power is drawn from it by exposure to intense heat, and even then, by successive heating and cooling, the magnetism may be partially restored.

An electro-magnet may be made of any scrap of soft iron, from a piece of ordinary telegraph-wire to a gigantic iron shaft. When a current of electricity passes through a wire a magnetic “field” is produced around the wire, and if the latter is insulated with a covering and coiled about a soft iron object, such as a nail, a bolt, or a rod, that object becomes a magnet so long as a current of electricity is passing[55] through the coils of wire or helix. A coil of wire in the form of a spiral spring has a stronger field than a straight wire carrying the same current, for each turn or convolution adds its magnetic field to that of the other turns.

A simple form of electro-magnet is made by winding several layers of No. 20 insulated copper wire around a stout nail or a carriage-bolt; by connecting the ends to a battery of sufficient power, some very heavy objects may be lifted. A single magnet, like the one shown in Fig. 1, is made with a piece of soft iron rod six inches long and half an inch in diameter, the ends of a large spool sawed off and worked on the rod, and half a pound of No. 20 insulated copper wire. The spool-ends are arranged as shown in Fig. 2. An end of the wire is passed through a hole in one flange when you begin to wind the coils, and when finished, the other end is passed through a hole at the outer rim of the same flange. This magnet may be held in the hands when in use; or a hand-magnet may be constructed of a longer piece of iron on one end of which a handle is driven and held in place with a nut and washer, as shown in Fig. 3. The wires from the coil pass through holes made in the handle and come out at the butt end, where they may be attached by connectors to the pole-wires of a battery. To protect the outer insulated coil of wire from chafing and a possible short-circuit, it would be well to wrap several thicknesses of stout paper around the coil and glue it fast; or a leather cover will answer as well.

[56]

SIMPLE AND HORSESHOE MAGNETS

[57]

A more powerful magnet may be made from a stout bolt, two nuts, and a wooden base, with about three-quarters of a pound of No. 18 insulated copper wire to wind about the body of the bolt. A block of wood an inch thick, four inches wide, and six inches long is provided with a hole at the middle for the bolt to pass through. A larger hole is made at the under side of the block so that a nut can be easily turned in it. A three-quarter-inch machine-bolt, with a square head, and seven inches long, is set in the block, head up, as shown in Fig. 4; and composition or thin wooden disks or washers are placed on the bolt to hold the coils of wire in place. The ends of the wire pass out through the bottom washer and are made fast to binding-posts on the block, and to these latter the battery-poles are made fast when the magnet is in use. Coils of wire may be wound on an ordinary spool, and the hole in the middle may be filled with lengths of soft iron wire. When a current is passing around the spool the wires become highly magnetic, but lose the magnetism directly the current ceases.

Horseshoe electro-magnets are made by winding coils on the ends of U-shaped pieces of soft iron, but the winding must be done so that the current will pass around them in opposite directions, otherwise you would have two negatives instead of a negative and positive. For a small horseshoe magnet a stout iron staple may be used, but for the larger magnets it would be best to have a blacksmith bend a piece of round iron in the desired shape.

A powerful horseshoe magnet may be made from a piece of tire-iron bent as shown in Fig. 5 A; when wound with No. 18 wire it will appear like Fig. 5 B. A volt or two of current passing through the coils will render this magnet powerful enough to lift several pounds.

For bells, telegraph-sounders, and other electrical equipment[58] requiring the horseshoe or double magnet, several kinds may be used, but the simplest is constructed from two carriage or machine bolts and a yoke of soft iron, as shown in Fig. 6. The yoke is five-eighths of an inch in width, two inches and a half long, and provided with two three-eighths-inch holes, one inch and a half apart from centre to centre. Two-inch carriage or machine bolts are used, and they should be three-eighths of an inch in diameter. The nuts are turned on the thread far enough to admit the yoke, and then another nut is applied to hold it in place and bind the three pieces into one compact mass. Wooden spool-ends or composition washers are placed on the bolts to hold the ends of the wire coils in place, and the winding may be done on each bolt separately and locked to the yoke after the winding is completed. Double cotton-insulated No. 20 or 22 copper wire should be used for the coils.

It is a tedious and bothersome job to wind a coil by hand, and if possible a winder should be employed for this purpose. Several varieties of winders are on the market, but a simple one for ordinary spools may be made from a stick held in an upright piece of wood with staples. This idea is pictured in Fig. 7, where the round stick is shown cut with two grooves into which the staples fit. One end of the stick is made with a square shoulder, so that a handle and crank can be fitted to it. A few wraps of wire are taken around the crank to prevent it from splitting, and it is held to the round stick with a slim steel nail. The opposite end of the round stick is shaved off so that it will fit snugly in the hole of a spool; if it should be too small for some spools, a few[59] turns of cord around the small end will make it bind. The block to which the shaft and crank is attached may be held in a vise or screwed to the edge of a table.

Induction-coils

A simple induction or shocking coil may be made of a two-and-one-half by five-sixteenths-inch bolt, a thin wooden spool, and two sizes of insulated copper wire. An induction-coil is a peculiar and wonderful apparatus; it figures largely in electrical experimenting and is a part of every complete equipment.

A piece of curtain-pole may be used for the spool. First bore a five-sixteenths-inch hole through the wood to receive the bolt; then in a lathe turn it down into a spool with less than one-eighth of an inch of wood about the hole and with flanges about one-eighth of an inch in thickness. Smooth the spool with sand-paper, while it is still in the lathe, and give it a thin coat or two of shellac.

Slip the spool on the winder (Fig. 7) and wind on three layers of No. 24 cotton-insulated copper wire, taking care to wrap the coils evenly and close. Bring six inches of the ends out at either end of the spool through small holes pierced in the flanges; then wrap several thicknesses of brown paper around the coil. A current passing around this three-layer coil will magnetize the bolt. This is the primary coil and the one through which the battery current will pass.

A secondary coil is now made over the primary one with eleven or thirteen layers of No. 30 insulated copper wire.[60] It will take some time to carefully put on these layers, and when doing so mark down each layer so as to keep an accurate count, for there must be the right number of layers to make the coil act properly. No. 30 wire is quite fine, and if the layers are not inclined to lie smooth, make a wrap or two of brown paper between each three layers. Bring six inches of each end of the wire out from the flanges of the spool, and to protect the outer coil wrap paper about the coils and attach it fast with thread or paraffine. Slip the bolt through the hole and screw the nut on the threaded end. Cut out a wooden block four inches long, three inches wide, and three-quarters of an inch thick, and with two thin metal straps and screws attach the coil to the middle of the block, as shown in Fig. 8. Make four binding-posts and screw them fast at the corners, and to A and B of Fig. 8 attach the ends of the heavy wire from the primary coil, and to C and D of Fig. 8 the ends of the fine wire from the secondary coils. The induction-coil is now ready for any use to which it may be put, and by mounting it on the block with the delicate wire ends attached to the binding-posts, it is in less danger of damage than if the wire ends were left loose for rough-and-ready connections.

In order to get a shock from this coil it will be necessary to have a pair of handles and a current interrupter. The handles may be made from two pieces of tin rolled into the form of cylinders to which wires are soldered. Or, better yet, use pieces of thin brass tubing an inch in diameter. The buzzer shown in Fig. 9 may be employed for a current interrupter, and a bichromate battery will furnish the current.

[61]

In order to make the connections, the wires from the handles are attached to the binding-posts C and D in Fig. 8—that is, to the wires of the secondary coil. One spool of the battery is connected with A of Fig. 8 and the other with A of Fig. 9. A wire connects C of Fig. 9 with B of Fig. 8, and the circuit is closed. The buzzer now begins to vibrate, and any one holding the handles will receive a shock the intensity of which depends on the strength of the batteries. A switch should be introduced somewhere in the circuit, so that it may be opened or closed at will; a good place for it is between a battery-pole and the binding-post A in Fig. 8.

If the shock is too intense it may be weakened by drawing the carbon and zinc poles partly out of the bichromate solution; or a regulator may be made of a large glass tube and a glass preserving-jar filled with water. If the tube cannot be had, an Argand gas-burner chimney will answer as well.

Solder a wire to the edge of a small tin or copper disk, as shown in Fig. 10, on which the chimney rests at the bottom of the jar, and another wire to a tin box-cover with some small holes punched in its top, this latter being suspended within the chimney. This second wire is passed out through a cork at the top of the chimney made of a disk of cardboard and a piece of wood. One wire is connected with A of Fig. 8 and the other with a battery-pole. This apparatus acts the same as a resistance-coil, and by raising or lowering the box-cover the current is increased or diminished. The closer the cover comes to the disk the stronger the current, as there is less water for the electricity to pass through and therefore less resistance; while if the cover touches the disk[62] the current flows as freely as if there were no regulator and the wires ran directly to the cell.

An apparatus comprising a coil, an interrupter, or armature, and a switch may be set on one block, and the arrangement of the several parts is clearly shown in the drawing of the complete galvano-faradic apparatus (Fig. 11). The block should be six inches long, four inches wide, and seven-eighths of an inch in thickness.

Coils

The coil is made as described for Fig. 8, the spool being three inches long and one inch and a quarter in diameter. A carriage-bolt three inches and a half long and five-sixteenths[63] of an inch in diameter, with a bevelled head, is made fast in the spool, and this coil is strapped to the block with two metal bands and screws. Two binding-posts (A and B of Fig. 11) are arranged at the upper corners, and to these the ends of the secondary coil wires are attached. Two more binding-posts (C and D of Fig. 11) are arranged at the lower side and provided with a switch to open and close the circuit. One of the primary coil wires is made fast to C, and the other one to a block which contains the set-screw that bears against the vibrating armature. Its arrangement and the wire connection is explained in Fig. 9 B.

An armature of thin brass or tin is made and attached to a block (E in Fig. 11). At the loose end that is opposite the bolt-head several wraps of tin are made and soldered fast, or a small block of soft iron may be riveted to the armature. It must be of iron or tin, however, so as to be attracted by the electro-magnetized bolt-head. This arrangement may be seen in Fig. 12. Attach a thick piece of paper over the bolt-head, so that the lug at the end of the armature will not adhere to it through residual magnetism.

In regular galvano-faradic machines the current regulator is formed of a hollow cylinder which is drawn from the core of the coil; but in this simple machine the water-jar regulator may be connected between a pole of the battery and the binding-posts (D or E of Fig. 11). The wires of the handles are attached to posts (A and B of Fig. 11), and when all the wires are in place and the current turned on by means of the switch, the vibrator begins to work and the shocking-current is felt through the handles. By means of[64] the regulating-screw that bears on the armature, the number of vibrations may be increased or diminished, but for faradic purposes the vibrations should be as quick as possible. Much amusement may be had with this apparatus, and a large number of people may be given a shock by getting them to join hands when standing or sitting in a circle.

An Electric Buzzer

This piece of apparatus is, in theory, nothing more than the electric bell, and might properly be included in Chapter V., on Annunciators and Bells. But since it is the logical development of principles just laid down, it has been thought best to give it its present position.

The electric buzzer is constructed on the principle of the telegraph-sounder, but instead of making a single click or stroke the current is made to act on the armature and keep up a continuous motion so long as the electricity passes through the helix of the cores, the armature, and the contact-points of the apparatus.

A buzzer has the same movement as an electric bell with the ringing apparatus removed. For offices, houses, and quiet calls it is often preferred to the loud ringing of a bell.

The electric buzzer shown in Fig. 13 is easy to make; it is operated by the aid of a cell and a push-button. Cut a base-block three inches and a half wide, five inches long, and three-quarters of an inch thick, and mount a horseshoe magnet made of bolts and a yoke and coils about at the middle of it, as shown in Fig. 9. The magnet is held to the[65] base by a flat wooden cleat and a screw passed down through a hole in the cleat and into the base, between the coils. An armature of soft iron, two inches long and half an inch wide, is riveted to a piece of spring-brass, as shown in Fig. 14 A, and the end is bent so that it will fit around the corner of a block to which it is held fast with two screws. This armature is mounted so that there is a space one-sixteenth of an inch wide between it and the bolt-heads, as you can see in Fig. 9. The brass is bent out slightly and runs parallel with the armature for one inch and a quarter. Against this the end of the screw mounted in block B Fig. 9 rests.

Buzzers

The block B is a small piece of hard-wood screwed fast to the side of the base to hold the set-screw and also the wire that comes from the outside of the upper coil. A small hole is made in the edge of the block and the wire passed in, so that the end rests in the screw-hole as shown by the dotted line. When the screw is placed in the hole and turned, it comes into contact with the wire and makes a connection. This block and its attachment is shown in Fig. 14 B.

On the base, near the armature-block, a binding-post is[66] made fast, and the current, passing in through the wire A in Fig. 9, goes through the coils and around to the screw B, then through the armature to the block, and out through the wire C. In its circuit the bolts are magnetized, and they draw the armature, but the instant they do so the loose spring-brass end is pulled away from the screw-point B and the circuit is broken, the bolts cease to be magnetized, and the armature flies back under the influence of the spring-brass neck at D. The loose brass end, on touching the screw-point, conducts the current through the coils again, with a continual vibrating action, so long as the electric current is passing in at A and out at C. The greater the volume of current the greater the number of vibrations, and to properly regulate the contact the set-screw B must be adjusted at the right point. Paste pieces of heavy paper over the heads of the bolts to overcome residual magnetism.

A single electric bell is made the same as a buzzer, but continuing on from the end of the armature a wire or rod is mounted with a ball at the end which strikes the bell as the current causes the armature to vibrate. The bell-block may be made longer, and a bell from an old clock or a bicycle should be mounted at the proper place on a wooden dowel driven into the base. A screw passes through the hole at the middle of the bell and into the top of the dowel. The ball at the end of the rod may be made of brass with a hole in it, and a drop of solder will hold it in place. Or it may be made of wire wound round the end and soldered into a compact mass.

[67]

A Large Induction-coil

As has been said, the induction-coil is one of the mysterious phenomena of electrical science. While its practical value is known and recognized in all branches of voltaic electricity for use in transforming currents, its actual workings have never been clearly explained.

The construction of a small induction-coil was explained in the description of a shocker or medical battery. For bigger equipments, wireless telegraphy and other uses, a large induction-coil will be necessary, and the following illustrations and descriptions should enable the young electrician to construct an apparatus that will be both simple and efficient in its working.

For the tube (in which to wind the primary coils) obtain a piece of red fibre-tubing, one inch inside diameter and not more than one-eighth of an inch in thickness. The length should be ten inches. If fibre cannot be had use a paste-board tube.

From white-wood, half an inch in thickness, saw two blocks four inches square and in the centre of each cut a hole so that the tube will pass through it and fit snugly. Some shellac and a few slim brass escutcheon pins will hold the blocks in place, as shown at Fig. 15. The wood blocks and fibre or paper tube should be treated to several successive coats of shellac to give them a good finish and prevent the absorption of moisture. Four binding-posts, with wood screw-ends, are to be made fast at the top edges of the end-blocks, as shown at Fig. 15. Holes bored in the blocks near the foot of the binding-posts will admit the[68] ends of the coil-wires so that contact can be made. The ends of the conductor-wires should then be placed in the holes in the binding-posts and held in place with the thumb-screws.

Coils

The primary coil is made by winding four layers of No. 20 insulated copper wire on the tube and between the end-blocks, as shown at Fig. 16. Each layer must be wound evenly, and the strands should lie close to each other. When the first layer is on give it a coat of shellac; then wrap a piece of thin paper about it and give that also a coat of shellac. When the second layer is on repeat the operation of shellacking and paper-coating, and continue with the third layer. When the fourth layer is on give the coil a double wrap of paper and two or three coats of shellac to thoroughly insulate it and keep out all moisture. The winding may be done by hand, but it is much easier to do it on a winder or reel, which can be operated to revolve the core, the wire unwinding from its original spool as it is wound on the tube.

A convenient winder may be made on a base-board[69] which can be clamped to a table or bench. The board is twelve inches long, eight or ten inches wide, and seven-eighths of an inch thick. Two uprights, three inches wide, ten inches long, and three-quarters of an inch thick, are screwed and glued to the ends of the base-board. A notch is cut in the top of the end-boards, into which the spindle or shaft can rest; and at the top of the end-pieces two small plates of wood or metal are screwed down to hold the spindle in place when the tube and ends are being revolved. A small hole, bored in each upright end two inches above the top of the base-board, will admit a rod on which a spool of wire can revolve, as shown at Fig. 17.

Two plugs of wood, shaped like corks, are made to fit in the ends of the fibre-tube. A hole is bored through each one so that a wire or rod spindle will pass through them and fit tightly. One end of the rod is bent and provided with a small wooden handle, by means of which the core may be revolved.

This winding-rack makes it easy to handle the core-tube while putting on the layers of wire, and it holds the tube securely while the wraps of paper and shellac are applied.

The secondary coil is laid over the primary, and should be of Nos. 30 to 36 insulated copper wire. The finer the wire the higher the resistance and the longer the spark, but nothing heavier than No. 30 should be used.

Begin by making one end of the wire fast to a binding-post; then turn the core-tube with one hand, holding the wire in the other. Take care not to bind the wire nor stretch it, but wind it on smoothly and evenly, like the coils of thread on a new spool of cotton or silk. Be very[70] careful to avoid kinks, breaks, or uninsulated places in the wire. Should the wire become broken, give the coil a coat of shellac to bind the wound strands; then make a fine twisted point and cover it with the silk or cotton covering, with a coat of shellac to hold it in place, and proceed with the winding. Between each layer of wire place a thin sheet of paper and coat it with paraffine, or shellac, to make a perfect insulation; then proceed with the next layer.

With a battery and small bell test the wire layers occasionally to see that everything is all right, and that there are no breaks or short circuits. This is very necessary to avoid making mistakes, and, considering the time and care spent in winding the coils, it would be a great disappointment if the coil were defective.

Coils

About one pound and a half of wire should constitute the secondary coil, and, if possible, it is best to have it in one continuous strand, without splices.

Over the last coil, after the winding is completed, several thicknesses of paper should be laid and well coated with[71] shellac between each wrap. This is a protector to insure the fine wire strands from damage. To improve the appearance of the coil a wrap of thin black or colored leather may be glued fast, with the seam or point at the under side.

The ends of the wires forming the primary coil should be made fast to the binding-posts at one end, while those of the secondary coil should be attached to the posts at the other end.

For the core, obtain some soft iron wire, about No. 18, and cut a number of lengths. Straighten these short wires and fill the tube with them, packing it closely, so that the wires will remain in place under a mutual pressure. It is better to make a core of a number of rods or wires rather than to have it of one solid piece of soft iron.

Now, from hard-wood, cut a base three-quarters of an inch thick, five or six inches wide, and twelve inches long. Attach the coil to the base by means of screws passed up through the board and into the lower edges of the end-blocks. The wood is to be stained and given several successive coats of shellac.

Now connect the wires of a battery to the binding-posts in contact with the primary coil, and attach two separate wires to the secondary coil binding-posts. Bring these ends near to each other, and a spark will leap across from one end to the other, its size or “fatness” depending on the strength of the battery. The completed apparatus is shown at Fig. 18.

In producing a long spark a condenser is an important factor; it is used in series with an induction-coil. There[72] are several forms of condensers, but perhaps the simplest and most efficient is the Fizeau condenser, which is made up of layers of tin-foil with paraffined paper as separators.

From a florist’s supply-house purchase one hundred and fifty sheets of tin-foil seven by nine inches, or sheets that will cut to that size without waste; also ten or twelve extra sheets for strips. At a paper supply-house obtain some clear, thin, tough paper about the thickness of good writing-paper. Be careful to reject any sheets that are perforated or have any fine holes in them. The sheets should be eight by ten inches, or half an inch larger all around than those of the tin-foil. The paper must be thoroughly soaked in hot paraffine to make it moisture-proof and a perfect non-conductor. This is done by placing about two hundred sheets on the bottom of a clean tin tray, or photographic developing-dish of porcelain. Don’t use glass or rubber. After placing some lumps of paraffine on the paper, put the tray in an oven so as to dissolve the paraffine and thoroughly soak the paper.

Open the oven door and, with a pin, raise up the sheets one at a time, and draw them out of the liquid paraffine. As soon as it comes in contact with cool air the paraffine solidifies and the sheet of paper becomes stiffened. Select each sheet with care, so that those employed for the condenser are free from holes or imperfect places.

From pine or white-wood, a quarter of an inch in thickness, cut two boards, eight by ten inches, and give them several good coats of shellac.

To build up the condenser, lay one board on a table and on it place two sheets of paraffined paper. On this lay a[73] sheet of tin-foil, arranging it so that half an inch of paper will be visible around the margin. From the odd sheets of tin-foil cut some strips, one inch in width and three inches long. Place one of these strips at the left end of the first sheet of foil, as shown at Fig. 19. Over this lay a sheet of the paraffined paper, then another sheet of the foil. Now on this second sheet of foil lay the short strip to the right end, and so proceed until all the foil and paper is in place, arranging each alternate short strip at the opposite end. Care must be taken to observe this order if the condenser is to be of any use.

Condensors

When the last piece of foil is laid on, with its short strip above it, add two or three thicknesses of paper, and then the other board. With four screw-clamps, one at each corner, press together the mass of foil, paper, and boards as closely as possible, then bind the boards about with adhesive tape, or stout twine, and release the clamps. Attach all the projecting ends of foil at one side by means of a binding-post, and those at the other end with another binding-post. The complete condenser will then appear as shown in Fig. 20.

When in operation one wire leading from the secondary coil should be connected with a binding-post of the condenser, so that it is in series.

[74]

The object of the condenser is to increase the efficiency of induction, and it should be made in proportion to the size of the induction-coil with which it is to be employed.

Circuit-Interrupters

When an induction-coil is to be employed as a shocker (and there is no vibrating armature arranged in connection with the core), a circuit-interrupter must be employed to get the effect of the pulsations, as given out by the secondary coil when a current is passing through the primary.

There are various forms of circuit-breakers that may be made for this purpose, but for really efficient service the type shown in Fig. 21 is perhaps the best that can be devised.

This interrupter consists of a metal cog-wheel with saw-teeth, a pinion or axle, and a handle. Also a base-block, with uprights to support it, and a piece of spring-brass wire, arranged so as to bear against the wheel. When the wheel is revolved the spring-wire will be driven out by each tooth; and when released it flies back to the wheel, striking the bevelled edge of a tooth at each trip.

Two binding-posts, arranged on the block, will provide means of connecting in-and-out wires. With a coat or two of shellac on the wood-work and black asphaltum varnish on all surfaces of the metal that are not used for contact, this circuit-interrupter will be ready for any use in connection with an induction-coil.

The base-block is of pine, white-wood, or cypress, seven-eighths of an inch thick, three inches wide, and five inches long. The uprights, which support the wheel, are half an[75] inch thick and one inch wide. The wheel is three inches in diameter and is made of brass one-sixteenth of an inch thick. The design of the wheel should be laid out with a compass and marked with lead-pencil or a sharp-pointed awl, which will leave a mark clear enough to be seen when sawing and filing the teeth and open places.

Interrupters

A true plan is shown at Fig. 21 A. Through the middle of the wheel a small hole is bored to receive the axle of brass which is to be soldered in place. When the wheel is set up, a metal crank and wooden handle should be soldered fast to one end of the axle. A piece of spring-brass wire is fastened to the block, with a staple, and the lower end bent so that the screw in one binding-post will hold it in place. The upper end of the wire is bent in the form of an L. From the other binding-post, through the block and up one support, a wire is passed, the end of which comes into contact with the axle. The current, passing in through one binding-post, is carried through this wire to the axle, then to the wheel, and so on out through the spring-wire and remaining binding-post. When in action the circuit is[76] constantly being broken, as the spring-wire jumps from the end of one tooth back to the face of the next tooth. The pulsations are increased or diminished by the fast or slow speed of the wheel, as regulated by the hand motion. The strength of the current is regulated by the force of the battery and should be controlled by a water resistance, as described for the medical battery, or shocking-coil.

The interrupter, shown in Fig. 22, is built up on a block six inches square and seven-eighths of an inch thick.

A circle is cut from sheet-lead and laid on the face of the block, through which pins, or steel-wire nails, are driven. The lead circle is five inches in diameter and half an inch in width, making the inside diameter four inches.

The pins or nails are driven a quarter of an inch apart, and should be properly and accurately separated, so that an even make-and-break will be the result.

It is not necessary to bore holes in the lead, but the pins or nails should be driven clear through it, so that perfect contact can be had by the metal parts coming together. Otherwise the apparatus would be useless.

Over the circle of pins a brass bridge is erected, so that the cross-strips will clear the heads of the pins. A hole is bored at the middle of the bridge so that the revolving axle will pass through it.

The axle is made from a piece of stout wire, or light rod, and near the foot of it, and about half an inch above the base-board, a disk of metal is soldered fast. A piece of spring-brass wire is attached to this disk, so that when the axle is turned the end of the wire trips from pin to pin, thus making and breaking the circuit. The upper part of the[77] axle is bent and provided with a small wooden or porcelain knob.

One wire from the secondary coil is caught under a screw that holds one end of the brass bridge to the base; and the other to a screw, which may be placed at one corner of the block, and from which a short wire leads to the lead ring. Binding-posts may be arranged to serve the same purpose, and, of course, they are much better than the screws, because they can be easily operated by the fingers and do not require a screw-driver every time the interrupter is placed in series with an induction-coil. An interrupter on this same order may be made from a straight strip of lead with the pins driven through the middle of it. One wire from the secondary coil is made fast to the lead plate, and the end of the other wire is passed along the pins, thus making and breaking the circuit in a primitive manner.


[78]

Chapter V
ANNUNCIATORS AND BELLS

A Drum Sounder

A unique electric sounder that is sure to attract attention is in the shape of an electric-bell apparatus, with a drum sounder in place of a bell, or knockerless buzzer. Fig. 1.

The outfit is mounted on a block four inches and a half wide and seven inches long. The cores and yoke are made as described for the electric buzzer (chapter iv.) and are wound with No. 22 cotton-insulated wire. The magnet is then strapped fast to the block by means of a hard-wood plate having a screw passed down through it; and between the coils and into the block an armature is made and mounted on a metal plate, which in turn is screwed to the block. Another block, with a contact-point, is arranged to interrupt the armature, and the series is connected as shown in the drawing Fig. 1.

The end of the wire projecting above the armature is provided with a hard-wood knocker which operates upon the head of the drum. The drum is made from a small tin can, having one or two small holes punched in the bottom. Over the top a thin membrane, such as a bladder or a piece of[79] sheep-skin or cat-skin, is drawn and lashed fast with several wraps of wire, having the ends twisted together securely. The membrane must be wet when drawn over the can end, and great care should be taken to get it tight and even. Then, when it dries, it will stretch and draw, like a drumhead, and hold its elastic, resonant surface so long as it does not become moistened or wet.

This drum is arranged in the proper position and lashed fast with wires passed over the box and down through holes in the block; where, after several turns, the ends may be securely twisted together. In place of the drum a small wooden box may be lashed fast with its open end against the block, so as to form a hollow enclosure. The raps of the knocker against its sides will give forth a resonant xylophone tone.

An Annunciator

A simple annunciator may be made from a core, a helix, and some brass strips. A soft iron core, made of a piece of three-eighth-inch round iron and threaded at one end, is converted into a magnet by having a spool and wire coil arranged to enclose it. This in turn is screwed into a strip of brass bored and threaded to receive it. Fig. 2.

This brass strip is shaped as shown at Fig. 3 A, and the ears are bent to serve their several purposes. The lowest ears are turned out and the lower part of the plate is bent forward so as to form the hinge on which the drop-bar turns. The drop-bar is only a strip of metal turned up at one end, on which a numeral or letter can be attached; while at the other the metal should be bent over so as to form a core into[80] which a pin or wire may be passed and the extending ends bent down, after being caught through the holes in the ears. Above the magnet the strip is bent forward and the top or end ears bent up, so as to form the hinge on which the armature swings. Holes are made in the long ears, through which screws pass to hold the annunciator fast to the box or wood-work.

The armature is made from a strip of brass and is shaped like B in Fig. 3. The two ears at the top are bent down and fit within those at the top of the first strip. A screw or wire passed through the holes in the ears will complete the hinge. The strip is bent down so as to fall in front of the magnet, and to its inner side a button or disk of sheet-iron is riveted fast, so as to form an attraction-plate to be drawn against the magnet when the current is passing around it. The lower part of the armature is bent in hook fashion so as to hold up the drop-bar.

A slot is cut in the drop-bar through which the hooked end will project. A short spring is arranged at the top of the annunciator so as to keep the bar and the hook in place when not in action. The current passing around the soft iron core magnetizes it and draws the iron button on the armature towards it. This action immediately releases the hook from under the edge of the metal at the forward end of the slot, and the bar drops, bringing the figure down and into plain sight. It is necessary, of course, to mount this annunciator so that the bar will not drop down too far. This may be done by having a platform or wire run along under a series of the drops, so that they will rest on it.

[81]

ANNUNCIATORS AND BELLS

[82]

A Double Electric Bell

For loud ringing, and to get the benefit of both the forward and backward stroke of the knocker, a double bell, similar to the one shown in Fig. 4, may be constructed upon the general principle of the single-stroke buzzer already described (chapter iv.).

Two soft iron cores are made, as described for the other bells, but instead of being yoked together with iron, so that the three parts will form a horseshoe magnet, the yoke is of brass or copper. Each core will then be an independent magnet.

The spools are wound with No. 22 insulated wire and the ends left free, so that the coils are not connected together. If the drawing is examined closely you will see that the armature swings on a pivot at the base of the knocker-bar. When the bell is not in action the knocker might rest naturally against one bell or the other; or it might stand in the centre and not touch a contact-point, were it not for the small spring which draws it to the left. Directly the current is run through the coils it alternately magnetizes first one and then the other. This action is due to the making and breaking of the circuit by the spring on the armature. It first comes into contact with one point, and then is drawn away from it to come into contact with the other. Fig. 4 shows the knocker-bar at rest between both bells and the armature unattracted by either magnet. This position is purposely given so as to indicate the balance of the armature and the spaces between it and the cores and also the contact-points above it.

[83]

The small, light wire spring shown in the drawing draws the knocker to one side; therefore, when at rest, one circuit is closed. Otherwise the bell would not act when the current is run through the parts—in fact, the current could not run through at all, if one or the other contact were not made.

The magnets are held fast to a base with a long screw and a small plate of wood laid across them as shown in Fig. 4. The armature is a piece of soft iron one-eighth of an inch thick, half an inch wide, and three inches long. This has a spring-brass piece attached to it as shown at A A in Fig. 5. Small holes are bored through the strip and the iron, and escutcheon pins are passed through and riveted. A small hole is made down through the middle of the iron plate and a pin is driven into it, so that a quarter of an inch projects at both sides.

Another hole is made through the side of the plate for the knocker-bar. Then the armature is set in place so that there is a space of one-eighth of an inch between it and the magnet ends. The armature is held in place at the top by a bent metal strip (B B in Fig. 5). This is screwed fast to the base and the bottom is countersunk into the wood.

Two contact-points (C C in Fig. 5) are arranged so that when a magnet draws the armature down it brings the opposite end of the armature spring into contact with a point.

The wiring is at the under side of the base and is shown in Fig. 6. The current enters binding-post A, and passes around coil and magnet No. 1 by entering at B and leaving at C; from thence to D, entering the armature spring at E, when the small spring has drawn the knocker-bar over to[84] the left. The current passes along the armature and out at F; then along to binding-post G, and so on around through battery K and push-button L, thus completing the circuit. Directly that this is done the magnet draws the spring end of the armature away from contact-point D and up against contact-point J, so that the circuit is broken through coil No. 1 and is sent through coil No. 2. This immediately magnetizes core No. 2 and draws the armature down to it, breaking its contact with J and re-establishing it with D. The rapid alternate making and breaking of the circuit, and the rapid and strong motion of the armature in its seesaw action, causes the knocker to rap the bells soundly each time it travels from right to left and back again.

Two bells of similar size, or two drums or wooden boxes, may be employed for this double striker, and the more current that is run through the coils the more power and a corresponding increase of noise.

An Electric Horn

One of the most useful pieces of apparatus where a loud noise is required (such as in a motor-boat or an automobile) is the electric horn.

It is a rearranged principle of the telephone, for instead of sound entering or striking against the membrane or tympanum to be transmitted elsewhere, the disturbance takes place within the horn and the sound is emitted.

Everybody has been close to a telephone when others have been using it, and has heard noises, rasping sounds, and even the voice of the speaker at the other end of the[85] line. If a cornet were played at the other end of the line it could be distinctly heard through the receiver by many persons in the room, since its vibrations are loud enough to set up a forcible succession of sound-waves.

The same principle operates in the electric horn, but instead of being agitated at a long distance it is done within the enclosure, and a very much louder vibration is consequently produced.

It is quite as easy to make an electric horn as to construct a bell, but care must be exercised to have the parts fit accurately and the wiring properly done. If the drawings are studied and the description closely followed, there is no reason why a horn cannot be made that will demand any one’s attention from some distance away.

The complete horn is shown in the illustration Fig. 7, and as it is made of wood it is easily attached with screws to a boat or a motor-car.

From white-wood, half an inch thick, cut two blocks three inches and a quarter square. In one of them (the rear one) bore a hole at the centre, of such size that a piece of three-eighth-inch gas-pipe can be screwed into it. In the other one make a hole two inches in diameter, so that the cover of a small tin can will fit into it. Outside this hole, and on one side of the block, cut the wood away and down for one-eighth of an inch, forming a rabbet, as shown at A in Fig. 7. This will be the back of the front block.

[86]

AN ELECTRIC HORN

[87]

Have a gas or steam fitter cut a piece of two-inch iron pipe one inch and three-quarters long. This will measure a trifle over two inches and a quarter, outside diameter, and will form the cylinder or cover for the mechanism. The piece of pipe should fit snugly in the front board, and at the rear one the wood should be cut away so as to let it in an eighth of an inch, as shown in the sectional plan of Fig. 7.

Obtain a piece of three-eighth-inch gas-pipe, threaded at one end. Cut it with a hack-saw, and file the blunt end so that it will measure one inch and seven-eighths long, as shown at C in Fig. 7. This is to be screwed into the front of the rear block so that it will project one inch and a half.

Make a spool to fit the pipe, as shown at B in Fig. 7, or use two wooden button-moulds attached to the pipe with shellac or glue. Between them wind on the coils of No. 22 wire to form the helix.

Cut a hole in the tin-can cover, as shown at D in Fig. 7, and have a tinsmith solder a small funnel to it (for the horn, or bell, as it is called), cutting away the lower part of the funnel so that the hole in it will correspond in size with that in the can cover.

This joint can be made at home by fitting the funnel in the hole and then turning back the edge, as shown in the sectional drawing at E in Fig. 7. Then, with a spirit-lamp, some soldering solution, and solder, make a good joint.

Small holes are to be made at the corners of the blocks, through which stove-bolts two inches and a half long will fit to bind the front, back, and cylinder together.

Select a good, clean, and flat piece of tin and cut a disk two inches and a quarter in diameter, and through the middle make a small hole. Cut two pieces of iron about the size and thickness of a cent, and bore a small hole through the centre of each. Obtain a piece of stout brass wire, or[88] thin rod, and file one end of it as shown at G in Fig. 7, so that the small end will fit in the holes made in the iron buttons. Place one button on either side of the tin disk, and pass the wire through; then clamp it in a vise and rivet the top of the rod so that you will have a disk with a button at each side of the centre and all attached firmly to a brass rod, as shown at F in Fig. 7. The total length of this rod should be two inches and a half, and the lower end is to be threaded and provided with two small brass nuts. A piece of spring-brass three-eighths or half an inch wide is made fast to a small block at the back of the horn, as shown at H in Fig. 7, and at its opposite end a contact-piece of metal, bent at an angle, is screwed fast. Around the back of the back block a wooden frame is attached to protect the rear mechanism of the horn.

The parts are now ready to assemble. First see that the metal angle contact-point is in place with the long brass strip resting on it, and that this in turn is properly fastened to the block on the side opposite the contact-point, as shown at H in Fig. 7. There should be a small hole through the middle of the brass strip directly in line with the middle of the hole in the gas-pipe. Place this back-board down on the table so that it will lie in a position as indicated in the sectional plan of Fig. 7. The gas-pipe is then to be screwed onto the plate. Over this the spool with its layers of wire is to be slipped and made fast, and the cylinder of iron is then placed in position. Over this the disk F is laid, so that the brass rod extends down through the pipe and brass strip; then the nut is screwed on to hold it in place. Next comes the front block, with its horn or bell, and the[89] entire mass is locked together by means of the four bolts at the corners.

The wiring is simple. One inlet being through block I, the current passes through strip J to contact-point K; then through the coil and out at wire L. The inlet and outlet wires are connected to a battery and to a push-button or switch, so that the horn can be operated. The proper adjustment of this horn depends on the nuts at the foot of the brass rod. They must be screwed on tight enough to draw the strip J so that it rests on the contact-point K.

The current, passing in at I, through J, K, the coil, and out at L, magnetizes the piece of pipe and draws the iron buttons or disks attached to the tin disk. But so soon as it does so it breaks the contact between J and K, and the buttons fly back into place, having been drawn there by the rigidity of the tin disk to which they are attached. Again the current is closed and the magnet draws the iron buttons. The brass rod moves but a very slight distance up and down—enough, however, to make and break the contact between J and K. As a result of this rapid movement and the consequent snapping of the tin disk, a loud noise is emitted through the bell, which can be heard a long distance and closely resembles a long blast blown on a fish-horn.

Burglar-alarms

A unique burglar-alarm trap may be made from a plate of wood, five by six inches and half an inch thick, a movable lever, and a brass strip having the ends turned out. These are arranged as shown in Fig. 8. The brass strip is[90] fastened to the plate with screws, and the ends extend out for half an inch from the board. The lever is made from a strip of brass, and the upper part is bent out so as to clear the strip and screws that are under it. A hole is made at the lower end of the lever, through which a brass ring and the end of a spring may be fastened. The opposite end of the spring is attached to a screw, and a wire carried from it to a binding-post, A. Another wire connects the back plate with binding-post B. A string or piece of fine picture-wire is made fast to the ring and carried to any part of a room.

To set the trap, make the block fast in any convenient place, such as the door-casing or the surbase, and carry the string out from the trap and fasten the end of it. Any one running against it in the dark will draw the lever over to the right side and connect the circuit.

Burglar alarm

When setting the trap, have the string adjusted so that the lever is in a vertical position, as shown in the drawing of Fig. 8. When the string is disturbed it will pull the top[91] of the lever over to the right side; but if the string is broken by the person running against it, the spring attached to the bottom of the lever draws it over to the right side with a snap, and the top of the lever goes to the left side, when the circuit is closed and the alarm given.

This trap is connected the same as a push-button, one wire leading to the bell, the other to the battery; then the battery and bell are connected together so that when the circuit is closed the bell will ring until some one throws a switch open to break it.

Another form of circuit-closer is shown in the door-trap (Fig. 9). This is a wooden block that rests on the floor close to the bottom of a door, and is held in place by means of four sharp-pointed nails driven down through the corners of the block. The points should project a quarter of an inch or more, according to whether the block is on a hard floor or on a carpet. The front edge of the block is bevelled so that the bottom of a door that fits closely to the floor will pass over it.

The block is five by seven inches, and three-quarters of an inch thick. At the left side a strip of metal (A) is held close to the block with straps or wide staples driven over it, but not so close but that it can move freely back and forth. To the front end a round piece of wood is made fast. This is the bumper against which the door will strike when opened. At the middle of the strip a screw is riveted fast; or it may be a machine-screw let into a threaded hole in the metal. At the right side of the block another strip of metal (B) is attached, but this is held fast with a screw at the middle and a screw-eye and washer at the rear end to act as a binding-post.[92] The front end of this strip is turned up so as to form a stop; then a movable lever (C) mounted over both strips, with one end bent up, is attached to the block with a screw. A slot is cut at one end so that the screw in the movable strip (A) will move freely in it, and near the other end a small hole is made to receive the end of a spiral spring (D). To set the trap, the block is placed on the floor and the wires from battery and bell are made fast to the binding-posts. The spring D keeps the lever C away from the strip-end B, while at the same time it throws the strip A forward. When the door is opened it shoves the bumper and strip A back through the staples, while the screw operates lever C and causes its loose end to come into contact with the end B, thereby closing the circuit and ringing the bell or buzzer. When the door is closed again the spring draws lever C away from B, and the circuit is opened.

The block acts as an obstruction as well as an alarm, for the pins will hold in the floor and the little block will stand its ground. A simple form of contact for doors is shown at Fig. 10. This is simply two strips of spring-brass bent as shown, and screwed fast on either side the crack of a door, at the hinge side, so that when the door is opened one piece of metal bears on the other and the circuit is closed. This is to be operated in connection with a switch, so that the circuit may be opened in the daytime when the door is in use.

Signals and Alarms

There are many different kinds of electric call-signals used in and about the house; among these are some that a[93] boy can readily make—for example, the ordinary call-buttons and the signals between house and stable or other out-buildings.

A portable call-bell, or alarm, is one of the most convenient things in any home. It may be temporarily rigged up from one room to another, or from one floor to the next, the small, flexible wire being run over the tops of door-casings, where it is held by slim nails or pins driven into the wood-work.

The main terminal of this portable outfit consists of a wooden box that will hold a large dry-cell, and to the side of which an electric bell or buzzer may be attached. Binding-posts are arranged at another side, to which the ends of the flexible wire-cord can be made fast, and a cover fitted to the box to hide the battery and wiring. The complete outfit, except the flexible wire-cord and push-button, will appear as shown in Fig. 11. No definite size can be laid down for the construction of this box, as dry-cells vary in size and shape, some being long and thin, while others are short and fat. By removing the cover and looking into the box, it will appear as shown in Fig. 12. The carbon is connected with one binding-post and the zinc to one of the poles of the bell. The other bell-pole is connected with the remaining binding-post, and it requires but a switch or push-button to close the circuit between the two binding-posts. This is done by the long line of flexible wire-cord, which may be of the silk or cotton covered kind, having the two strands twisted together as is customary with flexible electric-light wire. A pear-shaped push-button may be connected at the end of the line, and this may be arranged at the head[94] of a bed or on a chair placed conveniently near an invalid’s couch.

This same apparatus is a very convenient thing for a lecturer where a stereopticon is used. A buzzer takes the place of the bell, which would be too loud in a hall or lecture-room, and the cord, passing from the apparatus close to the operator, is hung over the lecturer’s stand, or the button held by him in the hand, to be pressed whenever he desires the pictures changed.

Buzzers

This apparatus can be used also in connection with an alarm-clock, where the winding-key is exposed at the back, as it is in most of the nickel-cased clocks that are operated by a spring and which have to be wound each day. For this purpose obtain a piece of hard rubber or fibre, one-sixteenth[95] of an inch thick, an inch long, and half an inch wide. A piece of stout card-board or a thin piece of hard-wood soaked in hot paraffine will answer just as well, if the fibre or rubber cannot be had. Bore a small hole at the two upper corners and one at the middle near the lower edge. Obtain three garter-clips, with springs, and rivet one of them fast to the little plate of non-conducting material. Cut two lengths of old brass watch-chain, four inches long, or obtain eight inches of chain at a hardware-store, and divide it in half. Attach a garter-clip to one end of each piece, and make the other end fast in the holes at the corners of the small plate as shown in Fig. 13. This will be the connector and will close the circuit when the alarm goes off.

When the clock is wound and the alarm-spring is tight, catch one binding-post with a clip at the end of a chain and the other post with the remaining clip. Place the clock near the box and grasp the alarm-key with the clip on the plate. When the alarm goes off the bell on the clock will begin to ring, and when the key has made one revolution it twists the two pieces of chain together, closes the circuit, and the electric bell rings until some one unfastens one of the clips on the binding-posts and breaks the circuit. The great advantage in this double-alarm outfit is that it keeps the bell ringing until the attention of the sleeper is attracted. The bell on the clock will stop ringing directly the spring is unwound or run down; but in so doing it twists the chain and sets the electric mechanism in motion, to run until it is stopped, or until the battery polarizes or is exhausted.

[96]

A Dining-table Call

One of the most convenient of house electric-calls is that between the dining-room and the butler’s pantry or the kitchen, its purpose being to summon the waitress without the necessity of ringing a bell at the table, or calling.

There are various forms of push-buttons for this purpose—some embedded in the floor, others hanging from the centre light, and others again where the wire runs up from under the table, and the pear-shaped push rests on the cloth within easy reach. These last are good enough in their way, but are inconvenient, unsightly, and quite liable to get out of order.

In order to use the floor-push the table must stand in exactly the right place; with the drop-string from a chandelier the cord is continually getting in the way; and as for the portable push that comes from under the table, one must be forever hunting for the button every time the table is set. And yet it is quite possible to avoid all these troubles and construct an apparatus that is always in order and always available, wherever the table may be placed. A visitor at a certain house noticed that the number of the family present at a meal was apt to vary largely, necessitating frequent lengthenings and shortenings of the table. And yet the waitress invariably appeared just at the right time, and whether one end or the other of the table was to be served, she was always on the spot where she was needed. The visitor tried to study it out, but was finally obliged to ask for an explanation of the mystery. The boy of the house smiled and intimated that he was responsible for this[97] domestic miracle; later on, when dinner was over, he removed the centre leaves from the table and displayed the simple apparatus that he had constructed and which had worked for several years without adjustment or repairs.

The illustration (Fig. 14) represents the frame of a dining-table with the middle cross-bar made fast to the side-rails, so as to support the mechanism. At both ends, and inside the rail, push-buttons are arranged and wires carried from them to binding-posts close at hand, as may be seen at the left side. The cross-bar at the middle of the table supports a large spool on which the flexible cord is wound, and kept taut by means of a clock-spring. This spool takes up the slack between the ends of the table when it is lengthened or shortened, while the smaller one opposite it keeps taut the feed-wires that come up through the floor. A short distance from the floor the wire is provided with a connector, so that when the rug is removed the feed-wires may be disconnected and slipped down.

The large spool can be had at any dry-goods store where braids or fancy cords are kept. It should be about four inches long, three inches in diameter, and with sides thick enough to enable screws to be driven into it without fear of splitting the wood. An old clock-spring is attached at one side of the spool, while at the other two circular bands of brass are made fast, one within the other. An axle of stout wire should be driven through the spool; but if the hole is too large, wooden plugs may be glued in at each end so that a front view of the spool will appear as shown at A. The metal bands are cut with shears from sheet-brass, and are attached with fine steel nails, the heads of which are driven[98-
99]
in flush with the wood. A hole is made in the side of the spool, close beside each band, so that the ends of wires may be brought through them and attached to the bands. This arrangement is illustrated at B, and at C the opposite end is shown, with its clock-spring, one end of which is made fast to the side of the spool and the other to the cross-rail. A small round piece of wood is slipped over the axle, at the spring side, and projects a quarter of an inch beyond the spring. This is to keep the spring away from the arm that stands out on that side to hold the spool in place.

A DINING-TABLE CALL

About half an inch of space is left between the spool and the arm at the opposite side, so that the spring contact-strips may be made fast to the arm and still have room to act. A view looking down on the spool and springs is shown at D, and E illustrates the arrangement of the circular strips and the spring contact-strips. If the table is to remain permanently in the same position, only one spool will be required, for the floor wires can come up and connect directly with the contact-strips. But if the table is to be moved about, a tension-spool, independent of the push-button wires, is necessary so that the position of the table may be changed without unwinding the large spool and dropping the cords down to the floor. The smaller spool is made and mounted in the same manner, and should be placed close to the large one. But a lighter spring will operate it. One end of a double wire-cord is made fast to binding-posts, mounted on a yoke of hard rubber or fibre, so that the terminals will be kept apart, as shown at F. The other ends are passed through the holes at one side of the small spool and soldered fast to the circular strips, or[100] a small screw may be passed down through the hole, binding the wire and touching the edge of one strip. Take care that it does not touch the other strip. The cord is then wound on the spool, and it is slipped in place so that the loose end of the spring is caught and held over a nail or screw-head. Turn the spool over several times to partially wind the spring; then attach the terminals to the wires that come up from the floor and the tension of the spring will draw the wires taut. The two contact-strips of brass, that rest against the brass circles, have insulated wires leading out from them in order to connect them with the corresponding wires leading from the strips of the larger spool.

A simple way to mount the spools is shown at A in Fig. 15. A notch is cut in the face of the blocks large enough to admit the axle; then a face-plate is screwed over the end of the block to hold the axle in place. This arrangement makes it easy to remove the spool, in case of necessity, without detaching the arms from the cross-rail.

Spools

Two sets of wires are wound on the large spool, one leading[101] to the right-hand and the other to the left-hand push-button on the table-rails. The ends of the wires are arranged so that one leading from both directions is made fast to one circular strip on the spool, the other two being attached to the remaining band. This is more clearly shown at B in Fig. 15, where the ends are visible as they are twisted together and pass through their respective holes. The spool is then turned over, and six or eight feet of wire wound on from each side. The spring is coiled up and caught on the nail or screw, and the ends of the wires are made fast to the binding-posts near the push-buttons. The wires from both push-buttons are then in connection with the circular bands, which in turn are connected to the bands on the smaller spool, and lead the current down through the floor wires. By pushing the button at either end the circuit is closed and the buzzer or bell is rung in the kitchen or pantry.

Arranged in this manner, the wires are kept off the floor, no matter where the table is moved, and it can be drawn open as wide as may be found necessary to put in leaves. When closed again, the spring causes the large spool to revolve and wind up the wire.


[102]

Chapter VI
CURRENT-DETECTORS AND GALVANOMETERS

A current-detector is a necessary part of the amateur electrician’s equipment; technically, this piece of apparatus is called a galvanoscope.

When a wire or a number of them are brought near a magnetic needle or a small compass, the needle will be deflected from its north and south line and will point east and west, or west and east, according to the direction in which the current is passing through the wires. All wires that are conducting electricity have a magnetic field, and when brought near the magnetized needle of a compass they have the power to act on it the same as another and stronger magnet would.

The action of detectors depends upon two things—first, the magnetized needle that, when properly balanced, will point north and south; and, secondly, a current of electricity passing through a wire or wires held above the needle, or both above and below it. This is more clearly shown in Fig. 1, where a compass is resting on a wire connected to a battery. The wire also passes over the top of the compass, which doubles the electro-magnetic field.

When the compass (with the needle pointing north) is[103] resting on the wire that is attached to the zinc pole of a battery, and when the end of the wire that passes back over the top of the compass is attached to the carbon pole, the needle will fly around and point to the east. When the wires are reversed, the needle will point to the west. Thus the combination of a battery or other source of electric current, a magnetic needle, and a coil of wire properly arranged, make an instrument that will detect electric currents and may be correctly called a current-detector. The pressure of more or less current is determined by instruments wound with wire of different sizes; the finer the wire the more sensitive the instrument, and consequently the more delicate. A very weak current can only be detected with a delicate and sensitive instrument. The coarser the wire and the larger the instrument, the better it will be for testing strong currents that would perhaps burn out the fine wire of the more delicate apparatus.

This instrument, when placed between a source of electricity and a piece of apparatus, such as a bell, a motor, or lamp, does not weaken the current, for it requires no waste of electricity to operate the magnetic needle. Consequently, when a very weak current is being used for any tests, it is well to place a detector between the battery and the apparatus to show that the current is actually passing through the wire.

A simple detector is made by winding fifteen or twenty feet of cotton-insulated copper wire No. 26 or 28 around the lower end of a drinking-glass. Leave six inches of each end loose; then after slipping the coil from the glass, tie the wires with thread at least four times around the circle,[104] so as to bind the wires together. Press two sides of the hoop together so as to flatten it; then with paraffine attach the coil to a square block of wood, as shown in Fig. 2.

Galvanoscopes

From a thin clock-spring, not more than three-eighths of an inch wide, cut a piece two inches and a half long, and with a stout pair of tin-shears cut the ends so as to point them, as shown in Fig. 3 A. With two pair of pliers bend a hump at the middle of the strip on the dotted lines shown in A, so that a side-view will appear like B in Fig. 3. Turn this strip over on a hard-wood block or a piece of lead, and with a stout steel-wire nail and a hammer dent the inverted[105] V at the middle so that it will rest on the top of a needle-point without falling off.

With three little pieces of wood make a bridge and attach it to the wooden base over the paraffine that holds the wire-coil, and drive a needle down in the middle of it, taking care that it does not go through the back and touch the wires underneath. On this needle hang the strip of steel spring, and, if it does not properly balance, trim it with the shears or a hard file until it is adjusted properly. Rub this piece of steel over the pole ends of a large horseshoe magnet, or place it within the helix of a large coil and turn a powerful current through the coil. This will magnetize the strip of steel, which will then become a magnetic needle and hold the magnetism. Attach two binding-posts to corners of the block, and make the loose ends of the coil-wires fast to them. You now have a current-detector, or galvanoscope, as shown in Fig. 4. Turn the block so that the needle points to north and south and parallel to the strands of wire.

When the conductors from the poles of a battery or dynamo are made fast to the binding-posts, the needle will fly around to a position at right angles to that which it first occupied, as shown by the dotted line A A in Fig. 4. When the connection is broken the needle will turn around again and point to north and south, since the magnetic field about the wire ceases and disappears the instant the circuit is broken.

This is one of the strange and unknown phenomena of electricity, for while the current exerts a force that deflects the needle, it does not destroy its magnetism. On the breaking of the contact, no matter how long it may have[106] held the needle away from its true course, it again points to north, and its magnetism is not affected.

Another simple current-detector is shown in Fig. 5. A piece of broomstick is sawed in half and both pieces are made fast to a block which is mounted on a base of wood three-quarters of an inch in thickness. The vertical block should measure five inches long, three inches high, and five-eighths of an inch thick. The half-circular pieces of wood are mounted so that the flat surfaces are three inches apart and the lower edges are one inch above the base-block. These may be held in place with glue and screws driven through the back of the vertical block and into the ends of the projecting half-circular pieces. The base-block is six inches long and four inches wide, and the vertical block is mounted on it one inch from an edge. The pieces of broomstick are two inches long, and at the front ends a thin bar of brass or copper is screwed fast to hold them apart and in proper position, as shown at A in Fig. 5. To improve the appearance of this mounting, all the wood-work may be stained and shellacked before the metal parts are attached.

With No. 26, 28, or 30 cotton-insulated wire make from fifteen to twenty wraps about the middle of the half-circular pieces of wood and carry the ends down through small holes in the base-block and thence through grooves cut at the under side of the block to the front corners, where they are to be made fast to binding-posts. A needle is to be set in the base-block midway between the two pieces of half-circular wood and through the strands of wire. Great care must be taken that the needle does not touch any bare wires, and as a precautionary measure it would be well to[107] wrap the needle with a piece of insulating-tape where it passes through the strands of wire. Now place on the top of it a magnetized piece of steel, as described for the detector shown in Fig. 4. As it may not always be convenient to turn the instrument so that the needle points north, a small bar of magnetized steel or a stout needle that has been magnetized with a horseshoe magnet or a helix, may be laid across the half-circular wood pieces, so that it is parallel with the top layer of wires—in fact, it should rest on top of them.

By means of this needle, or bar, the magnetic piece of steel balanced on the vertical needle between the upper and lower strands of insulated wire may be held in one position no matter which way the block is turned. When the current passes in through one binding-post and out through the other (having thus travelled through the coil on the half-circular blocks) the needle is deflected and points out at the brass bar and back at the upright block.

When making any of these pieces of apparatus, where delicately balanced magnetic needles are employed, all parts of the mounting blocks or other sections must be put together with glue and brass nails or screws. It will not do to use steel or iron nails, screw-eyes, or washers, nor pieces of sheet-iron, tin, or steel, for they will exert their influence on the vital parts of the apparatus and so destroy their usefulness. This is not so important when making buzzers, bells, motor-induction coils, or similar things, but in delicate instruments, where magnetic needles or electro-magnets are used for recording, measuring, or detecting, iron and steel parts should be carefully avoided, except where their use is expressly indicated.

[108]

An Astatic Current-detector

Astatic current-detectors and galvanometers are those having two magnetic needles arranged with the poles in opposed directions.

The ordinary magnetic or compass needle points to the North, and in order to deflect it a strong magnetic field must be created near it. For strong electric currents the ordinary single-needle current-detector meets all requirements, but for weak currents it will be necessary to arrange a pair of needles, one above the other, with their poles in opposite directions, and placed within or near one or two coils of fine wire. This apparatus will be affected by the weakest of currents, and will indicate their presence unerringly.

The word “astatic” means having no magnetic directive tendency. If the needles of this astatic pair are separated and pivoted each will point to North and South, after the ordinary fashion. For all astatic instruments we must employ two magnetic needles in parallel, either side by side or one above another, as shown in Fig. 6, with the N and S poles arranged as indicated. This combination is usually called Nobili’s pair. If both needles are of equal length and magnetic strength, they will be astatic, for the power of one counterbalances that of the other. As a consequent neither points to North.

A compound needle of this form requires but a very feeble current to turn it one way or the other, and this is the theory upon which all astatic instruments are constructed.

A simple astatic current-detector may be made from a[109] single coil of fine insulated wire, a pair of magnetic needles, and a support from which to suspend them, together with a base-block.

For the base-block obtain a piece of white-wood, pine, or cypress, four inches square and three-quarters of an inch thick. Sand-paper it smooth, and then give it two or three coats of shellac. From a strip of copper or brass (do not use tin or iron) make a bridge, in the form of an inverted V, seven inches high, using metal one-sixteenth of an inch thick and half an inch wide. This bridge is to be screwed to the outside of the block, as shown at Fig. 7, so that it will be rigid and firm. A small hole is drilled through the top of the bridge to admit a screw-eye for the tension.

Make a coil of No. 30 insulated wire, using ten or fifteen feet, and wind it about the base of a drinking-glass to shape it; then remove it and tie the coil, in several places, with cotton or silk thread, so as to hold the strands together. Shape it in the form of an ellipse and make it fast to the middle of the base-board with small brass or copper straps, and copper tacks or brass screws. Be very careful not to use iron, steel, or tin about this instrument, as the presence of these metals would deflect the needles and make them useless.

Separate the strands at the top of the coil so that one of the needles may be slipped through to occupy a position in the middle of the coil. Ordinary large compass needles may be employed for this apparatus, or magnetized pieces of highly tempered steel piano-wire will answer just as well.

[110]

Astatic galvanoscope

A short piece of brass, copper, or wood will act as the carrier-bar for the needles. These should be pushed through holes made in the bar, and held in place with a drop of shellac or melted paraffine. A small hole is drilled at the top of the bar, or a small eye can be attached, through which to pass the end of a thread. The upper end of the thread is tied in a screw-eye, the screw part of which passes up through the hole in the bridge and into a wooden button or knob, which can be turned to shorten or lengthen the thread, and so raise or lower the needles. The lower needle[111] must be pivoted at an equal distance between the upper and lower parts of the coil.

Two binding-posts are arranged at the corners of the base, and the ends of the coil wires are attached under the screw-heads. The in-and-out wires are to be made fast under the copper washers on the screw-eyes.

Owing to the astatic qualities of the needles, the base-block does not have to be turned so that the coil may face North and South, as in the current-detector. When the slightest current of electricity passes through the coil it instantly affects the needles, turning them to the right or left according to the way in which the current is running through the coil.

An Astatic Galvanometer

The sensitiveness of an astatic detector may be increased by the added strength of the coil-field for a given current.

There are two ways of accomplishing this result. The number of turns of wire may be increased in the coil, or two coils may be used, placed side by side. The latter method is the more satisfactory, since then the coil does not have to be opened at the top to admit the lower needle, the latter being dropped down between the coils. This apparatus is shown in the illustration of an astatic galvanometer, Fig. 8. The general arrangement of needles, bridge, and coils, is the same as described for the astatic current-detector.

Each coil is made separately of ten feet of No. 30 insulated copper wire, wound about the base of a drinking-glass to[112] shape it; then pressed into elliptical shape, and fastened to a base-block with a brass or copper strip, and held down with small brass screws.

The base-block should be four inches square, with the corners sawed off. Smooth the block with sand-paper, and then give it several good coats of shellac.

The bridge is made from brass one-sixteenth of an inch thick and half an inch wide. The coils of wire are arranged about half an inch apart, and at both ends a small separator-block is placed between the coils, and then bound with silk or cotton thread. A circular indicator disk of bristol-board should be cut out and marked and attached to the top of the coils with a few drops of sealing-wax or paraffine; then the needles are suspended so as to hang properly, one above the card, the other between the coils.

Three binding-posts are placed at one end of the block, and to them the end wires of the coils are led and attached. To the first binding-post (at the left) the strand of wire leading to the first coil is attached. It leads in and is coiled as the hands move on a clock, from left to right. The leading-out wire from the coil is made fast to the middle post. The leading-in wire to the second coil is also made fast to the middle post. The coil wires should have the turns in the same direction as the first coil; then the last wire is attached to the right-hand post.

When making connections for a strong current, use an end and middle post. This arrangement will operate but one coil. For very weak currents make the leading in and out wires fast to the end-posts. This latter plan is more clearly shown in the diagram, Fig. 9. A and B represent[113] the coils, C, D, and E the binding-posts. The current, entering at C, passes through the coil A (as the hands move about the dial of a clock) and out at D, where connection is made with the wire leading in to coil B. The current passes through this coil in the same direction as the clock hands move, and out to post E. Be careful to arrange the wiring and connections after this exact manner, otherwise the instrument will not be of any use.

The adjustment at the top of the bridge may be made with an inverted screw-eye and a small cork into which the eye can be screwed, thus raising or lowering the needles to the proper position. Be sure to have the needles in parallel when at rest.

As the needles and coils are very sensitive it would be well to cover the instrument with an inverted glass jar. A bluestone or gravity battery jar will answer very well, and after the wires are connected to the binding-posts the glass may be placed over the entire apparatus.

A Tangent Galvanometer

For testing the various degrees of intensity of a current a tangent galvanometer is usually employed. In this apparatus the increased strength is indicated by the index-pointer as it plays over a scale or graduated circle.

A simple tangent galvanometer may be made from a flat hoop of wood-fibre or brass, mounted on a base by means of two uprights, together with the necessary compass needle, an index-card, insulated wire, and binding-posts for the electrical connections. This piece of apparatus is[114] shown in Fig. 10. It is built on a base-block six by seven inches and three-quarters of an inch thick. The block should be of selected wood, and after it is made smooth it should be given several coats of shellac.

Two upright pieces of wood, five inches long, half an inch thick, and one inch in width, are screwed fast to the rear edges of the base-block to support the hoop on which the insulated wire is wound. Be careful not to use any iron or steel in the construction of this or any other recording instrument, except where it is expressly stated. Screws, nails, staples, or any bits of anchoring wire should be of copper or brass. String, thread, or silk may be used, especially where coils of wire are to be bound or fastened to hoops or base-blocks. The balance of the indicating needle is so delicate, and the sensitiveness of the coils is so easily affected, that nothing about or near the instruments should be of iron or steel.

The hoop may be made of very thin hickory wood, steamed and bent so as to form a ring six inches outside diameter and one inch wide. It is even possible to construct a satisfactory hoop from a ribbon of brown paper, rolled and lapped, the several thicknesses being glued as the turns are made.

If a metal hoop is to be used, solder the ends of a thin, hard ribbon of brass, copper, or zinc. This strip should be provided with holes, set in pairs about four inches apart, all around the hoop, and where the hoop is to be attached to the uprights two holes should be made close to the margins through which brass screws may pass.

Across the middle of the hoop a strip of wood six inches[115] long, an inch wide, and a quarter of an inch thick is made fast. On this the graduated card is placed, and at the centre the balanced magnetic needle is arranged on a pivot.

After the cross-stick is in place, wind five turns of No. 24 insulated copper wire about the hoop, keeping it as nearly in the centre as possible. One end of the wire (the beginning) is to be attached to the first binding-post on the front of the base, and the other end to the second post. The wire should be wound round the hoop in the same direction as the clock hands travel about a dial.

Another coil, composed of ten turns of wire, is made over the first one, the beginning end being attached to the middle binding-post and the last end to the third post. This arrangement is shown in Fig. 11, D and E representing the coils, while A, B, and C are the binding-posts. The current enters at A, passes through coil D, and out at post B. The next passage is in at B, through E, and out at C. A current passing in at A will travel to B, thence through E, and out at C. If the leading-in wire is made fast to A, and the out wire to C, the current will travel through the entire coil.

Under this plan one or both coils may be used (the short or long one as desired) by making connections with the first and second binding-posts, the second and third, or the first and third, as the strength of the current will warrant.

Strong currents will deflect the needle when travelling through a short coil, but the weaker the current the more coils it will have to pass through to properly deflect the needle and indicating pointer.

[116]

TANGENT GALVANOMETERS

[117]

When the coils are all on, the hoop should be attached to the uprights with small brass screws driven through holes in the hoop and into the wood. The wire is bound to the hoop by means of threads or silk passed through each pair of holes in the hoop, and then tied fast. Fine insulated wire may be used in place of the thread, but care should be taken that the insulation is in perfect shape on both the binding and coil wires; otherwise a short-circuit will quickly destroy the value of the coils.

The hoop should not touch the base-block, but should clear it by a quarter or half an inch. Make the coil ends fast (as described for the astatic galvanometer and illustrated at Fig. 9) by means of binding-posts. The wires need not be carried over the top of the block, but may run through holes under the hoop and along grooves cut in the under side of the block and leading to the foot of the binding-posts.

The graduated card should be made from a piece of stout bristol-board or heavy card-board having a smooth, hard surface. It is laid out with a pencil or pen compass, as shown at Fig. 12, and should be three inches in diameter. The card is placed on the wood strip or ledge, so that the zero marks will be at the front and rear, or at right angles to the hoop and coils of wire. The compass needle, when at rest, should lie parallel with the coils, so that the current will deflect the needle and send the indicator around to one side or the other of zero, according to the direction in which the current is passing through the coils.

This is more clearly shown at Fig. 13. The circle represents the outside diameter of the card; the dark cross-piece, the magnetic needle; and the pointed indicator, a stiff paper, or very thin brass or copper strip, cut and attached to the needle with shellac or paraffine.

[118]

When at rest the magnetic needle should be parallel to the coils. To insure this the instrument must be moved so that the lines of wire forming the coil will run North and South. Otherwise the N-seeking end of the magnetic shaft will point to North, irrespective of the position occupied by the wire coil.

The magnetic needle may be made as described for the compass (see chapter iv., Magnets and Induction Coils). It should be arranged to rest on a brass pivot pressed down into the cross-piece of wood.

The indicator-needle may be cut from stiff paper, thin sheet-fibre, or very thin cold-rolled brass or copper, the latter being commonly known as hard or spring-brass. Only one pointer is really necessary—that pointing to the front. But the weight of the material would have a tendency to upset the magnetic needle, and therefore it is better to carry an equally long tail or end, on the opposite side, to properly balance the needle.

A very weak current, passing in through the first post and out at the third, will cause the indicator to be deflected considerably, or so that it will point from 40° to 60° on either side of the zero point, according to the direction in which the current is running through the coils.

When not in use the magnetic needle should be removed from the pivot, and placed in a box or other safe place, where it will not become damaged.

A differently arranged tangent galvanometer is shown at Fig. 14. As the line of binding-posts would indicate, there are several coils of wire about the circle or hoop.

This galvanometer can be used for either strong or weak[119] currents, since it is wound with both coarse and fine insulated wire. An upright plate of wood, seven inches wide and eight inches high, supports the hoop and compass. The top corners are sawed off, and four inches above the bottom a straight cut is made across the plate, five inches wide and arched in a half-circle five inches in diameter. A shelf of wood a quarter of an inch thick, three inches wide, and five inches long is made, and attached as a ledge in this arched opening, so that a compass three inches in diameter may rest upon it.

The shelf should be arranged so that it will hold the compass in the middle of the circle instead of at one side. The turns of wire will then be in line with the magnetic needle when the latter is at rest. A base-block seven inches long, three inches wide, and seven-eighths of an inch thick is cut and attached to the upright plate by driving screws through the bottom of the plate and into the rear edge of the base. The corners are to be cut from the front of the base, and ten small holes are to be bored half an inch out from the upright and about a quarter of an inch apart. These are for the end wires that will extend down from the coils, and from thence to the binding-post holes. Grooves may be cut in the under side of the base-block for the wires to rest, in, as shown at Fig. 15, which is a view of the inverted base.

A hoop is made of brass, six inches in diameter and an inch wide. It is held to the upright plate with copper wire passed through a small hole, bored at the inner edge of the band, and back through two small holes bored in the plate, the ends being twisted together at the back of the plate.[120] A wire at the top, bottom, and both sides will be sufficient to hold it securely in place.

The first coil of wire is made of No. 18 insulated, and the beginning end is made fast to the binding-post at the left. The wire is carried up through the first hole under the hoop, and after three turns have been made the end is carried down through the second hole and made fast to the foot of the second binding-post.

The second coil is of No. 24 insulated copper wire. The beginning end is made fast to the second binding-post, carried up through the third hole, given five turns about the hoop, drawn down through the fourth hole, and attached to the third binding-post.

The third coil is of the same size wire but has ten turns. The fourth coil has twenty turns, and the fifth, of No. 30 insulated wire, has thirty turns, the last end being attached to the post at the right. In all the coils there should be a total of sixty-eight turns, or about one hundred and five feet of wire.

For strong currents the in-and-out wires may be attached to posts Nos. 1 and 2 at the left, and for weaker currents to Nos. 2 and 3. For still weaker currents, use Nos. 3 and 4, and so on. To detect the very weakest currents, attach the in-and-out wires to the first and last post, and let the current travel through all the coils or the entire length of the wire wound about the hoop.

The magnetic needle is made in the same manner as described for Fig. 10, and the pointer is attached in a similar fashion. But instead of being mounted on a pivot over a card, and so exposed to the open air and possible[121] draughts, the delicate mechanism is arranged within a brass hoop, which is made fast to the ledge. The graduated card is at the bottom of the hoop, or box formed by it, and to protect the needle and prevent it from being displaced it should be covered with glass. This can be done by making a split ring of spring-brass wire and pressing it down inside the hoop. Over this a round piece of glass is placed, and another hoop is pressed in above it to hold the glass in position. If the rings are carefully made and of stout wire they will stay in place; otherwise a drop of melted sealing-wax or paraffine will be necessary to keep them where they are wanted.

The glass should be arranged close enough to the needle to prevent it from jumping or being shaken off the supporting pin, but not so close as to prevent its moving easily.


[122-
123]

Part II


[124-
125]

Chapter VII
ELECTRICAL RESISTANCE

The science of controlling forces is so well understood and figured out that it becomes a simple mechanical proposition to adapt the various types of controllers to any form of power that may be employed. The tremendous force stored within the mechanism of a great transatlantic liner is governed by the twist of a man’s wrist. The locomotive that will pull a hundred cars loaded with coal, representing a weight of thousands of tons, is started and stopped by a short lever that is drawn in one direction or the other by a man’s hand. Great forces of all kinds are quite as easily controlled as the supply of gas through a jet—by simply turning the key that lets out so much as may be required, no matter what the pressure is back of the flow.

This same principle applies to electricity, but the means of governing it is vastly different from the methods employed for other forces. Electricity is an unknown and unseen force, coming from apparently nowhere and returning to its undiscovered country immediately upon the completion of its work. The flow of steam, water, liquid air, gas, and compressed air through pipes is governed by a throttle or[126] cock, which allows as much or as little to pass as may be required; and if the joints, unions, and couplings in the pipes are not absolutely tight there will be a leakage. Electricity is controlled by resistance in its passage through solid wires, rods, or bars, and cannot be confined within a given space like water, nor held in tanks or pipes as a vapor or gas. It is invisible, colorless, odorless, and occupies no apparent space that can be measured; it is the most powerful and terrible and yet docile force known to man, doing his bidding at all times when properly governed and regulated. In some respects, electricity can be compared to water stored in a tank—for instance, if you have a tank of water containing fifty gallons at an elevation of twenty-five feet, and a pipe leading down from it, the pressure of the water at the outlet of the pipe will be a given number of pounds. Now if the tank were double the size the pressure at the outlet of the pipe would be proportionately greater. Now if you have a battery made up of a number of cells they will develop a given number of volts, and if the number of the cells be doubled the voltage will be correspondingly increased. Or if you have a dynamo giving a certain number of volts, that number may be increased by doubling the size.

The water contained within the tank represents its pressure at the outlet of the pipe. The current in volts, generated in a battery or dynamo, represents its pressure on an outlet or conductor wire; and both represent the force behind their respective conductors. The valve, or faucet, at the end of the pipe plus the friction in the pipe would represent the resistance to the flow of water, while the resistance-coils or other mediums plus the size of the wire, or[127] conductor and switch, would regulate the flow of electric current. The flow of water in a pipe under certain pressure would represent its gallons per minute or hour, while with electricity its flow in a wire or other conductor would represent its amperage. It is to govern the flow of current that resisting mediums are employed.

The resistance of electric current is measured in ohms, and it is with this phase that we are interested in this chapter. If there is only a small resistance put in the path of a current, then it requires but a small pressure or voltage to send it through the wires or circuit. This is easily understood by the boy who has experimented with small incandescent lamps in which short pieces of carbon-filament are contained. It requires the pressure of a few volts only to send the current through the carbon; but for the large carbon-filaments, measuring ten or twelve inches in length, from one hundred to five hundred volts may be necessary. The ordinary house lamps require one hundred and ten volts and half an ampere to give sixteen candle-power.

It is easily understood, then, that it requires a high pressure or voltage to force the current through the resisting carbon-filament, or across the space from one carbon to the other in the arc-lamps used for street lighting. The shorter and larger the conducting wires the less the resistance, and consequently the lower the voltage or pressure necessary to force it. Contrariwise the longer and finer the conducting wares, the greater the resistance. As copper is the best commercial conductor of electric currents, it is in universal use, and in it the minimum of resistance is offered to the current. Iron wire is a poorer conductor, and is not used[128] for high voltage (such as trolleys or transmission of power), but is confined to telegraph and telephone lines and low-pressure work. German-silver wire, one of the poorest conductors, is not used for lines at all, but is employed solely as a resisting medium for controlling current.

Ohm’s Law

This is the fundamental formula expressing the relations between current, electro-motive force, and resistance in an active electric circuit. It may be expressed in several ways with the same result, as follows:

1. The current strength is equal to the E. M. F. (electro-motive force) divided by the resistance.

2. The E. M. F. (electro-motive force) is equal to the current strength multiplied by the resistance.

3. The resistance is equal to the E. M. F. (electro-motive force) divided by the current strength.

All these are different forms of the same statement; and when figuring electrical data, C stands for current, E for electro-motive force, and R for resistance.

Resistance-coils and Rheostats

The method by which electricity is controlled is resistance. No matter how great the voltage of a current, nor its volume in amperes, it can be brought down from the deadly force of the electric trolley-current to the mild degree needed to run a small fan-motor, an electric bell, or a miniature lamp. This is accomplished by means of resisting mediums, such[129] as fluids or wires, which hold back the current, and allow only the small quantity to pass that may be required to operate the apparatus.

The jump from the high voltage of the trolley-current to the low one required for the electric bell, a lamp, or a small motor, is frequently made in traction-work, but in this case regular transformers are used. For the small apparatus, that may have its current supplied from a battery, or a small dynamo driven by a water-motor, the forms of resistance-coils and rheostats described on the following pages should meet every requirement.

The standard unit of resistance is called an ohm, so named after Dr. G. S. Ohm, a German electrician, whose theory on the subject is accepted as the basis on which to calculate all electrical resistance. The legal ohm is the resistance of a mercury column one square millimetre in cross-sectional area and one hundred and six centimetres in length, and at a temperature of 0° Centigrade or 32° Fahrenheit, or the freezing-point for water. The conductivity of metals is dependent greatly on their temperature, a hot wire being a much better conductor than a cold one. Since counter-electro-motive force sometimes gives a spurious resistance, the ohmic resistance is the true standard by which all current is gauged.

In technical mechanism and close readings the ohmic resistance counts for a great deal, but in the simple apparatus that a boy can make the German-silver resistance coils and the liquid resistance will answer every purpose.

To give a clearer idea of the principle of the rheostats, a short description of the mercurial column will first be presented.[130] During the early part of the last century wires were not used as a resisting medium for electric currents. In their place, glass tubes, filled with mercury sealed at one end and corked at the other, were arranged in rows and supported in a wooden rack.

Rheostat

Wires led out from the top and bottom of each tube, and were brought down to metal buttons arranged in a row along the front edge of the base-plate, as shown in the illustration of a mercurial rheostat (Fig. 1). Each tube represented a certain resistance—one or more ohms, as required. The outlet wire was attached to the button at one end of the[131] row, and the inlet could be moved along from button to button, until the required amount of current was obtained.

The mercurial rheostat was an expensive, cumbersome, and treacherous thing to handle; it was liable to break, and its weight often prohibited its use in places where the more convenient and easily handled German-silver rheostats are now in universal employment. Overheating the mercury in the columns caused it to expand, and sometimes, before the switch could be thrown open, an end would be forced out and the mercury would climb over the edge of the glass columns.

All metals have a certain amount of resistance for electric currents, and some have more than others. German-silver, for instance—a metal made of a mixture of other metals with about eighteen per cent. of nickel (see Appendix)—is considered to be the best commercial resistance medium, while pure copper is regarded as the best commercial conductor. Unalloyed copper is universally employed for electric conductors of high voltage; but for telegraph and telephone work, galvanized iron wire is still used extensively.

The finer the wire, the higher is its resistance, and the more resistant the metal, the greater are the number of ohms to a given length. To nine feet and nine inches of No. 30 copper wire there is one ohm resistance, while to No. 24—which is six sizes coarser—there is one ohm to thirty-nine feet and one inch. In many cases it is necessary to use the coarser wire and greater length, as the current would superheat or burn the fine wire, while the coarser would conduct it safely.

For very high voltage and amperage—such as used in traction cars, in power stations, and in manufacturing plants—castings[132] of German-silver are employed and linked in series. They are more easily handled than the coils of wire, and a greater number of them can be accommodated in a small space.

Coils

For light currents in experimental work, where batteries are employed, obtain a pound or two of bare German-silver wire, from Nos. 24 to 30, and wind the strands on a round piece of stick attached to a winder (see Magnets and Induction-Coils, chapter iv.). Make several of these coils, two or three inches long, with the wire wound closely and evenly. When pulled apart the coils will appear as shown in Fig. 2 A, and will resemble a spiral spring. This can be made fast over a porcelain knob and the ends caught down, as shown at B in Fig. 2, or it may be drawn over a[133] round stick, a porcelain tube, or a lug made of plaster of Paris and dextrine (three parts of the former to one of the latter), as shown at C in Fig. 2, and the ends securely bound with a strand or two of wire, twisted tight to keep the ends from slipping.

The lugs may be made in a mold, using as a pattern a piece of broom-handle—shellacked and oiled to prevent the plaster from adhering to it. Obtain a small square and deep box, and drop some of the wet mixture down in the bottom; on this place the broomstick, small end down (it should be slightly tapered), and around it pour in the wet plaster mixture. While it is setting, turn the stick with the thumb and fingers, so as to shape the hole perfectly then draw it out, and a true mold will be the result. When dry enough, pour some shellac down into the mold and revolve it, so that the shellac will be evenly distributed, and let it harden for a day. Then saw off the end of the mold, so that it will be open at both ends.

In order to make the lugs, pour in the plaster mixture, taking care to oil the mold before each pouring, so that the lug can be drawn out when the mixture has set. If it sticks, tap the small end gently to start it. For coils where there is little or no heat, ordinary pieces of broom-handle, or round sticks having a coat or two of shellac, will answer very well; but where the current heats the core, it must be of some material that will not char.

Another method of making resistance-coils is to measure off a length of wire; then double it, and with a small staple attach the loop end at one end of the (wooden) core. Pay out the two strands of wire an equal distance apart with the[134] thumb and fingers, and with the other hand twist the core. At the other end of the spool catch the loose ends of the wire under small staples, taking great care not to let the staples touch or even be driven close together. This arrangement is shown at D in Fig. 2, and for a field resistance-board any number of these coils may be made.

Coils

In Fig. 3 the mode of connecting coils is shown. The dots represent contact-points to which the movable arm can be shifted. The wires at the bottom of coil, Nos. 1 and 2, are connected together, while those at the top of No. 2 and[135] 3 are joined, and so on to the end. The leading-in current is connected at pole H and so on to J, while the leading-out wire is made fast to pole I. The switch-arm is moved on the first dot, or contact-point, and the current passes up wire A, down coil No. 1, up coil No. 2, down No. 3, up No. 4, and so on to No. 6, and down wire G and out at I. Supposing that this offers too much resistance, the switch-arm is moved up one point. This cuts out coil No. 1, as the current passes up wire B, through coil No. 2, down No. 3, and so on, and out through G and pole I. Another move of the switch and coil No. 2 is cut out, the current passing up wire C, down coil No. 3, up No. 4, and so on, and out at I. Each move of the switch cuts out one coil, lessening the resistance; but when moved to the last contact-point the current flows without resistance—in at H, through the switch-arm, and out at I.

The plan of arranging the coils suggested at Fig. 2 B is shown in Fig. 4, where four of the coils are arranged in series over porcelain knobs, and the lower ends made fast to the base-board with small staples. Small pieces of brass are used for the switch contact-plates; those are provided with one plain and one countersunk hole for a flat and round headed screw.

The screw-heads are arranged in a semicircular fashion, so that the switch-arm, attached at one end to the screw J, will touch each plate as it is moved forward or backward.

[136]

TWO SIMPLE FORMS OF RHEOSTATS

[137]

The current passing in at binding-post A travels to J and B, the latter being the resting-plate for the switch-arm. A move of the arm to C sends the current up over the first coil and down; then over the second, third, and fourth coils, and out at G; through plate H (which is the rest at the right side), and out at I.

A move of the switch-arm to D cuts out the first coil; a move to E, the first and second coils; and so on until the last plate is reached, when the current will pass without resistance in at A, through J, and out at I.

A simple arrangement for a resistance-coil is shown in Fig. 5. This consists of a set of small metal plates in which two holes are made, one for a screw, the other for a screw-eye (see Binding-posts, chapter iii.). Two lines of steel-wire nails are driven along a board, and German-silver wire is drawn around them in zig-zag fashion, beginning at the left and going towards the right side of the board. One end of wire is made fast under the screw-head on plate A. The strand is carried out around the first nail on the lower row and over the first one on the upper row, then down, up, down until six nails have been turned. The wire is then carried down to the screw in plate B, given two turns, and carried up again and over the nail on the top row, repeating the direction of zigzag No. 1, until six of them are made. The end of the wire is then made fast to plate G, and all the screws are driven in to hold the plates and wire securely.

The inlet wire is attached to A, the outlet to G, and any degree of resistance can be had by moving the inlet wire to the various plates along the line, cutting out sections Nos. 1 to 6 as desired.

For heavier wire the arrangement as shown in Fig. 6 should be satisfactory.

[138]

Rheostat

A frame twelve by fifteen inches is constructed of wood three-quarters of an inch thick and one inch and a quarter wide, having the ends securely fastened with glue and screws. Spirals are wound of German-silver wire (any size from No. 16 to 22), and drawn apart. The ends are caught[139] to the frame with small staples, and each alternate coil-end is joined, as shown in Fig. 6. The leading-out wires to the contact-points on the switch should be of insulated copper, and are to run down the sides of the frame, and so to the switch-board. To clearly illustrate, however, the plan of wiring, the drawing is made so as to show the leads from the coil-ends to the switch. Care should be taken to study this drawing well, so as not to make an error in connecting a wrong end to a contact-point, thereby causing a short circuit. When properly connected the current passes in at A and out at I; but if wires are improperly connected, the current will jump when the switch-arm reaches the misconnected contact.

The switch is an important part of every rheostat, and should be carefully and accurately made. One of the simplest and most practical switches is constructed from a short, flat bar of brass or copper having a knob attached at one end and a hole provided at the other through which a screw may pass (see Switches, chapter iii.). The contact-points are made from one or two copper washers, with the holes countersunk so that a machine screw of brass, with a flat head, will fit the hole snugly. The top of the head will then be flush with the top of the washer, as shown at Fig. 7 A. The bolt is passed down through a piece of board, then slate or soapstone, and caught with a washer and nut, as shown at Fig. 7 B. A loop of wire is passed about the bolt end, then another nut is screwed tightly over it to hold it in place, as well as to lock the first nut. The binding-posts that hold the inlet and outlet wires may be made of bolts and nuts also, as shown at Fig. 7 B; but the bolt must[140] be passed through the switchboard so that the head is at the rear and the ends project out to receive the nuts.

A very compact and simple rheostat and switch is shown in Fig. 8. It is composed of a base-board, eight blocks of hard-wood, and a top strip used as a binder to lock the upper ends of the blocks together. The hard-wood blocks are three-quarters of an inch thick, one inch and a half wide, and four inches long. A small hole is made near each end of the block and through one of them an end of the wire is passed. The wire is then wound round the block, taking care to lay it on evenly, and with about one-eighth of an inch of space between each strand. When the opposite hole is reached, pass the end of the wire through it and clip it. The block will then resemble Fig. 7 C. There should be three or four inches of wire at each end for convenience in connection, and when the eight blocks are wound they are to be mounted on end at the rear side of a base-board measuring ten inches long, three inches wide at the ends, and nine at the middle (or across the face of the switchboard to the rear edge behind the blocks). Use slim steel-wire nails and glue to attach the blocks to the base; or slender screws may be employed. Across the top lay a piece of wood a quarter of an inch in thickness, and drive small nails or screws down through it and into the blocks.

[141]

COMPACT FORMS OF RHEOSTATS

[142]

Connect the ends of the coils together in series, as already described, and carry the wires under the base-plate in grooves cut with a V-shaped chisel. If the sunken wires are bothersome, the work may be avoided by running the wires direct to the foot of the contact-points and elevating the rheostat on four small blocks that may be screwed, or nailed and glued, under the corners, as shown in Fig. 8. These will raise the base half an inch or more above the table on which the rheostat will rest so as to allow room for the under wires.

A rheostat of round blocks standing on end is shown at Fig. 9 A. These are pieces of curtain-pole, four inches long and wound with loops of No. 16 or 18 wire, as shown at Fig. 9 B. The loop and loose ends are caught with staples, and when arranged on a base-board they are to be connected in series as before described. One long, slim screw passed up through the base-board and into the lower end of the block will hold each block securely in place. To keep it from twisting, a little glue may be placed under the blocks so that when the screw draws the block down to the base it will stay there permanently upon the hardening of the glue. The leading wires should be slipped under the washers forming the contact-points of the switch; or they may be carried under the board to the nuts that hold the lower ends of the bolts.

Another form of rheostat (Fig. 10 A) is made by sawing a one-inch curtain-pole into four-inch lengths and cross-cutting each piece with eight or ten notches, as shown at Fig. 10 B. These pieces are screwed and glued fast along each side of a base-board eight inches wide and fourteen inches long, so that the notches face the outer edges of the board. The strand of wire passes round these upright blocks and fits into the notches so as to prevent them from falling down.

The top end of wire at each pair of blocks is made fast by a turn or two of another piece of wire and a twist to hold it[143] securely; then the loose end is carried down through a hole and along under the board to the foot of a contact-point.

Any number of these upright coils may be made, and on a long board the switch may be arranged at one side instead of at the end, as shown in Fig. 10 A. When making ten or more coils it is best to use three or four sizes of wire, beginning with fine and ending with coarse. For instance, in a twelve-coil rheostat make three coils of No. 26, three of No. 22, and three of No. 18; or if coarser wire is required use Nos. 20, 16, and 12.

German-silver comes bare and insulated. It is preferable to have the fine wire insulated, but the heavier sizes may be bare, as it is cheaper; moreover, if heated too much the insulation will burn or char off. When cutting out the coils always begin at the end where the finer wire is wound; then as the current is admitted more freely the heavier wires will conduct it without becoming overheated.

For running a sewing-machine, fan, or other small direct-current motor wound for low voltage, the house current (if electric lights are used in the house) may be brought down to the required voltage with German-silver rheostats similar to these already described. Another and very simple method is to arrange sixteen-candle-power lamps in series, as shown in Fig. 11. Six porcelain lamp-sockets are screwed fast to a wood base and the leading in and out wires brought to binding-posts or the contact-points of a switch. The leading-in wire to the series is made fast at binding-post A, which in turn is connected with screw B, under the head of which the switch-arm is held. When the switch is thrown over to contact-point C the current passes through lamp[144] No. 1 back to point D; through lamp No. 2 back to E; then through lamps Nos. 3, 4, 5, and 6, and out through point I to post J. A turn of the switch to D cuts out lamp No. 1, to E cuts out No. 2, and so on. The filaments of incandescent lamps in their vacuum are among the very best mediums of resistance, and with a short series of lamps a current of 220 volts can quickly be cut down to a few volts for light experimental work or to run some small piece of apparatus.

Rheostats

Lamps in series are often used to cut down the current for operating electric toys and trains. The adjustment of the current should never be left to children, however, but should be attended to by some one qualified to look after the apparatus. Otherwise an unpleasant or even dangerous[145] shock may be received. Another simple form of resistance apparatus is made from the carbon pencils used for arc lights. Short pieces will answer very well, but if the long bare ones can be had they will be found preferable. Do not use the copper-plated ones as they would conduct the current too freely; they should be bare and black. Now around the ends of each piece take several turns of copper wire for the terminals and cut-out wires. Fasten those pencils down on a board (as shown at Fig. 12) by boring small holes through the board, passing a loop of copper wire down through the holes, and giving the ends a twist underneath. The leading wires to and from the contact-points should be insulated and may be above or below the board. From the descriptions already given, the connections of this rheostat can readily be understood.

The rheostat shown in Fig. 13 is perhaps the most complete and practical apparatus that a boy could make or would need. It is composed of a frame, six porcelain tubes, a switchboard, and the necessary German-silver and copper wire.

From an electrical supply-house obtain six porcelain tubes fourteen by three-quarter inch. Porcelain tubes and rods warp in the firing and are seldom straight; in purchasing these select them as nearly perfect as possible in shape, size, and length.

[146]

A PANEL RHEOSTAT

[147]

Buy, also, twelve small porcelain knobs that are the right size to fit inside the large tubes. These should have holes bored through them to admit screws. Construct a frame of hard-wood to accommodate the tubes, as shown in the drawing, and leave one end loose. With slim screws make the porcelain knobs fast to the top and bottom strips of the frame, as shown in Fig. 14. The porcelain rods will fit over these and will thus be held securely in the frame, one small knob entering the tube at each end, as indicated by the dotted lines in Fig. 14.

The first porcelain tube to the left is wound with No. 22 German-silver wire, the next with No. 20, the third with No. 18, then Nos. 16, 14, and 12; so that in this field a broad range can be had for a current of 110 volts.

The coils are connected in series, as explained for the other rheostats, and the leading wires brought down to the back of a switchboard of which Fig. 13 A is the front and Fig. 13 B the rear view. The switchboard is made of thin slate or soapstone; or a fibre-board may be employed. Fibre-board is especially made for electrical work, and can be had from a large supply-house in pieces of various thickness, three-eighths of an inch being about right for this board. Brass bolts and nuts and copper washers are used for the contact-poles, and when the ends of the leading wires are looped around the bolts the nuts are to be screwed down tightly so as to make good contacts. This rheostat may be used when lying on a table, or it can be hung up by means of two screw-eyes driven in the top of the frame, as shown in Fig. 13 A.

A convenient form of rheostat for fine wire and high resistance is shown in Fig. 15. This is on the plan of the well-known Wheatstone rheostat and does not require a switchboard nor a series of coils. Two rollers, one of wood the other of metal or brass-covered wood, are set in a frame, and by means of a handle and projecting ends with square[148] shoulders, one or the other of the rollers may be turned so that the wire on one winds up while on the other it unwinds.

The wooden roller may be made from a piece of curtain-rod one inch in diameter, and it should have a thread cut on it. This will have to be done on a screw-cutting lathe, and any machinist will do it for a few cents. There should be from twelve to sixteen threads to the inch—no more—although there may be as few as eight. Twelve will be found a good number, as that does not crowd the coils and the risk of their touching is minimized. The ends of the roller should have bearings that will fit in holes made in the end-pieces of the frame, and at one end of each roller a square shoulder is to be cut, as shown at A in Fig. 16. A short handle may be made from two small pieces of wood, as shown at B in Fig. 16. It must be provided with a square hole so that it will fit on the roller ends. The metal roller may be made from a piece of light brass tubing one inch in diameter through which a wooden core is slipped; or it can be a piece of brass-covered curtain-pole with the ends shaped the same as the wooden one. The wood roller should have a collar of thin brass or copper (or other soft metal except lead) attached to the front end; or several turns of wire may be made about the roller so as to form a contact-point. A piece of spring brass, copper, or tin rests on this collar and is held fast under a binding-post, which in turn is screwed to the wooden frame. A similar strip of spring metal is held under another post on the opposite side of the frame and bears on the metal roller.

Rheostat

German-silver wire is wound on the wooden roller, one[149] end having been made fast to the metal collar; and when all the thread grooves on the wood roller are filled the opposite end of the wire is attached to the rear end of the metal roller. The current entering at binding-post No. 1 crosses on the strip of spring metal to the collar, travels along the coil of wire, and crosses to the metal roller and is conducted out at binding-post No. 2 (see Fig. 15). If the resistance is too great slip the handle over the end of the metal roller and give it several turns. The current will then pass with greater freedom as the wire on the wooden roller becomes shorter. This may be readily seen by connecting a small lamp in series with a battery and this rheostat. As the[150] metal cylinder is turned the current flows more freely and the filament becomes red, then white, and finally burns to its full capacity. Take care, however, not to admit too much current as it will burn out the lamp. Some sort of adjustment should be made to prevent the rollers turning of themselves and thus allowing the wire coils to slacken. This may be done by boring the two holes for the rollers to fit in and then, with a key-hole saw, cutting the stick as shown at C in Fig. 16, taking care not to split it at the ends. The result will be a long slot which, however, has nothing to do with the bearings. Down through the middle of the stick make a hole with an awl, so that the screw-eye will move easily in the upper half but will hold in the lower half. Under the head of the eye place a small copper washer; then with the thumb and finger drive the screw-eye down until the head rests on the washer.

A slight turn of the eye when it is in the right place will draw the upper and lower parts of the stick together and bind the wood about the bearing ends of the rollers. The rollers should not be held too tightly as that would strain the wire when winding it from one to the other. It should be just tight enough to keep the wire taut.

Two or more of these roller resistance-frames may be made and connected in series so that a close adjustment can be had when using battery currents for experimenting.

Liquid Resistance

Apart from metallic, mercurial, or carbon resistance a form of liquid apparatus is frequently used in laboratory and light experimental work.

[151]

Resistances

This style of resistance equipment is the least expensive to make, and will give excellent satisfaction to the boy who is using light currents for induction-coils, lamps, galvanometers, and testing in general. The simplest form of liquid resistance is made by using a glass bottle with the upper part cut away. The cutting may be done with a steel-wheel glass-cutter. The bottle should then be tapped on the cut line until the top part falls away. Go over the sharp edges with an old file to chafe the edge and round it; then solder a tin, copper, or brass disk to a piece of well-insulated wire and drop it down in the bottom of the receptacle, as shown at Fig. 17. Cut a smaller disk of metal, or use a brass button, and suspend it on a copper wire which passes through a small hole in a piece of wood at the top of the jar. Notches should be cut at the under side of this wood cross-piece[152] so that it will fit on top of the jar and stay in place. The jar is to be nearly filled with water, having a teaspoonful of sulphate of copper dissolved in it. This will turn the water a bluish color and make it a slightly better conductor, particularly when the button is lowered close to the round disk. If a high resistance is desired the copper may be omitted leaving the water in its pure state. The wires leading in and out of the jar should be connected between the apparatus and the battery so that the proper amperage can be had by raising or lowering the button. A series of these liquid resistance-jars may be made of glass tubes an inch in diameter and twelve inches long. One end of them may be stopped with a cement made of plaster of Paris six parts, ground silex or fine white sand two parts, and dextrine two parts. Mix the ingredients together when dry, taking care to break all small lumps in the dextrine; then add water until it is of a thick consistency like soft putty. Solder the ends of some copper wires to disks of copper or brass and set them on the middle of bone-buttons; these in turn are to be imbedded in the mixture after the wire has been passed through a hole in the bottom.

Their location can be seen in the bottom of the tubes Fig. 18, and Fig. 19 A is an enlarged figure drawing of the plate, button, and wire. The wires are brought out under the lower edge of the tubes, and enough of the composition is floated about the bottom and outer edge of the tube to form a base, as shown in the drawing. A base-board is made six inches wide and long enough to accommodate the desired number of tubes. Two pieces of wood one inch wide and three-quarters of an inch thick have hollow notches[153] cut from them at one side, as shown at Fig. 19 B. In these notches the tubes are gripped. Screws are passed through one stick and into the other so as to clamp the wood and tubes securely together. The rear stick is supported on two uprights which are made fast to the rear edge of the base-plate with screws and glue.

Along the front of the base-board small metal contact plates, or binding-posts, are arranged (see Binding-posts, chapter iii.) and the wires led to them from the tubes, as shown in the drawing. The top or drop wires in the tubes are provided with metal buttons at the ends; or the end of the wire may be rolled up so as to form a little knob. The manner of connecting the wires was freely explained in the resistance-coil descriptions and may be studied out by examining the drawing closely. In this resistance-apparatus there are two ways of cutting out a medium—first, by lowering the wire in the tube so that both contact-points meet; and second, by cutting out the first tube altogether by connecting the incoming wire with the second binding-post. Then again the resistance may be regulated quite accurately by raising or lowering the wires in the liquid.

For example, there is too much resistance if the current has to travel through all the tubes. If it is too strong when one tube is cut out, the wire in tube No. 1 is lowered so that the contacts are an inch apart. Then the more accurate adjustment is made by dropping the wire in the second tube, as shown in Fig. 18. The wires leading out at the top of the tubes are pinched over the edge to hold them in place. They should be cotton insulated and the part that is in the liquid should be coated with hot paraffine.

[154]

The water may be made a slightly better conductor if a small portion of sulphate of zinc, or sulphate of copper, is added to each tubeful.

Resistor

Hittorf’s resistance-tube is one of the oldest on these lines, and two or more of them are coupled in series, as described[155] for this water-tube resistance; glass tubes are employed that have one end sealed with a permanent composition, as described for Fig. 18. A metallic cadmium electrode is placed at the bottom of the tube, and the tube is then filled with a solution of cadmium iodide one part and amylic alcohol nine parts, and then corked. A wire passing down through or at the side of the cork is attached to another small piece of metallic cadmium, which touches the top of or is suspended a short distance in the liquid.

As the alcohol is volatile the cork cannot be left out of the tube, and the wire must be drawn through the cork with a needle so that no opening is left for evaporation. A number of these tubes may be made and coupled in series and the wires led down to the contact-points of a switch.


[156]

Chapter VIII
THE TELEPHONE

For direct communication over short or moderately long distances, nothing has been invented as yet that will take the place of the telephone. A few years ago, when this instrument was first brought out, it was the wonder of the times, just as wireless telegraphy is to-day. Starting with the simple form of the two cups with membranes across the ends, and a string or a wire connecting them, we have to-day the complex and wonderful electric telephone, giving perfect service up to a distance of two thousand miles. Some day inventors in the science of telephony will make it possible to communicate across or under the oceans, and when the boys of to-day grow to manhood they should be able to transact business by ’phone from San Francisco to the Far East, or from the cities near the Atlantic coast to London, Paris, or Berlin.

It is hardly necessary to enter into the history of telephones, as this information may be readily found in any modern encyclopædia or reference work. But the boy who is interested in electricity wants to know how to make a telephone, and how to do it in the up-to-date way, with the wire and ground lines, switches, cut-outs, bell connections,[157] and other vital parts, properly constructed and assembled. In this laudable ambition we will endeavor to help him.

The general principle of the telephone may be explained in the statement that it is an apparatus for the conveyance of the human voice, or indeed any sounds which are the direct result of vibration.

Sound is due to the vibrations of matter. A piano string produces sound because of its vibration when struck, or pulled to one side and then released. This vibration sets the air in rapid motion, and the result is the recording of the sound on our ear-drums, the latter corresponding to the film of sheepskin or bladder drawn over the hollow cup or cylinder of a toy telephone. When the head of a drum is struck with a small stick it vibrates. In this case the vibrations are set in motion by the blow, while in the telephone a similar phenomenon is the result of vibratory waves falling from the voice on the thin membrane, or disk of metal, in the transmitter. When these vibrations reach the ear-drum the nervous system, corresponding to electricity in the mechanical telephone, carries this sound to our brains, where it is recorded and understood. In the telephone the wire, charged with electricity, carries the sound from one place to another, through the agencies of magnetism and vibration.

Over short distances, however, magnetism and electricity need not be employed for the transmission of sound. A short-line telephone may be built on purely vibratory principles. Almost every boy has made a “phone” with two tomato-cans over which a membrane is drawn at one end and tied. The middle of the membrane is punctured, and[158] a button, or other small, flat object, is arranged in connection with the wires that lead from can to can.

A Bladder Telephone

A really practical talking apparatus of this simple nature may be made from two fresh beef bladders obtained from a slaughter-house or from the butcher. You will also need two boards with holes cut in them, two buttons, some tacks, and a length of fine, hard, brass, copper, or tinned iron wire. The size should be No. 22 or No. 24. The boards should be ten by fourteen inches and half an inch in thickness. Cut holes in them eight inches in diameter, having first struck a circle with a compass. This may be done with a keyhole saw and the edges sand-papered to remove rough places. Prepare the bladders by blowing them up and tieing them. Leave them inflated for a day or two until they have stretched, but do not let them get hard or dry.

When the bladders are ready, cut off the necks, and also remove about one-third of the material, measuring from end to end. Soak the bladders in warm water until they become soft and white. Stretch them, loosely but evenly, over the opening in the boards, letting the inside of the bladder be on top, and tack them temporarily all around, one inch from the edge of the opening. Test for evenness by pushing down the bladder at the middle. If it stretches smoothly and without wrinkles it will do; otherwise the position and tacks must be changed until it sets perfectly smooth.

[159]

Bladder telephones

The bladder must now be permanently fastened to the board by means of a leather band half an inch wide and tacks driven closely, as shown in Fig. 1. With a sharp knife trim away the rough edges of the bladder that extend beyond the circle of leather. Attach a piece of the fine wire to a button, as shown in Fig. 2, and pass the free end through the centre of the bladder until the button rests on[160] its surface. Then fasten an eight-pound weight to the end of the wire and set in the sun for a few hours, until thoroughly dry, as shown at Fig. 3.

When both drums are complete, place one at each end of a line, and connect the short wires with the long wire, drawing the latter quite taut. The course of the main wire should be as straight as possible, and should it be too long it may be supported by string loops fastened to the limbs of trees, or suspended from the cross-piece of supports made in the form of a gallows-tree or letter F. To communicate it will be necessary to tap on the button with a lead-pencil or small hard-wood stick. The vibration will be heard at the other end of the line and will attract attention.

By speaking close to the bladder in a clear, distinct tone, the sound will carry for at least a quarter of a mile, and the return vibrations of the voice at the other end of the line can be clearly recognized.

A Single (Receiver) Line

The principal parts of the modern telephone apparatus are the transmitter, receiver, induction-coil, signal-bell, push-button, batteries, and switch. The boxes, wall-plates, etc., etc., are but accessories to which the active parts are attached.

The first telephone that came into general use was the invention of Graham Bell, and the principle of his receiver has not been materially changed from that day to this, except that now a double-pole magnet and two fine wire coils are employed in place of the single magnet and one coil. A[161] practical form of single magnet receiver that any boy can easily construct is shown in Fig. 4, and Fig. 5 is a sectional drawing of the receiver drawn as though it had been sliced or sawed in two, from front to rear.

It is made from a piece of curtain-pole one inch and an eighth in diameter and three inches and a half long. A hole three-eighths of an inch in diameter is bored its entire length at the middle, and through this the magnet passes. At one end of this tube a wooden pill-box (E) is made fast with glue, or a wooden cup may be turned out on a lathe and attached to the magnet tube. If the pill-box is employed it should be two inches and a half in diameter, and at four equidistant places inside the box small lugs of wood are to be glued fast. Into these lugs the screws employed to hold the cap are driven. The walls of pill-boxes are so thin that without these lugs the cap could not be fastened over the thin disk of metal (D) unless it were tied or wired on, and that would not look well. If the cup is turned the walls should be left thick enough to pass the screws into, and the inside diameter should then be one inch and three-quarters.

Telephone

The cap (B) is made from thin wood, fibre, or hard rubber. It is provided with a thin rim or collar to separate its inner side from the face of the disk (D). Four small holes are bored near the edge of this cap, so that the screws which hold it fast to the cup (E) may pass through them. The magnet (M) is a piece of hard steel three-eighths of an inch in diameter and four inches and a quarter long. This may be purchased at a supply-house, and if it is not hard enough a blacksmith can make it so by heating and plunging it in cold water[162] several times. It may be magnetized by rubbing it over the surface of a large horseshoe magnet, or if you live near a power station you can get one of the workmen to magnetize it for you at a trifling cost. Should you happen to possess a bar magnet of soft iron with a number of coils of wire, and also a storage-battery, the steel bar may be substituted for the soft iron core and the current turned on. After five[163] minutes the steel can be withdrawn. It is now a magnet, and will hold its magnetism indefinitely.

Now have a thin, flat spool turned from maple or boxwood to fit over one end of the rod, and wind it with a number of layers of No. 36 copper wire insulated with silk. This is known in the electrical supply-houses as “phone”-receiver insulated wire, and will cost about fifty cents an ounce. One ounce will be enough for two receivers. It should be wound evenly and smoothly, like the strands of thread on a spool, and this may be done with the aid of the winder described on page 58.

When the wire is in place a drop of hot paraffine will hold the end so that the wire will not unwind. The ends of this spool-winding should be made fast to heavier wires, which are run through small holes in the tube (A) and project out at the end, as shown at F F. The magnet, with its wire-wound spool on the end, is then pushed through the hole in A until the top end of the rod is slightly below the edges of the cup (E), so that when the metal disk (D) is laid over the cup (E) the space between the magnet and disk, or diaphragm (D), is one-sixteenth of an inch (see Fig. 5). Put some shellac on the magnet, so that when it is in the right place the shellac will dry and hold it fast.

The cap (B) holds the disk (D) in place, and protects the spool and its fine wire from being damaged and from collecting dust. After giving the exterior a coat of black paint and a finishing coat or two of shellac, the receiver will be ready for use.

The original telephone apparatus was made up of these receivers only—one at each of a line in connection with[164] a battery, bell, push-button, and switch. On a window-casing, or the wall through which the wires passed, a lightning-arrester was arranged and made fast. Using receivers only, it was necessary to speak through the same instrument that one heard through, and for a few years this unhandy method of communication was the only one possible. Then the transmitter was invented.

Plan of Installation

Many of these single-receiver lines are still in use, and as they require but a small amount of constructive skill a diagram of the wiring and the plan of arrangement is shown in Fig. 6.

Telephone

At the left side, R is the receiver at one end of the line and R 2 that at the other, line No. 1 being a continuous wire between the two receivers. When the boy at R wishes to call his friend at R 2 he uses his push-button (P B), and the battery (B B) operates the electric bell (E B 2) at the other end. In order to have the bell connections operative, the switch (S 2) must be thrown over to the left when the line is “quiet,” while the switch (S) should be thrown to the right. With the switches in this position the boy at either end may call his friend at the opposite end.

With the switch (S 2) thrown to the left (the position it should be in, except when talking over the line), the boy at the other end pushes his button (P B), first throwing switch S to the left. This makes connection for the battery (B B), and the circuit is closed through wires that join line No. 1 and line No. 2 at 1 and 2. The branch lines to the bell[165] (E B 2) join the main lines at 3 and 4, through switch S 2, when the bar is thrown to the left. The circuit being complete, the batteries (B B) at one end of the line ring the bell (E B 2) at the other end of the line.

In the reverse manner, when the switch (S) is thrown to the right, the boy at the opposite end rings the bell (E B) by pressing on the button (P B 2), first throwing switch S 2 over to the right. If the boy at the left is calling up the boy at the right, the switch (S) should be thrown to the left, and he keeps ringing until the other operator throws switch S 2 over to the right. If now he has the receiver (R) up to his ear he can hear the vibration of the bell (E B 2) ringing through the receiver (R) at his end of the line. But when the boy summoned to R 2 takes up the receiver and places it to his ear, he throws switch S 2 over to the right side, and the boy at R leaves switch S over on the left side. This brings the lines into direct connection with the receivers in series. Be careful, when setting up this line, to have the batteries (B B) in series with B 2 B 2; otherwise there would be counter-action. The carbon of one cell should be connected with the zinc of the next cell, and so on.

Another receiver is shown at Fig. 7. The tube (A) and the cup are turned from one piece of wood, and the cap (B) from another piece. The length of the receiver is five inches, and the cap is two inches and a half across. The shank, or handle, through which the magnet is passed measures one inch and a quarter in diameter.

These wood parts will have to be made by a wood-turner; and before the long piece is put in a lathe the hole, three-eighths of an inch in diameter, should be bored. It must be[166] done carefully, so that the wood shell will be of even thickness all around the hole. Also two small holes should be made the entire length of the handle, through which the wires leading from the coil to the binding-posts may pass.

Telephone

The spool for the fine insulated wire coil is turned from box-wood or maple, and wound as described in chapter iv., on Magnets and Induction-coils. Small binding-posts (F F) with screw ends should be driven down into the holes at the end of the handle and over the bare ends of the wires that project out of the holes. The magnet (M) is three-eighths of an inch in diameter, and is provided with the spool and coil (C) at the large end of the receiver.

The disk (D) is of very thin iron, and is held in place by the cap (B) and four small brass screws driven through the edge of B and into the cup end of A. A screw-eye should be driven into the small end of the receiver from which it may hang from a hook. If a double hook and bar is employed[167] the receiver will hang in the fork, being held there by the rim of wood turned at the small end of A.

A Double-pole Receiver

Another form of receiver is shown at Fig. 8. This is a double-pole receiver, with the coils of fine wire arranged on the ends of a bent band of steel and located in the cup (A), so that the ends of the magnet are close to the diaphragm (D). Fig. 8 is a sectional view of an assembled receiver, but a good idea can be had from the drawings of the separate parts. The magnet (M) is of steel one-eighth of an inch thick[168] and five-eighths of an inch wide. A blacksmith will make this at a small cost. It should measure two and one-half inches wide, two and one-half inches long, the ends being five-eighths of an inch apart.

Telephone

Thin wooden spools are made from wood or fibre to fit over the steel ends, and are wound with No. 36 silk-insulated wire. A wooden cup, or shell (A), is turned from cherry, maple, or other close-grained wood, and at the back a hole is cut just large enough for the magnet ends to slip through exclusive of the coils wound on them. A plug of wood (A A) is driven between the ends of the magnet to hold them in place. Some shellac on the edges of the hole and the plug will harden and keep the parts in place.

The coils (C C) are placed on the magnet ends, and the fine wires are made fast to the binding-posts (E E), the latter being screwed fast to the shell (A). The diaphragm (D) is then arranged in place and held with the cap (B) and the small screws which pass through it and into the shell (A).

The Transmitter

With any one of these receivers a more complete and convenient telephone can be made by the addition of a transmitter and an induction-coil.

Following the invention of the receiver, several transmitters were designed and patented, among them being the Edison, Blake, Clamond, Western Union, and Hunning. The Edison and Hunning are the ones in general use, and as either of them can easily be made by a boy a simplified type of both is shown in Figs. 9 and 11.

[169]

Telephones

SIMPLIFIED TYPE OF TRANSMITTER

[170]

Some small blocks of wood, tin funnels, small screws, granulated or powdered carbon, some thin pieces of flat carbon, and a piece of very thin ferrotype plate will be the principal things needed in making a transmitter similar to the one shown in Fig. 9. All that is visible from the outside is a plate of wood screwed to a block of wood, and a mouth-piece made fast to the thin board.

In Fig. 10 an interior section is shown, which when once understood will be found extremely simple. The block (A) is of pine, white-wood, birch, or cherry, and is two inches and three-quarters square and five-eighths or three-quarters of an inch thick. A hole seven-eighths of an inch in diameter is bored in the centre of this block, half an inch deep, and a path is cut at the face of the block one inch and a half in diameter and one-eighth of an inch deep. Be careful to cut these holes accurately and smoothly, and if it is not possible to do so, it would be well to have them put in a lathe and turned out.

The face-plate (B) is two inches square, with a three-quarter-inch hole in it, and the under-side is cut away for one-eighth of an inch in depth and one inch and a half in diameter. The object of these depressions in block A and face-plate B is to give space for the diaphragm (D) to vibrate when the voice falls on it through the mouth-piece (C).

From carbon one-eighth of an inch in thickness two round buttons are cut measuring three-quarters of an inch across. A small hole is bored in the centre of each button, and one of them is provided with a very small brass screw and nut, as shown at F F. One side of the button-hole is[171] countersunk, so that the head of the screw will fit down into it and be flush with the face of the carbon. With a small three-cornered or square file cut the surface of the buttons with criss-cross lines, as shown at F F. When the buttons are mounted in the receiver these surfaces will face each other. Cut a small washer from felt or flannel, and place it in the bottom of the hole in block A. Line the side of the hole with a narrow strip of the same goods; then place the button (F F) in the hole, pass the screw through the hole and through the block (A), and make it fast with the nut, as shown at F. Place a thin, flat washer under the nut, and twist a fine piece of insulated copper wire between washer and nut for terminal connections, taking care that the end of the wire under the nut is bare and bright, so that perfect contact is assured. Since the practice of telephony involves such delicate and sensitive vibratory and electrical phenomena, it is best to solder all joints and unions wherever practicable, and so avoid the possibility of loose connections or corrosion of united wires.

From very thin ferrotype plate cut a piece two inches square, and at the middle of it attach the other carbon button by means of a small rivet which you can make from a piece of copper wire. Or a very small brass machine screw may be passed through the button and plate; then gently tapped at the face of the plate to rivet it fast, as shown at E. Lay the block down flat and partly fill the cavity with carbon granules until the button is covered. Do not fill up to the top of the hole. Over this lay the disk (D), so that the carbon button at the under side of it will fit in the top part of the hole between the sides of felt or flannel.[172] Make the disk fast to the block (A) with small pins made by clipping ordinary pins in half and filing the ends.

A slim bolt (G) is passed through the block (A), and a wire terminal is caught under a nut and between a washer at the back of the block, as described for F. The japan or lacquer must be scraped away from the disk (D) where the bolt-head touches it, so that perfect electrical contact will be the result.

A small tin funnel is cut and made fast to the face-plate (B), or if an electrical supply-house is at hand a mouth-piece of hard rubber or composition may be had for a few cents. The block (B) is then screwed fast to A, forming the transmitter shown at Fig. 9. When this transmitter stands in a vertical position the granules, or small particles of carbon, drop down between the buttons of carbon, packing closely at the bottom of the cavity. At the middle they are loosely placed, and at the top there are none. As the high or low vibrations of the voice fall on the disk (D) they act accordingly on the carbon granules, which in turn conduct the vibrations to the rear carbon button, and, by the aid of electricity reproduce the same sound, in high or low tone, through the receiver at the other end of a line.

This improved transmitter makes it possible to talk in a moderate tone of voice over distances up to one thousand miles, while with the old form of the instrument it was necessary to talk very loud in order to be heard only a few miles away. Where a portable apparatus is desired, this block may be attached to a box or an upright staff.

This transmitter will not work when on its back or so that the funnel is on top, because the particles of carbon[173] would settle on the rear button and not touch the front one. It is essential that the carbon grains should touch both buttons at the same time, and at the lower part of the cavity they should lie quite solid. It is not necessary, however, to pack it in, for the vibratory action of the voice, or other sounds, will cause the particles to adjust themselves and settle in a compact mass.

Another Form of Transmitter

In Fig. 11 another style of transmitter is shown. It is assembled on the front of a box. This front or cover swings on hinges, and can be opened so that the mechanism in the interior of the box may be gotten at easily.

A sectional view of this transmitter is shown in Fig. 12. A hole one inch and a half in diameter is cut in the cover (A). A round or square block (B) two inches and a quarter across and half an inch thick is made fast to the rear of the cover, and in this a hole is bored seven-eighths of an inch in diameter and one-quarter of an inch deep.

The sides and bottom of this hole are lined with flannel or felt, and a carbon button with roughened surface, as shown at F F, is made fast in it by a small machine screw and nut (F). A diaphragm (D) is cut from thin ferrotype plate, and a carbon button is made fast to the middle of it by a small machine screw or a rivet made from soft copper or brass. When the block (B) has been screwed fast to A, place some granules of carbon in the space (H); then lay the diaphragm over the opening, and make it fast with small screws or pins driven around the edge.

[174]

From a small tin funnel and a tin-can cap make a mouth-piece (C) by cutting a hole in the cap and slipping the funnel through it, then cutting the end of the funnel that projects through the hole and bending back the ears so that they lap on the inner side of the cap. These small ears may be soldered to the cap so as to hold the mouth-piece securely in place. From felt or flannel cut a washer the size of the can top and about three-eighths of an inch in width. Lay this over the diaphragm; then place the mouth-piece on it and fasten it to the door (A) with small screws. The use of this washer is to prevent any false vibrations in the mouth-piece affecting the sensitive diaphragm. Make a small hole through A and B and pass a bolt (E) through this hole, taking care to lap a thin piece of sheet-brass on the diaphragm (D), bending it over so that it will lie under the head of the bolt (E). The diaphragm must be scraped where the metal touches it, so as to make perfect electrical connection between D and E. At the rear end of E arrange a washer and nut (G), so that the current passing in at G travels through E and D, then through the carbon buttons and granules, and out at F.

From pine or white-wood one-quarter or three-eighths of an inch thick make a box four inches wide, six inches high, and two inches and a half deep. To the front of this attach a cover, which should measure a quarter of an inch larger all around than the width and height of the box. Use brass hinges for this work so that the cover may be opened. Fasten a transmitter to the front of the cover, or make one on the cover, as shown in Fig. 11, and attach the box to a back-board or wall-plate five inches wide and[175] seven inches high made of pine or white-wood half an inch in thickness (see Fig. 13).

Telephones

At the left side of the box cut a slot through the wood, so that a lever and hook may project and work up and down. The end of this lever is provided with a hook on which a receiver may be hung, as shown in Fig. 13, and the[176] inside mechanism is arranged as shown at Fig. 14. A is an angle-piece of brass or copper, which acts as a bracket and which is screwed fast to the inside of the box. B is the lever and hook, which is cut from a strip of brass. The attached end is made wider, and an ear (C), to which a wire is soldered, projects down beyond the screw.

A view looking down on this lever and bracket is shown at Fig. 15. A is the bracket, B the lever, and E the screw or bolt holding the two parts together, with a thin copper washer between them to prevent friction. When the lever and bracket are made fast to the box, a spring (D) should be arranged, so that when the receiver is removed from the hook the lever will be drawn up to the top of the slot. A small contact-plate (F) is made of brass, and fastened at the lower end of the slot. On this the lever should rest when the receiver is on the hook. A contact-wire is soldered to this plate, which in turn is screwed fast to the inside of the box. This mechanism is part of a make-and-break switch to cut out and cut in the bells or telephone, and will be more clearly understood by referring to the diagram in Fig. 17. At the right side of the box a small push-button is made fast, and this, with two binding-posts at the top and four at the underside of the box, will complete the exterior equipment of one end of a line.

The construction of the push-button is shown in Fig. 16, A being the box and B the button which passes through a small hole made in the side of the box. C is a strip of spring-brass screwed fast to the box. It must be strong enough to press the small bone or hard rubber button towards the outside of the box. A wire is caught under one screw-head,[177] and another one is passed under the screw-head which holds the other spring (D) to the box. When the button (B) is pushed in, it brings spring C into contact with D, and the circuit is closed. Directly the finger is removed from B the spring (C) pushes it out and breaks the circuit. This button is used only in connection with the call-bells, and has nothing to do with the telephone. The wires leading from the interior of the box pass through the wall-plate and along in grooves to the foot of the binding-posts, which are arranged below the box on the back-board, as shown in Fig. 13.

A buzzer or bell is made fast to the inside of the box, unless it is too large to fit conveniently, in which case it may be attached to the wall above or below the box.

The Wiring System

Fig. 17 shows the wiring system for this outfit, which, when properly set up and connected, should operate on a circuit or line several miles in length, provided that the batteries are strong enough.

This system may be installed in the box shown in Fig. 13, the flexible cord containing two wires being attached to the binding-posts at the top of the box and to the posts at the end of the receiver. This system differs from the one shown in Fig. 6 only in the addition of receivers T and T 2, and in the substitution of the automatic lever-switches (L S and L S 2) for the plain switches (S and S 2) in Fig. 6. When the line is “quiet” the receiver (R) should be hanging on the lever-switch (L S), which rests on the contact-plate (A). At the opposite side of the line the receiver (R 2) hangs on the lever-switch (L S 2), which in turn rests on the contact-plate (A A). This puts the bell circuit in service.

[178]

PLAN OF TELEPHONE CIRCUIT, COMPRISING RECEIVERS, TRANSMITTER, ELECTRIC BUZZERS OR BELLS, LEVER-SWITCHES, PUSH-BUTTONS AND BATTERIES FOR STATIONS NOT OVER FIVE MILES APART.

[179]

If the boy at the left wishes to call up the boy at the right he removes the receiver (R) from the hook (L S) and presses on the button (P B). This closes the circuit through the battery (C C C), and operates the electric buzzer or bell (E B 2) at the other end of the system, through line No. 1 and line No. 2. The operation may be clearly understood by following the lines in the drawing with a pointer. The boy at the left may keep on calling the boy at the right so long as the receiver (R 2) hangs on the lever (L S 2) and holds it down against the plate (A A). But directly the receiver (R 2) is removed, the lever (L S 2) flies up—being drawn upward by the spring (D) shown in Fig. 14—and closes the telephone circuit through the spring-contact (B B), at the same time cutting out the bell circuit. The boy at the left having already removed his receiver, the telephone circuit is then complete through lines Nos. 1 and 2 and batteries C C C and C 2 C 2 C 2, the boys at both ends speaking into the transmitters and hearing through the receivers. The contacts B and B B are made from spring-brass or copper, and are attached inside the boxes at the back, so that when the levers are up contact is made, but when down the circuit is broken or opened. In Fig. 18 an interior view of a box is shown, the door being thrown open and the receiver left hanging on the hook.

[180]

TELEPHONE INSTALLATION. INTERIOR VIEW OF BOX

[181]

The arrangement of the several parts will be found convenient and easy of access. E B is the electric buzzer, L S the lever-switch, P B the push-button, T the transmitter, and R the receiver. Nos. 1, 2, 3, 4, 5, 6, 7, 8 are binding-posts or terminals, and B is the spring-contact against which the lever-switch (L S) strikes when drawn up by the spring (D).

The wires that pass from 6 to 7 and from 4 to 8 should be soldered fast to one side of the hinge, and those running from the terminals or nuts at the back of the transmitter (T) to 7 and 8 should be similarly secured. Small brass hinges are not liable to become corroded at the joints, but to insure against any such possibility the ends of several fine wires may be soldered to each leaf of the hinge, so that when the door is closed the wires will be compressed between the hinge-plates. For long-distance communication it will be necessary to install an induction-coil, so that the direct current furnished by the batteries, in series with the transmitter, can by induction be transformed into alternating current over the lines connecting the two sets of apparatus. This system is somewhat more complicated and requires more care in making the connections, but once in operation it will be found far superior to either of the systems hitherto described.

A Telephone Induction-coil

It will be necessary to make two induction-coils, as described in chapter iv., page 62, Fig. 8. A telephone coil for moderately long-distance circuits is made on a wooden spool turned from a piece of wood three inches and a half long and one inch square, as shown at Fig. 19. The core-sheath is turned down so that it is about one-sixteenth of an inch thick. This spool is given a coat or two of shellac,[182] and two holes are made at each end, as shown in the drawing. The first winding or primary coil is made up of two layers of No. 20 double-insulated copper wire, one end projecting from a hole at one end of the spool, the other from a hole at the other end. This coil is given two or three thin coats of shellac to bind the strands of wire and thoroughly insulate them, and over the layer a piece of paper is to be wrapped and shellacked. The secondary coil is made up of twelve layers of No. 34 silk-insulated copper wire, and between each layer a sheet of paper should be wound so that it will make two complete wraps. Each paper separator should be given a coat of shellac or hot paraffine; then the turns of wire should be continued just as thread is wound upon a spool, smoothly, closely, and evenly, until the last wrap is on. Three or four wraps of paper should be fastened on the coil to protect it, and it may then be screwed fast inside a box. The core-hole within the coil should be packed with lengths of No. 24 soft Swedes iron wire three inches and a half long. In Fig. 19 the wires are shown projecting from the end of a spool, and Fig. 20 depicts a completed telephone induction-coil. The installation of the induction-coils is shown in Fig. 21.

[183]

PLAN OF TELEPHONE CIRCUIT, COMPRISING RECEIVERS, TRANSMITTERS, ELECTRIC BUZZERS OR BELLS, LEVER-SWITCHES, INDUCTION-COILS, PUSH-BUTTONS, AND BATTERIES FOR STATIONS UP TO FIVE HUNDRED MILES APART.

[184]

The wiring is comparatively simple, and may be easily followed if the description and plan are constantly consulted when setting up the line. R and R 2 are the receivers, T and T 2 the transmitters, C 1 and C 2 the batteries, E B and E B 2 the buzzers or bells, P B and P B 2 the push-buttons, and L S and L S 2 the lever-switches. For convenience of illustration the induction-coils are separated. The primary coil (P C) is indicated by the heavy spring line and the secondary coil (S C) by the fine spring line. When the line is “dead” both receivers are hanging from the hooks of the lever-switches. If the boy at the left wishes to call the boy at the right he lifts the receiver (R) from the hook (L S) and presses the button (P B). This throws the battery (C 1 C 1 C 1) in circuit with lines Nos. 1 and 2, and operates the buzzer (E B 2). When the boy at the right lifts his receiver (R 2) from the hook (L S 2), the bell circuit is cut out and the ’phone circuit is cut in. When the lever-switches are drawn up against the contact-springs (A, B, and C and A A, B B, and C C), both batteries are thrown into circuit with the transmitters at their respective ends through the primary coils (P C and P C 2). By inductance through the secondary coils (S C and S C 2), lines Nos. 1 and 2 are electrified, and when the voice strikes the disks in the transmitters the same tone and vibration is heard through the receivers at the other end of the line. While conversation is going on the batteries at either end are being drawn upon or depleted; but as soon as the receivers are hung on the hooks and the lever-switches are drawn away from the contact-springs, the flow of current is stopped. The buzzers or bells consume but a small amount of current when operated, and in dry cells the active parts recuperate quickly and depolarize. The greatest drain on a battery, therefore, is when the line is closed for conversation.

An Installation Plan

A simple manner in which to install this apparatus in boxes is shown in Fig. 22. The box is depicted with the front opened and with the receiver hanging on the hook.[185] When the lever-switch (L S) is down it rests on the contact-spring (A), thus throwing in the bell circuit. When the boy at the other end of the line pushes the button on his box it operates the buzzer (E B). This can be understood by following with a pointer the wires from the buzzer to the outlet-posts (Nos. 1 and 3) at the bottom of the wall-plate.

Telephone

When the receiver (R) is lifted from the hook (L S), it cuts[186] out the bell circuit and cuts in the telephone circuit, through the spring-contacts (B and C). This circuit may easily be followed through the wires connecting transmitter, receiver, induction-coil, and batteries. The heavy lines leading out from the induction-coil are the primary coil wires, and the fine hair lines are those forming the secondary coil. The medium lines are those that connect the binding-posts, batteries, and lines.

When the bell circuit is connected the impulse coming from the other end of the line enters through wire No. 10 to post No. 3, thence to strip E and plate G, and so on to E B, which it operates. The current then passes from E B to contact A, through L S to post No. 1, and out on wire No. 11.

To operate the buzzer at other end of the line the button (P B) is pushed in. This moves the spring (E) away from the plate (G), and brings it into contact with F. This connects the circuit through the battery wire (No. 8) to post No. 1 to line No. 11 without going into the box, and from wire No. 9 to post No. 2; thence to hinge No. 7 to plate F, through E, down to post No. 3, and out through wire No. 10. In this manner the current is taken from the batteries at the foot of wires Nos. 8 and 9, and used to ring the buzzer at the other end of the line.

When the hook (L S) is up the circuit is closed through T, I C, and battery. The current runs from the battery through wire No. 8 to post No. 1, to L S, through C and primary coil out to hinge No. 6, through transmitter to hinge No. 7, to post No. 2, and back to battery through wire No. 9.

By inductance the sound is carried over the line, in at[187] wire No. 10, to post No. 3, through secondary coil to post No. 4, through receiver R to post No. 5, through B and L S to post No. 1, and out through wire No. 11. At the other end of the line it goes through the same parts of the apparatus.

A Portable Apparatus

For convenience it is often desirable to have a portable transmitter, and so avoid the inconvenience of having to stand while speaking. A neat portable apparatus that will stand on a ledge or table, and which may be moved about within the radius of the connecting lines, is shown in Fig. 23.

The wooden base is four inches square and the upright one inch and a half square. The stand is twelve inches high over all, and on the bottom a plate of iron or lead must be screwed fast to make it bottom-heavy, so that it will not topple over.

The lever-switch may be arranged at the back of the upright and the push-button at the front near the base, as shown at A. The wall-box contains the buzzer and induction-coil, and within it the wiring is arranged from the portable stand to the batteries and line as shown at C. This illustration is too small, however, to show the complete wiring, and the young electrician is therefore referred to Fig. 22. The battery (B) is composed of as many dry or wet cells as may be required to operate the line. These must be connected in series at both ends. At D a rear view of the upright and transmitter is shown to illustrate the manner in which the wiring can be done. If a hollow upright is made of four thin pieces of wood a much neater appearance may be secured by enclosing the wires.

[188]

A PORTABLE APPARATUS

[189]

In all of these telephone systems one wire must lead to the ground, or be connected with a water-pipe, taking care, however, to solder the wire to a galvanized pipe so that perfect contact will be the result. If the wire is carried directly to the ground it must be attached to a plate, which in turn is buried deep enough to reach moist earth, as described in the chapter on Line and Wireless Telegraphs, page 215.

Care and accuracy will lead to success in telephony, but one slip or error will throw the best system out of order and render it useless. This, indeed, applies to all electrical apparatus; there can be no half-way; it will either work or it won’t.


[190]

Chapter IX
LINE AND WIRELESS TELEGRAPHS

A Ground Telegraph

Nearly every boy is interested in telegraphy, and it is a fascinating field for study and experimental work, to say nothing of the amusement to be gotten out of it. The instruments are not difficult to make, and two boys can easily have a line between their houses.

The key is a modified form of the push-button, and is simply a contact maker and breaker for opening and closing an electrical circuit. A practical telegraph-key is shown in Fig. 1, and in Fig. 2 is given the side elevation.

The base-board is four inches wide, six inches long, and half an inch in thickness. At the front end a small metal connector-plate is screwed fast, and through a hole in the middle of it a brass-headed upholsterer’s tack is driven for the underside of the key to strike against. Two L pieces of metal are bent and attached to the middle of the board to support the key-bar, and at the rear of the board another upholsterer’s tack is driven in the wood for the end of the bar to strike on and make a click. The bar is of brass or iron, measuring three-eighths by half an inch, and is provided with a hole bored at an equal distance from each[191] end for a small bolt to pass through, in order to pivot it between the L plates. A hole made at the forward end will admit a brass screw that in turn will hold a spool-end to act as a finger-piece. The screw should be cut off and riveted at the underside. A short, strong spring is to be attached to the back of the base-block and to the end of the key-bar by means of a hook, which may be made from[192] a steel-wire nail flattened. It is bound to the top of the bar with wire, as shown in Figs. 2 and 3.

Telegraph key
Telegraph key

The incoming and outgoing wires are made fast to one end of the connector-plate and to one of the L pieces that support the key. When the key is at rest the circuit is open, but when pressed down against the brass tack it is closed, and whether pressed down or released it clicks at both movements. A simple switch may be connected with the L-plate and the connection-post at the opposite side of the key-base, so that, if necessary, the circuit may be closed. Or an arm may be caught under the screw at the L-plate, and brought forward so that it can be thrown in against a screw-head on the connector-plate, as shown in Fig. 3. The screw-head may be flattened with a file, and the underside of the switch bevelled at the edges, so that it will mount easily on the screw.

In Fig. 4 (page 191) a simple telegraph-sounder is shown. A base-board, four inches wide, six inches long, and seven-eighths of an inch in thickness, is made of hard-wood, and two holes are bored, with the centres two inches from one end, so that the lower nuts of the horseshoe magnet will fit in them, as shown in Fig. 5. This allows the yoke to rest flat on the top of the base, and with a stout screw passed down through a hole in the middle of the yoke and into the wood the magnets are held in an upright position.

From the base-block to the top of the bolt the magnets are two inches and a quarter high. The bar of brass or iron to which the armature (A in Fig. 5) is attached is four inches and a half in length and three-eighths by half an inch thick. At the middle of the bar and through the[193] side a hole is bored, through which a small bolt may be passed to hold it between the upright blocks of wood. At the front end two small holes are to be bored, so that its armature may be riveted to it with brass escutcheon-pins or slim round-headed screws. The heads are at the top and the riveting is underneath. A small block of wood is cut, as shown in Fig. 6, against which the two upright pieces of wood are made fast. This block is two inches and a half long, one inch and a quarter high, and seven-eighths of an inch wide. The laps cut from each side are an inch wide and a quarter of an inch deep, to receive the uprights of the same dimensions.

At the top of this block a brass-headed nail is driven for the underside of the bar to strike on. A hook and spring are to be attached to the rear of the sounder-bar, as described for the key, and at the front of the base two binding-posts are arranged, to which the loose ends of the coil-wires are attached.

Just behind the yoke, and directly under the armature-bar, a long screw is driven into the base-block, as shown at B in Fig. 5. It must not touch the yoke, and the head should be less than one-eighth of an inch below the bar when at rest. On this the armature-bar strikes and clicks when drawn to the magnets. The armature must not touch the magnets; otherwise the residual magnetism would hold it down. The screw must be nicely adjusted, so that a loud, clear click will result.

[194]

TELEGRAPH KEY AND SOUNDER

[195]

When the sounder is at rest the rear end lies on the brass tack in the block, and the armature is about a quarter of an inch above the top of the magnets. The armature is of soft iron, two inches and a half long, seven-eighths of an inch wide, and an eighth of an inch thick. These small scraps of metal may be procured at a blacksmith’s shop, and, for a few cents, he will bore the holes in the required places; or if you have a breast or hand drill the metal may be held in a vise and properly perforated.

By connecting one wire from the key directly with one of the binding-posts of the sounder, and the other with the poles of a battery, and so on to the sounder, the apparatus is ready for use. By pressing on the key the circuit is closed, and the magnetism of the sounder-cores draws the armature down with a click. On releasing the key the bar flies back to rest, having been pulled down by the spring, and it clicks on the brass tack-head. These two instruments may be placed any distance apart, miles if necessary, so long as sufficient current is employed to work the sounder. Two sets of instruments must be made if boys in separate houses are to have a line. Each one must have a key, sounder, and cell, or several cells connected in series to form a battery, according to the current required.

In the plan of the telegraph-line connections (Fig. 7, page 196) a clear idea is given for the wiring; and if the line and return wires are to be very long, it would be best to have them of No. 14 galvanized telegraph-wire, copper being too expensive, although much better. These wires must not touch each other, and when attached to a house, barn, or trees, porcelain or glass insulators should be used. If nothing better can be had, the necks of some stout glass bottles may be held with wooden pins or large nails, and the wire twisted to them, as shown in Fig. 8. When the line is not in use[196] the switches on both keys should be closed; otherwise it would be impossible for the boy having the closed switch to call up the boy with the open one. Take great care in wiring your apparatus to study the plan, for a misconnected wire will throw the whole system out of order.

Telegraph line

To operate the line see that all switches are closed and that the connections are in good condition. When the boy in house No. 2 wants to call up his friend in house No. 1 he throws open the switchon key, as shown in the plan, and by pressing down on the finger-key his sounder and that in house No. 1 click simultaneously. As soon as he raises or releases the key the armatures rise, making the up-click. If he presses his key and releases it quickly the two clicks on the sounder in house No. 1 are close together; this makes what is called a dot. If the key is held down[197] longer it makes a long time between clicks, and this is called a dash. The dot and dash are the two elements of the telegraphic code. You will understand that the boy in house No. 2 hears just what the one in No. 1 is hearing, since the electric current passing through both coils causes the magnets to act in unison. So soon as the operator in house No. 2 has finished he closes his switch, and the other in house No. 1 opens his switch on the key and begins his reply. This is the simple principle of the telegraph, and all the improved apparatus is based on it, no matter how complicated. The complete Morse alphabet is appended:

The Morse Telegraph Code

Any persevering boy can soon learn the dot-and-dash letters of the Morse code, and very quickly become a fairly[198] good operator. Telegraphic messages are sent and received in this way, and are read by the sound of the clicks. Various kinds of recording instruments are also employed, so that when an operator is away from his table the automatic recorder takes down the message on a paper tape. In the stock-ticker, employed in brokerage offices, the recording is done by letters and numerals, and the paper tape drops into a basket beside the machine, so that any one picking up the strip of paper can see the quotations from the opening of business up to the time of reading them. These quotations are sent out directly from the floor of the exchanges, and by the action of one man’s hand thousands of machines are set in operation all over the city.

Perhaps the most unique and wonderful telegraphic signal-apparatus is that located on the floor of the New York Produce Exchange and the Chicago Exchange. The dials, side by side, are operated by direct wire from Chicago. When the New York operator flashes a quotation it appears simultaneously on the New York dial and simultaneously on the Chicago dial, and vice versa.

Electrical instruments are not the only means by which the Morse alphabet may be transmitted, for in some instances instruments would be in the way, while in others the wires might be down and communication cut off.

This is interestingly illustrated by an event in Thomas A. Edison’s life. When he was a boy and an apprentice telegraph operator on the Grand Trunk Line, an ice-jam had broken the cable between Port Huron, in Michigan, and Sarnia, in Canada, so that communication by electricity was cut off. The river at that point is a mile and[199] a half wide, the ice made the passage impossible, and there was no way of repairing the cable. Edison impulsively jumped on a locomotive standing near the river-bank and seized the whistle-cord.

He had an idea that blasts of the whistle might be broken into long and short sounds corresponding to the dots and dashes of the Morse code. In a moment the whistle sounded over the river: “Toot, toot, toot, toot,—toot, tooooot,—tooooot—tooooot—toot, toot—toot, toot.” “Halloo, Sarnia! Do you get me? Do you hear what I say?”

No answer.

“Do you hear what I say, Sarnia?”

A third, fourth, and fifth time the message went across, to receive no response. Then suddenly the operator at Sarnia heard familiar sounds, and, opening the station door, he clearly caught the toot, toot of the far-away whistle. He found a locomotive, and, mounting to the cab, responded to Edison, and soon messages were tooted back and forth as freely as though the parted cable were again in operation.

Some years ago the police of New York were mystified over a murder case. The man they suspected had not fled, but was still in his usual place, and attending to his business quite as though nothing had happened to connect him with the tragedy.

Detectives in plain clothes had been following him and watching closely his every move in and out of restaurants and shops and at social affairs; but not the slightest proof could be secured against him.

One noon-time they followed him into a café, where he had gone with a friend. The detectives took seats near[200] him, but each of them sat at different tables in the room full of people.

When in the café the suspect sat next the wall, a habit the detectives had noticed. Consequently, only those persons who sat at one side of him or directly in front could see his face. During the time they were in the restaurant the detectives communicated with each other by tapping on the table tops with a lead-pencil; and something the man said, which the nearest detective heard, led to the climax. One detective rose, paid his check, and loitered near the door; another got up a little later and sauntered out, but returned with a cardboard sign. Going over to the table where the suspected criminal and his friend sat, he deliberately tacked it on the wall above them, then went out again, leaving the third detective to watch the face of the man as he read:

$1000 REWARD
for information leading to the arrest of the murderer of ————————
on March ————, 1876

The man cast a glance about the restaurant, then said to his companion: “Did I show any signs of agitation?” The third detective rose, stepped over to the man, tapped him on the shoulder, and said, “I want you.” There would have been a scene of violence had not the other two detectives closed in on the man, and within six months he paid the penalty of his crime.

If it had not been for the dot-and-dash alphabet, tapped out with lead-pencils, the detectives could not have communicated; but like Edison, they used the means at hand to open up and carry on a silent conversation.

[201]

Wireless Telegraphy

Everybody nowadays understands that wireless telegraphy means the transmission of electrical vibrations through the ether and earth without the aid of wires or any visible means of conductivity. The feat of sending an electrical communication over thousands of miles of wire, or through submarine cables, is wonderful enough, for all that custom has made it an every-day miracle. To accomplish this same end by sending our messages through the apparently empty air is indeed awe-inspiring and almost beyond belief. And yet we know that wireless telegraphy is to-day a real scientific fact.

At first sight it would seem that the instruments must be complicated and necessarily beyond the ability of the average boy to make, and far too expensive as well. As a matter of fact, the young electrician may construct his wireless apparatus at a very moderate cost, it being understood that the sending and receiving poles may be mounted on a housetop or barn.

But first let us consider the theory upon which we are to work. There is no doubt but that electricity is the highest known form of vibration—so high, indeed, that as yet man has been unable to invent any instrument to record the number of pulsations per second. This vibration will occur in, and can be sent through, the ordinary form of conductor, such as metals, water, fluids and liquids, wet earth, air and ice. Also through what we call the ether.

Now the ether of the atmosphere, estimated to be fifteen trillion times lighter than air, is the medium through which[202] the electrical vibrations pass in travelling in their radial direction from a central point, corresponding to the ripples or wavelets formed when a pond or surface of still water is disturbed. Ether is so fine a substance that the organs of sense are not delicate enough to detect it, and it is of such a volatile and uneasy nature that it is continually in motion. It vibrates under certain conditions, and when disturbed (as by a dynamo) it undoubtedly forms the active principle of electricity and magnetism.

James Clark Maxwell believed that magnetism, electricity, and light are all transmitted by vibrations in one common ether, and he finally demonstrated his theory by proving that pulsations of light, electricity, and magnetism differed only in their wave lengths. In 1887 Professor Hertz succeeded in establishing proof positive that Maxwell’s theories were correct, and, after elaborate experiments, he proved that all these forces used ether as a common medium. Therefore, if it were not for the ether, wireless telegraphy, with all its wonders, would not be possible. We understand, then, that the waves of ether are set in motion from a central disturbing point, and this can be accomplished only by means of electrical impulse.

Suppose that we strike a bell held high in the air. The sound is the result of the vibrations of its mass sending its pulsating energy through the air. The length of the sound-waves is measured in the direction in which the waves are travelling, and if the air is quiet and not disturbed by wind the sound will travel equally in all directions. The sound of a bell will not travel so well against a wind as it[203] will with it, just as the ripples on a pond would be checked by an adverse set of wavelets.

Now the ether can be made to vibrate in a similar manner to the air by a charge of electricity oscillating or surging to and fro on a wire several hundred thousand times in a second. These oscillations strike out and affect the surrounding ether, so that, according to the intensity of the disruptive charge at the starting-point, the ether waves may be made to reach near or distant points.

This is, perhaps, more clearly shown by the action of a pendulum. In Fig. 9 the rod and ball are at rest, but if drawn to one side and released it swings over to the other side nearly as far away from its central position of rest as from the starting-point. If allowed to swing to and fro it will oscillate until at last it will come to rest in a vertical position. This same oscillation (oscillation being a form of vibration) takes place in the water when a stone has been flung into it, and in the ether when affected by the electrical discharge. In Fig. 10 are shown the principal varieties of vibration—the oscillating, pulsating, and alternating.

It is known that if these oscillations are damped, so that the over-intense agitation of the central disturbance is lessened, a new series of vibrations, such as the pulsating or alternating, is set up, and these secondary vibrations possess the power to travel around the world—yes, and perhaps to other worlds in the planetary cosmos.

[204]

OSCILLATION AND VIBRATION

[205]

The study of ether disturbances, wave currents, oscillating currents, and the other phenomena dependant upon this invisible force is most interesting and fascinating, and were it possible to devote more space to this topic several chapters could be written on the scientific theory of wireless telegraphy.[2]

[2] For further information on this subject the student is referred to such well-known books as Signalling Across Space Without Wires, by Prof. Oliver J. Lodge, and Wireless Telegraphy, by C. H. Sewall.

The principle difference between wire, or line, and wireless telegraphy is that the overhead wire, or underground or submarine cable, is omitted. In its stead the ether of the air is set in vibratory motion by properly constructed instruments, and the communication is recorded at a distance by instruments especially designed to receive the transmitted waves.

It seems to be the popular impression that a wireless message sent from one point to another travels in a straight line, as indicated by Fig. 11, B representing Boston, which receives the message from N. Y., or New York. As a matter of fact, if several sets of wireless receiving instruments were located on the circumference of a circle the same distance from New York in all directions, or even at nearer or farther points, they would all receive the same message. Instead of travelling in one direction, the ether waves are set in motion by the electrical disturbance, just as water is agitated by the stone thrown into it. The ripples, or wavelets, are started from the central point of disturbance and radiate out, so that instead of reaching Boston only the waves travel over every inch of ground, or air space, in all directions, and would be recorded in every town and village within the sphere of energy set up by the original force that put the ether waves in motion. The stronger this initial force the wider its field of action. This is shown at[206] Fig. 12, which is an area comprising Philadelphia, Pittsburg, Buffalo, Washington, and other cities. Moreover, the waves of electrical disturbance would carry far beyond in all directions, taking in the cities of the north, south, and west, and at the east, going far out to sea, beyond Boston harbor and below Cape Hatteras, where ships carrying receiving instruments could pick up the messages. Like the[207] ripples on the water, the radiating waves, or rings, become larger as they reach out farther and farther from the centre of disturbance, until at last they are imperceptible, and lose their shape and force.

Map

At great distances, therefore, the ether disturbance becomes so slight that it is impossible to record the vibration or message sent out; and until some improved forms of apparatus and coherer are invented, or the original disturbing force is enormously increased, it will be impossible to send messages at longer distances than four or five thousand miles from a central point. Both Marconi and De Forrest assert that they are perfecting coherers which will make it possible to girdle the earth with a message, and that within the next few years an aerogram may be sent out from a station, and, after instantly encircling the earth and being recorded during its passage at all intermediate stations, it will return and be received at the original sending-point. This, of course, is a matter of future achievement; but now that messages across the Atlantic are a commercial fact, it seems quite possible that the greater feat of overriding space and reaching any point on the earth’s surface will soon be a reality. And now to proceed from theory to the construction of a practical wireless apparatus having a radial area of action over some ten or fifteen miles.

The principal parts of a wireless apparatus include the antennas (or receiving and sending poles with their terminal connections), the induction-coil, strong primary batteries or dynamo, the coherer and de-coherer, the telegraph key and sounder (or a telephone receiver), and the necessary connection wires, binding-posts, and ground-plates.

[208]

A large induction-coil with many layers of fine insulated wire will be necessary for the perfect operative outfit. The most practical coil for the amateur is a Ruhmkorff induction-coil. (See the directions and illustrations for constructing this coil, beginning on page 59 of chapter iv.)

The sending apparatus is practically the same in all outfits, and consists of a source of electrical energy, such as a battery, or dynamo, the essential induction-coil and adjustable spark-gap between the brass balls on terminal rods, and the make-and-break switch, or telegraph-key.

It is in the various forms of coherers and receiving apparatus that the different inventors claim superiority and originality. The systems also differ in their theory of harmonic tuning or vibratory sympathy. This is accomplished by means of coils and condensers, so that the messages sent out on one set of instruments will not be picked up or recorded by the receiving apparatus of competitors.

Having made or purchased an induction-coil of proper and adequate size, it will now be necessary to construct the parts so that an adjustable spark-gap may be secured.

Make a hollow wooden base for the induction-coil to rest on. It should be a trifle longer than the length of the coil and about seven inches wide. This may be made from wood half an inch thick. The base should be two inches high, so that it will be easy and convenient to make wire connections under it. Mount the induction-coil on the base and make it fast with screws, arranging it so that the binding-posts are on the side rather than at the top of the coil, as shown in Fig. 13.

Cut a thin board and mount it across the top of the induction-coil[209] on two short blocks, and to this attach two double-pole binding-posts (P P). The fine wires from the induction-coil are made fast to the foot of each post, and from the posts the aerial wire (A W) and ground wire (G W) lead out.

Fasten two binding-posts at the forward corners of the base, and to them make connection-wires fast to the heavy or primary wires of the coil. Wires B and C lead out from these posts to the battery and key, and to complete this part of the sending, or transmitting apparatus it will be necessary to have two terminal rods and balls attached to the top of the binding-posts (P P). This part of the apparatus is generally called the oscillator, and the rods are balanced on the posts, so that they can be moved in order to increase or diminish the space (S G), or spark-gap, between the brass balls.

When, after experiment, the proper space has been determined, the set screw at the top of the posts will hold the terminal rods securely in place.

Obtain a piece of brass, copper, or German-silver rod three-sixteenths of an inch in diameter. Now cut two short rods, each six inches long, and two inches from one end flatten the rods with a hammer, as shown at A in Fig. 14. Flatten the rod in two places at the other end, as shown at B B in Fig. 14; then bore holes through the flattened parts (A), so that the binding-screws at the top of the posts (P P) will pass through them.

Obtain two brass balls from one to one inch and a half in diameter. If they are solid or cast brass they may be attached to the ends of the terminal rods by threading, so[210] that it will be easy to remove them. If the balls are of spun sheet-metal it will be necessary to solder them fast to the ends of the rods, and, when polishing the balls, the rods will have to be removed from the binding-posts. It is imperative that the balls should be kept polished and in bright condition at all times, to facilitate the action of the impulsive sparks.

Wireless set

[211]

To counterbalance these balls there should be handles at the long ends of the rods. These handles may be of wood, or made of composition molded directly on the rods. A good composition that can be easily made and molded is composed of eight parts plaster of Paris and two parts of dextrin made into a thick paste with water. The dextrin may be purchased at a paint-store, and is the color of light-brown sugar. Mix the dry plaster and dextrin together, so that they are homogeneous; then add water to make the pasty mass. Use an old table-knife to apply the wet composition to the bars. The flattened parts will help to hold the mass in place until it sets. It is best to make two mixtures of the paste and put one on first, leaving it rough on the surface, so that the last coat will stick to it. When the last coat is nearly dry it may be rubbed smooth with the fingers and a little water, or allowed to dry hard, and then smoothed down with an old file and sand-paper.

If solid brass balls are used for the terminals the composition handles may be made heavier; but in any event the proper amount of composition should be used, so that when the rod is balanced on a nail or piece of wire passed through the hole it will not tip down at one end or the other, but will remain in a horizontal position.

The overhead part of the apparatus employed to collect the electric waves is called the antennæ, and in the various commercial forms of wireless apparatus this feature differs. The general principle, however, is the same, and in Figs. 15, 16, 17, and 18 some simple forms of construction are shown.

[212]

Great care must be taken to properly insulate the rod, wire, or fingers of these antennæ, so that the full force of the vibration is carried directly down to the coherer and sounder or receiver. For this purpose, porcelain, glass, or gutta-percha knobs must be employed.

In Fig. 15 the apparatus consists of an upright stick, a cross-stick, and a brace, or bracket, to hold them in proper place.

Porcelain knobs are made fast to the sticks with linen string or stout cotton line. Then an insulated copper wire is run through the holes in the knobs, and from the outer knob a rod of brass, copper, or German-silver, or even a piece of galvanized-iron lightning-rod, is suspended. Care should be taken to see that the joint between rod and wire is soldered so as to make perfect contact. Otherwise rust or corrosion will cause imperfect contact of metals, and interrupted vibrations would be the result. The upright stick should be ten or fifteen feet high, and may be attached to a house-top, a chimney, or on the corner of a barn roof.

Another form of single antenna is shown in Fig. 16. This is a rod held fast in a porcelain insulator with cement. The insulator, in turn, is slipped over the end of a staff, or pole, which is erected on a building top or out in the open, the same as a flag-pole. Near the foot of the rod, and just above the insulator, a conducting-wire is made fast and soldered. This is run down through porcelain insulators to the apparatus.

If the pole is erected on a house-top it may be braced with wires, to stay it, but care must be taken not to have these wires come into contact with the rod, or conducting-wire.

[213]

TYPES OF ANTENNÆ

[214]

Another form of antennas is shown in Fig. 17, where rods are suspended from a wire which, in turn, is drawn taut between two insulators. The insulators are held in a framework composed of two uprights and a cross-piece of wood.

This frame may be nailed fast to a chimney and to the gable of a roof, as shown in the drawing; and to steady the rods, so that they will not swing in a high wind, the lower ends should be tied together with cotton string, the ends of which should be fastened to the uprights. The leading-in wire is made fast to the top wire, from which the rods are suspended, and all the exposed joints should be soldered to insure perfect contact and conductivity. A modified form of the Marconi antennæ is shown in Fig. 18. This is made of a metal hoop three of four feet in diameter held in shape by cross-sticks of wood, which can be lashed fast to the ring. Leading down from it are numerous copper wires which terminate in a single wire, the whole apparatus resembling a funnel. The upper unions where the wires join the ring need not be soldered, but at the bottom, where they all come together and join the leading-in wire, it is quite necessary that a good soldered joint be made. This funnel may be hung between two upright poles on a house-top, or suspended from the towers or chimneys.

Almost any metal plate will do for the ground, or the ground-wire (G W in Fig. 13) may be bound to a gas or water pipe which goes down deep in the ground, where it is moist. Rust or white lead in the joints of gas-mains sometimes prevent perfect contact, but in water-pipes the current will flow readily through either the metal or the water.[215] To insure the most perfect results, it is best to have an independent ground composed of metal, and connected directly with the oscillator, or coherer, by an insulated copper wire. A simple and easily constructed ground is a sheet of metal, preferably copper, brass, or zinc, to the upper edge of which two wires are soldered, as shown in Fig. 19. This is embedded in the ground three or four feet below the surface. Another ground-plate is a sheet of metal bent in V shape and then inverted. Two wires are soldered to the angle, and the ends brought together and soldered. This ground is buried three or four feet deep, and stands in a vertical position, as shown at Fig. 20. At Fig. 21 a flat ground is shown. This is a sheet of metal cut with pointed ends. The ground-wire is soldered to the middle of it, and it is then buried deep enough to be embedded in moist earth.

One of the best grounds is an old broiler with a copper wire soldered to the ends of the handles, as shown at Fig. 22. This is buried deep in the ground in a vertical position, and the insulated copper wire is carried up to the instruments.

The most important part of the wireless telegraphic apparatus is now to be constructed, and this requires some care and patience. The coherer is the delicate, sensitive part of the apparatus on which hinges success or failure. There are various kinds of coherers designed and used by different inventors, but while the materials differ and the construction takes various forms, the same basic principle applies to all.

[216]

TYPES OF GROUNDS

[217]

The coherer can best be explained as a short glass tube in which iron or other metallic filings are enclosed. Corks are placed in both ends of the tube, and through these corks the ends of wire are passed, so that they occupy the position shown in Fig. 23, the ends being separated a quarter of an inch. Metal filings will not conduct an electric current the same as a solid rod or bar of the same metal, but resist the passage of current.

After long periods of experimenting with various devices to detect the presence of feeble currents, or oscillations, in the ether, the coherer of metal filings was adopted. When the oscillations surge through the resonator, the pressure, or potential, finally breaks down the air film separating the little particles of metal, and then gently welds their sharp edges and corners together so as to form a conductor for the current. Before this process of cohesion takes place these fine particles offer a very high resistance to the electrical energy generated by a dry cell or battery—so much so that no current is permitted to pass. But once the oscillations in the ether cause them to cohere—presto! the resistance drops from thousands of ohms to hundreds, and the current from the dry cell now flows easily through the coherer and deflects the needle of a galvanometer. This is the common principle of all coherers of the granulated metal type, although there are many modifications of the idea.

The action of the electric and oscillatory currents on particles of metal can best be understood by placing some fine iron filings on a board, as shown at Fig. 24, and then inserting the aerial and ground wires in the filings, but separated by an eighth or a quarter of an inch.[218] A temporary connection may be made as shown in Fig. 25.

Coherers

A A are aerials on both instruments; C is the open coherer, or board with iron filings, in which the ends of the aerial and ground wires are embedded; D C is a dry cell; and R is a telegraphic relay, or sounder. If the wire across C was not parted and covered with filings, the dry cell would operate R, but the high resistance of the particles of metal holds back the current.

On the opposite side, I C is the induction-coil; K is the[219] telegraphic key, or switch, which makes and breaks the current; S B is the storage-batteries, or source of electric energy; and S G the spark-gap between the brass balls on the terminal rods. By closing the circuit at K the current flows through the primary of the induction-coil, affects the secondary coil, and causes a spark to leap across the gap between the brass balls. This instantly sets the ether in motion from A on the right, and the impulse is picked up by A on the left. This oscillation breaks down the resistance of the filings at C, and the current from battery, or dry cell (D C), flows through the filings and operates the sounder, or relay (R). This operation takes place instantly, and the particles of metal are seen to cohere, or shift, so that better contact is established. But as soon as the spark has jumped across the gap the action of cohesion ceases until the key (K) is again operated to close the circuit and cause another spark to leap across the gap. The shifting of the metal particles on the board (C) is what takes place in the glass tube of the coherer, Fig. 23, but in this confined space the particles will not drop apart again as on the flat surface, but will continue to cohere. A de-coherer is necessary, therefore, to knock the particles apart, so that the next oscillatory impulse will have a strong and individual effect. There are several forms of de-coherers in use, but for the amateur telegrapher an electric-bell movement without the bell, or, in other words, a buzzer with a knocker on the armature, will answer every purpose. (See description of buzzer on page 64.) It must be properly mounted, so that on its back stroke, or rebound, the knocker will strike the glass tube and shake the particles of[220] metal apart. For this purpose the vibrations of the armature should be so regulated as to obtain the greatest possible speed, in order that the dots and dashes (or short and long periods) will be accurately recorded through the coherer and made audible by the sounder or telephone receiver.

Another form of coherer is shown in Fig. 26. This is made of a small piece of glass tube, two rods that will accurately fit in the tube, some nickel filings, two binding-posts, and a base-block three inches and a half long. The two binding-posts are mounted on the block, and through the holes in the body of the posts the rods are slipped. They pass into the tube, and the blunt ends press the small mass of filings together, as shown in the drawing. By means of the binding-posts these coherer-rods may be held in place and the proper pressure against the filings adjusted; then maintained by the set-screws. The nickel filings may be procured by filing the edge of a five-cent piece. Obtain a few filings from the edge of a dime and add them to the nickel, so that the mixture will be in the proportion of one part silver to nine parts nickel. This mixture will be found to work better than the iron filings alone. The aerial and ground wires are made fast to the foot-screws of the binding-posts, and the base on which the coherer is mounted may be attached to a table or ledge on which the other parts of the receiving and recording apparatus are also installed.

Another form of coherer is shown at Fig. 27. This is constructed in a somewhat similar manner to the one just described. A glass tube is provided with two corks having[221] holes in them to receive the coherer-rods. Two plugs of silver are arranged to accurately fit within the tube, and into these the ends of the coherer-rods are screwed or soldered. Between these silver plugs, or terminals, the filings of nickel and silver are placed, and the rods are pushed together and caught in the binding-posts. The aerial and ground wires are made fast to the foot-screws of the posts.

For long-distance communication it is necessary to have a condenser placed in series with the sparking or sending-out apparatus. (See the type of condenser described and illustrated in chapter iv., page 72.)

An astatic galvanometer is also a valuable part of the receiving apparatus, and the one described on page 111 will show clearly the presence of oscillatory currents by the rapid and sensitive deflections of the needle.

For local service, where a moderately powerful battery is employed, a telegraph-key, such as described on page 190, will answer very well, but for high-tension work, where a powerful storage-battery or small dynamo is employed, it will be necessary to have a non-sparking key, so that the direct current will not form an arc between the terminals of a key. Most of the keys used for wireless telegraphy have high insulated pressure-knobs, or the make and break is done in oil, so that the spark or arc cannot jump or be formed between the points.

The plan of a simple non-sparking dry switch is shown at Fig. 28. This is built up on a block three inches wide and five inches long. It consists of a bar (A), two spring interrupters (B and C), a spring (D), and the binding-posts (E E). They are arranged as shown in Fig. 28, and a front elevation[222] is given in Fig. 29. The strip (B) lies flat on the block, and is connected with one binding-post by a wire attached under one screw-head and run along the under side of the base in a groove to the foot of the post. Strip C is of spring-brass, and is made fast to the base with screws. This is “dead,” as no current passes through it, and its only use is to interrupt. The bar (A) is arranged as explained for the line telegraph-key, and the remaining binding-post is connected to it by a wire run under the base and brought up to one of the angle-pieces forming the hinge. A high wood or porcelain knob is made fast at the forward end of the bar, so that when high-tension current is employed the spark will not jump from the bar to the operator’s hand. The complete key ready for operation is shown at Fig. 30, and to make it permanent it should be screwed fast to the table, or cabinet, on which the coil and condenser rest. The plan of a “wet” key is shown in Fig. 31, and the complete key in Fig. 32.

[223]

DRY AND WET NON-SPARKING SWITCHES

[224]

A base of wood three by five inches is made and given several coats of shellac. Obtain a small rubber or composition pill or salve box, and make it fast to the front end of the base with an oval-headed brass screw driven down through the centre of the box. A wire leading to one binding-post is arranged to come into contact with the screw, and the other post is connected by wire to one hinge-plate supporting the bar. The long machine screw, or rivet, passed down through the knob and into the bar, extends down below the bar for half an inch or more, so that when the knob is pressed down the end of the screw, or rivet, will strike the top of the screw at the bottom of the box without the bar coming in contact with the edge of the box. When in operation the composition box is filled with olive oil or thin machinery oil, so that when contact is made by pressing the knob down the circuit will be instantly broken, the spring at the rear end of the bar drawing it back to rest. The oil prevents any sparks jumping across; and also breaks an arc, should one form between the contact-points. With the addition of a good storage-battery (the strength of which must be governed by the size of the induction-coil and the distance the messages are sent) and a dry-cell or two for the receiving apparatus, the parts of the wireless apparatus are now ready for assembling. Full directions for making storage-cells is given in chapter ii., page 21, and for dry-cells in chapter ii., page 29. For short-distance work the plan shown in Figs. 33 and 34 will be found a very satisfactory form of apparatus. One of each kind of instrument should be at every point where communication is to be established.

In the sending apparatus (Fig. 33) S C are the storage-cells, K the key, and I C the induction-coil. T T are the terminals and balls, S G the spark-gap, and P P the posts that hold the terminal rods. A W is the aerial wire running up from one post, and G W the ground-wire connecting the other terminal post with the ground-plates.

In the receiving apparatus (Fig. 34) C is the coherer, D C the de-coherer, T S the telegraphic sounder, or relay, and A G the astatic galvanometer. B is the dry-cell, or battery, and D C S the de-coherer switch, so that when the apparatus is not in use the dry-cell will not operate the buzzer or de-coherer. A W is the aerial wire and G W[225] the ground-wire. Two or more storage-cells may be connected in series (that is, the negative of one with the positive pole of the other) until a sufficiently powerful source of current is secured for the transmission of messages.

Sending apparatus
Receiving apparatus

To operate the apparatus, the circuit is closed with K, and the current from S C flows around the primary coil in[226] I C and affects the secondary coil, causing the spark to leap across the gap (S G). This causes a disturbance through the wires A W and G W, and the ether waves are set in oscillatory motion from the antennæ on the house-top. This affects the antennæ at the receiving-point, and the impression is recorded through the coherer (C) on the telegraphic sounder or relay (T S), which is operated by the current from dry-cell or battery (B), since the oscillations have broken the resistance of the filings in the coherer (C). The instant that the current passes through the coherer[227] and operates T S, the astatic galvanometer indicates the presence of current by the deflected needle.

Sending apparatus

When the apparatus is in operation D C S is closed, so that the current from B operates the coherer (D C). Directly[228] communication is broken off, the switch (D C S) should be opened; otherwise the buzzer would keep up a continuous tapping. For long-distance work a more efficient sending apparatus is shown in Fig. 35. This is composed of an induction-coil, with the terminal rods and brass balls forming the spark-gap, an oil key (K), and three or more large storage-cells, or a dynamo (if power can be had to run it). A condenser is placed in connection with the aerial and ground wires, so that added intensity or higher voltage is given the spark as it leaps across the gap. In operation this apparatus is similar to the one already described. Where contact is made with K the primary coil is charged, and by induction the current affects the secondary coil, the current or high voltage from which is stored in the condenser. When a sufficient quantity is accumulated the spark leaps across S G and affects wires A W and G W. This action is almost instantaneous, and directly the impulse sets the ether in motion the same impulse is recorded on the distant coherers and sounders.

There are a great many modifications of this apparatus, but the principles are practically the same, and while the construction of this apparatus is within the ability of the average boy, many of the more complicated forms of coherers and other parts would be beyond his knowledge and skill. Marconi has realized his ambition to send messages across the ocean without wires, and is now doing so on a commercial basis, and at the rate of twenty-five words a minute. It is but the next step to establish communication half-way around the world, and finally to girdle the earth.


[229]

Chapter X
DYNAMOS AND MOTORS

To adequately treat of dynamos and motors, a good-sized book rather than this single chapter would be necessary, and only a general survey of the subject is possible. Its importance is unquestionable; indeed, the whole science of applied electricity dates from the invention of the dynamo. Without mechanical production of electricity there could be no such thing as electric traction, heat, light, power, and electro-metallurgy, since the chemical generation of electricity is far too expensive for commercial use. Surely it is a part of ordinary education nowadays to have a clear and definite idea of the principles of electrical science, and in no department of human knowledge has there been more constant and rapid advance. It is only a truism to assert that the school-boy of to-day knows a hundredfold more about electricity and its varied phenomena than did the scientists and philosophers of old—Volta and Galvani and Benjamin Franklin. Yet it was for these forerunners to open and blaze the way for others to follow. A beginning must always be made, and the Marconis and Edisons of to-day are glad to acknowledge their indebtedness to the experimenters and inventors of the past. And now to our subject.

[230]

All dynamos are constructed on practically the same principle—a field of force rapidly and continuously cutting another field of force, and so generating electric current. The common practice in all dynamos and motors is to have the armature fields revolve within, or cut the forces of the main fields of the apparatus. There are many different kinds of dynamos generating as many varieties of current—currents with high voltage and low amperage; currents with low voltage and high amperage; currents direct for lighting, heating, and power; currents alternating, for high-tension power or transmission, electro-metallurgy, and other uses. It is not the intention in this chapter to review all of these forms, nor to explain the complicated and intricate systems of winding fields and armatures for special purposes. Consequently, only a few of the simpler forms of generators and motors will be here described, leaving the more complex problems for the consideration of the advanced student. For his use a list of practical text-books is appended in a foot-note.[3]

[3] First Principles of Electricity and Magnetism, by C. H. W. Biggs; The Dynamo: How Made and Used, by S. R. Bottone; Dynamo Electric Machinery, by Professor S. P. Thompson; Practical Dynamo Building for Amateurs, by Frederick Walker.

The Uni-direction Dynamo

The uni-direction current machine is about the simplest practicable dynamo that a boy can make. It may be operated by hand, or can be run by motive power. The field is a permanent magnet similar to a horseshoe magnet. This must be made by a blacksmith, but if a large parallel[231] magnet can be purchased at a reasonable price so much the better, as time and trouble will be saved. This magnet should measure ten inches long and four inches and a half across, with a clear space seven inches long and one inch and three-quarters wide, inside measure. The metal should be half an inch thick and one inch and a quarter wide. A blacksmith will make and temper this magnet form; then, if there is a power-station near at hand where electricity is generated for traction or lighting purposes, one of the workmen will magnetize it for you at a small cost; or it can be wound with several coils of wire, one over the other, and a current run through it. When properly magnetized it should be powerful enough to raise ten pounds of iron. This may be tested by shutting off the current and trying its lifting power. If the magnet is too weak to attract the weight the current should be turned on and another test made a few minutes later.

Before the steel is tempered there should be four holes bored in the magnet and countersunk, so that screws may be passed through it and into the wooden base below, as shown at Fig. 1. This wooden base is fourteen inches long, eight inches wide, and one inch in thickness. It may be made of pine, white-wood, birch, or any good dry wood that may be at hand. The blocks on which the magnet rests are an inch and a quarter square and seven inches long. The magnet is mounted directly in the middle of the base, an equal distance from both edges and ends, as shown in the plan drawing (Fig. 10). The blocks are attached with glue and brass screws driven up from the underside of the base.

From a brass strip three-eighths of an inch wide and[232] one-eighth of an inch thick cut a piece six inches long, and bore holes at either end through which long, slim, oval-headed brass screws may pass. Use brass, copper, or German-silver for this bar, and not iron or steel. To the underside, and at the middle, solder or screw fast a small block of brass, through which a hole is to be bored for the spindle or shaft. This finished bar is shown in Fig. 2. When mounted over the magnet and held down with brass screws driven into the wood base, its end view will appear as shown in Fig. 3, A being the bar, B B the screws which hold it down, D the base into which they are driven, and C C the blocks under the magnet (N S). The object of this bar is to support one end of the armature shaft. From brass one-eighth of an inch thick bend and form two angles, as shown at Fig. 4. Two holes for screws are to be drilled in the part that rests on the base, and one hole, for the shaft to pass through, is bored near the top of the upright plate. The centre of this last hole must be the same height from the base as is the hole in the bar (Fig. 2) when mounted over the magnet, as shown at Fig. 3. The location of these plates is shown in the plan (Fig. 10). There is one plate at each end of the base, as indicated at B and B B, the shaft passing through the hole in the brass block at the underside of the bar (C). These angles are the end-bearings for the armature shaft, and should be accurately centred so that the armature will be properly centred between the N and S bars of the magnet.

[233]

DETAILS OF UNI-DIRECTION DYNAMO

[234]

The armature is made from soft, round iron rod one inch and a half in diameter and five inches long. A channel is cut all around it, lengthwise, five-eighths of an inch wide and half an inch deep, as shown in Fig. 5. This will have to be done at a machine-shop in a short bed-planer, since it would be a long and tedious job to cut it out with a hack-saw. The sharp corners should be rounded off from the central lug, so that they will not cut the strands of fine wire that are to be wound round it.

Two brass disks, or washers, are to be cut, one inch and a half in diameter and from one-eighth to one-quarter of an inch thick, for the armature ends. A quarter-inch hole is to be made in the centre of each for the shaft to fit in, and two smaller holes must be drilled near the edge, and opposite each other, so that machine-screws may pass through them and into holes bored and threaded in the ends of the armature, as shown at Fig. 5. These ends will appear as shown at Fig. 6, and the middle hole should be threaded so as to receive the end of a shaft. When the shaft is screwed in tight the end that passes through the brass disk must be tapped with a light hammer to rivet the end, and so insure that the shaft will not unscrew.

The shafts should be of hard brass or of steel. The one at the front should be one inch and a half in length, and that at the rear six inches long, measuring from the outer face of the brass end to the end of the shaft. From boxwood or maple turn a cylinder three-quarters of an inch in diameter and an inch long, with a quarter-inch hole through it. Over this slip a piece of three-quarter-inch brass or copper tubing that fits snugly, and at opposite sides drill holes and drive in short screws that will hold the tube fast to the hub. They must not be so long as to reach the hole through the centre. Place this hub in a vise, and with a[235] hack-saw cut the tube across in two opposite places, so that you will have the cylinder with two half-circular shells or commutators screwed fast to it, as shown at Fig. 7. This hub will fit over the shaft at the front end of the armature, and will occupy the position shown at F in Fig. 10.

Cut two small blocks of wood for the brushes and binding-posts, and bore a hole through them, so that the foot-screw of a binding-post may pass through the block and into the post, as shown at Fig. 8. From thin spring copper cut a narrow strip and bend it over the block, catching it at the top with a screw and lapping it under the binding-post at the outside.

From boxwood or maple have a small wooden pulley turned, with a groove in it and a quarter-inch hole through the centre. This pulley should be half an inch wide and one inch and a half in diameter, as shown at Fig. 9. This is to be attached at the end of the long shaft, where it will occupy the position shown at E in Fig. 10.

All the parts are now ready for assembling except the armature, which must be wound. Before laying on the turns of wire the channel in the iron must be lined with silk, held in place with glue or shellac. A band of silk ribbon is given two turns about the centre of the iron, and the sides are so completely covered with silk that not a single strand of wire will come into direct contact with the iron. Great care must be taken, when winding on the wire, not to kink, chafe, or part the strands. The channel should be filled but not overcrowded, and when full several wraps of insulating tape should be made fast about the armature to hold the wire firmly in place and prevent it from working out at the centre when the armature is driven at high speed. The armature, when properly wound and wrapped, will appear as shown at A in Fig. 11, and it is then ready to have the ends screwed on. Several sizes of wire may be used to wind the armature, according to the current desired, but for general use it would be well to use No. 30 silk-insulated copper wire.

[236]

PLAN OF THE UNI-DIRECTION DYNAMO

[237]

About four ounces should be enough for this armature, and the ends are to be passed through small holes in the brass end (B); see Fig. 11. One end must be soldered to one commutator, the other end to the other commutator. The end-piece (B) is attached to the iron armature (A) with machine-screws; then C is to be made fast in a similar manner.

When putting the parts together, it would be well to use some shellac on the wooden cylinder and driving-wheel to make them hold to the shaft.

By following the plan in Fig. 10, it will be an easy matter to put the parts together; when they are assembled the complete machine will appear as shown in the drawing (Fig. 12).

The driving-wheel should be of wood five-eighths of an inch thick and six inches in diameter, and held in the frame of wood and metal brackets by a bolt. A short handle can be arranged with which to turn the wheel, and a small leather belt will transmit the power to the small wheel on the armature shaft. As the armature is revolved the lines of force are cut and the current is carried out through the wire attached to the binding-posts on the blocks (G G).

[238]

Dynamo

Considerable current may be generated if the armature is driven at higher speed than the hand-wheel will cause it to revolve. This can be accomplished by running the belt over a larger wheel, such as the fly-wheel of a sewing-machine, or connecting it to a large pulley on a water-motor. The latter may be attached to a faucet in the wash-tub if there is pressure enough to do the work.

[239]

A Small Dynamo

All dynamos are constructed on the same general principle as that of the uni-direction machine just described; but they differ in their windings, the quantities of metal electrified, the sizes and lengths of wire wound on both armature and field, and in their shape and speeds.

In large dynamos it is impossible to employ steel magnets of the required size. In place of them soft iron cores are used and magnetized by external electric current; or the wiring is done in “series” or “shunt,” so that the fields will be self-exciting once the machine has been properly started.

The principal difference in dynamos is, perhaps, more clearly illustrated by the diagrams shown in Figs. 13, 14, 15, and 16. In Fig. 13 the arrangement of armature and field-magnet is the same as in the uni-direction machine, the field (F) being of magnetized steel, while the armature (A) is of soft iron wound with coils of fine wire, the ends of which are brought out at the commutators (C), through which the current is carried to the brushes (B and B B). If, however, the soft iron cores are used, a separate magnetizing electric current must be passed through the coils of wire wound about the field-pieces, so that they will become temporary magnets—the same as the cores of an electric bell movement, a telegraph-sounder, or the induction-coil core when a current is passed through the primary coil. The armature (A) is then driven at high speed by power, and the current is taken off for use through wires that lead from B and B B.

[240]

In all of these figures the armatures rotate, in the space between the large pole-pieces of the field-magnets, in the same direction as the hands of a clock move. In these figure drawings the field-magnets, commutators, and brushes only are shown, the armature being indicated by the circle (A).

Figure 13 represents a dynamo, the field-magnets of which are excited by a separate battery or generator. This is known as a “separately excited” machine, and is employed for various uses. The brushes (B and B B) are connected to the external circuit—that is, with the motor or other apparatus for which current is to be generated. The magnetic field in which the armature rotates will be constant if the exciting current is constant, like the magnetism in the magnet of the uni-direction current machine.

The induced electro-motive force (which depends upon the rate at which the lines of force are cut) will be constant for the given speed at which the armature rotates. This action is the same as that described for the uni-direction current machine.

Figure 14 is the diagram of a “series”-wound dynamo. The field and armature are soft gray iron, and are wound in series—that is, one end of the magnet-winding is made fast to the brush B, the other to the brush B B, and the apparatus to be operated by the current is let in between B B and the magnet, as shown by the indicated electric arc-light in the illustration. The field-magnet coils, the armature, and the external conductors are in series with each other, forming a simple circuit. When the armature is driven at high speed the field-magnets become self-exciting,[241] with the result that current is generated. Its simple course is through B B to commutators on the hub, thence through one winding on the iron armature A, to B, through field F, and back to B B again, operating in its course any pieces of equipment designed for electric impulse, such as motors, or lamps, trolley-cars, trains, or electric machinery.

Dynamos

The third type, shown in Fig. 15, is known as “shunt”-winding. The field-magnet coils and the external resistance are in parallel, or shunt with each other, instead of in series. The brushes are connected with the external circuit, and also with the ends of the field-magnet coils. This is clearly shown in the drawing. The ends of the field-coils are connected with brushes B and B B, and the external circuit wires are connected also with the same brushes, and pass down to such an apparatus as a plating bath, in which the current runs through the electrode, the electrolyte, and the cathode, most of the current generated passing[242] through the external circuit. The field-coils are of fine wire, and when the armature is rotated there will always be a current through the field-magnets, whether the external circuit is complete or not. If a break occurs in the external circuit, a more powerful current will consequently pass through the field-magnets.

In Fig. 16 a “compound”-wound dynamo is shown. It is a combination of the series and the shunt machine. The field-magnet coils are composed of two sizes of wire. There are comparatively four turns of stout wire and many turns of fine wire, the ends of both being connected, as shown in the drawing. The stout wire leads out to lamps which are arranged in series, as shown at the foot of the drawing. The current developed by this dynamo is one of “constant potential,” and is used almost exclusively for incandescent lamps, the “constant” current from the series-wound machine being used for arc-lamps, power, and other commercial purposes.

It will not be necessary to use the first or last systems, nor to experiment with the alternating current, with its phases and cycles. All that a boy wants is a good direct-current machine that will light lamps, run sewing-machines or motors, and furnish the power for long-distance wireless telegraphy and other apparatus requiring considerable current.

To begin with, it would be better to make a small dynamo and study its principles as you progress; then it will be a great deal easier to construct a larger one. It will be necessary to have the iron parts made at a blacksmith-shop, since the various cutting, threading, and tapping operations call for the use of special iron-working tools. Soft iron[243] should be used, and if a piece of cast-iron can be procured for the lugs or magnet ends it will give better service than wrought-iron.

From three-quarter-inch round iron cut two cores, each three inches and a half long, and thread them at both ends, as shown at B B in Fig. 17. From band-iron five-eighths of an inch thick and one inch and a half wide cut a yoke (A), and bore the indicated holes two inches and three-quarters apart, centre to centre. These should be threaded so that the cores (B B) will screw into them. From a bar of iron cut off two blocks one inch and a half by one inch and a half by two inches for the lugs. Now, with a hack-saw and a half-round file, cut out one side of each lug, as shown at C. These lugs are to be bored and threaded at one end, so that they can be screwed on the lower ends of the cores (C C).

For a larger dynamo the yoke should be made six inches long, one inch thick, and two inches and a half wide. The cores should be of one-inch iron pipe. These will be hollow, as shown at B B in Fig. 18. For the ends cast-iron blocks must be made or cast from a pattern two inches and three-quarters square and four inches high, as shown at C. The yoke (A) and the lugs (C) are bored and threaded to receive the one-inch pipe, and when set up this will constitute an iron field-magnet six inches wide, two inches thick, and nine inches high. This, if properly wound, should develop a quarter of a horse-power.

[244]

Armatures

The parts shown in Fig. 17, when screwed together, will give you a field-magnet two by one and a half by five and three-quarter inches high, and will appear as shown in Fig. 19, A being the yoke at the top, B B the cores, C C the lugs, and D a strip of brass screwed fast across the back of the lugs (C C), and in which a hole is bored to act as a bearing for one end of the armature shaft. Between the lugs and the strip (D) fibre washers three-eighths of an inch in thickness are placed to keep the strip away from the lugs. A hole is bored directly through the middle of each lug, from front to rear, and it is threaded at each end so that a machine-screw will fit in it. The brass strip (D) is five-eighths of an inch wide, three-sixteenths of an inch thick, and four inches long. Copper or German-silver may be used in place of brass, but iron or steel must not be employed, since these metals are susceptible to magnetism.[245] Two holes should be made in the bottom of each lug, and threaded, so that machine-screws may be passed through a wooden base and into them in order to hold the dynamo on the base.

Figure 20 is an end view of the field-magnets showing the yoke at A, the core at B, the lug at C, and the bearing and binding-strip of yellow metal at D. Two blocks of hard-wood, an inch square and one inch and a half long, are cut and provided with holes, so that they can be fastened to the lugs C C with long, slim machine-screws, as shown at E E in Fig. 21. This is a view looking down on the magnets, blocks, and straps. These blocks are to support the brushes and terminals, and should be linked across the face with a brass strap G, so that the other end of the armature shaft may be supported. Care must be taken, when setting straps D and G, to have them line. The holes, too, must be centred, since the armature must revolve accurately within the field-lugs (C C) without touching them, and there is but one-sixteenth of an inch space between them.

From hard-wood half an inch in thickness cut a base, six by seven inches, and two strips an inch wide and five inches long. With glue and screws driven up from the underside of the strips fasten them to the base, as shown at Fig. 22. Then make the field-magnets fast to the base with long machine-screws, using washers under the heads at the underside of the base-board. The mounting should then appear as shown in Fig. 28.

[246]

From steel, half an inch in diameter, cut a shaft five inches long. Have it turned down smaller at one end for three-eighths of an inch, and at the other end for a distance of one inch and a half, as shown at Fig. 23. This is for the armature, and it should fit between D and G in Fig. 21, and should revolve easily in the holes cut to receive it in both straps, with not more than one-eighth of an inch play forward or backward. The long, projecting end should[247] be at the rear, and should extend beyond strip D for three-quarters of an inch, so that the driving-pulley can be made fast to it.

The armature is made up of segments or laminations of soft iron and insulated copper wire. The laminated armature works much better than does the solid metal ring or lug, and a pattern may be made from a piece of tin from which all the sections can be cut. With a compass, strike a two-inch circle on a clear piece of tin; then mark it off, as shown at Fig. 24, and cut it out with shears. The hole at the centre of the pattern need not be bored, but a small pinhole should be made so that a centre-punch can be used to indicate the middle of each plate for subsequent perforation. Ordinary soft band iron may be employed for this purpose, and the sections should not be more than one-sixteenth of an inch in thickness.

It will take some time to cut out the required number of pieces for this small armature. When they are all ready they should be slipped over the shaft, and if they have been properly matched and cut, they should appear as a solid body, one inch and a half long.

Arrange these laminations on the armature shaft so that when the shaft is in position the mass of iron will be within the lugs of the field-magnets. The holes through the iron plate should be so snug as to call for some driving to put them in place. Each disk of iron should be given a coat of shellac to insulate it, and between each piece there should be a thin cardboard or stout paper separator to keep the disks apart. These paper washers should be dipped in hot paraffine, or thick shellac may be used to obtain a good[248] sticking effect and so solidify the laminations into a compact mass. When this operation is completed the armature core should appear as shown in Fig. 25.

Armature parts

From maple, or other hard-wood with a close grain, make a cylinder three-quarters of an inch long and one inch in diameter to fit the shaft. Over this drive a piece of copper or brass tubing, and at four equal distances, near the rear[249] or inner edge, make holes and drive small, round-headed screws into the wood. Then, with a hack-saw, cut the tube into four equal parts between the screws. This is the commutator. In order to hold the quarter circular plates fast to the cylinder, remove one screw at a time, and place thick shellac on the cylinder. Then press the plate firmly into place and reset the screw. Repeat this with the other three, and the armature will be ready for the winding.

The voltage and amperage of a dynamo is reckoned by its windings, the size of wire, the number of turns, and the direction. This is a matter of figuring, and need not now concern the young electrician, since it is a technical and theoretical subject that may be studied later on in more advanced text-books.

For this dynamo use No. 22 cotton-insulated copper wire for the armature, and No. 16 double cotton-insulated copper wire for the field. The armature, when properly wound and ready for assembling with the brushes and wiring, will appear as shown in Fig. 26.

A small driving-wheel two inches in diameter and half an inch thick must now be turned from brass and provided with a V-shaped groove on its face. The hub, at one side, is fitted with a set-screw, so that it can be bound tightly on the shaft. This pulley is made fast to the shaft at the rear of the dynamo, and on the opposite end to where the commutator hub is attached.

A diagram of the wiring is shown in Fig. 29, and in Fig. 30 the mode of attaching the ends of the coil wires to the commutators is indicated. Two complete coils of wire must be made about each channel of the armature, as illustrated[250] on the drum of Fig. 30. These are separated by a strip of cardboard dipped in paraffine and placed at the centre of a channel while the winding is going on. In some armatures the coils are laid one over the other; but with this construction, and in the case of a short-circuit, a broken wire, or a burn-out, it is impossible to reach the under coil without removing the good one.

Begin by attaching one end of the fine insulated wire to commutator No. 1; then half fill the channel, winding the wire about the armature, as indicated in Fig. 30. When the required number of turns has been made, carry the end around the screw in commutator No. 2, baring the wire to insure perfect contact when caught under the screw-head. From No. 2 carry the wire around through the channel at right angles to the first one, and after half filling it bring the end out to commutator No. 3. Carry the wire in again and fill up the other half of the first channel, and bring the end out to commutator No. 4. Fill up the remaining half of the second channel; then attach the final end to commutator No. 1, and the armature winding will be complete without having once broken the strand of wire.

To keep the coils of wire in place, and to prevent them from flying out, under the centrifugal force of high speed, it would be well to bind the middle of the armature with wires or adhesive tape.

After driving down the small screws over the leading-in and leading-out wires the armature will be ready to mount in the bearings. As the blocks that support the brushes and binding-posts partly close the opening to the cavity at the front, the armature will have to be inserted[251] from the back into the strip (G) in Fig. 21. Then the back strip (D) is screwed in place. The armature, when properly mounted, should revolve freely and easily within the field-lugs without friction, and the lugs must by no means touch the armature. From thin spring-copper brushes may be cut and mounted on the block under the binding-posts, so that one will rest on top of the commutators while the other presses up against the underside. The wiring is then to be placed on the field-magnets. This is carried out as described for the electric magnets on pages 54-58 of chapter iv., each core receiving five or seven layers, or as much as it will hold without overlapping the lug or yoke. The ends of the wires are connected as shown at Fig. 14 or Fig. 15, the ends being carried down through the base and up again in the right location to meet the foot of a binding-post. The complete dynamo will appear as shown in Fig. 28.

Before the dynamo is started for the first time it would be well to run a strong current through the field coils. The residual magnetism retained by the cores and iron parts will then be ready for the next impulse when the dynamo is started again. Larger dynamos may be made of this type. With an armature, the core of which is four inches in diameter and six inches long, having eight instead of four channels, and placed within a field of proportionate size, the dynamo will develop one horse-power.

A Split-ring Dynamo

Another type of dynamo is shown in Fig. 31. This is composed of a wrought or cast iron split-ring wound for the[252] field, an armature made up of laminations, and the necessary brushes, posts, commutators, and wire.

Dynamo

Have a blacksmith shape an open ring of iron, in the form of a C, three-eighths of an inch thick and four inches wide. The opening should be three inches wide, as shown in Fig. 32. This ring should measure five inches on its outside diameter, and the ends are to be bored and threaded to[253] receive machine-screws. Two lugs are to be made from wrought-iron to fit on these ends. These should be four inches long, an inch and a half high, and three-quarters of an inch thick at top and bottom. They should be hollowed out at the middle, so that an armature two inches in diameter will have one-eighth of an inch play all around when arranged to revolve within them. Holes are made through the lugs to receive machine-screws, which are driven into the holes in the ends of the iron (C). Wrought-iron L pieces are made one inch and a half high and an inch across the bottom, and with machine-screws they are made fast to the backs of the lugs to act as feet on which the field-magnet may rest, as shown in Fig. 33. Across the back of the lugs, and set away from them by fibre washers, a strap of brass is made fast. This measures three-quarters of an inch wide and a quarter of an inch thick, and at the middle of it a three-eighth-inch hole is bored to receive the rear end of the armature shaft. This is shown in Fig. 34, which is a front view of the field, or C, iron, the lugs (L L) and feet (F F), the armature bearing (S), and the base (B), of three-quarter-inch hard-wood. The field-magnet is bolted to the base with lag-screws, so that it will be held securely in place.

The laminations for the armature core are two inches in diameter, and are cut from soft iron one-sixteenth of an inch thick. They have eight channels, as shown in Fig. 35, and the tubing on the commutator hub is divided into four parts so that the terminals from each coil can be brought to a commutator, as described for Fig. 30. In the eight-channel armature, however, there is but one coil of wire in each channel.

[254]

DETAILS OF SPLIT-RING DYNAMO

[255]

In Fig. 36 a plan of the armature is shown, S representing the shaft, B B the bearings, L the laminations, C the commutators and hub, P the driving-pulley, and N N the nuts that hold the laminations together and lock them to the shaft. The shaft is half an inch in diameter, the laminations four inches thick, and the commutator barrel one inch in diameter and three-quarters of an inch long. The shaft is turned down from the middle to where P and C are attached; then at the front end it is made smaller, where it passes through the front bearing.

With the detailed description already given for the construction of the small dynamo, it should be an easy matter to carry out the work on this one, and a quarter horse-power generator should be the result. The field-magnet is wound with five or seven layers of No. 16 double cotton-insulated wire, and the armature with No. 22 silk or cotton-covered wire. The connections may be made for either the series or the shunt windings shown in Figs. 14 and 15. Another type of field is shown in Fig. 37, where two plates of iron are screwed to one core, and the lugs are, in turn, made fast to the inner sides of the plates within which the armature revolves. The “Manchester” type is shown in Fig. 38, where two cores, constructed by a top and bottom yoke, are excited by the coils, and the lugs are arranged between the cores, so that the armature revolves within them.

A Small Motor

The shapes, types, powers, and forms of motors are as varied and different as those of dynamos, each inventor[256] designing a different type and claiming superiority. The one common principle, however, is the same—that of an armature revolving within a field, and lines of force cutting lines of force. A motor is the reverse of a dynamo. Instead of generating current to develop power or light, a current must be run through a motor to obtain power.

Motors are divided into two classes: the D C, or direct current, and the A C, or alternating current. For the amateur the direct-current motor will meet every requirement, and since the battery, or dynamo current, that may be available to run a motor, is in all probability a direct one, it will be necessary to construct a motor that is adapted to this source of power and for the present avoid the complications of the alternating current both in generation and in use.

The direct-current motor is an electrical machine driven by direct current, the latter being generated in any desired way. This current is forced through the machine by electro-motive force, or voltage; the higher the pressure, or voltage, the more efficient the machine. Be careful lest too much current (amperage) is allowed to flow, for the heat developed thereby will burn out the wiring.

Motors are so constructed that when a current is passed through the field and armature coils the armature is rotated. The speed of the armature is regulated by the amount of amperage and voltage that passes through the series of magnets, and this rotating power is called the torque.

Torque is a twisting or turning force, and when a pulley is made fast to the armature shaft, and belted to connect[257] with machinery, this torque, or force, is employed for work.

The speed of an armature when at full work is usually from twelve hundred to two thousand revolutions a minute. As few machines are designed to work at that velocity, a system of speeding down with back gears, or counter-shafts and pulleys, is employed. The motor itself cannot be slowed down without losing power. The efficiency of motors is due to the centrifugal motion of the mass of iron and wire in the armature and the momentum it develops when spurred on by the magnetism of the field-magnets acting upon certain electrified sections of the armature. The armature of a working motor is usually of such high resistance that the current employed to run it would heat and burn out the wires if the full force of the current was permitted to flow through it for any length of time. As the armature rotates it has counter electro-motive force impressed upon it. This acts like resistance, and reduces the current passing through. The higher the speed the less current it takes, so that after a motor has attained its highest, or normal speed, it is using less than half the current required to start it.

Reduction of current in the armature reduces torque, so that the turning force of the armature is reduced as its speed of rotation increases. On the other hand, the momentum, or “throw,” produces power at high speed, together with an actual saving of current. An armature revolving at sixteen hundred revolutions, and giving half a horse-power on a current of five amperes, is more economical than one making three to five hundred revolutions, and giving half a horse-power on a current of fifteen to twenty[258] amperes. Thus, a slowly turning armature takes more current and exerts higher torque than a rapidly rotating one.

To protect the fine wire on the armature from burning, in high-voltage machines a starting-box, or rheostat, is employed. The motor begins working on a reduced current, and as it picks up speed more current is let in, and so on until the full force of the current is flowing through the motor. It is then turning fast enough to protect itself through the counter electro-motive force. This can be understood better after some practical experience has been had in the construction and running of motors. Of the various forms of motors but three will be illustrated and described; but the boy with ideas can readily design and construct other types as he comes to need them.

The Flat-bed Motor

The simplest of all motors is the flat-bed type, illustrated in Fig. 39. This is composed of a magnet on a shaft revolving before a fixed magnet attached to the upright board of the base. Where space is no object, this motor will develop considerable power from a number of dry-cells or a storage-battery. Now, in the section relating to dynamos, four different systems of wiring were shown. In motors of the direct-current type but one system will be described—that of the series-winding, illustrated in Fig. 40. The current, entering at A, passes to the brush (B), thence through the commutator (C) and the armature coils. It runs on through the brush (B B), the field-coils (F), and out at D. This is the same course the current takes in the series-wound dynamo illustrated in Fig. 14, page 241, and with such a dynamo current could be generated to run any series-wound, direct-current motor.

[259]

A FLAT-BED MOTOR AND PARTS

[260]

From hard-wood half an inch thick cut a base-piece six inches and a half long by three inches and a half wide. Arrange this base on cross-strips three-quarters of an inch wide and half an inch thick, making the union with glue and screws driven up from the underside. To one end of this base attach an upright or back two inches and three-quarters high, and allow the lower edge to extend down to the bottom of the cross-strip, as shown at the left of Fig. 39. Make this fast to the end of the base and side of the cross-strip with glue and screws; then give the wood a coat of stain and shellac to properly finish it.

Now have a blacksmith make two U pieces of soft iron for the field and armature cores, as shown in Fig. 41. These are of quarter-inch iron one inch and a half in width. They are one inch and three-quarters across and the same in length. One of them should have a half-inch hole bored in the end (at the middle), and above and below it smaller holes for round-headed screws to pass through. By means of these screws the U is held to the wooden back. The other U is to have a three-eighth-inch hole bored in it so that it will fit on the armature shaft. Wind the U irons with six layers of No. 20 cotton-insulated wire, having first covered the bare iron with several wraps of paper. Use thick shellac freely after each layer is on, so that the turns of wire will be well insulated and bound to each other. Follow the wiring diagram shown in Fig. 40 when winding these cores, and when the field is ready, make it fast to[261] the back with three-quarter-inch round-headed brass screws.

Directly in the middle of the hole through the field iron bore a quarter-inch hole for the armature shaft to pass through; then make an L piece, of brass, two inches high, three-quarters of an inch wide, and with the foot an inch long, as shown at Fig. 42. Two holes are made in the foot through which screws will pass into the base, and near the top a quarter-inch hole is to be bored, the centre of which is to line with that through the back, at the middle of the field core. The shaft is made from steel three-eighths of an inch in diameter and six inches and a half long. One inch from one end the shaft should be turned down to a quarter of an inch in diameter, and one inch and a quarter from the other end it must be reduced to a similar size. The short end mounts in the back and the long one receives the pulley, after the latter passes through the L bearing. A piece of three-eighth-inch brass tubing an inch long is slipped over the shaft two inches from the pulley end and secured with a flush set-screw. This tubing is then threaded and provided with two nuts, one at either end, so that when the armature U is slipped on the collar the nuts can be tightened and made to hold the magnet securely on the shaft. This shaft is clearly shown in the sectional drawings Fig. 43.

At the left side the shaft (S) passes into the wood back through the quarter-inch hole. At the outside a brass plate with a quarter-inch hole is screwed fast and acts as a bearing. The shaft does not touch the field-magnet (F M), because the hole is large enough for the quarter-inch shaft to clear it. A fibre washer (F W) is placed on the[262] shaft before it is slipped through the back. This prevents the shaft from playing too much, and deadens any sound of “jumping” while rotating.

At the middle the shaft (S) passes through the brass collar on which the threads are cut. A M represents the armature magnet, and W W the washers and nuts employed to bind it in place. At the right, S again represents the shaft, B the bearing, C the commutator hub, and P the pulley, while R is the small block under the hub to which the brushes and binding-posts are attached.

From the descriptions already given of dynamos, and with these figure drawings as a guide, it should be an easy matter to assemble this motor.

The ends of the field and armature magnets should be separated an eighth of an inch. The hub for the commutators is three-quarters of an inch long and three-quarters of an inch in diameter. The commutators are made as described for the uni-direction current machine, care being taken to keep the holding screws from touching the shaft. A three-quarter-inch cube of wood is mounted on the base, under the commutator hub, and to this the brushes and binding-posts are made fast, as shown in Fig. 39. Unless the armature happens to be in a certain position this motor is not self-starting, but a twist on the pulley, as the current is turned on, will give it the necessary start. Its speed will then depend on the amount of current forced through the coils.

Another Simple Motor

Another type of motor is shown in Fig. 44, where one field-winding magnetizes both the core and the lugs. The[263] frame of this motor is made up of two plates of soft iron a quarter of an inch thick, six inches long, and two inches and a half wide. Each plate is bent at one end so as to form a foot three-quarters of an inch long, and a half-inch hole is drilled one inch and a quarter up from the bottom, at the middle of each plate. Through this hole pass the machine-screws which hold the iron core in place between the side-plates. The core is made of three-quarter-inch round iron two inches and three-quarters long, and drilled and threaded at each end to receive the binding machine-screws.

Two lugs are cut from iron, and hollowed at one side so that an armature two inches in diameter will rotate within them when made fast to the side-plates. The lugs are two inches and a half long, an inch wide, and two inches and a half high.

From iron five-eighths of an inch wide and one-eighth of an inch thick make two side-strips with L ends. These are four inches long, and are provided with two holes so that the machine-screws which hold the lugs to the inside plates will also hold these strips in place, at the outside, as shown in Fig. 45. At the rear these strips extend half an inch beyond the frame. Across the back a brass strip of the same size as the iron strips is arranged. It is held at the ends by screws, or small bolts, made fast to the L ends of the side-strips. Directly in the middle of the back-strip a hole is made for the armature shaft, and beyond it the pulley is keyed or screwed fast to the shaft.

At the front a similar strip is made and attached. This latter has a small hole in the middle of it to serve as a bearing for the forward end of the shaft. Across the top of the[264] motor a brass strip or band is made fast with machine-screws; and at the angles formed by the front ends of the side-strips and the front cross-strips hard-wood blocks are attached. To these the brushes and binding-posts are made fast, so that one brush at the top of the left-hand block rests on the top of the commutator. The one at the underside of the opposite block must rest on the underside of the commutator.

Motor

The armature core is made up of laminations as described for the dynamo armatures. In a really efficient motor the armature should have eight or more channels.

The other parts of the motor may be assembled and wired as described on the preceding pages. The armature should be wound with No. 20 or 22 insulated copper wire,[265] and the field with No. 16 or 18. For high voltage, however, the armature should be wound with finer wire and a rheostat used to start it.

A Third Type of Motor

The third type is but a duplicate of the series-wound dynamo, the general plan of which is shown in Fig. 40.

This motor can be made any size, but as its dimensions are increased the weight of the field-magnets and armature must be proportionately enlarged. For an efficient and powerful motor, the field should stand ten inches high and six inches broad. The iron cores are five inches long and one inch and a half in diameter. These should be made by a blacksmith and bolted together. The armature is three inches in diameter and four inches long, and should develop two-thirds of a horse-power when sufficient current is running through the coils to drive it at sixteen hundred revolutions.

The wiring is carried out as shown in Fig. 40, and the armature hung and wound as suggested for the dynamo shown in Fig. 28, page 246.


[266]

Chapter XI
GALVANISM AND ELECTRO-PLATING

Simple Electro-plating

To the average boy experimenter, electro-plating is one of the most fascinating of the uses to which electricity may be put. In scientific language the process is known as electrolysis, and involves the separation of a chemical compound into its constituent parts or elements by the action of an electric current and the proper apparatus. Electrolysis cannot take place, however, unless the liquid in the tank, commonly called the electrolyte (no relation to electric light), is a conductor.

Water, or water with mixtures of chemicals, such as sulphate of copper, sulphate of zinc, chloride of nickel, cyanide and nitrate of silver, or uranium and other metallic salts, are good conductors. Oil is a non-conductor, and a current will not pass through it, no matter what the pressure may be. The simplest electro-plating outfit, and the one that a boy should start with, is the sulphate of copper bath, such as is commonly employed by makers of electrotypes, and which is in extensive use by refiners of copper for high-grade electrical use.

More than half of the total output of copper in the world[267] is used for electrical work—conductors, switches, and all sorts of parts—and since any impurity in the copper interferes with its conducting powers, it is most important that it should be free from any traces of carbon or arsenic. The electrolytic refining of copper is now a very important process in connection with electric work, and about half a million tons of copper are treated annually to free it from all impurities. Moreover, the gold, silver, and other valuable metals which may be found in copper-ore are thus recovered.

The electro-plating, electrotyping, and refining operations are one and the same thing; but in the first instance the object to be plated is left in the solution only a short time or until a blush of copper has been applied. In the second process the wax mold is left in long enough for a thin shell of copper to be deposited; and in the third, the kathodes are immersed until they are heavily coated with copper. To carry on any of these operations it will be necessary to have a small tank or glass jar to hold the plating-bath or electrolyte. Preferably it should be of a square or oblong shape. But a serviceable tank may be constructed from white-wood, pine, or cypress, if proper care is taken in making and water-proofing (Fig. 1). For experimental purposes a tank eighteen inches long, ten inches wide, and twelve inches deep will be quite large enough to use as a copper bath. For silver, nickel, or gold, smaller tanks should be employed, as they contain less liquid, or electrolyte, which in the more valuable metals is expensive.

Obtain a clear plank twelve inches wide, well seasoned, and free from knots or sappy places. Cut two sides twenty[268] inches long and two ends eight inches long. With chisel, saw, and plane shape the ends of the side planks as shown at Fig. 2; or if there is a mill at hand it would be well to have the ends cut with a buzz-saw, thus insuring that they will be accurate and fit snugly. Screw-holes are bored with a gimlet-bit, and countersunk, so that screws will pass freely through them and take hold in the edges of the boards. Screws and plenty of white-lead, or asphaltum varnish, should be used on these points to make them water-tight; then the lower edge of the frame is prepared for the bottom board. Turn the tank bottom up, and, with a fat steel-wire nail and a hammer, dent a groove at the middle of the edge of the planks all around, as shown in Fig. 3. It will not do to cut this out with a gouge-chisel, because it is intended that the wood should swell out again if necessary. The object of driving the wood down is to form a valley into which a line of cotton string-wicking, soaked in asphaltum varnish or imbedded in white-lead, may be laid. This should be done (as shown in Fig. 4) before the bottom is screwed on, so that afterwards (in the event of the joint leaking) the wood will swell and force the wicking out, and thus properly close the fissure.

The bottom board should be provided with holes all around the edge, not more than two inches apart, through which screws can be driven into the lower edge of the tank. Treat the wood, both in and outside, to several successive coats of asphaltum varnish, and as a result you will have a tank resembling Fig. 1.

Two shallow grooves are to be cut in the top of each[269] end board of the tank, for the cross-bars to fit in immovably. These bars should be about three inches apart; and the ones holding the anodes, or flat copper plates, should be close to one side, leaving plenty of room for objects of various sizes to be properly immersed.

Another manner in which the bottom of the tank can be attached is shown in Fig. 5, which is a view of the tank sides turned bottom up. A rabbet is cut from the lower edges of the sides and ends, before they are screwed together, and a bottom is fashioned of such shape as to accurately fit in the lap formed by the rabbet. This rabbet and the outer edge of the bottom plank should be well smeared with white-lead, and all put together at the same time, driving the screws into the edge of the bottom plank, through the lower edges of the sides and bottom, and also through the bottom board into the lower edges of the sides and ends (Fig. 6).

Still another and stronger way in which to make a tank for a large bath is to cut the planks as shown at Fig. 7. The sides are then bolted together, locking the ends and bottom, so that they cannot warp or get away. The bolts are of three-eighth-inch round iron-rod, threaded at both ends and provided with nuts. Large washers are placed against the wood and under the nuts, so that when the nuts are screwed on tightly they will not tear the wood, but will bear on the washers. The points are all to be well smeared with white-lead or acid-proof cement (see Formulæ) before the parts are put together and bolted, so as to avoid any possibility of leakage. (Fig. 8 shows the completed tank.)

[270]

TANK FOR ELECTRO-PLATING

[271]

Now obtain two copper rods long enough to span the tank, with an inch or two projecting beyond the tank at either side. At one end of these attach binding-posts, to which the wires from a battery can be connected, leaving the opposite ends free, as shown at Fig. 9 (see page 275). Anodes, or pure soft copper plates, are hung on the positive rod, while on the negative one the objects to be plated, or kathodes, are suspended on fine copper wires just heavy enough to properly conduct the current. The positive wire leads from the carbon, or copper pole, of the battery, while the negative one is connected with the zinc. The anodes are plates of soft sheet or cast copper, and should be as nearly pure as possible for electrolytic work; but if they are to be re-deposited, to free them from impurities, they may be in thin ingot form, just as the copper comes from the mines.

The general principle of electro-refining of copper is very simple. A cast plate of the crude copper is hung from the positive pole in a bath of sulphate of copper, made by dissolving all the sulphate of copper, or bluestone, that the water will take up. Drop a few lumps on the bottom of the tank to supply any deficiency, then add an ounce of sulphuric acid to each gallon of liquid, to make it more active and a better conductor.

The crude copper plate is to be the leading-in pole for the current, while a thin sheet of pure copper, no thicker than tissue-paper, is suspended from the opposite rod for the leading-out pole; or in place of the thin sheet, some copper wires may be suspended from the rod. The electrodes—that is, the copper plate and the thin sheet or wires—are placed close together, so that the current may[272] pass freely and not cause internal resistance in the battery. The electric current, in its passage from the crude copper plate to the pure copper sheet or wires, decomposes the sulphate of copper solution and causes it to deposit its metallic copper on the sheet or wires; and at the same time it takes from the crude copper a like portion of metallic copper and converts it into chemical copper. The electric current really takes the copper from the solution and adds it to the pure copper sheet, while the remaining constituents of the decomposed solution help themselves to some copper from the crude plate. In this way the crude copper diminishes and the pure copper sheet increases in size, the impurities as well as the salts of other metals being precipitated to the bottom of the tank, or mingled with the solution, which must be purified or replaced from time to time by fresh solution. This is the process of copper-plating, and any metal object may be properly cleansed and coated with copper by suspending it in the bath and running the current through it.

When the refining process is employed, any metal will answer as a depository for the copper, but as the intention is to produce a pure copper plate which can be melted and cast into ingots, it is of course necessary to have the original kathode of the same metal; otherwise an impure mixture will be the result. If, for example, a piece of cast-iron be used upon which to deposit the copper, then the iron will be enclosed in a deposit of pure copper; in other words, the result will be a heavily copper-plated piece of iron, and the smelting process will bring about a fusion of the two metals. It is not necessary to have absolutely pure copper for the[273] anodes when copper-plating or electrotyping; but the purer the copper the less the solution is fouled, and it will not require replenishing so often.

An object intended to receive a plating of copper need not be of metal at all; it may be of any material, so long as it possesses a conducting surface. A mold or a cast made of any plastic material, such as wax or cement, may have its surface made conductive by the application of graphite, finely pulverized carbon, or metal dusts held on by some medium not soluble in water. The wax molds, or impressions of type and cuts, are dusted with plumbago, and then suspended in the copper solution. A wire from the negative pole is connected so as to come in contact with the plumbago, and the copper deposit immediately begins to form on the face of the wax. When the film of copper has become heavy enough, the mold is drawn out of the solution, and the thin shell of metal removed from the wax and cut apart, so that each shell is separated from its neighbor and freed from marginal scraps. Flowers, leaves, laces, and various other objects can be given a coat of copper by thus preparing their surfaces, and some most beautiful effects may be secured by copper-coating roses; then placing them for a short time in a gold bath, and afterwards chemically treating the surface plating so as to imitate Roman, Tuscan, or ormolu gold, in bright or antique finish. Coins, medallions, bas-reliefs, medals, and various other things are reproduced by the electro-plating process, and their surfaces finished in gold, silver, bronze, or other effects. Years ago this was not possible, because the old method was to make a fac-simile cast in metal of[274] the object desired, and then chase or refinish the surface. This was a costly and tedious task. When Brugnalelli, an Italian electrician, electro-gilded two silver coins in 1805, he laid the foundation for the modern process, but it did not come into general use until about 1839, when electro-plating and the electro-depositing of metals was begun on a practical scale. Before the invention of the dynamos for generating current, batteries had to be employed, and this made the process somewhat more expensive than the present method. Our boy amateurs, however, will have to be content with the battery system, since they are not supposed to have access to direct-current power, such as is used for arc or street lighting.

Various forms of batteries may be used for this work, and they will be described in detail. For the copper-plating bath it will be necessary to have the anodes of soft, cast, or sheet, copper sufficiently heavy so as not to waste away too quickly. These should be of the proper size to fit within the bath, and either one large one or several small ones may be employed. Stout copper bands should be riveted to the top of the plates, by means of which they may be hung on the bar and so suspended in the solution (Fig. 10). The contact-points should be kept clean and bright, so that the current will not meet with any resistance in passing from the rod to the plates.

In Fig. 9 a complete outfit is shown for any plating process, the difference being only in the solution and anodes. For silver-plating a silver solution and silver anodes are required, while for gold the gold solution and gold anodes will be necessary. In this illustration, A represents the[275] tank, B the battery, C C the anodes, D D D the kathodes, or articles to be plated, E the positive rod, F the negative, and G, H the leading-in and leading-out wires.

There is often a doubt in a boy’s mind as to how the battery is to be connected up to the bath and the articles suspended in it. But there will be no difficulty about it once that the principle of the process is thoroughly understood.

Electro-plating

It is well to remember that the electro-plating bath is just the reverse of a battery in its action. The process carried on in a battery is the generation of electricity by the action of the acid on the positive metal, accompanied by the formation of a salt on one of the elements; while in the plating-bath the current from an external source (the battery or dynamo) breaks up the salts in solution and deposits the metal on one of the elements (the kathode).

The remaining element in the solution attacks the salts, in chemical lumps or granular form, and dissolves them to take the place of the exhausted salts; or it attacks the[276] metal anode from which these salts were originally made, and eats off the portion necessary to replace the loss caused by the action of the current in depositing the fruits of this robbery in metallic form upon the article to be plated (the kathode). There should be no confusion in the matter of properly connecting the poles if one remembers that the current is flowing through the battery as well as through the wires and the solution in the tank.

Get clearly in your mind that the current originates in the battery of zinc and carbon or zinc and copper. The zinc is electro-positive to carbon or copper, and at a higher electric level the current flows from the zinc plate inside the cell to the carbon or copper; therefore, the zinc is the positive pole. Now the current, having flowed through the battery from zinc to carbon, or the negative plate, is bound to flow out of the battery from the carbon through the apparatus and back again to the zinc in the battery. Therefore, the wire (G) attached to the carbon of the battery leads a positive or + current, although the carbon is negative; in the battery, and the wire (H) leading out is negative, or -, although it returns the current to the positive pole of the battery.

This is the simple explanation of the circulation of current; but to cut it down still more, always remember to attach the wire from the anode rod to the carbon, or copper, of the battery, and the kathode rod to the zinc of the battery.

In copper-plating this is easy to determine without any regard to wires, because if the wires are misconnected there will be no deposit, and the kathode will turn a dark color.[277] If everything is all right a slight rose-colored blush of copper will appear at once on the kathode. Too little current will make the process a long and tedious one, while too much current will deposit a brown mud on the kathode, which will have to be washed off or removed and the article thoroughly cleansed before a new action is allowed to take place.

With a series of cells it is an easy matter to properly govern the current by cutting out some of the cells or by using resistance-coils (see chapter vii. on Electrical Resistance).

Cells and batteries for electro-plating may be made or purchased, and primary batteries should be used. The use of the secondary or storage-battery is not necessary for plating purposes, since no great volume of current is needed, and it can be generated in a battery of cells while the work is going on.

One of the best primary batteries is the Benson cell, shown in connection with the plating-bath, and also in Fig. 11. It consists of an outer glass jar (G J), which contains a cylinder of amalgamated zinc (Z +, or positive) covered with diluted sulphuric acid—one part acid to three parts water. An inner porous cup (P C) contains concentrated nitric acid, into which the carbon (C -, or negative) is plunged. The liquid in the inner cup and glass cell should be at the same level.

[278]

THE BENSON CELL PRIMARY BATTERY

[279]

There is no polarizing in this cell, for the hydrogen liberated at the zinc plate, in passing through the nitric acid on its way to the carbon-pole, decomposes the nitric acid and is itself oxidized. A cell with a glass jar six inches in diameter and eight inches high will develop about two volts of electro-motive force; and as its internal resistance is very low it will furnish a steady current for several hours. Any number of these cells may be made and connected in series; but when not in use it would be well to remove and wash the zincs. Any bichromate battery will answer very well for plating, the Grenet being an especially good one. A well-amalgamated zinc plate forms one pole, and a pair of carbon plates, one on each side of the zinc and joined at the top, make up the other pole. When not in use the entire plunge part should be removed from the bichromate solution, rinsed off in water, and laid across the top of the jar, ready for its next employment. The zinc and carbons must be joined together so that they are well insulated, and with no chance of the zinc coming into contact with the carbons. This may be done with four pieces of hard-wood soaked in hot paraffine and then locked together with stove-bolts and nuts, as shown at Fig. 12. Holes must be made in the top corners of the carbons and zinc, and with small bolts and nuts the connecting wires can be made fast.

To charge this battery, add five fluid ounces of sulphuric acid to three pints of cold water, pouring the acid slowly into the water and stirring it at the same time with a glass or carbon rod. When this becomes cold, after standing a few hours, add six ounces of finely pulverized bichromate of potash. Mix this thoroughly, and pour some of the solution into the glass cell until it is three-fourths full; then it will be ready to receive the carbons and zinc. When arranging the wood-clamps on the carbon and zinc plates it would be well to make two of the clamps longer than the[280] others so that they will extend out far enough to rest on the top edge of the jar. To keep them in position at the middle of the jar, notches should be cut at the underside of these clamps, so that they will fit down over the edge of the jar. Any number of these cells may be connected together to obtain the desired amount of current, or electro-motive force.

Other batteries suitable for electro-plating are the Edison primary, Taylor, Fuller, Daniell, gravity, Groves, and Merdingers. All of these may be purchased at large electrical equipment or supply houses.

The Cleansing Process

One of the most important operations of the plating process is to properly cleanse the articles to be plated before they are placed in the bath. When once cleaned the surfaces of these objects must not be touched with the fingers, or any dusty or greasy object; otherwise the electro-deposited metal will not hold on the surface, but will peel off, in time, or blister. A very small trace of foreign matter is sufficient to prevent the deposit from adhering to the surface to be plated; therefore, great care must be taken to eliminate all trace of anything that would interfere with the perfect transmission of metallic molecules to the prepared surfaces. Acids are chiefly employed to remove foreign matter from new metallic surfaces; and for copper, brass, iron, zinc, gold, and silver a table is given on page 281 which will show the right proportion of acids to water in order to cleanse the various metals. In the following[281] scale the numerals stand for parts. For example: the first one means 100 parts water, 50 parts nitric acid, 100 parts sulphuric acid, and 2 parts hydrochloric acid—making in all 252 parts. These can be measured in a glass graduate.

  Water Nitric
Acid
Sulphuric
Acid
Hydrochloric
Acid
Copper and brass 100  50 100   2
Gold 100 ... ...  15
Silver 100  10 ... ...
Wrought-iron 100   2   8   2
Cast-iron 100   3  12   3
Zinc 100 ...  10 ...

Twist a piece of fine copper wire about part of the object to be cleaned and plated; then dip it in the acid and rinse off in clean warm or hot water, and rub the surface briskly with a brush dipped in the liquid. Dip it again several times, and rinse in the same manner; then, when it is bright and clean, place it in the bath, twist the loose end of the wire around the negative rod, and start the current flowing, taking care that the object is thoroughly immersed.

Tarnished gold or silver articles may be cleaned by immersing them in a hot solution of cyanide of potassium; or a strong warm solution of carbonate of ammonia will loosen the tarnish on silver, so that it can be brushed off. Corroded brass, copper, German-silver, and bronze should be cleansed in a solution composed of sulphuric acid, three ounces; nitric acid, one and three-quarters ounces; and water, four ounces. This soon loosens and dissolves the corrosion; then the article should be brushed off, dipped in hot water, and rinsed. Then replace it in the solution for[282] a minute or two and rinse again, when it will be ready for the plating-bath.

Corroded zinc should be immersed in a solution of sulphuric acid, one ounce; hydrochloric acid, two ounces; and distilled or rain water, one gallon. It should be well brushed after the acid has bitten off the corrosion.

Rusty iron or steel should be pickled in a solution of sulphuric acid, six ounces, hydrochloric acid, one ounce, and water, one gallon. When the rust has been removed, immerse the object in a solution composed of sulphuric acid, one pint, and distilled water, one gallon. Before the acid is added to the water dissolve one-quarter-pound of sulphate of zinc in the water; then add the acid, pouring it slowly and stirring the water.

Lead, tin, pewter, and their compounds may be cleansed by immersing them in a hot solution of caustic soda or potash, then rinsing in hot water. Take great care if caustic is used, as it will burn the skin and tissues of the body. Do not let the fingers come into contact with any cleansed article, because the oily secretions of the body will stick to the metal and cause the coat of deposited metal to strip off or present a spotted appearance.

The Plating-bath

The object to be plated should not touch the bottom or sides of the plating-vat, and it should be far enough away from the anodes to avoid any possibility of coming into contact with them. It will not do to place the anode and kathode too close together, as the plate will be deposited[283] unevenly; the thicker coating will appear on the parts closest to the anode. Neither should they be separated too far, as the resistance of the cell is thereby increased, and of course this means a waste of energy. The knowledge of how to arrange the anode and kathode is a matter to be learned by experience, but by carefully watching the deposit it will not be a difficult matter to determine the proper positions.

For many reasons the glass tank is preferable for amateur electro-plating work, since the objects may be watched without disturbing their electric connections and without removing them from the liquid. A very good plan for the copper bath, when spherical, cylindrical, or hollow objects are to be plated, is to line the inside of the tank with strips or a sheet of copper, hung on hooks that will catch on the sides; then connect the positive wire directly to these strips. With this arrangement but one rod, the negative, is in use, and the objects to be plated are suspended from it. It follows that the objects will take up the copper deposit from all sides, and a more evenly distributed coating will be the result.

It is better to start up the current gradually, rather than to put on at the beginning a large amount of electro-motive force. By watching the character of the deposit you can soon tell if you have the proper strength of current. If everything is working properly the copper deposit will have a beautiful flesh tint; but if the current is too strong it takes on a dark-red tone and resembles the surface of a brick. This is not right, and the object must be removed and washed off, the current reduced, and the object replaced in the bath.

[284]

When a sufficiently heavy coating of the copper has been applied, remove the object and wash thoroughly in running or warm water to free it from any remaining copper fluid. If this is not done the surface, in drying, will turn a dull brown, and will have to be bitten off with the acid solution for cleansing copper.

The finer the copper deposit the better and smoother it will be; the grain will be smaller, and it will not present a rough surface, which is always difficult to plate over with silver or gold, unless a frosted effect is desired. Non-conducting objects are usually plated with copper first, and then replated with the metal desired for the final finish.

To make the surface conductive, finely powdered black-lead, or plumbago of the best kind, or finely pulverized gas-carbon is brushed over the surface. This must be thoroughly done; and if the deposit is slow about appearing at any spot it may be hastened by touching it with the end of an insulated wire attached to the main conductor. This, of course, will only answer for objects strong enough to stand the brushing treatment; it will not do for flowers, insects, and other delicate things, that are to be silver or gold plated. These should be given a film of silver by soaking in a solution of alcohol and nitrate of silver, made by shaking two parts of the chemical into one hundred parts of grain-alcohol, with the aid of heat and in a well-corked bottle. When dry, the object should be subjected to a bath of sulphuretted hydrogen gas under a hood. The sulphuretted hydrogen is made by bringing a bar of wrought-iron to a white-heat in the kitchen range or furnace fire, and touching it with a stick of sulphur. The iron will melt and[285] drop like wax. These drops should be collected in a bottle. Now pour over them diluted sulphuric acid, one part acid to three parts water, and the gas will at once rise. It will be quickly recognized by its odor, which is similar to that of over-ripe eggs. It can be led off through a tube to the place where you wish to use it, and when through, the operation of gas-generation may be stopped by pouring off the liquid.

All objects prepared in this way should be given a preliminary coating of thin copper before they are plated with any other metal.

Silver-plating

Plating in silver is done in practically the same way as described for the coppering process. Thin strips or sheets of pure silver are used for the anodes, and the electrolyte is composed of nitrate of silver, cyanide of potassium, and water.

Dissolve three and one-half ounces of nitrate of silver in one gallon of water; or if more water is needed to fill the tank, add it in the proportion of three and one-half ounces of the nitrate to each gallon of water. Dissolve two ounces of cyanide of potassium in a quart of water, and slowly add this to the nitrate solution. A precipitate of cyanide of silver will be formed. Keep adding and stirring until no more precipitate is formed, but be careful not to get an excess of the cyanide in the solution.

Gather this precipitate, and wash it on filtering-paper by pouring water over it. The filter-paper should be rolled in a funnel shape thus permitting the water to run away[286] and leaving the precipitate in the paper. This precipitate is to be dissolved in more cyanide solution, and added to the quantity in the tank. There should be about two ounces of the potassium cyanide per gallon over and above what was originally put in.

The silver anodes show the condition of the fluid. If the solution is in good order they will have a clear, creamy appearance, but will tarnish or turn pink if there is not sufficient free cyanide in the solution.

The proper strength of current is indicated by the appearance of the plated objects. A clear white surface shows that everything is all right, the solution in proper working order, and the proper current to do the work. Too much current will make the color of the kathodes yellow or gray, while too little current will act slowly and require a long time to deposit the silver.

The adhesion of silver-plate is rendered more perfect by amalgamating the objects in a solution of nitrate of mercury, one ounce to one gallon of water. After the objects have been properly cleansed they are immersed in this solution for a minute, then placed in the silver-bath and connected with the negative-rod, so that the electro-depositing action begins at once.

Gold-plating

The gold-bath is made in the same manner as the silver one just described, with the exception that chloride of gold is used in place of the nitrate of silver in the first solution. This solution must be heated to 150° Fahrenheit when the process is going on; or a cold bath may be made of water,[287] 5000 parts; potassium cyanide, one hundred parts; and pure gold, fifty parts. The gold must be dissolved in hydrochloric acid, and added to the water and potassium.

Very pretty effects may be obtained in gold-plating by changing the tones from yellow to a greenish hue by the addition of a little cyanide of silver to the solution, or by the use of a silver anode. A reddish tinge may be had by adding a small portion of sulphate of copper to the solution, or hanging a small copper anode beside the gold one. In the hot gold-bath the articles should be kept in motion, or the solution stirred about them with a glass rod.

When the solution is perfectly balanced and working right the anodes should be a clear dead yellow, and the articles in process of plating should be of the same hue.

A gold-plating outfit is shown in Fig. 13, and consists of the tank and bath, a cell, and a resistance-coil (R), through which the strength of the current is regulated.

The current, passing out of the cell from the carbon (C), is regulated through the resistance-coils (R) by the switch (S). From thence it passes to the rod from which the anode (A) is suspended, across the electrolyte (E) to the kathode (K), on which the metal is deposited, and then returns through the negative wire to the zinc (Z) in the cell. If the hot bath is used the gold solution may be contained in a glazed earthen jar or a porcelain-lined metal jar or kettle. But if the latter is used care must be taken to see that none of the enamel is chipped, or a short-circuit will be established between the rods. This jar or kettle may then be placed on a gas-stove, and a thermometer[288] should be suspended so that the mercury bulb is half an inch below the surface of the liquid, as shown at T in Fig. 13. As the liquid simmers or evaporates away a little water should be added from time to time to keep the bulk of the liquid up to its normal or original quantity.

Gold plating

Nickel-plating

The nickel-plating process is similar, in a general way, to the others; it is carried on in a cold bath—that is, at the normal temperature, without being heated or chilled artificially.

[289]

There are a great many formulæ for the nickel as well as for the other baths, but the generally accepted one is composed of double nickel ammonium-sulphate, three parts; ammonium carbonate, three parts; and water, one hundred parts. Another good one is composed of nickel sulphate, nitrate, or chloride, one part; sodium bisulphate, one part; and water, twenty parts.

Nickel anodes are used in bath to maintain the strength, and great care must be taken to have the bath perfectly balanced—that is, not too acid nor too alkaline.

To test this, have some blue-and-red litmus paper. If the blue paper is dipped in an acid solution, it will turn red; and back to blue again if placed in an alkaline solution. If the nickel solution is too strong with alkali, a trifle more of the nickel salts must be added, so that both the red-and-blue litmus paper, when dipped in the liquid, will not change color. If the bath is too alkaline, it will give a disagreeable yellowish color to the deposit of metal on the kathode; and if too acid, the metal will not adhere properly to the kathode, and will strip, peel, or blister off.

Finishing

When the articles have been plated they will have a somewhat different appearance to what may have been expected. For instance, copper-plated articles will have a bright fleshy-pink hue; silver, an opaque creamy-white; gold, a dead lemon-yellow color, and nickel much the appearance of the silver, but slightly bluer in its tone. Articles removed from the bath should be shaken over the bath so[290] as to remove the solution; then they should be immediately plunged into hot water, rinsed thoroughly, and allowed to dry slowly.

When a silvered or gilded object is perfectly dry it should be rubbed rapidly with a brush and some fine silver-polishing powder until the opaque white or yellow gives place to a silver or gold lustre. It will then be ready for burnishing with a steel burnisher, or the article may be left with a frosted silver or gold surface. Steel burnishers can be had at any tool-supply house, and when used they should be frequently dipped in castile soapy water to lubricate them. They will then glide smoothly over the surface of the deposited metal, driving the grain down and making it bright at the same time. If the soapy water were not used the action of the hard burnisher over the plate would have a tendency to tear away the film of deposited metal. The burnisher must always be clean and bright, otherwise it would scratch the plated articles; and, when not in use, keep the bright polishing surfaces wrapped in a piece of oiled flannel.

Small articles, such as sleeve-buttons, rings, studs, and other things not larger than a twenty-five-cent piece, may be polished by being tumbled in a sawdust bag. A cotton bag is made, three feet long and six inches in diameter, closed at one end and half-filled with fine sawdust. The articles are then put in the bag and the end closed. Grasp the ends of the bag with both hands, as if to jump rope with it; then swing it to and fro, until the articles have had a good tumbling. Look at them to see if they are bright enough; if not, keep up the tumbling.

When old work is to be re-plated, or gone over, it will be[291] necessary to remove all of the old plate before a really good job can be done. In some cases it may be removed with a scratch-brush or pumice-stone; but, as a rule, it can be removed much quicker and more satisfactorily with acids.

Silver may be removed from copper, brass, or German-silver with a solution of sulphuric acid, with one ounce of nitrate of potash to each two quarts of acid. Stir the potash into the acid, then immerse the article. If the action becomes weak before the silver is all off, then heat the solution and add more of the potash (saltpetre). Gold may be removed from silver by heating the article to a cherry-red, and dropping it into diluted sulphuric acid—one part acid to two parts water. This will cause the gold to peel and fall off easily.

Electrotyping

The term electrotyping is interpreted in several ways, but, in general, it means the process of electro-plating an article, or mold, with a metal coating, generally copper, of sufficient thickness, so that when it is removed, or separated from its original, it forms an independent object which, to all appearances, will be a fac-simile of the original.

To obtain a positive copy a cast has to be taken from a negative or reverse. This negative is called the mold or matrix, and can be of plaster, glue, wax, or other compositions. There are a number of processes in use, but the Adams process (no relation to the author) will give a boy a clear idea of this electro-chemical and mechanical art. This process was patented in 1870, and is said to give a[292] perfect conduction to wax and other molds, with greater certainty and rapidity than any other, and will accomplish in a few minutes that which plumbago (black-lead) alone would require from two to four hours to effect.

As applied to the electrotyping of type, and cuts for illustration, the warm wax impression is taken by pressing the chase or form of type into a bed of wax by power or hydraulic pressure. Then remove it, and while the wax is still warm, powdered tin, bronze, or white bronze powder is freely dusted all over it with a soft hair-brush, until the surface presents a bright, metallic appearance. The superfluous powder is then dusted off, and the mold is immersed in alcohol, and afterwards washed in water to remove the air from the surface. It is then placed in the copper bath and the connection made from the negative pole to the face of the mold, so that the current will flow over its entire surface. A deposit of copper will quickly appear, and become heavier as the mold is left in longer.

When a mold has received the required deposit it should be taken from the bath and the copper film removed from it. This is done by placing the mold in an inclined position and passing a stream of hot water over the back of the copper film. This softens the wax and enables one to strip the film off, taking care at the same time not to crack or bend the thin copper positive.

The thin coating of wax, which adheres to the face of the copper, can be removed by placing it, face up, on a wire rack and pouring a solution of caustic potash over it, which, in draining through, will fall into a vessel or tank beneath the rack.

[293]

The potash dissolves the wax in a short time, and the electro-deposited shell may then be rinsed in several changes of cold water, or held under the faucet until thoroughly freed from the caustic.

As many, if not all, of the chemicals used in the various plating processes, and also the cleaning fluids, are highly poisonous, great care should be taken when handling them. Do not let the fingers or hands come in contact with caustic solutions or cyanide baths.

Never use any of these solutions if you have recently cut your fingers or hands, and do not allow the cyanides or caustics to get under the finger-nails. Never add any acid to liquids containing cyanide or ferro-cyanide while in a closed room. This should always be done in the open air, where the fumes can pass away, for the gases which rise from these admixtures are poisonous when inhaled.


[294]

Chapter XII
MISCELLANEOUS APPARATUS

The field of applied electricity is such a wide one as to preclude any exhaustive handling of the subject in a book of this size. The aim has been to acquaint the young student with the basic principles of the science, and it is his part to develop these principles along the lines indicated in the preceding pages. But there are some practical applications that may be properly grouped under the heading of this chapter. They may serve as a stimulus to the inventive faculties of the youthful experimenter, and since the pieces of apparatus now to be described are useful in themselves, the time spent in their construction will not be wasted.

A Rotary Glass-cutter

When making a circle of glass it is generally best to let a glazier cut the disk, otherwise many panes are likely to get broken before the young workman succeeds in getting out a perfect one. But with a rotary glass-cutter the task is a comparatively simple one, and the tool is really an indispensable piece of apparatus in every electrician’s kit. (See Figs. 1 and 2.)

[295]

The wooden form is turned from pine or white-wood, and is three inches in diameter at the large end, or bottom, one inch in diameter at the top, and two inches high. It is covered with felt held on with glue. Directly in the middle of the top a small hole is bored one-eighth of an inch in diameter, and in this aperture an awl or marker is placed, handle up, as shown in Fig. 2. Notice that the awl is not made fast to the form, but is removable at pleasure. A hard brass strip twelve inches long, five-eighths of an inch wide, and one-eighth of an inch thick is cut at the end to receive a steel-wheel glass-cutter, as shown at the foot of Fig. 1.

A number of one-eighth-inch holes are bored along the strip, and half an inch apart, measuring from centre to centre. To cut a disk of glass the form is placed at the centre of the pane, the latter being imposed on a smooth table-top over a piece of cloth. The strip, or arm, is laid on the form, and over a small washer, so that one of the holes lines with that in the form. The awl is passed down through the strip and into the block, and the cutter is arranged in the slot at the end of the arm. Press down lightly on the handle of the awl, to keep the form from slipping; then the cutter is drawn around the glass, describing the circle, and cutting the surface of the glass, as shown by the solid line in Fig. 4. The disk must not be removed from the pane until the margin is broken away. With a straight-edge and a cutter score the glass across the corners, as indicated by the dotted lines in Fig. 4; then tap the glass at the underside along the line and break off the corners. After the corners have been removed tap the glass again, following the line of the circle; then break away the remaining fragments and smooth the edge.

[296]

GLASS-CUTTING APPLIANCES

[297]

To Smooth Glass Edges

To smooth the rough edge of glass there are several methods. The simplest way is to hold the disk or straight-edge against a fine grindstone and use plenty of water. The glass must be held edgewise, as shown in Fig. 5, and not flatwise, as shown in Fig. 6. To properly grind a disk two workmen are necessary, one to turn the stone, and the other to hold the disk by spreading the hands and grasping it at the middle on both sides (see Fig. 5). In this manner the glass may be held securely, and slowly turned, so that an even surface will be ground. When the flat edge is smoothed, tilt the glass first to one side and then the other, and grind off the sharp edges.

Another method is to lay the glass on a table, upon a piece of felt or cloth, and allow the edge to project over the table for two or three inches. Hold the glass down with one hand to prevent its slipping; then, with a piece of corundum, or a rough whetstone and glycerine, work down the edge until it is smooth, turning the glass continually so that the edge you are working on hangs over the table. This process of grinding is somewhat tedious, but perseverance and patience will win out.

To Cut Holes in Glass

Holes may be cut in glass in several ways by an expert, but the boy who is a novice in this line should stick to[298] slow and sure methods and take no chances. Fortunately, glass is little used in voltaic electricity, but it is indispensable in the construction of the frictional machines, Leyden-jars, and condensers, where glass is used as the dielectric, also for the covering-plates to instruments.

The simplest method is that of rotating a copper tube forward and backward over the glass, using fine emery dust for the cutting medium and oil of turpentine as a lubricant. The copper tube must be held in a rack, so that its location will not shift during the rotating or cutting motion. The rack in which the tube is held may be of any size, but to take a disk or square of glass, twenty inches across, the frame should be twenty-two inches long, ten inches wide, and twelve inches high, as shown in Fig. 3.

The side-plates are eleven inches high and ten inches wide, the top is twenty-two inches long and ten inches wide, while the under ledge is twenty and a quarter inches long by ten inches wide. This frame is put together with glue and screws. Across the back, from the corners down to the middle of the under ledge, battens or braces are made fast to prevent the frame from racking. A hole is made through the middle of the top and under ledge for the copper tube to pass through. If different-sized tubes are to be used, blocks to fit the top and under board are to be cut and bored, so that they may be held in place with screws when in use. To cut a hole in glass, place the disk or pane on a felt or cloth-covered table, and over it arrange the frame, so that the tube will rest on the spot to be drilled. Drop the copper tube down through the hole, having first spread the bottom of the tube slightly, so that[299] it will not split the glass. Now put some emery inside the tube so that it will fall on the glass; then place a wooden plug in the top of the tube and arrange an awl, or hand-plate, so that the tube may be pressed down. Take one turn about the tube with a linen line, or gut-thong, and make the ends fast to a bow, so that it will draw the string taut but not too tight. Lubricate the foot of the tube with oil of turpentine, and draw the bow back and forth. At first the motion will cause the copper to scratch the glass, and then cut it, until finally a perfectly drilled hole is formed. During the operation both glass and frame must be held securely, and the bow drawn evenly and without any jerking motion. Holes of different sizes may be cut with tubes of various diameters. Small holes may be cut with a highly tempered steel-drill and glycerine, the drill being held in a hand-drilling tool or in a brace.

Anti-hum Device for Metallic Lines

In overhead wires, where galvanized or hard copper wire is used, the hum due to the tension of the wires, and the wind blowing through them, causes a musical vibration which becomes most annoying at times. This can be overcome by a simple device known as an “anti-hum.” It consists of a knob made of wood or rubber, through which a hole is bored, and around which a groove is cut. One end of the wire is passed through the hole and a loop formed, the loose end being wrapped about the incoming wire. The other end of the line is passed around the knob in the groove, and the end twisted about the line-wire. The knob[300] is then an insulator and a sound-deadener at the same time. To complete the metallic circuit a loop of wire is passed under the knob, the ends of which are made fast to the line-wires, as shown at Fig. 7.

Anti-hum

A Reel-car for Wire

It is not always convenient nor possible to carry about a heavy roll of wire when hanging a line, especially if it is No. 12 galvanized wire, of which there are from fifty to a hundred pounds in one roll. Wire should be unwound as it is paid out, and not slipped off from the coil, since it is liable to kink; therefore, some portable means of transporting it should be provided. Line-wires over long distances are paid out from a reel-truck drawn by horses. For the[301] use of the amateur electrician the reel-car shown in Fig. 8 should meet all requirements.

The reel is made from two six-inch boards, a barrel-head or a round platform of boards, four trunk-rollers, and a bolt. From a six-inch board cut two pieces five feet long. Eighteen inches from either end cut one edge away so as to form handles, as shown at C C C C in Fig. 8, rounding the upper and under edges to take off the sharp corners. Cut four cross-pieces sixteen inches long; and from two-by-four-inch spruce joist cut four legs twelve inches long, and plane the four sides.

Nail two of the cross-pieces to the legs; then nail on the side-boards and so form the frame of the reel. Bore a half-inch hole through a piece of joist; then nail it between the remaining two cross-boards, taking care to get it in the centre, as shown at A. Arrange these pieces at the middle of the frame, making them fast with nails driven through the side-boards and into the ends of these cross-pieces. Drive some pieces of matched boards together, and with a string, a nail, and a pencil describe a circle twenty inches in diameter. With a compass-saw cut the boards on the line, and join them with four battens made fast at the underside with nails. Do not make the battens so that they will extend out to the edge of the circle, but keep them in an inch or two, so that the under edge of the turn-table will rest on four trunk-rollers screwed fast to the top edges of the side-boards and end cross-pieces, as shown at B. A half-inch bolt is passed down through a hole made at the middle of the table, and through the block. Between the block and the underside of the table several large iron[302] washers should be placed on the bolt, so that they will keep the table slightly above the rollers, the main weight of the table and its load of wire being held by the middle cross-brace. The object of the trunk-rollers is to relieve the side strain on the bolt, and also to prevent friction between the edge of the table and the frame, in case the tension on the wire pulls it to one side. Bore six holes in the table, on a circle of twelve inches, and drive hard-wood pegs in them, as shown in Fig. 8. When a roll of wire is lying on the table two boys can easily lift and carry the car, and as they do so the wire will pay out. Give all the wood-work a coat of dark-green paint, and oil the trunk-rollers and the wood where the bolt passes through. A pair of nuts should be placed on the lower end of the bolt and a washer under its head. These lock-nuts must be screwed on with two monkey-wrenches, forced in opposite directions, so that one nut will be driven tightly against the other. This is to prevent the turning of the table from unscrewing the nuts.

Insulators

For telegraph and telephone lines, where pole, tree, or building attachments are necessary, insulators must be used to carry the wires without loss of current. The regular glass, porcelain, or hard rubber insulators, made for pole and bracket use, are of course the best. They can be purchased at any supply-house for a few cents each, but there are other devices which will answer equally well and which will cost little or nothing.

Obtain some bottles of stout glass, the green or dark[303] glass being the toughest; then carefully break the bottle part away. In doing this hold the bottle by the neck, with a piece of old cloth wrapped about it, to prevent the glass chips from flying. Save all of the neck and part of the shoulder, as shown in Fig. 9, so that the wire and its anchoring loop will not slip off and fall down on the peg or cross-tree.

Hard-wood pegs cut from sticks one inch and a half square should be whittled down so that they will fit in the neck and come up to the top. The pegs should be long enough at the bottom to permit of their being fastened to the supporting poles, trees, or building. In Fig. 10 three ways of attaching insulators are shown. At A the peg is nailed to the top of a pole, or a hole is bored in the pole and the peg driven down in it. At B two sticks with peg ends are nailed to a pole in the form of a V, and across the sticks a cross-brace is made fast to prevent the sticks from spreading or dropping down. This cross-brace is made fast to both the sticks and the pole so as to form a rigid triangle. At C the usual form of cross-tree, or T brace, is shown. The pegs may be nailed to the face of the cross-plate, or holes may be bored in the top and the pegs driven down into them. If the cross-piece is more than two feet long, bracket-iron should be screwed fast to the pole and brace at both sides, as shown at C. Where a cross-plate is made fast to a pole, a lap should be cut out so that the plate can lie against a flat surface rather than on a round one (see D in Fig. 10).

The shoulder of the bottle-necks must not rest on a cross-piece, or touch anything that would lead to the ground or[304] to other wires. The shoulder acts as a collar, and so sheds water that in wet weather the current cannot be grounded through the rain. The underside of the collar should always be dry, and also that part of the peg protected by the collar, thereby insuring against the loss of current. The relative position of insulator and peg is shown at Fig. 9, and if the pegs are cut carefully the bottle-necks should fit them accurately.

Joints and Splices

It is essential in electrical work to have joints, splices, unions, and contacts made perfectly tight, so that the current will flow through them uninterruptedly. A poor contact or weak joint may throw a whole system out of order. For this reason all joints should be soldered wherever practicable. In line work, however, this is impossible, except where trolley-wires are joined, and these are brazed in the open air by an apparatus especially designed for the purpose. In telegraph and telephone lines perfect contact is absolutely necessary, and where attachments are made to insulators the main-line should never be turned around the insulator. The wire is brought up against the insulator, and with a U wire the main-line is tightly bound to it, as shown at Fig. 11. If it is necessary to bind the main-line more securely to the insulator, one or two turns may be taken around the insulator with the U or anchoring wire; then with a pair of plyers a tight wrap is made.

When joining two ends of wire together, never make loops as shown in Fig. 12 A. This construction gives poor[305] contact, for the wire loops will wear and finally break apart. Moreover, the rust that forms between the loops will often cause an open circuit and one difficult to locate. Care must be taken to make all splices secure and with perfect contact of wires, and the only manner in which this can be done is to pass the ends of wires together for three or four inches, as shown in Fig. 12 B.

Insulators and connections

Grasp one wire with a pair of plyers, and with the fingers start the coil or twist, then with another pair of plyers finish the wrapping evenly and snugly. Treat the other end in a similar manner, and as a result you will have the splice pictured in Fig. 12 B, the many wraps insuring perfect contact. This same method is to be employed for inside wires, and after the wrap is made heat the joint and[306] touch it with soldering solution. The solder will run in between the coils and permanently unite the joint. The bare wires should then be covered with adhesive tape.

Avoid sharp turns and angles in lines, and where it is not possible to arrange them otherwise it would be well to put in a curved loop, as shown at Fig. 13. A represents a pole, B B the line, and C the quarter-circular loop let in to avoid the sharp turn about the insulator. The current will pass around the angle as well as through the loop, but a galvanometer test would show that the greater current passed through the loop and avoided the sharp turn.

“Grounds”

Grounds

In the chapter on wireless telegraphy several good “grounds” were described, any one of which would be admirably adapted to telegraph or telephone circuits. In Figs. 14, 15, and 16 are illustrated three other “grounds” that can easily be made from inexpensive material. The[307] first one, Fig. 14, is an ordinary tin pan with the wire soldered to the middle of the bottom. The wire must be soldered to be of use, as the pan would soon rust around a simple hole and make the “ground” a high-resistance one. If the pan is buried deep enough in the earth, and bottom up, it will last for several years, or so long as the air does not get at it to induce corrosion.

The star-shaped “ground” is cut from a piece of sheet zinc, copper, or brass, and is about twelve inches in diameter. The wire is soldered to the middle of it, and it is buried four feet deep, lying flat at the bottom of the hole.

In Fig. 16 a pail or large tin can is shown with the wire passing down through the interior and finally reaching the bottom, where it is soldered fast. The can is filled with small chunks of carbon, or charcoal, and some holes are punched around the outer edge and bottom to let the water out. The can is then buried three or four feet in the ground. Use nothing but copper wire for “grounds,” and it should be heavy—nothing smaller than No. 14. The wire should be well insulated down to and below the surface for a foot or two, so that perfect action will take place and a complete “ground” secured.

The Edison Roach-killer

When Edison was a boy he invented the first electrocution apparatus on record. At a certain station on the Grand Trunk Railroad, where Edison was employed as a telegraph operator, the roaches were so thick that at night they would crawl up the partition between the windows[308] and reach the ceiling, where they would go to sleep. During the day they were apt to become dizzy, lose their footing, and drop down on the heads of the operators. This did not suit young Edison, so he devised a scheme for their destruction. While watching a piece of telegraph apparatus one day, he saw a roach try to step from a bar charged with positive electricity to one through which a negative current flowed. The insect’s feet were moist and so made a connection between the two bars. As a consequence a short-circuit of high tension passed through its body and it dropped dead. This put an idea into Edison’s head, and the electrocution apparatus was soon in working order. The “killer” was the most simple device one could imagine, and was composed of two long, narrow strips of heavy tin-foil pasted side by side on a smooth board, with a space of one-eighth of an inch between them, as shown at Fig. 17. To one strip a positive wire was connected, while to the other a negative or ground was made fast. High-tension current, or that from an induction-coil, was connected with the wires, and the resulting voltage was strong enough to give one a severe shock if the fingers of one hand were placed on one plate and those of the other hand on the other plate.

This device was arranged across the window-casing in the path the roaches were accustomed to travel on their nightly trips up the side wall. It was not long after dark before roach number one sauntered up the wall, crossed the under strip, and stepped over on the upper one. But he went no farther, and he, with many of his friends and relations, were gathered up in a dust-pan the next morning and thrown into the stove.

[309]

Roach killer

In electricity, as in many other things, simplicity is the key-note of success; and from this little device to employ the alternating current for ridding a house of an insect nuisance sprang the grim apparatus known as the “death chair,” used in the execution of first-degree criminals in the State of New York. Many people think the mechanism for electrocution is a complicated one, but it is quite as simple as the Edison roach-killer. One pole is placed at the head of the criminal and the other at the feet, the latter being bound fast so that perfect contact can be had. Then an alternating[310] current of fifteen hundred to two thousand volts is run through the body, and death is instantaneous and void of pain.

An Electric Mouse-killer

A modification of the simple roach-killer was recently used by the author in his laboratory to get rid of some troublesome mice. A piece of board was cut twelve inches square, the edges being bevelled so that it would be an easy matter for the mice to climb up on it. An inch-wide circle of sheet brass was prepared measuring eleven inches outside diameter and nine inches inside. Another circle was cut measuring eight inches and a half outside and six inches inside diameter. Both circles were attached to the board with copper tacks and polished as bright as possible, the finished board appearing as shown in Fig. 18.

Wires were soldered to each strip, and these in turn were connected to a high-tension current of several thousand volts. Crumbs and small pieces of meat were placed on the board inside the circles, and the trap was set in a convenient place on the floor of the laboratory.

The next morning several mice lay dead on the floor, but at some distance from the board, and this seemed a little mysterious. The following night the author worked late in the laboratory. After finishing what he had on hand, he turned down the lights and sat down and watched the trap. Presently Mr. Mouse appeared from somewhere. He sniffed the air, then approached closer to the board, sniffed again, and, evidently concluding that he was on the[311] right trail, he climbed up the side of the board and stood on the outer strip. He placed one fore-foot on the inner strip, and, bang! up he went in the air, and landed on the floor a foot or more away. His jump into space was due to the electric action on his muscles, for the current literally tore his nervous system into shreds.

Mr. Mouse lost a great many friends and relatives that season in the same manner, and the apparatus is confidently recommended as a certain and humane agent for the destruction of all small vermin.


[312]

Chapter XIII
FRICTIONAL ELECTRICITY

Frictional electricity is high potential, current alternating, and of high voltage but very low amperage. Apart from certain uses in laboratory and medical practice, it is valueless. In its greater volume it is akin to the lightning-bolt and is dangerous; but in its smaller volume it is a comparatively harmless toy. From the glass rod, or the amber, rubbed on a catskin to the modern static machines is a long jump, and the period of exploitation covers centuries of interesting experiments, most of which, however, have been practically useless for any commercial purpose.

Static or frictional electricity is generated by friction only, without the aid of magnets, coils of wire, or armatures rotating at high speed. The simple process of the glass and catskin has been variously modified, until at last Wimshurst invented and perfected what is known as the “Wimshurst Influence Machine.” It is self-charging, and does not require “starting.” It will work all the year round in any climate and temperature, and is the greatest improvement ever made in static electric machines.

Apart from its efficiency under all conditions, it is the simplest of all machines to make, and can easily be constructed[313] by a boy who is handy with tools, and who can obtain the glass and brass parts necessary in its construction. The principal parts of an influence machine are the glass disks, wooden bosses, driving pulleys and crank, glass standards, brass arms with the spark-balls at the ends, and the base with the uprights on which these parts are built up and held in position.

A Wimshurst Influence Machine

Obtain a stiff piece of brown paper twenty inches square, and with a compass describe a circle twenty inches in diameter. Inside of this circle make another one fourteen inches in diameter, and near the centre a third circle six inches in diameter. Another circle four inches in diameter should be drawn inside of the six-inch circle, so that when the bosses are made fast to the glass plates they can be properly centred. Also mark sixteen lines radiating from the centre, equal distances apart, as shown in Fig. 1.

From a dealer in glass purchase two clear, white panes of glass eighteen inches square. Be careful not to get the green glass, as this is not nearly so good as the white for static machine construction. If it is possible to get crystal plate so much the better. The panes should be thin, or about one-sixteenth of an inch in thickness, and free from bubbles, wavy places, scratches, or other blemishes.

From these panes cut two disks sixteen inches in diameter with a rotary cutter, as described in the chapter on Miscellaneous Apparatus, page 294, and rub the edges with a water-stone (see chapter on Formulæ, page 330.)

[314]

From flat, thin tin-foil cut thirty-two wedge-shaped pieces four inches long. They should be one inch and a half wide at one end and three-quarters of an inch at the other, as shown at Fig. 2 A. Give each plate of glass two thin coats of shellac on both sides; then lay one on the paper pattern (Fig. 1) so that the outside edge of the glass will lie on the largest circle. Place a weight at the middle of the glass to hold it in place; then make sixteen of the tin-foil sectors fast to the plate, using shellac as the sticking medium. But first give one side of each sector a thin coat of shellac, allowing it to dry; then give it another coat when applying it to the glass. The sectors are to be symmetrically arranged on the glass, using a line of the pattern as a centre for each piece (as shown at A in Fig. 1), and the fourteen and six inch circles as the outer and inner boundaries. Each piece, as it is applied, should be pressed down upon the glass, so that it will stick smoothly, without air bubbles or creases. A very good plan is to lay a piece of soft blotting-paper over the sector and drive it down with a small squeegee-roller such as is used in photography, taking care, however, not to shift the sector from its proper position. When all the sectors are on, the plate should appear as shown in Fig. 2. After the shellac, which holds the sectors to the glass, is dry, run a brush full of shellac around the inner and outer extremities of the tin-foil strips for half or three-quarters of an inch in from the ends. The shellac will hold the sectors firmly to the glass, and will slightly insulate them as well, thereby preventing the escape of electricity. Apply the remaining sectors to the other plate of glass in a similar manner; and as a result two disks of glass, with the applied strips, will be ready to mount in the frame.

[315]

DETAILS OF WIMSHURST INFLUENCE MACHINE

[316]

A hole three-quarters of an inch in diameter should be made in each glass plate, so that a three-eighths spindle may pass through them and into the bosses, so as to keep them in proper line. It is preferable, however, not to bore these holes if bosses and accurately bushed holes can be made in the uprights of the frame which support these disks.

At a wood-working mill have two bosses made that will measure four inches in diameter at the large end, and one inch and a half at the small one. They should be of such length that when the plates and two bosses are arranged in line (to appear as shown in A A at Fig. 9) they will fill the entire space between the uprights B B. Near the small end a groove is turned in each boss, so that a round leather belt will fit in it, as shown in Fig. 3.

The base is made from pine, white-wood, cypress, or any other wood that is soft and easily worked. It is composed of two strips twenty-four inches long, three inches wide, and one inch and a quarter in thickness, and two cross-pieces fourteen inches long, three inches wide, and one inch and a half thick.

These are put together with glue and screws, and at both sides of the base notches are cut to accommodate the feet of the uprights. The uprights are seventeen inches high, three inches wide, and one inch and a half thick. The notch at the foot of each one is cut so that, when fitted in place, the foot of the upright will rest on a table on a line with the bottom of the end cross-pieces under each corner. At the foot of the uprights a piece of sheet rubber should be[317] made fast, with glue or shellac, so that when in operation the machine will not move about or slide.

A groove is cut at one side of each upright six inches above the bottom, as shown at Fig. 4 A. In this groove the driving-wheel axles fit, and near the top holes are made in the uprights through which the spindles pass, which in turn support the bosses and glass disks.

At the middle of each cross-piece forming the ends of the base a one-inch hole, for the glass standard rods, is bored through the wood, as shown at Fig. 4 B B. After attaching the uprights to the base with glue and screws, and giving all the wood-work several successive coats of shellac, the frame will be ready for its mountings.

The driving-wheels are of wood seven-eighths of an inch thick and seven inches in diameter; they should be turned on a lathe and a groove cut in the edge so that a round leather belt will fit in it. These wheels are mounted on a wooden axle that can be made from a round curtain-pole, with a half-inch hole bored through its entire length. The axle is as long as the distance between uprights B B in Fig. 9. The wheels are to be arranged and glued fast to the axle, so that the grooves will line directly under those in the bosses, as shown in Fig. 9. A half-inch axle is driven through the hub, and at one end it is threaded and provided with two washers and nuts; or a square shoulder and one washer and nut may be used, so that a crank and handle may be held fast. Shellac should be put on the shaft to make it hold fast in the hub.

The complete apparatus of wheels, axle, hub, and handle is shown at Fig. 5, and in the frame this is so hung that the[318] iron axle rests in the grooves cut in the uprights. To hold this in place two metal straps, as shown in Fig. 6, are made and screwed fast to the wood. When finally adjusted the driving-wheels should rotate freely whenever the crank is turned. The wooden bosses, Fig. 3, are given two or three coats of shellac; then they are made fast to the glass disks on the same side to which the tin-foil sectors are attached. The disks should be placed over the paper plan, Fig. 1, and so adjusted that the outer line tallies with the large circle. Acetic glue[4] is then applied to the flat surface of the boss, and the latter is placed at the middle of the disk to line with the small circle. Place a weight on the end of the boss to hold it down, and leave it for ten or twelve hours or until thoroughly dry.

[4] See Formulæ, Chapter xiv., for the recipe of acetic glue.

Both bosses should be set at the same time so that they may dry together.

If the bosses are turned on a lathe a hole should be made in each one about half-way through from the small end. This, in turn, should be bushed or lined with a piece of brass tube, which should fit snugly in the hole. A little shellac painted on each piece of tube will make it stick. Pieces of steel rod that will just fit within the tubing are to be cut long enough to enter the full length of the hole, pass through the holes made in the top of the uprights, and extend half an inch beyond, as shown in Fig. 9. The bosses and axles will then appear as shown in Fig. 7.

Flat places should be filed on each rod where it passes through the wood upright; a set-screw will then hold it[319] fast and keep it from revolving. When the hole, or tubing, is oiled so that the boss and disk will revolve freely on the axle, the disks, bosses, and axles are ready to be mounted in the frame.

A red fibre washer, such as is used in faucets, should be made fast to one glass disk at the centre, so as to separate the disks and prevent them from touching when they are revolving in opposite directions. These fibre washers can be had from a plumber or purchased at a hardware store. Shellac or acetic glue will hold the washers in place.

Influence machine

Mount one disk by holding the boss with the small end opposite a hole in one upright, and slip an axle through from the outside of the upright. Hold the other disk in place, and slip the remaining axle through the other upright[320] and into the boss. When both plates are in place and centred, turn the set-screws down on the flattened axles to hold them in place.

To reduce the friction between the bosses and the uprights it would be well to place a fibre washer between them. A few drops of oil on these washers will lubricate them properly, and allow the machine to run easier. An end view of the apparatus, as so far assembled, will appear as shown in Fig. 9, A being the disks, bosses, and axles, B B the uprights supporting them, C the hub, and D D the driving-wheels. The handle and crank (E) extends out far enough from the side to allow a free swinging motion without hitting the upright or base. Having arranged these disks and wheels so as to revolve freely, it will now be necessary to construct and add the other vital parts and the connecting links in the chain of the complete working mechanism.

From a supply-house obtain two solid glass rods an inch in diameter and fifteen inches long. These fit in the holes (B B) bored in the end-pieces of the base, Fig. 4. Procure two brass balls, two or two and a half inches in diameter, such as come on brass beds, and two short pieces of brass tubing, one inch inside diameter, that will fit over the ends of the rods. These tubings are to be soldered fast to the balls so that both tubes and balls will remain at the top of the glass rods.

From brass rod three-sixteenths or a quarter of an inch in diameter make two forks, as shown at Fig. 8, and solder small brass balls at the ends of the rods. The prongs of the fork are six inches long and the shank four inches in[321] length. Along the inside of the forks small holes are bored, and brass wires, or “points,” are soldered fast. These extend out for half an inch from the rods, and are known as the “comb,” or collectors. The forks should be so far apart that when mounted with the glass disks revolving between them the points will not touch or scratch the tin-foil sectors, and yet be as close to them as possible. A hole should be bored in the brass balls, and the shank of the fork passed through and soldered in place, as shown in Fig. 10.

A three-eighth-inch hole is bored directly in the top of each brass ball to hold the quadrant rods, which extend over the top of the disks.

In the illustration of the complete machine (Fig. 12) the arrangement of the glass pillars, balls, combs, and quadrant rods is shown. The rods are three-eighths of an inch in diameter and are loose in the holes at the top of the balls, so that they can be moved or shifted about, according as to whether it is a left or a right handed person who may be turning the crank.

At the upper end of each rod a brass ball is soldered, one being three-quarters of an inch in diameter, the other two inches. The projecting ends of the forks should be provided with metal handles or brass balls, as shown in Fig. 12; these may be slipped over the end or soldered fast. Obtain two small brass balls with shanks, such as screw on iron bed-posts, and have the extending ends of the axles that support the bosses threaded, so that the balls will screw on them. Bore a quarter-inch hole through each ball, and slip a brass rod through it and solder it fast. Each end of these rods should be tipped with a bunch of tinsel or fine[322] copper wires. These are the “neutralizers,” and the ends are curved so that the brushes of fine wires will just touch the disks when the latter are revolved, as shown in Fig. 12. The ball holding the rod is to be screwed fast to the axle; then the axle is pushed back into the boss and made fast in the head of the upright with the set-screw.

Influence machine

[323]

The rod-and-ball at the opposite side of the disks is arranged in a similar manner, but the rod points in an opposite direction to that on the first side. Cord or leather belts connect the driving-pulleys and bosses, the belt on one side running up straight over the boss and down again around the driving-pulley. The belt at the opposite side is crossed, so that the direction of the boss is reversed; and in this manner the disks are made to revolve in opposite directions, although the driving-pulleys are both going in the same direction.

A portion of the sectors are omitted in the illustration (Fig. 12) so that a better view of the working parts may be had. When the disks are revolving the accumulated electricity discharges from one ball to the other, above the plates, in the form of bright blue sparks sufficiently powerful to puncture cardboard if it is held midway between the balls.

A Large Leyden-jar

When experimenting with this machine it would be well to have one or more Leyden-jars to accumulate static charges. A large one of considerable capacity is easily made from a battery jar, tin-foil, brass rods and chain, and some other small parts.

Obtain a bluestone battery jar, and after heating it to drive all moisture from the surface, give it a coat of shellac inside and out. With tin-foil, set with shellac, cover the bottom and inside of the jar for two-thirds of its height from the bottom, as shown in Fig. 11. Cover the outside and bottom in a similar manner, and the same height from[324] the bottom, and provide a cork, or wooden cap, for the top. If a large, flat cork cannot be had, then make a stopper by cutting two circular pieces of wood, each half an inch thick, the inner one to fit snugly within the jar, the other to lap over the edges a quarter of an inch all around. Fasten these pieces together with glue, as shown at Fig. 13, and give them several good coats of shellac. Make a small hole at the middle of this cap and pass a quarter-inch rod through it, leaving six inches above and below the cap. To the top of the rod solder a brass ball. At the foot a piece of brass chain is to be made fast, so that several links of it rest on the tin-foil at the bottom of the jar.

To charge a jar from the Wimshurst machine, stand the jar on a glass-legged stool, and connect a copper wire between one of the overhead balls on the machine and the ball at the top of the rod in the stopper of the jar. Make another wire fast to the other ball at the top of the machine, and place it under the jar so that the tin-foil on the bottom touches it. By operating the machine the jar is charged.

To discharge the jar make a T-yoke, as shown at Fig. 14, by nailing a brass rod fast to a wooden handle and soldering brass knobs, or hammering a lead bullet, on the ends of the rod. Hold one knob against the top knob of the jar and bring the other near the foil coating at the outside, when a spark will jump from the foil to the knob with a loud snap.

A Glass-legged Stool

One of the most useful accessories in playing with frictional electricity will be a glass-legged stool. A stool with[325] glass feet is perhaps too expensive for a boy to purchase, but one may be made at little or no cost from a piece of stout plank, four glass telegraph line-insulators, and the wooden screw-pins on which they rest when attached to a pole.

Leyden jar and glass stool

The general plan of the stool is shown at Fig. 15, and the top measures twelve by fifteen by two inches. Under each corner a screw-pin is made fast by boring a hole in[326] the wood and setting the pin in glue. The pins are cut at the top, as shown in Fig. 16, and when they are set in place the glass insulators may be screwed on. The wood-work should be given a few coats of shellac to lend it a good appearance and help to insulate it.

There are a great many interesting experiments that may be performed with static or frictional electricity, and these may be looked up in the text-books on electricity used in school. A word of caution will not be misplaced. Remember that the current, in large volume, is dangerous. For example, a series of charged Leyden-jars may contain enough electricity to give a very severe shock to the nervous system of the person who chances to discharge it. Its medical use should be under the advice and supervision of a physician.


[327]

Chapter XIV
FORMULÆ

In the construction of electrical apparatus there are many things, such as paint, cement, non-conducting compounds, and acid-proof substances, that are necessary in assembling the parts which make up complete working outfits. Accurate formulas and directions for these things will save the amateur trouble and expense, since they indicate the materials which have been put to the test of time and wear by others who have had abundant experience along these lines.

The amateur will not need a large number of compounds, but such as are necessary should be of the best. Those which are described in this chapter can be relied upon to give working results.

Acid-proof Cements

One of the best acid-proof cements is made by adding shellac, dissolved in grain alcohol, to red-lead until it is at the right consistency. It can be used in liquid form or in a putty-like paste. The consistency is governed by the amount of shellac added to the red-lead. The lead should be pulverized and free from lumps. This cement can be[328] mixed in a small tin cup or on a piece of glass, with a knife having a thin blade.

It should be used as soon as it is mixed, since it “sets” as quickly as shellac, and then dries from the outside towards the middle. In a week or two it will become dry and hard like stone.

Another cement, which will also dry as hard as a stone and will hold soapstone slabs together as if they were of one solid piece, is made of litharge (yellow lead) and glycerine. The glycerine is added to the pulverized litharge to make a paste, or it can be mixed and kneaded like thin putty. It should be used very soon after mixing, as it sets rapidly.

Hard Cement

A medium hard cement is made from plaster of Paris, six parts; silex, or fine sand, two parts; dextrine, two parts (by measure). Mix with water until soft; then work with a trowel or knife.

Soft Cement

A good soft cement is made of plaster of Paris, five parts; pulverized asbestos, five parts (by weight). Add water enough to make a soft paste, and use with a trowel or knife. This is a heat-proof compound and is commonly known as asbestos cement.

Very Hard Cement

One of the hardest cements that can be made is composed of hydraulic cement (Portland or Edison), five parts;[329] silex, or white sand, five parts (by measure). Mix with water and use like plaster with a trowel or spatula.

Care must be taken when the parts are combined to see that the cement is free from lumps. These must be broken before the silex, or sand, and water are added. Then the two parts should be mixed together at first and moistened afterwards. The proper way is to place some water at the bottom of a pan; then add the dry mixture by the handfuls, sprinkling it around so that the water can enter into it without forming lumps. Keep adding and mixing until the mass is at the right consistency to work.

All these cements are acid-proof.

Clark’s Compound

For exterior insulation, where the parts are exposed to the weather, a superior compound is made up of mineral pitch, ten parts; silica, six parts; tar, one part (all parts by weight). This is called Clark’s compound, after the man who invented it and used it successfully.

It is heated, thoroughly mixed, and used with a brush or spatula.

Battery Fluid

A depolarizing solution for use in zinc-carbon batteries like the Grenet is composed as follows:

Dissolve one pound of bichromate potash or soda in ten pounds of water (by weight). When it is thoroughly dissolved add two and one-half pounds of sulphuric acid, slowly pouring it into the bichromate solution and stirring[330] it with a glass rod. The addition of the acid will heat the solution. Do not use it until it has entirely cooled.

Glass Rubbing

To rub the edges of glass, such as the disks for Wimshurst machines, obtain a piece of hard sandstone, such as is used for sharpening knives or scythes. The glass is placed on a table so that the edge extends beyond. Oil of turpentine is rubbed or dropped on the surface of the stone, and the edge of the glass is moistened with a rag soaked in the turpentine. Hold the glass down securely with one hand, and with the other grasp the stone and give it a forward and backward motion, grinding the glass along its edge and not crosswise. With care and patience a rough edge can soon be brought to a smooth one, and a soft, rounded corner substituted for the hard, angular, cutting edge that makes the glass a difficult thing to handle. Use plenty of lubricant in the form of oil of turpentine to make the work easy.

Acetic Glue

One of the best glues for glass and wood or glass and fibre is made by placing some high-grade glue (either flake or granulated) in a cup or tin and covering it with cold water. Allow it to stand several hours until the glue absorbs all the water it will and becomes soft; then pour the water off, and add glacial acetic acid to cover the glue. The proportion should be eighteen parts of glue to two of acid. Heat the mass until it is reduced to liquid, stirring it until[331] it is thoroughly mixed. When ready for use it should be poured into a bottle and well corked to keep the air away from it.

Insulators

Apart from glass and porcelain, insulators can be made from non-conducting compounds, the best of which is molded mica. Ground mica or mica dust is mixed with thick shellac until it is in a putty-like state. It may then be forced into oiled molds of any desired shape. Hydraulic pressure is employed for almost every form of molded mica that is made for commercial purposes; but as a boy cannot employ that means to get the best results, he must use all the pressure that his hands and a flat board will give.

Another compound is made from pulverized asbestos and shellac, with a small portion of ground or pulverized mica added, in the proportion of asbestos, six parts; mica, four parts. Shellac is added to make a pasty mass, which is kneaded into a thick putty and forced into oiled molds until it sets. It is then removed and allowed to dry in the open air, and the mold used for more insulators.

Non-conductors

When working in different materials that seem adapted to electrical apparatus, it is necessary to know whether they can be used safely or not. Often a material seems to be just the thing, but if it should be a partial conductor, when a non-conductor is desired, it would be hazardous to use[332] it. A list of non-conductors is therefore valuable to the amateur. Some of the principal non-conductors, among the many, are as follows: glass, porcelain, slate, marble, hard stone, soapstone, concrete (dry), hard rubber, soft rubber, composition fibre, mica, asbestos, pitch, tar, shellac, cotton, silk; cotton, silk and woollen fabrics, transite (dry), electrobestus (dry), duranoid; celluloid, dry wood (well seasoned), paper, pith, leather, and oil.

While this account of formulæ and material might be extended, this is not necessary inasmuch as the formulæ and practical directions which have been given will answer all usual practical requirements.

Insulating Varnish

There are several good insulating varnishes that can be used in electrical work, the most valuable being shellac dissolved in alcohol and applied with a brush. To make good shellac, purchase the orange-colored flake shellac by the pound from a paint-store, place some of it in a wide-necked bottle, and cover it with alcohol; then cork the bottle and let it stand for a few hours. Shake the bottle occasionally until the shellac is thoroughly dissolved. It can be thinned by adding alcohol. Always keep the bottle corked, taking out only what is necessary from time to time.

Another varnish can be made by dissolving red sealing-wax in alcohol and adding a small portion of shellac. This can be applied with a soft brush, and is a good varnish. When colors are to be applied to distinguish the poles, red[333] is used for the positive current-poles and blue or black for the negative, if they are colored at all.

A very good black varnish is made by adding lampblack to shellac; another consists of thick asphaltum or asphaltum varnish. This is waterproof, and dries hard, yet with an elastic finish.

Battery Wax

For the upper edges of glass cells, such as the Leclanché or other open-circuit batteries, there is nothing superior to hot paraffine brushed about the upper edge to prevent the sal-ammoniac or other fluids from creeping up over the top. The paraffine can be colored with red-lead, green dust, or powders of various colors if desired, but generally the paraffine is used without color, so that it has a frosted-glass appearance when it is cool and dry.

A black wax for use in stopping the tops of dry cells and coating the tops of carbons is composed of paraffine, eight parts; pitch, one part; lampblack, one part. Heat the mixture and stir it until thoroughly mixed; then apply with a brush, or dip the parts into the warm fluid.

Another good black wax is composed of tar and pitch in equal parts. They are made into a pasty mass with turpentine heated over a stove, but not over an open flame, because the ingredients are inflammable. The compound should be like very thick molasses, and can be worked with an old table-knife.


[334]

Chapter XV
ELECTRIC LIGHT, HEAT, AND POWER

For the use of the cuts in this chapter, the Publishers desire to acknowledge the courtesy of the General Electric Company, the Thomson Electric Welding Company, and the Cooper Hewitt Electric Company.

With the discovery of the reversibility of the dynamo, the invention of the telephone, and the improvements in the electric light began the great modern development of electricity which proved that marvellous agent to be a master-workman.

Many of the things electrical that we ordinarily think of as modern inventions are merely modern applications of phenomena that were discovered many years ago. The pioneers in the science of dynamic electricity performed their experiments with the electric light, electro-magnets, etc., by using galvanic batteries. But for practical purposes the consuming of zinc and chemicals in such batteries was too expensive a way to generate electricity, and prevented any commercial use of the results of their experiments until cheaper electricity could be had.

The Work of the Dynamo

The invention of the dynamo, with which we obtain electricity from mechanical power, changed all that. Instead[335] of consuming zinc in primary batteries, men could obtain it by burning coal, which is much cheaper, under the boiler of a steam-engine used to drive the dynamo. Thus it is that modern electricity comes from mechanical power. It is really the energy of a steam-engine or a water-wheel, or some other “prime mover,” working through the medium of electricity, that is transmitted to a distance and distributed over wires. The electricity may then be transmuted into light, heat, or chemical energy as the case may be, to light our electric lamps, develop the intense heat of the electric furnace, and charge storage-batteries.

Moreover, some time after the invention of the dynamo it was found that the mechanical power put into one of these machines could be transmitted electrically and reproduced as mechanical power. In other words, a dynamo could be made to revolve and give out power, as a motor, by supplying it with current from another dynamo. This showed the way to transmute electricity back again into mechanical power, to run our electric cars and trains, and all kinds of machinery in our factories and elsewhere. Nowadays the dynamo is used to generate nearly all the electricity that we need. Even in such comparatively old electrical applications as electro-plating and the telegraph and telephone, primary batteries are being supplanted by motor dynamos, which we shall learn about later.

It is from the invention of the dynamo and the discovery that it was reversible that we date the beginning of what are known as heavy electrical engineering applications, including electric light, heat, and power. In this closing chapter it[336] is purposed to learn a little about these applications, and in so doing to summarize briefly the things that we have already studied.

The Electric Light

In the chapter on Electrical Resistance we learned that an electric current always encounters a resistance in passing through a conductor, and that when the current is strong enough the conductor is heated up. The electric light is produced by the heating of a conductor of one kind or another to incandescence by the electrical friction of the current passing through it.

The first electric light was made by Sir Humphry Davy over a hundred years ago. He discovered that when a current from a great many cells of battery was interrupted the spark did not simply appear for an instant and then go out, as it does when only a few cells are used, but remained playing between the terminals of the circuit. He found by experiment that if pieces of carbon are used as the terminals—or “electrodes,” as they are called—the electricity passes between them in an intensely hot flame, or “arc.” The latter, which is due to the electrical resistance of the vapor of carbon, heats up the carbon-points so that they give a brilliant white light.

[337]

Lamps

Fig. 1

Fig. 2

 

Before the dynamo came into use, the electric light was rarely seen, except as a philosophical experiment; but as soon as cheap electricity became available, commercial electric arc-lamps were made by many inventors and have been continually improved. Fig. 1 shows one form of modern arc-lamp, with its case removed to show the interior mechanism. In most arc-lamps the lamp itself consists of a pair of carbon or other electrodes in the form of long rods arranged vertically, with their tips normally in contact. When the current is turned on, the mechanism lifts the upper electrode away from the lower one. The interruption of the circuit thus caused “strikes the arc” between the tips,[338] and the mechanism keeps the arc-distance unchanged as the carbons burn away. Some arc-lamps are made to burn on continuous-current, and others on alternating-current circuits. When continuous current is used, the upper (or positive) carbon burns away about twice as fast as the lower one, forming a cup, or “crater,” from which most of the light comes.

Uses of the Arc-Light

The first commercial use of the arc-light on a large scale was for street-lighting, to replace the old-fashioned gas-lamps. But another important use is in search-lights, in which the arc-lamp is fitted with a powerful reflector for throwing a very bright light to a distance. Fig. 2 is a view of a search-light arranged to go on top of a ship’s pilot-house. In war-time the ships carry search-lights to help them find the enemy’s ships and repel attack; and they are used in the army also, by having a portable dynamo and engine drawn by horses. The arc is also employed in projectors for lecture-rooms, and sometimes for the headlights of steam and electric locomotives and interurban electric cars.

Incandescent and Other Lamps

The arc-lamp came into wide use for lighting large spaces like streets, stores, and public halls, but was found to be too intense for lighting smaller places like private houses. After many experiments, Edison succeeded in subdividing the electric light into the small pear-shaped “incandescent” lamps that we now see everywhere. In this kind of electric[339] lamp the light comes from a thin “filament” of carbon, contained in a glass globe from which all air has been removed. Since there is no oxygen to support combustion, the filament may be heated white-hot by the current without being consumed.

Lamp

Fig. 3

In certain other forms of incandescent lamps that are just coming into use, the filaments are made of rare metals—osmium, tantalum, etc.—that will stand a high temperature[340] without melting. The Nernst lamp has a filament consisting of a mixture of certain materials that has to be heated before it will conduct electricity.

Then there are the so-called “vapor” lamps, consisting of a glass tube full of conducting metallic vapor which gives out light when a current is passed through it. The best-known form is the Cooper Hewitt mercury vapor-lamp shown in Fig. 3, which gives a peculiar greenish light.

From the point of view of efficiency, the electric light, wonderful as it is, leaves much to be desired. The light always comes from a hot resistance; and whether this resistance is a mass of conducting vapor, as in the arc and vapor lamps, or a solid conducting filament, as in the so-called “incandescent” lamps, much more heat than light is produced. A needed improvement, therefore, is in the direction of obtaining a greater percentage of light for a given amount of electrical energy.

Electric Heat

The generation of heat in electrical devices usually means wasted energy—sometimes a very serious waste, as we have just seen. There are certain kinds of electrical apparatus, however, that are designed to transform all of the electrical energy delivered to them into heat, for various industrial and household purposes.

Furnace

Fig. 4

Electric Furnaces

By far the most important application of electric heat, as such, is in electric furnaces, by means of which we attain the[341] highest temperatures known to man. The electric furnace consists of a chamber of “refractory” material, containing the substances to be acted upon by the heat, with a pair of big carbon electrodes thrust into the centre, as shown in Fig. 4, which is a picture of Moissan’s electric furnace for the distillation of metals, and supplied with heavy continuous or alternating currents. The apparatus is therefore a sort of gigantic electric arc-lamp, so enclosed that the whole of the intense heat of the arc is confined and concentrated on the smelting or other work. In many places where cheap electric power is to be had—as in the vicinity of the great Niagara Falls power-plants—electric furnaces are employed in what are known as electrometallurgical and electrochemical[342] manufacturing processes. By their aid many metals and other substances that were formerly scientific curiosities, or entirely unknown, are produced commercially; such as aluminum, certain rare metals, and calcium carbide, from which that wonderful illuminant, acetylene-gas, is obtained.

Welding Metals

Another useful application of electric heat is in the welding of metals. Instead of heating the pieces to be welded in a forge, their ends are simply butted together and the electricity—generally from an alternating-current transformer—turned on. The heat developed by the “contact resistance” between the pieces quickly softens the metal so that the pieces may be forced together, forming a perfect weld in a few minutes without any hammering. Fig. 5 is a view of one form of electric welding-machine in which this is accomplished. The electric process can weld certain metals that cannot be joined securely by ordinary welding methods, and is used in several special arts.

Welding is also performed by the heat of a special electric arc-lamp, which a workman holds in his hand like a blow-pipe or torch. This process is especially useful in joining the edges of sheet-steel, in making tanks for electric “transformers,” etc. The workmen have to wear smoked glasses in order to protect their eyes from the intense glare of the arc.

Welder

Fig. 5

Electric Car-heaters

Perhaps the simplest and best-known application of electric heat is the electric car-heater, consisting of coils of high-resistance[343] wire—such as iron or German-silver wire—mounted on an insulating, non-combustible frame which is placed under the seats of the car. Part of the current from the trolley wire or third rail passes through the resistance-coils, heating them up and thereby warming the air in the car.

[344]

Household Uses

Nowadays electric heat is being more and more widely utilized in what are known as household electric heating-appliances. One of the most useful of these is the electric flat-iron, shown in Fig. 6. This flat-iron is designed to do away with the use of a hot stove of any kind, and is internally heated by means of a resistance-coil of peculiar shape placed in the bottom of the iron close against its working face. The iron is connected to an electric-light socket by means of an attaching plug on the end of a long, flexible cord. It takes only a few minutes to get hot, and its use saves much time and labor.

The list of special heating-appliances that are now made includes curling-iron heaters; heating-pads, for taking the place of hot-water bags in the sick-room; cigar-lighters, in which a little grid “resistance” is made incandescent by pressing a button; foot-warmers; and radiators to dry wet shoes or skirts on rainy days. For industrial use there are glue-pots, for bookbinders and pattern-makers; large flat-irons, for tailor-shops and laundries; and electric ovens, for drying certain parts of electrical machines and for cooking various kinds of “prepared foods.”

Many electric cooking-utensils are made for the household, such as coffee-percolators, egg-boilers, ovens, disk stoves, etc. Each one is equipped with a resistance-coil like that in the electric flat-iron just described, so that it contains its own source of heat, which is under perfect control by means of a switch. An “electric kitchen” consists of a number of these[345] utensils, wired to a convenient table or stand, as shown in Fig. 7.

Appliances

Fig. 6

Fig. 7

 

Electric Power

We have seen that the modern way to generate electricity is from mechanical energy applied through a dynamo, and that the “electric power” thus generated may be transmitted over wires to a distance and there transformed into other forms of energy, such as light, heat, and chemical energy, or reproduced again as mechanical energy. The last mentioned of these transformations is the most important of them all, because it is the one that means the most for the advancement of civilization. Before the invention of the[346] dynamo and the discovery that it was reversible, mechanical power could be employed only in the place where it was generated, so that its use was restricted; whereas nowadays the field of power is broadened and its cost reduced by electrical transmission and distribution.

In the chapter on Dynamos and Motors we learned how to make and use those machines. Let us review, very briefly, just what happens in the double transformation—of mechanical energy into electricity and then back again at the end of a line of wires—that we call electric-power transmission. In the dynamo, the power of the water-wheel, or whatever other prime mover is used, is exerted in generating electricity by forcing the electric conductors of the machine through a magnetic field. The electricity is led away to a distance—a hundred miles, perhaps—by wires and allowed to enter another machine similar to the dynamo, but operating as a motor. Here the first process is reversed: the electricity passing through the conductors of the motor reacts upon its magnetic field, causing the machine to revolve and thus generating mechanical power again. The line-wires carry the power just as positively as though a long shaft ran from the prime mover to the receiving end of the line, and much more economically. The action that goes on is similar to the operation of the telephone—which is indeed a special case of electric-power transmission—as already explained in a former chapter: the sound of the voice being transformed, at the telephone-transmitter, into electrical energy in the form of alternating currents, then carried as such over the line and finally reproduced as sound again at the receiver.

[347]

Power from Water-wheels

“Hydro-electric” transmissions—i. e., electric transmissions of power from a water-wheel as prime mover—are the most important because they bring into use cheap water-power that formerly ran to waste. There are many hydro-electric transmissions in this country, Mexico, and Canada, some of them utilizing the power of waterfalls or rapids located in mountainous and inaccessible parts. The alternating current is nearly always used because by it men can much more easily and safely generate, transmit, and receive the high voltages that have to be used than by the continuous current. The machinery at the “main generating station” consists of big alternating-current dynamos, which sometimes have vertical shafts instead of horizontal ones, so that they may be driven directly by turbines. The current is generated at a moderate potential, which is then “stepped-up,” by “static transformers,” to the comparatively high-line voltage that is required in long-distance transmissions.

Transformer

Fig. 8

Transformers

Fig. 8 is a view of a very large transformer of over 2500 electrical horse-power capacity. In the picture the containing-tank is represented as transparent, so as to show the transformer proper inside. The latter is really a special kind of induction-coil, with primary and secondary windings, and a core, weighing many tons, built up of thin sheets of steel. In this kind of transformer, the tank is filled with oil, to[348] keep the transformer cool in operation, and to help insulate it against the high potential to which it is subjected. At the receiving end, or “sub-station,” the high-voltage electric[349] power enters a set of “step-down” transformers, from which it is delivered again, at moderate potential, to the motors.

Sometimes power is distributed from a single great generating station to several sub-stations. In the Necaxa transmission, in Mexico, over 35,000 horse-power is taken from a waterfall in the mountains and transmitted at 60,000 volts potential to Mexico City, 100 miles away, and to the mining town of El Oro, seventy-four miles farther on.

Several kinds of motors are used at the receiving end of electric-power transmission-lines, according to the work that they are called upon to do. For “stationary” work, like driving the machines in mills and factories, two principal kinds of alternating-current motors are employed—synchronous and induction motors. The former are built just like alternating-current dynamos, and when they are running they keep “in step” with the dynamo at the other end of the line; i. e., the motion of their field windings relatively to their armatures keeps exact pace with the same motion at the dynamo, just as though a long shaft ran from one machine to the other instead of the electric wires of the transmission-line. A motor of this type, at work driving an air-compressor, is shown in Fig. 9. The induction-motor is really a sort of transformer, the primary winding of which is the fixed part, or field, and the secondary winding the rotating armature. It does not keep in step with the dynamo, like the synchronous motor, but adapts its speed to the “load,” or amount of work that it is called upon to do, like a continuous-current motor.

Compressor

Fig. 9

[350]

Rotary Converters

Sometimes alternating-current electric power is transformed at the sub-station into continuous-current power. This is done by a special kind of transformer called a “rotary converter.” The static transformers of which we have just been speaking are built, like ordinary reduction-coils, with no moving parts, and operate by taking in alternating currents at a given potential and giving out alternating currents at a different potential, higher or lower as the case may be. The rotary converter, however, is built something like a dynamo, with a stationary field and a revolving armature, and ordinarily operates by receiving an alternating current at a given potential and delivering a continuous current of the same or a different potential. This kind of transformation is employed wherever it is desired to obtain any large amount of continuous current from an alternating-current[351] transmission-line; and especially to obtain “500-volt continuous current” for operating street and interurban electric railways, as we shall see under the next heading. Fig. 10 shows one form of rotary converter built for supplying continuous current for trolley service.

Converter

Fig. 10

Oftentimes the sub-station of a transmission system contains both static transformers and rotary converters, to supply both alternating current and continuous current from the same high-voltage alternating-current line. When the continuous current has to be transformed from one voltage to another, a “motor dynamo” is used, consisting[352] of an electric motor driving a dynamo on a common shaft.

One of the most interesting features of electric-power transmission is the care that is taken to avoid the terrible danger from the high potentials, and at the same time prevent loss of power on the way. The electricity in the machinery and in the line-wires that extend across the country is veritable lightning, and has to be carefully guarded from doing any damage or escaping. To prevent leakage, the insulation of all of the station machinery and apparatus is made extra good, with “high dielectric strength,” so that it will not be punctured by the high voltage; and the line-insulators are made very large, and electrically and mechanically strong—quite unlike the ordinary-sized glass or porcelain insulators that are employed for telegraph and telephone lines. Each insulator before being put up is tested under a “breakdown voltage” much higher than it is to stand in actual service.

Oil-switches

The switching of high-voltage electric power is a knotty problem. The circuit cannot be interrupted by “air-break” switches, such as are used in ordinary electric-light stations, for any attempt to do so would result in a destructive arc many feet long, that could not be extinguished. Therefore “oil-switches” are always used to control the line-circuits at the main generating station and the sub-stations. In these oil-switches—which are designed to be operated from a distance, by hand-levers, or sometimes by electric motors—the circuit is made and broken under[353] the surface of oil, which prevents the formation of an arc. Moreover, the switchboard attendant does not have to come anywhere near the deadly high-voltage wires, but can make the necessary connections at a safe distance.

Electric Traction

The use of the electric motor to propel vehicles of all kinds is called electric traction. It is, of course, a branch of electric power, which we have just been considering; and it is in many respects the most important branch. The wealth of a country is largely built up and maintained by its facilities for transportation, such as its canals, highways, railroads, and street and interurban car-lines.

In this field electric power is playing a most important part, although it was not many years ago that the first experimental electric cars were put in to replace horses on the street-railways of our cities. The change was found to be so successful that the field of the trolley-car was widened and extended very rapidly, until now we have our great suburban and interurban electric railways, with cars almost or quite as big as those on the steam-railroads and running at even higher speeds. During the last few years, also, the sphere of the steam-railroad itself has been invaded by electricity, by the construction of powerful electric locomotives to draw passenger and freight trains.

The Trolley-car

Let us consider just what it is that makes a trolley-car go. Since electric power is only mechanical energy in another[354] form, we know that the motionless copper trolley-wire, suspended over the track in our streets, is the means of propelling the car just as truly—though in a different way—as if it were a moving steel cable to which the car was attached. We must keep in mind the fact that the electricity is not itself the source of power, but only the medium of transmission. The engine in the power-house, by turning a dynamo there, maintains a constant electric pressure, or “constant potential,” as it is termed, in the trolley-wire. This pressure of electricity forces the power through the motors of the car as soon as the motorman makes the connection to them by turning the handle of his “controller.”

Motor

Fig. 11

[355]

The Continuous-current Motor

Fig. 11 is a view of one form of continuous-current motor. There is not much of the motor itself to be seen, because it is entirely enclosed in a cast-iron case. The shaft of the motor has a small “spur gear” fixed on one end, driving a gear-wheel which is fixed on the car axle. By this arrangement more than one revolution of the motor armature is[356] required to make one revolution of the car-wheel, which multiplies the force exerted in turning the wheel.

Controller

Fig. 12

The Controller

Fig. 12 is a view of a type of controller that is used on the platform of trolley-cars. The cover is removed to show the contacts, inside, by which the electric power is turned on gradually by the controller handle. The trains of electric cars that run on the elevated structures and in the subways of our large cities are supplied with power from a “third rail” placed by the side of the track, on insulating supports, and the motors on all the cars are controlled from a single “master-controller” on the front platform of the forward car. This system of control, known as the “multiple-unit” system, gives electric trains several advantages over the old kind, drawn by steam-locomotives; such as they used to have on the New York elevated roads, for example. For one thing, the train can be started much more quickly, since all the motors begin to turn the car-wheels at the same instant. Then again, the system enables a long train of cars to be controlled as easily as a single car, and better “traction” between wheels and track is obtained.

Electric Locomotives

Several of the great steam-railroads are now adopting the electric locomotive to draw their trains. Fig. 13 is a view of one of the great continuous current electric locomotives that are used by the New York Central Railroad to handle many of its passenger-trains in and out of the Grand Central[357] Station, in New York city. The motors of this powerful electric engine, unlike those of trolley-cars, are “gearless”; that is, their armatures are fixed directly on the locomotive axles so that they revolve at the same speed as the driving-wheels.

Locomotive

Fig. 13

All of the railway motors considered thus far have been of the continuous-current type, although the current to operate them is often obtained from alternating current transmission-systems, through rotary converters, as described above. The alternating current is also beginning to be employed to drive cars and trains. One type of alternating current railway motor, designed for “single-phase” operation, is in use on several interurban systems in this country, running on high-voltage alternating current most of the time, but on continuous current when within the city limits.

[358]

Other Forms of Electric Traction

Electric traction also includes electric automobiles, supplied by storage-batteries; a slow-speed electric locomotive for drawing canal-boats, and called “the electric mule”; and an ingenious gasolene-electric outfit for driving cars by electric motors without any trolley, third rail, or storage-battery. The last-mentioned arrangement consists of a set of electric car-motors mounted on the trucks in the usual way, but supplied with current by a dynamo mounted on the car itself and driven by a gasolene-engine. Thus the car carries its own power-station about with it, and is independent of any outside source of electricity.

The old alchemists sought to transmute matter from one form to another; and especially lead and other “base metals” into gold, in order that they might grow rich by concentrating the precious metal in their own selfish hands. The modern miracle that electricity works for us, the transmutation of energy, is a higher and broader thing, because it multiplies and distributes the world’s good things.


[359]

APPENDIX
A DICTIONARY OF ELECTRICAL TERMS AND PHRASES

Everybody is interested in electricity, but the ordinary reader, and particularly the boy who attempts to use this manual intelligently, will come across many technical words and terms that require explanation. It would be impossible to incorporate all needful definitions in the text proper, and the reader is therefore referred to the technical dictionary on the succeeding pages.

Care has been taken in its compilation to make the definitions complete, simple, and concise. Some of the more advanced technical terms have been purposely omitted as not necessary in a book dealing with elementary principles. The student in the higher branches of the science will consult, of course, the more advanced text-books. But for our practical purposes this elementary dictionary should answer every requirement. To read it over is an education in itself, and the young experimenter in electrical science should always refer to it when he comes across a word or phrase that he does not fully understand.

A

A. An abbreviation for the word anode.

Absolute. Complete by itself. In quantities it refers to fixed units. A galvanometer gives absolute readings if it is graduated to read direct amperes or volts. An absolute vacuum is one in which all residual gases are exhausted; an absolute void is the theoretical consequent. The absolute unit of current is measured in one, two, three, or more amperes or volts.

A-C. An abbreviation expressing alternating current.

Acceleration. The rate of change in velocity.

The increase or decrease of motion when acted upon by the electric current.

Accumulator. A term applied to a secondary battery, commonly called a storage-battery.

Accumulator, Electrostatic. (See Electrostatic Accumulator.)

Accumulator, Storage. A storage-battery.

Acid. A compound of hydrogen capable of uniting with a base to form salts.

Sour, resembling vinegar.

A sharp, biting fluid.

Acidometer. A hydrometer used to determine the gravity of acids. It is employed chiefly in running[360] storage-batteries to determine when the charge is complete.

Adapter. A screw-coupling to engage with different size screws on either end, and used chiefly to connect incandescent lamps to gas-fixtures.

Adherence. The attraction between surfaces of iron due to electro-magnetic action. The term is used in connection with electric brakes—electro-magnetic adherence.

Adjustment. Any change in an apparatus rendering it more efficient and correct in its work.

Aerial Conductor. A wire or electric conductor carried over housetops or poles, or otherwise suspended in the air, as distinguished from underground or submarine conductors.

Affinity. The attraction of atoms and molecules for each other, due to chemical or electrical action.

Air-condenser. A static condenser whose dielectric is air.

Air-line Wire. In telegraphy that portion of the line-wire which is strung on poles and carried through the air.

Alarm, Burglar. A system of circuits with an alarm-bell, the wires of which extend over a house or building, connecting the windows and doors with the annunciator.

Alarm, Electric. An appliance for calling attention, generally through the ringing of a bell or the operating of a horn.

Alarm, Fire and Heat. An expansion apparatus that automatically closes a circuit and rings a bell.

Alive, or “Live.” A term applied to a wire or circuit that is charged with electricity. A “live” wire.

Active circuits or wires.

Alloy. Any mixture of two or more metals making a scientific compound. For example: copper and zinc to form brass; copper, tin, and zinc to form bronze; copper, nickel, and zinc to form German-silver.

Alternating Current. (See Current, Alternating.)

Alternating Current-power. Electrical distribution employing the alternating current from dynamos or converters.

Alternation. A change in the direction of a current; to and fro. Alternations may take place with a frequency ranging from 500 to 10,000 or more vibrations per second.

Alternator. An electric generator-dynamo supplying an alternating current.

Amalgam. A combination of mercury with any other metal.

Amalgamation. The application of mercury to a metal, the surface of which has been cleansed with acid. Mercury will adhere to all metals, except iron and steel, and particularly to zinc, which is treated with mercury to retard the corrosive action of acid on its surface.

Amber. A fossil resin, valuable only in frictional electric experiments. Most of it is gathered on the shores of the Baltic Sea between Königsberg and Memel. It is also found in small quantities at Gay Head, Massachusetts, and in the New Jersey green sand. When rubbed with a cloth it becomes excited with negative electricity.

Ammeter. The commercial name for an ampere-meter. An instrument designed to show, by direct reading, the number of amperes of current which are passing through a circuit.

Ampere. The practical unit of electric current strength. It is the measure of the current produced by an electro-motive force of one volt through a resistance of one ohm.

Ampere-currents. The currents theoretically assumed to be the cause of magnetism.

[361]

Ampere-hour. The quantity of electricity passed by a current of one ampere in one hour. It is used by electric light and power companies as the unit of energy supplied by them, and on which they base their reckoning for measuring the charges for current consumed.

Ampere-ring. A conductor forming a ring or circle. Used in electric balances for measuring current.

Animal Electricity. A form of electricity of high tension generated in certain animal systems—the Torpedo, Gymnotus, and Célurus. The shocks given by these fish, and particularly the electric eel, are often very severe.

Annealing. The process of softening yellow metals by heating them to a cherry redness, then allowing them to cool gradually in the air.

Electric annealing is done by passing a current through the body to be annealed, and heating it to redness; then allowing it to cool gradually.

Annunciator. An apparatus for giving a call from one place to another, as from a living-room to a hotel office, or for designating a window or door that may have been opened when protected by a burglar-alarm.

Annunciator-drop. The little shutter which is dropped by some forms of annunciators, and whose fall discloses a number or letter, designating the location from which the call was sent.

Anode. The positive terminal in a broken, metallic, or true conducting circuit.

The terminal connected to the carbon-plate of a battery, or to its equivalent in any other form of electric generator, such as a dynamo or a voltaic pile.

The copper, nickel, gold, or silver plates hung in an electro-plating bath, and from which the metal is supplied to fill the deficiency made by the electro-deposition of metal on the kathode or negative object in the bath.

Anti-hum. A shackle inserted directly in a line-wire near a pole. It is provided with a washer or cushion of rubber to take up the vibrations of a wire. To continue the circuit a bridle, or curved piece of wire, is connected with the line-wires that are attached to the shackle.

Arc. A term applied to an electric current flowing from carbon to carbon, or from metals separated by a short gap, as in the arc street-lamps.

The original arc was produced by two vertical rods, through which the current passed up and down. When not in action the upper ends touched, but as the current flowed the ends were separated, so that the current, passing up one carbon across the gap and down the other, formed the segment of a circle in jumping from one tip to the other.

An arc of electric flame is of brilliant and dazzling whiteness. The voltaic arc is the source of the most intense heat and light yet produced by man. The light is due principally to the incandescence of the ends of carbon-pencils, when a current of sufficient strength is passing through them and jumping over the gap. Undoubtedly the transferred carbon particles have much to do with its formation. The conductivity of the intervening air and the intense heating to which it is subjected, together with its coefficient of resistance, are other factors in the brilliant light produced.

Arc-lamp. An electric lamp which derives its light from the voltaic arc, by means of carbon-pencils and a current jumping from one to the other.

[362]

Arc, Quiet. An arc free from the hissing sound so common in arc-lights.

Arc, Simple. A voltaic arc produced between only two electrodes.

Armature. A body of iron or other material susceptible to magnetization, and which is placed on or near the poles of a magnet.

That part of an electric mechanism which by magnetism is drawn to or repelled from a magnet.

The core of a dynamo or motor which revolves within the field magnets, and which is the active principle in the generation of current by mechanical means, or in the distribution of power through electrical influence. Armatures are sometimes made of steel, and are permanent magnets. These are used in magneto-generators, telegraph instruments, and other apparatus.

Armature-bar. An armature in a dynamo or motor whose winding is made up of conductors in the form of bars.

Armature-coil. The insulated wire wound around the core of the armature of an electric current-generator or motor.

Armature-core. The central mass of iron on which the insulated wire is wound; it is rotated in the field of an electric current-generator or motor.

Armored. Protected by armor; as cables may be surrounded by a proper sheathing to guard them from injury.

Astatic. Having no magnetic directive tendency, the latter being a general consequent of the earth’s magnetism.

Astatic Circuit. (See Circuit, Astatic.)

Astatic Couple. (See Couple, Astatic.)

Astatic Needle. A combination of two magnetic needles so adjusted as to have as slight directive tendency as possible. The combination is generally made up of two needles arranged one above the other with the poles in opposite directions—commonly called “Nobili’s Pair.” These needles require but a slight electro-force to turn them one way or the other, and are used in astatic galvanometers.

Atmospheric Electricity. (See Electricity, Atmospheric.)

Atom. The ultimate particle or division of an elementary substance. Electricity is largely responsible for the presence of atoms in the atmosphere.

Atomic Attraction. The attraction of atoms for each other. Principally due to electric disturbance.

Attraction. The tendency to approach and adhere or cohere which is shown in all forms of matter. It includes gravitation, cohesion, adhesion, chemical affinity, electro-magnetic and dynamic attraction.

Aurora. A luminous electric display seen in the northern heavens. It is commonly thought to be the electric discharges of the earth into the atmosphere, due to revolution of the former and to the heat produced at the equator. As compared to the static machine for generating frictional electricity, the earth represents the revolving wheel gathering the current and discharging it at the poles.

Automatic Cut-out. An electro-magnetic switch introduced into a circuit, so as to break the circuit of the latter should it become overloaded with current; it also acts in the event of a mechanical interruption.

Automatic Regulation. A speed regulator worked by electricity so that a uniform flow of current may be secured automatically.

Ayrton’s Condenser. This is a pile of glass plates separated by[363] small pieces of glass at the four comers, so that the plates cannot touch each other. Tin-foil is pasted on both sides of every plate, and the two coatings are connected. The tin-foil on each second plate is smaller in area than that on the others, and the plates are connected in two sets, negative and positive. In this construction it will be seen that the glass is not the dielectric proper, but acts only as the plane to which the tin-foil is pasted. One set of plates are connected to a binding-post by strips of tin-foil, and the other set are connected to another binding-post in a similar manner.

B

B. An abbreviation for Beaumé, the inventor of the hydrometer scale. Thus, in speaking of the gravity of fluids, 20° B. means twenty degrees Beaumé.

Back Induction. A demagnetizing force produced in a dynamo when a lead is given to the brushes. (See also Induction, Back.)

Back Shock. A lightning stroke received after the main discharge. It is caused by a charge induced in neighboring surfaces by the main discharge.

Bad Earth. A poor ground connection, or one having comparatively strong electrical resistance.

Balance. A proper adjustment between the apparatus and the electro-motive force, thus securing the best possible results.

B. & S. W-G. Abbreviations for Brown & Sharp and wire-gauge, and referring to the sizes of wire and sheet-metal thicknesses that are considered standards in America.

Bar-armature. An armature in which the conductors are constructed of bars.

Bar-magnet. One whose core presents the appearance of a straight bar, or rod, without curve or bend.

Bare-carbons. Electric light carbons whose surfaces are not electro-plated with copper.

Barometer. An apparatus for measuring the pressure exerted by the atmosphere. It consists of a glass tube 31 inches long, closed at one end, filled with mercury, and then inverted, with its open end immersed in a cistern of mercury. The column of mercury falls to a height proportional to the pressure of the atmosphere. At the sea-level it ranges from 30 to 31 inches.

Bar-windings. The windings of an armature constructed of copper bars.

Bath. In electro-plating, the solution or electrolyte used for depositing metal on the object to be plated. It may be a solution of copper, silver, nickel, or other metal.

In electro-therapeutics it is a bath of water with suitable electrodes and connections for treating patients with electricity.

Bath-stripping. A solution used for stripping or removing the metal plating from an object.

Batten. A strip of wood grooved longitudinally, in which electric light or power wires are set. The grooved strip is screwed to the wall, the wires being laid in the grooves, and then covered with a thin wooden strip fastened on with small nails.

Battery. A combination of parts, or elements, for the production of electrical action.

A number of cells connected parallel or in series for the generation of electricity. Under this heading there are at least one hundred different kinds. Nowadays the dynamo is the cheap and efficient generator of electricity.

Battery Cell, Elements of. The plates of zinc and carbon, or of zinc[364] and copper, in a cell are called elements. The plate unattacked by the solution, such as the carbon or copper, is the negative element, while the one attacked and corroded by the electrolyte is the positive.

Battery, Dry. A form of open circuit cell in which the electrolyte is made practically solid, so that the cell may be placed in any position. A zinc cup is filled with the electrolyte and a carbon-rod placed in the middle, care being taken to avoid contact between cup and carbon at the bottom of the cell. The gelatinous chemical mass is then packed in closely about the carbon, so as to nearly fill the cup. A capping of asphaltum, wax, or other non-conducting and sealing material is placed over the electrolyte, and this hardens about the carbon and around the top inner edge of the zinc cup. The latter becomes the positive pole, the carbon the negative. Binding-posts, or connections, may be attached to the zinc and carbon to facilitate connections.

Battery, Galvanic. The old name for a voltaic battery.

Battery, Gravity. A battery in which the separation of fluids is obtained through their difference in specific gravity—for example, the bluestone cell. The sulphate of copper solution, being the more dense, goes to the bottom, while the zinc solution stays at the top. In its action the acid at the top corrodes the zinc, while at the bottom the solution is decomposed and deposits metallic copper on the thin copper plates.

Battery, Leclanché. An open circuit battery consisting of a jar, a porous cup, and the carbon and zinc elements, the electrolyte of which is a solution of ammonium chloride (sal-ammoniac). The carbon plate is placed in the porous cup, and packed in with a mixture of powdered manganese binoxide and graphite, to serve as a depolarizer. A half-saturated solution of sal-ammoniac is placed in the outer jar, and a rod of zinc suspended in it. Another form of the battery is to omit the porous cup and use twice the bulk of carbon, both elements being suspended in the one solution of sal-ammoniac; this form of battery is used for open-circuit work only, such as bells, buzzers, and annunciators. It is not adapted for lights, power, or plating purposes.

Battery Mud. A deposit of mud-like character which forms at the bottom of gravity batteries, and which consists of metallic copper precipitated by the zinc. It only occurs where wasteful action has taken place.

Battery of Dynamos. A term used in speaking of a number of dynamos coupled to supply the same circuit. They may be coupled in series or parallel.

Battery, Plunge. A battery in a cabinet or frame, so arranged that the active plates can be removed or raised out of the solutions. This is usually accomplished by having the plates attached to a movable frame which, by means of a ratchet-shaft and chains, can be raised or lowered. Its object is to prevent the corrosion of the plates when not in use.

Battery, Primary. A voltaic cell or battery generating electric energy by direct consumption of material. The ordinary voltaic cell, or galvanic battery, is a primary battery.

Battery, Secondary. A storage-battery, an accumulator.

Battery Solution. The active excitant liquid, or electrolyte, placed within a cell to corrode the positive element. Also called Electropoion.

[365]

Battery, Storage. A secondary battery; an accumulator; a battery which accumulates electricity generated by primary cells or a dynamo.

Battery-gauge. A galvanometer used for testing batteries and connections. It is usually small in size, and may be carried in a pocket.

Battery-jar. A glass, earthen, or lead vessel which contains the fluids and elements of each separate cell of a battery.

Baumé Hydrometer. (See Hydrometer, Baumé.)

Becquerel Ray and Radiation. An invisible ray discovered by Becquerel, which is given out by some compounds and chemicals—notably uranium—and which has the power to penetrate many opaque bodies and objects impenetrable to the actinic rays of ordinary light. These rays are used chiefly in connection with the photographic dry-plate.

Bell, Electric. A bell rung by electricity. The current excites an electro-magnet, attracting or releasing an armature which is attached to a vibrating or pivoted arm, on the end of which the knocker is fastened.

Bichromate of Potash. A strong, yellowish-red chemical, used chiefly in battery fluids and electrolytes.

Bifilar Winding. The method followed in winding resistance-coils. To prevent them from creating fields of force, the wire is doubled and the looped end started in the coil. Since the current passes in opposite senses in the two lays of the winding, no field of force is produced.

Binding. Unattached wire wound round armature-coils to hold them in place.

Binding-post. An arrangement for receiving the loose ends of wires in an electric circuit and securing them, by means of screws, so that perfect contact will be the result.

Bi-polar. Possessing two poles.

Bi-telephone. A pair of telephones arranged with a curved connecting arm or spring so that they can be simultaneously applied to both ears.

Blasting, Electric. The ignition of a blasting charge of powder, dynamite, or other high explosive by an electric spark, or by the heating, to red or white heat, of a thin wire imbedded in the explosive.

Block System. A system of signalling on railroads. Signal-posts are arranged at stated spaces, and on these signals appear automatically, showing the location of trains to the engineers of trains in the rear.

Bluestone. A trade name for sulphate of copper in a crystallized state.

Bobbin. A spool of wood or other non-conducting substance wound with insulated wire. In a tangent galvanometer the bobbin becomes a ring with a channel to receive the wire.

Boiling. In secondary, or storage, batteries the escaping of hydrogen and oxygen gases, when the battery is fully charged, resembles water boiling.

Bonded Rails. Rails used in an electric traction system, and which are linked or connected together to form a perfect circuit. Used principally in the third-rail system.

Brake, Electro-magnetic. A brake to stop the wheels of a moving car. It consists of a shoe, or ring, which by magnetic force is drawn against a rotating wheel to stop its revolution.

Branch. A conductor which leads off from a main line to distribute current locally.

Brassing. A process of electro-depositing brass in a bath containing both copper and zinc. A plate of brass is used as an anode.

[366]

Brazing, Electric. A process in which the spelter is melted by electric current, so that the two parts are united as one.

Break. A point where an electric conductor is broken, as by a switch or a cut-out.

Bridge. A special bar of copper connecting the dynamos with the bus wire in electric lighting or power stations.

Bronzing. The deposition of bronze by electro-plating methods. The mixture is of copper and tin, and a cast bronze plate is used as an anode.

Brush. A term applied to the pieces of copper, carbon, or other conducting medium in dynamos and motors, that bear against the cylindrical surface of the commutators to collect or feed in the current.

Bug. Any fault or trouble in the connections or workings of an electrical apparatus. The term originated in quadruplex telegraphy, and probably had some connection with the Edison bug-killer that he invented when a boy.

Buoy, Electric. A buoy to indicate dangerous channels in harbors and to mark wrecks and reefs. It is provided with an electric light at night, and with a gong or an electric horn by day.

Burner, Electric. A gas-burner so arranged that the flame may be lighted by electricity operated by a push-button at some distance from the fixture, or, close at hand, by means of a chain or pull-string.

Burning. In a dynamo, the improper contact of brushes and commutator, whereby a spark is produced and an arc formed which generates heat and causes the metal parts to burn.

Bus-rod. A copper conductor used in power-plants to receive the current from the battery of dynamos. The distributing leads are connected to these rods.

Butt-joint. A joint made by bringing the ends of wires together so that the ends butt. They are then soldered or brazed.

Button, Electric. A form of switch that is operated by pushing a button mounted on a suitable base. Used principally for ringing bells, operating lights, etc.

Buzzer. An electric alarm, or call, produced by the rapid vibration of an armature acted upon by electro-magnetism. The sound is magnified by enclosing the mechanism in a resonant box.

An apparatus resembling an electric bell minus the bell and clapper. The buzzer is used in places where the loud ring of a bell would be a nuisance.

C

C. An abbreviation for centigrade when speaking of thermal temperature. In chemistry the centigrade scale is used extensively, but in air temperatures the Fahrenheit scale is universally employed.

Cable, Aerial. A cable that contains a number of wires separately insulated, the entire mass being protected by an external insulation. It is suspended in the air from pole to pole, and sometimes its weight is so great that a supporting wire is carried along with it (usually overhead), the large cable being suspended from it by cable-hangers.

Cable Box. A box to receive cable ends and protect them; also, the box in which cable ends and line-wires are joined. Submarine cable boxes are usually near the ground, while telephone and telegraph cable boxes are mounted on poles, the cables running from the ground and up the poles to the boxes.

Cable-core. The conductors of a[367] cable which make up its interior mass. For the convenience of linemen the wires are often insulated with different-colored materials so that testing is not necessary when making connections.

Cable-hanger. A metallic grip, usually of sheet metal, arranged to clasp two or more wires. It is fastened to the supporting wire by a hook and eye, or by small bolts with thumb-nuts.

Cable-head. A rectangular board equipped with binding-posts and fuse wires so that the connections may be made between the cable ends and the overhead or line-wires of a system.

Cables. An insulated electric conductor of large diameter, often protected by armor or metallic sheathing, and generally containing, or made up, of several separately insulated wires. Cables supply current to traction lines; power, through subterranean passages; communication, by submarine connection; and light, by overhead or underground conduits.

Call-bell. A bell that is rung by pressing a button, and which is operated by electricity.

Calling-drop. A drop-shutter which is worked by electricity in a telegraph or telephone exchange; it denotes the location from which the call was sent in. Small red incandescent lamps have taken the place of the drops in most of the large telephone exchanges, for they are noiseless and do not annoy the operators as the drops and buzzers did.

Candle-power. The amount of light given by the standard candle. The legal English and American standard is a sperm candle burning two grains a minute.

Candle, Standard. The standard of illuminating power; a flame which consumes two grains of sperm wax per minute, and produces a light of a brightness equal to one candle-power.

Caoutchouc. India-rubber. So named because originally its chief use was to erase or rub off pencil marks. It is a substance existing, in a thick fluid state, in the sap or juices of certain tropical trees and vines; it possesses a very high value as an insulator for wire and circuits. The unworked, crude rubber is called virgin gum, but after it is kneaded it is called masticated or pure gum rubber.

Capacity. A term used when speaking of the carrying power of a wire or circuit. The capacity of a wire, rod, bar, or other conductor is sufficient so long as the current does not heat it. Directly electric heat is generated, we speak of the conductor as being overloaded or having its capacity overtaxed.

Capacity of a Telegraph Conductor. The electric capacity may be identical in quality with that of any other conductor. In quantity it varies not only in different wires, but for the same wire under different conditions. A wire reacting through the surrounding air, or other dielectric, upon the earth represents one element of a condenser, the earth in general representing the other. A wire placed near the earth has greater capacity than one strung upon high poles, although the wires may be of identical length and size and of the same metal. The effect of high capacity is to retard the transmission of current, the low capacity facilitates transmission.

Capacity, Storage. In secondary batteries, the quantity of electric current they can supply, when fully charged, without exhaustion. This capacity is measured or reckoned in ampere-hours.

[368]

Carbon. One of the elements in graphitic form used as an electric-current conductor. It is the only substance which conducts electricity, and which cannot be melted with comparative ease by increase of current. It exists in three modifications—charcoal, graphite, and the diamond. In its graphitic form it is used as an electro-current conductor, as in batteries and arc-light electrodes, and as filaments in incandescent lamps. In arc-lamp use the carbons are usually electro-plated on the outside with a film of copper which acts as a better conductor.

Carbon, Artificial. Carbon-dust, powdered coke, or gas carbon is mixed with molasses, coal-tar, syrup, or some similar carbonaceous fluid, so that the mass is plastic. It can then be moulded or pressed into shapes, and heated to full redness for several hours by artificial or electric heat. For lamp-carbons the mixture is forced through a round die by heavy pressure, and is cut into suitable lengths, then fired or baked.

After removing and cooling, the carbons are sometimes dipped again into the fluid used for cementing the original mass and re-ignited. This process is termed “nourishing.” All carbon is a resisting medium, but at high temperature the resistance is only about one-third as great; that is, the current will pass through a red-hot carbon three times better than through the cold carbon; or a current of thirty amperes will be conducted as easily through a hot carbon as ten amperes through a cold one.

Carbon-cored. A carbon for arc-lamps, the core being of softer carbon than the outer surface. It is supposed to give a steadier light, and fixes the position of the arc.

Carbon-dioxide. A compound gas, or carbonic-acid gas. It is a dielectric.

Carbon-holders. In arc-lamps, the clamps arranged to hold the carbon-pencils.

Carbonization. The ignition of an organic substance in a closed vessel, so as to expel all constituents from it except the carbon.

A destructive distillation.

Carbon Resistance. (See Resistance, Carbon.)

Carbon Volatilization. In arc-lamps the heat is so intense that it is believed a part of the carbon-pencil is volatilized, as vapor, before being burned or oxidized by the oxygen of the air.

Carbons, Bare. (See Bare Carbons.)

Carrying Capacity. In a current-conductor, its carrying capacity up to the heating-point. It is expressed in amperes.

Cascade. The arrangement of a series of Leyden-jars in properly insulated stools, or supports, for accumulating frictional electricity. They are arranged in a manner somewhat similar to a battery of galvanic cells, the inner coating of one being connected to the outer coating of the next, and so on through the series.

Case-hardening, Electric. A process by which the surface of iron is converted into steel by applying a proper carbonaceous material to it while it is being heated by an electric current.

Cautery, Electric. An electro-surgical appliance for removing diseased parts or arresting hemorrhages. It takes the place of the knife or other cutting instrument. It is a loop of platinum wire heated to whiteness by an electric current.

C.C. An abbreviation commonly used for cubic-centimeter. It is usually written in small letters, as 50 c.c., meaning 50 cubic-centimeters.

Cell, Electrolytic. A vessel containing[369] the electrolyte used for electro-plating.

Cell, Regenerated. A cell restored to its proper functions by a process of recharging.

Cell, Standard. Meaning the same as battery. The vessel, including its contents, in which electricity is generated.

Cell, Storage. Two plates of metal, or compounds of metal, whose chemical relations are changed by the passage of an electric current from one plate to the other through an electrolyte in which they are immersed.

Cements, Electrical. Cements of a non-conducting nature, such as marine glue and sticky compounds, used in electrical work.

Centrifugal Force. A diametric revolving force which throws a body away from its axis of rotation. A merry-go-round is a simple example of this force. The more rapidly the platform revolves the greater the tendency for those on it to be thrown off and out from the centre. The high velocity attained by the armatures in motors and dynamos would throw the wires out of place and cause them to rub against the surfaces of the field-magnets. Consequently, wire bands or binders are necessary to keep the coils of wire from spreading under the influence of the centrifugal force.

Charge. The quantity of electricity that is present on the surface of a body or conductor.

The component chemical parts that are employed to excite the elements of a cell in generating electric current.

Charge, Residual. After a Leyden-jar, or other condenser, has been discharged by the ordinary methods, a second discharge (of less amount) can be had after a few minutes’ waiting. This is due to what is known as the residual charge, and is connected in some way with the molecular distortion of the dielectric.

Chemical Change. When bodies unite so as to satisfy affinity, or to bring about the freeing of thermal or other energy, the union is usually accompanied by sensible heat or light. Sulphuric acid added to water produces heat; a match in burning produces light. Another form of chemical change is decomposition or separation (the reverse of combination), such as takes place in the voltaic-battery, the electro-plating bath, and other forms of electrolysis. This is not accompanied by heat or light, but by the evolution of electricity.

Chemical Element. (See Element, Chemical.)

Chemistry. The science which treats of the atomic and molecular relations of the elements and their chemical compounds. Chemistry is divided into many departments, but electro-chemistry treats only of the science wherein electricity plays an active part, such as batteries, electro-plating, and electro-metallurgy.

Choking-coil. (See Coil, Choking.)

Circle, Magic. A form of electro-magnet. It is a thick circle of round iron used in connection with a magnetized coil to illustrate electro-magnetic attraction.

Circuit. A conducting-path for electric currents. Properly speaking, a complete circuit has the ends joined, and includes a source of current, an apparatus, and other elements introduced in the path. When the circuit is complete it is called active. The term circuit is also applied to portions of a true circuit—as, an internal or external circuit.

Circuit, Astatic. A circuit so wound, with reference to the direction of the currents passing through[370] it, that the terrestrial or other lines of force have no directive effect upon it.

Circuit-breaker. Any apparatus for opening and closing a circuit, such as switches, automatic cut-outs, lightning-arresters, and the like.

A ratchet-wheel engaged with a spring, or wire, which rests against the teeth. The current passes through the wire, the wheel, and axle. The wheel is revolved by a crank, and as the ratchets pass the spring, or wire, an instantaneous make-and-break occurs. The speed of the wheel regulates the frequency of the interruptions.

Circuit, External. A portion of the circuit not included within the generator, such as a secondary telegraph key and sounder.

Circuit, Grounded. A circuit in which the ground is used as a conductor. This is common in telegraph and telephone lines, particularly for short distances where the conductivity of the earth does not offer too much resistance.

Circuit, Incandescent. A circuit in which incandescent lamps are installed.

Circuit Indicator. A pocket-compass, galvanometer, or other device for indicating or detecting the condition of a wire, whether it is active or dead, and, if active, in which direction the current is flowing. It may also give a general idea of its strength.

Circuit, Internal. That portion of an electric circuit which is included within the generator.

Circuit Loop. A minor circuit introduced, in series, into another circuit by a switch or cut-out, so that it becomes a part of the main circuit.

Circuit, Main. a circuit or main line, includes the apparatus supplying current to it. Thus distinguished from a local circuit.

Circuit, Metallic. A circuit in which the current outside the generator passes through metal parts or wire, but not through the ground. Electric light and power lines are always metallic circuits. An electro-plating apparatus may be properly termed a metallic circuit, although a part of the circuit is formed by the electrolyte in the bath. The essential meaning of the words metallic circuit is that the earth does not form a part of the return circuit.

Circuit, Open. A circuit in which a switch has been opened to prevent the continuous flow of current, such as an electric-bell circuit, which normally remains open, and which is active only when the push-button is pressed, thereby closing the circuit and operating the bell. An open-circuit battery is one that remains inactive when the circuit is open.

Circuit, Parallel. A term signifying a multiple circuit.

Circuit, Quadruple. A single circuit capable of having four messages transmitted over it simultaneously—two in one direction, and two in the other.

Circuit, Return. In telegraphy the ground is used as the return circuit. It is also that portion of a circuit which leads from an apparatus back to the terminal of a dynamo or battery, usually the negative wire.

Circuit, Short. A connection between two parts of a circuit, causing the current to skip a great part of its appointed path. Short-circuits prevent the proper working of any electrical apparatus.

Circuit, Simple. A circuit containing a single generator, the proper wire for carrying the current, and a switch to operate it. An electric-bell line, a single telegraph line, or a direct telephone line are all simple circuits.

[371]

Clamp. A tool for grasping and holding the ends of wires while joining them.

The appliance for holding the carbon-pencils in arc-lamps.

Cleats. Blocks of wood, porcelain, or other insulating material used to hold wires against a wall or beam. They have one, two, and three notches at one side, for single, double, and three wire systems.

Clutch, Electric. A form of magnetic brake applied to car-wheels, the armatures of motors, and other revolving mechanism, whereby the current, passing through a coil, magnetizes a mass of cast-iron, and brings it to bear frictionally upon the moving parts of the mechanism.

Code, Cipher. A set of disconnected words which, in accordance with a prearranged key, stand for whole sentences and phrases. Commercially the system is used as a short-cut—ten words perhaps meaning what otherwise it would take forty or fifty words to express. It is used extensively in telegraphy, both as an abbreviated message and as a means for securing secrecy.

Coherer. Conducting particles constituting a semi-conducting bridge between two electrodes, and serving to detect electro-magnetic waves. The coherer in wireless telegraphy is understood to mean that form of radio-receiver which, being normally at high resistance, is, under the influence of Hertzian-waves, changed to a low resistance, thus becoming relatively a conductor. Tubes of various kinds have been used for this purpose. Within them is a filling of carbon granules, copper filings, nickel and silver filings, and other substances. Marconi’s coherer consists of a tube one and one-half inches long and one-twelfth inch internal diameter. This is filled with filings—90 per cent. of nickel, 10 per cent. of silver. A globule of mercury coats the outer surface of each grain with a thin film of the quicksilver. Into both ends a piece of pure silver wire is plugged. These latter are a quarter of an inch long, and fit the tube very accurately. The tube is thus sealed, and it is considered preferable to have a slight vacuum within it.

Coil. A strand of wire wound in circular form about a spool, a soft-iron core, or in layers, as a coil of rope.

An electro-magnetic generator.

A helix. (See also Induction, Resistance, Magnetizing.)

Coil, Choking. A form of resistance to regulate the flow of current. Any coil of insulated wire wound upon a laminated or divided iron core forms a choking-coil. In alternating-current work special choking-coils are used. They have a movable iron core, and by thrusting it in or out the power is increased or diminished, thus raising or lowering the lights, the same as gas is regulated.

Coil, Faradic. The name given to a medical induction-coil or faradic machine.

Coil, Induction. A coil in which the electro-motive force of a portion of a circuit is, by induction, made to produce higher or lower electro-motive forces in an adjacent circuit, or in a circuit a part of which adjoins the original circuit. There are three principal parts to all induction-coils—the core, the primary coil, and the secondary coil. The core is a mass of soft iron, cast or wrought, but preferably divided—for example, a bundle of rods or bars. The primary coil of comparatively larger wire is wound about this core, each layer being properly insulated and varnished, or[372] coated with melted paraffine, to bind the wires. The secondary coil is of fine wire, and is wound about the primary coil. A great many turns of the fine wire are necessary, and care must be taken to properly insulate each layer and shellac the wires. The primary must be well insulated from the secondary coil, so as to prevent sparking, which would destroy the insulation. A make-and-break is operated by the primary coil, and is constructed upon the general form of an electric bell or buzzer movement. Extra currents which interfere with the action of an induction-coil are avoided by the use of a condenser. (See also Condenser.) The induction-coil produces a rapid succession of sparks which may spring across a gap of thirty or forty inches, according to the size of the coil. Induction-coils are used extensively in electric work, especially in telephone transmitters, wireless telegraphy, electric welding, and in the alternating-current system.

Coil, Magnetizing. A coil of insulated wire so wound that a well or aperture will be formed. Within this well a piece of steel is placed, so that an electric current, passing through the wires, will magnetize the steel; or a steel rod may be passed in and out of the hole several times while a strong current is travelling through the coil, thus magnetizing the rod.

Coil, Resistance. A coil so constructed that it will offer resistance to a steady current of too great electro-motive force for the safety of the apparatus. Generally the coil is made by doubling the wire without breaking it, then starting at the doubled end to wind it in coil or spring fashion. If the wire is too heavy to wind double, a single strand is wound on a square or triangular insulator in which notches are made. Then, alternately between the coils, the second strand is wound. The strands are joined at one end of the coil, but those at the other are left free for unions with other wires. (See also Resistance.)

Coil, Retarding. A choking-coil. A resistance-coil.

Coil, Ribbon. Instead of wire, flat, thin strips of sheet-metal are sometimes used for resistance-coils, doubled, as explained above. The wraps are insulated with sheet-mica, micanite, or asbestos, to prevent short-circuiting.

Coil, Ruhmkorff. A common type of induction-coil with a vibrator or circuit-breaker. Used with constant and direct current.

A step-up transformer with a circuit-breaker attachment.

Coils, Idle. Coils in a dynamo in which no electro-motive force is being generated or developed.

Coils that, through broken connections or short circuits, are inactive.

Column, Electric. An old name for the voltaic pile. The apparatus made up of a pile of disks of copper and zinc, separated by pieces of flannel wet with acidulated water.

Comb. A bar from which a number of teeth project like the teeth of a comb. It is used as a collector of electricity from the plate of a frictional electric machine.

Commutator. An apparatus used on motors and dynamos and induction-coils for changing the direction of currents. It is made in a variety of types, but usually in the shape of insulated bars closely packed about an armature shaft.

Commutator-bars. The metallic segments of a dynamo or motor-commutator.

Commutators, Quiet. Commutators that do not spark during the revolutions of the armature.

[373]

Compass. An apparatus for indicating the directive force of the earth upon the magnetic needle. It consists of a case covered with glass, in which a magnetized needle, normally pointing to the north, is balanced on a point at the centre. Under the needle a card is arranged on which the degrees or points of the compass are inscribed. A valuable instrument in electrical work, magnetism, etc.

Compass, Liquid. A form of marine compass. The needle is attached to a card or disk which floats in alcohol or other spirits, so as to check undue oscillation.

Compass, Mariners’. A compass in which the needle is attached to a card that rotates in pointing to the north. A mark, called the “lubber’s mark,” is made upon the case, and this is in line with the ship’s keel, so that a glance at the card will indicate the direction in which the ship is headed.

Compass, Spirit. A form of mariners’ compass in which the bowl, or case, is sealed and filled with alcohol. The compass-card works as a spindle, and, by a series of air compartments, floats on the alcohol. The friction of the pivot is thereby greatly diminished, making the compass a very sensitive one.

Compass, Standard. A compass employed as a standard by which to compare other compasses.

Condenser. An appliance for storing up electro-static charges; it is also called a static accumulator. The telegraphic condenser consists of a box packed full of sheets of tin-foil having a sheet of paraffined paper or sheet-mica between every two sheets. The alternate sheets of tin-foil are connected together, and each set has its binding-post. (See also Electrostatic Accumulator.)

Condenser, Air. (See Air-condenser.)

Condenser, Ayrton’s. (See Ayrton’s Condenser.)

Condenser-plate. (See Plate, Condenser.)

Condenser, Sliding. An apparatus in the form of a Leyden-jar whose coatings can be slid past each other to diminish or increase the face area, and also to diminish or increase the capacity of the condenser.

Conductance. The conducting power of a mass of material, varying according to its shape and dimensions. The cylindrical or round conductor is the best type for the conveyance of electric currents.

Conduction. The transmission of electricity through an immobile medium, such as a wire, or rod, or a bar.

Conductivity. Ability to conduct electric currents. The conductivity of a wire is its power to conduct or transmit a current. Glass has no conductivity, and it is therefore a non-conductor.

Conductivity, Variable. The change in the conducting or transmitting powers of metals and substances under different temperatures. Hot metal conducts an electric current better than cold. A hot carbon-pencil in an arc-light conducts the current better than when the light is first started, for as it warms up under the influence of the arc-flame the current passes more freely. Five minutes after the current is turned on the lamps in the circuit give a steady light, and do not sputter as when they first start up.

Conductor. Anything which permits the passage of electric current. The term conductor is a relative one, and, excepting a vacuum, there is probably no substance that has not some conductive power. Metals, beginning with silver, are the best[374] conductors, liquids next, glass the worst. The ether, or air, is a conductor of sound and electric vibratory disturbances, but not in the same sense as the ground. The air conducts frictional electricity, while the ground acts as a conductor for the galvanic current, or “current electricity.” By this last term is meant electricity which flows continually, instead of discharging all at once, with an accompanying spark or flash.

Conductor, Overhead. Overhead electric lines, wires or cables, for conducting current. Generally poles are erected for this purpose.

Conductor, Prime. A cylindrical or spherical body with no points or angles, but rounded everywhere and generally of metal. If made of other material, such as wood, glass, or composition, its entire surface is rendered conductive by being covered with sheet-metal, such as tin-foil, gold-leaf or tinsel, applied to it with paste, shellac, or glue. A prime conductor should be mounted on an insulated stand; it is employed to collect and retain frictional electricity generated by a static machine.

Conductor, Underground. An insulated conductor which is placed under the surface of the earth, passing through conduits.

Connect. The act of bringing two ends of wire together, either temporarily or permanently. Bringing one end of a conductor into contact with another so as to establish an electric connection.

Connector. A sleeve, with screws or other clamping device, into which the ends of wires or rods may be passed and held securely. A binding-post and spring-jack comes under this head.

Contact. The electrical union of two conductors, whether temporary or permanent. It may be established by touching the ends or terminals of a circuit through the agency of a push-button, a telegraph-key, an electric switch, etc.

Contact-breaker. (The same as Circuit-breaker, which see.)

Contact, Loose. A contact formed by two or several surfaces imposed one upon another and held by their weight alone.

Contact-point. A point, or stud, often of silver or platinum, arranged to come into touch with a contact-spring, such as the vibrating armature of an electric bell.

Contact-spring. A spring connected at one end of a lead and arranged to press against another spring or plate, so that a plug may be inserted between the contact-points.

Controller. The lever or handle on the switch-board of a resistance-coil, by means of which electric current is let in or kept out of a circuit.

Controlling Force. In galvanometers and similar instruments, the force used to bring the needle or indicator back to zero.

Converter. An induction-coil used with the alternating current for changing the potential difference and inverting the available current. High alternating voltage may be converted into lower direct-current voltage, thereby increasing the amperage or current. A converter consists of a core of thin iron sheets, wound with a primary coil of fine insulated wire, with many convolutions or turns. Also, a secondary coil made up of coarse insulated wire with fewer convolutions. The coil may be jacketed with iron to increase the permanence.

Converter, Rotary. A combined motor and dynamo whose function is to transform a current of high or low voltage (A-C., or D-C.) into any other kind of current desired.

[375]

Convolution. The state of being convolved; a turn, wrap, fold, or whorl. A clock-spring is a familiar example.

Copper-bath. A solution of sulphate of copper used in electro-plating, electrotyping, and copper-refining by electricity.

Cord, Flexible. A flexible-wire conductor made up of many strands of fine wire and properly insulated so that it may be easily twisted, bent, or wrapped. Flexible wire is used as the conductors for portable electric lights, push-buttons, medical coils, etc.

Core. The iron mass (generally located in the centre of a coil or helix) which becomes highly magnetic when a current is flowing around it, but which looses its magnetism immediately that the current ceases to flow.

A conductor or the conductors of an electric cable made up of a single strand or many strands laid together and twisted. These may be of bare metal, or each one insulated from the others.

Core-disks. Disks of thin wire, for building up armature-cores. The usual form of a core is round or cylindrical. A number of thin disks, or laminations, of iron strung upon the central shaft, and pressed firmly together by the end-nuts or keys. This arrangement gives a cylinder as a base on which to wind the insulated wire that forms a part of the armature.

Core-disks, Pierced. Core-disks for an armature of a motor or dynamo, which have been pierced or bored out around the periphery. Tubes of insulating material, such as fibre, rubber, or paraffined paper, are inserted in the holes and through these the windings of wire are carried. The coils are thus imbedded in the solid mass of iron, and are protected from eddy currents; also they act to reduce the reluctance of the air-gaps. This arrangement is very good, from a mechanical point of view, but in practice its use is confined to small motors only, and dynamos generating under one hundred volts.

Core-disks, Toothed. Core-disks of an armature or motor where notches are cut from the periphery. When they are locked together, to form the armature-core, the coils of wire lie in the grooves formed by a number of the disks bound together. This construction reduces the actual air-gaps and keeps the coils equally spaced.

Core, Laminated. The core of an armature, an induction-coil, a converter, or any similar piece of apparatus, which is made up of plates or disks, insulated more or less perfectly from one another by means of mica or paraffined paper. The object of laminations is to prevent the formation of Foucault currents. A core built up of disks is sometimes called a radially laminated core.

Core, Ring. A dynamo or motor armature-core which forms a complete ring.

Core, Stranded. The core of a cable, or a conducting core made up of a number of separate wires or strands laid or twisted together.

Core, Tubular. Tubes used as cores for electro-magnets, and also to produce small magnetizing power. Tubular cores are nearly as efficient as solid ones in straight magnets, because the principal reluctance is due to the air-path. On increasing the current, however, the tubular core becomes less efficient.

Coulomb. The practical unit of electrical quantity. It is the quantity passed by a current of one ampere intensity in one second.

Couple. The combination of two[376] electrodes and a liquid, the electrodes being immersed in the latter, and being acted on differentially by the liquid. This combination constitutes a source of electro-motive force, and, consequently of current, and is called the galvanic or voltaic cell or battery.

Couple, Astatic.. A term sometimes applied to astatic needles when working in pairs.

Coupling. The union of cells or generators constituting a battery; the volume of current, or electro-motive force, is thereby increased.

C. P. An abbreviation for “candle power”; also meaning “chemically pure,” when speaking of chemicals.

Crater. The depression that forms in the positive carbon of a voltaic-arc.

Creeping. A phenomena met with in solution batteries. The electrolyte creeps up the sides of the containing jar and evaporates, leaving a deposit of salts. Still more solution creeps up through the salts until it gets clear to the top and runs over. To prevent this the tops of the jars should be brushed with hot paraffine for a distance of two inches from the upper edge. The salts will not form on paraffine. Oil is sometimes poured on the top of the battery solution, but this affects the elements if it touches them, and makes their surfaces non-conducting.

Crucible, Electric. A crucible for melting refractory substances, or for reducing ores by means of the electric arc produced within it. Probably the result obtained is due more to current incandescence than to the action of the arc.

Crystallization, Electric. Under proper conditions many substances and liquids take a crystalline form. When such action is brought about by means of electricity the term electric crystallization may be applied to the phenomenon. A solution of nitrate of silver, when decomposed by a current, will give crystals of metallic silver. A solution of common salt or brine, when electrically decomposed, will produce sodium and chlorine. The sodium appears at the leading-out electrode and readily unites with carbonic-acid gas, which is injected into the apparatus. The result of the combination is carbonate of soda, one of the most important products of the alkali industry.

Current, Alternating. A current flowing alternately in opposite directions. It is a succession of currents, each of short duration and of direction opposite to that of its predecessor. Abbreviation, A-C.

Current, Amperage. The volume of electricity passing through any circuit per second, the flow being uniform.

Current, Constant. An unvarying current. A constant-current system is one in which the current is uniformly maintained—for example, in electric light, power, and heat plants.

Current, Continuous. A current of one direction only, or the reverse of an alternating current.

Current, Direct. A current of unvarying direction, as distinguished from the alternating. Abbreviation, D-C.

Current Distribution, Uniform. A steady current; a current whose density in a conductor is always the same at all points.

Current, Induced. A current caused by electro-dynamic induction.

Current, Low Potential. A current of low pressure.

A term applied to low electro-motive force.

Current, Make-and-break. A current which is continually broken or[377] interrupted and started again. The term is applied only where the interruptions occur in rapid succession, as in the action of an induction-coil or pole-changer.

The alternating current.

Current-meter. An apparatus for indicating the strength of a current, such as an ammeter.

Current, Oscillating. A current periodically alternating.

Current, Periodic. A current with periodically varying strength or direction. A current alternating periodically.

Current, Polarizing. A current which causes polarization.

Current-reverser. A switch or other contrivance for reversing the direction of a current in a conductor.

Current, Undulating. A current whose direction is constant but whose strength is continuously varying.

Currents, Eddy. Useless currents in an armature, in the pole pieces, and in the magnetic cores of dynamos and motors. They are created by the high speed of the armature in its rotation, or by other electric currents induced by the armature’s motion through magnetic fields.

Currents, Faradic. Induced currents. They take their name from Michael Faraday, the original investigator of the phenomena of electro-magnetic induction. The secondary or induced electro-magnetic currents and their accompanying phenomena.

A series of alternating electro-static discharges from influence machine, such as the Holtz and Wimshurst.

The simple and commonly understood Faradic currents are those produced in the medical battery, and used in medical therapeutics.

Currents, Foucault. A form of currents produced in revolving armature-cores; sometimes called eddy currents. They are useless.

Currents, Harmonic. Currents which alternate periodically, and vary harmonically. Currents which vibrate at certain pitches, as, for instance, the currents in wireless telegraphy. Two instruments must be tuned to the same pitch in order to be responsive. Thus an instrument sending out waves of 70,000 vibrations cannot be recorded by one tuned much below or above the same number.

Sound waves of sympathetic or harmonic vibrations.

Currents, Positive. (See Positive Currents.)

Cut-in. To electrically connect a piece of mechanism or a conductor with a circuit.

Cut-out. The reverse of the cut-in. To remove from a circuit any conducting device. The cut-out may be so arranged as to leave the circuit complete in some other way.

An appliance for removing a piece of apparatus from a circuit so that no more current shall pass through the former.

Cut-out, Automatic. A safety device for automatically cutting out a circuit to prevent accident or the burning-out of an apparatus, due to an overload of current. It is worked by an electro-magnet and spring. An overload of current causes a magnet of high resistance to draw an armature towards it, and this, in turn, releases the spring of the cut-out device. Sometimes a strip or wire of fusible metal is employed which is in circuit with a switch. The excess of current fuses the metal, and the broken circuit releases a spring-jack, which, in turn, breaks the circuit.

Cut-out, Safety. A block of non-conducting material, such as marble, slate, or porcelain, carrying a safety-fuse[378] or plugs. In these is enclosed a piece of fusible wire, which burns out or melts and breaks the circuit before the apparatus is damaged.

Cut-out, Wedge. A cut-out operated by a wedge, such as a spring-jack or the plugs at the end of the flexible wires on the switch-boards of telephone exchanges.

D

Damper. A frame of copper on which the wire in a galvanometer is sometimes coiled. It acts to check the needle oscillations.

A brass or copper sheathing or tube placed between the primary and secondary coils of an induction-coil to cut off induction and diminish the current and potential of the secondary circuit. When the tube is drawn out gradually the induction increases. It is commonly used in medical coils to adjust their strength of action.

D-C. An abbreviation for direct current.

Dead Earth. A fault in telegraph and telephone lines which consists in the ground-wire being improperly grounded, or not fully connected with the earth.

Dead Turns. A term applied to the ten to twenty per cent. of the convolutions or turns of wire on an armature which are considered to be dead. There are supposed to be about eighty per cent. of the turns on an armature that are active in magnetizing the core; the balance are outside the magnetic field and are termed dead, although they are necessary to the production of electro-motive force.

Dead Wire. A wire in the electric circuit through which no current is passing.

A disused or abandoned electric conductor, such as a telegraph wire, or a wire which may be in circuit, but through which at the time of speaking no electrical action is taking place.

Death, Electrical. Death resulting from an electric current passing through the animal body—electrocution; accidental death by electric shock; premeditated death through bringing the body in direct contact with conductors carrying high electro-motive force. High electro-motive force is essential, and the alternating current is most fatal.

Decomposition, Electrolytic. The decomposition or separation of a compound liquid into its constituents by electrolysis. The liquid must be a conductor or electrolyte, and the decomposition is carried on by means of electricity.

The conversion of two or more chemicals into a new compound or substance.

Deflection. In magnetism, the movement of the needle out of the plane. It is due to disturbance, or to the needle’s attraction towards a mass of iron or steel or another magnet.

Demagnetization. The removal of magnetism from a paramagnetic substance. The process is principally in use for watches which have become magnetized by exposure to the magnetic field surrounding dynamos or motors.

Density, Electric. The relative quantity of electricity, as a charge, upon a unit area of surface. It may be positive or negative.

Surface density, as the charge of a Leyden-jar.

Depolarization. A term applied to the removal of permanent magnetism, such as that from a horseshoe magnet, a watch, or a bar-magnet. Heat is the common depolarizer, but counter electro-magnetic forces are employed also in the[379] various forms of apparatus known as demagnetizers.

Deposit, Electrolytic. The metal or other substances precipitated by the action of a battery or other current-generator, as in the plating processes.

Detector. A portable galvanometer, by means of which a current and its approximate strength can be detected and measured.

Diaphragm. In telephones and microphones, a disk of iron thrown into motion by sound-waves or by electric impulse. It is usually a thin plate of japanned iron, such as is used in the ferrotype photographic process for making tin-types.

Dielectric. Any substance through which electrostatic induction is allowed to occur, such as glass or rubber. It is a non-conductor for all electric currents.

Dielectric Resistance. The resistance a body offers to perforation or destruction by an electric discharge.

Dimmer. An adjustable choke or resistance coil used for regulating the intensity of electric incandescent lamps. It is employed extensively in theatres for raising or lowering the brilliancy of lights.

Dipping. The process of cleaning articles by dipping them in acids or caustic soda, preparatory to electro-plating.

Simple immersion, with or without current, to put a blush of metal on a cleaned surface.

Dipping-needle. A magnetic needle mounted on a horizontal bearing so that it will dip vertically when excited by a current passing horizontally about it. The ordinary compass-needle is mounted on a point, and swings freely to the right or left only.

Direct Current. (See Current, Direct.)

Discharge. The eruptive discharge from a Leyden-jar or accumulator of a volume of electricity stored within it.

The abstraction of a charge from a conductor by connecting it to the earth or to another conductor.

Discharge, Disruptive. The discharge of a static charge through a dielectric. It involves the mechanical perforation of the dielectric.

Disconnect. To break an electric circuit or open it so as to stop the flow of current; to remove a part of a circuit or a piece of apparatus from a circuit.

Distillation, Electric. The distilling of a liquid by the employment of electricity, which, by electrifying the liquid, assists the effects of heat. It is asserted that the process is accelerated by the electrification of the liquid or fluid, but it must be a conductor liquid or electrolyte. Oil, being a non-conductor, is not affected by any electric current, no matter what its specific gravity may be.

Distributing Centre. The centre of distribution in a system having branch circuits, such as the electric-light or telephone outlets from a main station.

Door-opener, Electric. A magnetic contrivance arranged in connection with a lock, by means of which the latch is released by pressing a distant push-button. This device is used in flats and apartment-houses for opening a door from any of the apartments in the house.

Double Filament Lamp. An incandescent lamp having two filaments, one with a high capacity, the other with a low one. The high capacity may be from sixteen to fifty candle-power, the other from one to five. A turn of the bulb in its socket, or the pulling of a string which operates a switch in the socket, cuts out the current from the long filament and sends it[380] through the shorter and finer one, thus giving a weaker light. These “hy-lo” lamps are useful as night lamps in halls, bath-rooms, or in sick-rooms, where a low or weak light is required all night.

Double Pole-switch. A cut-out that is arranged to cut out the circuit of both the negative and positive leads at the same time.

Double-push. A contact-push having two contacts and arranged so that pressure upon it opens one contact and closes the other.

Double Throw-switch. A switch so arranged that it can be thrown into either one of two contacts; a throw-over switch.

Driving-pulley. The broad-faced or channelled pulley on an armature shaft by means of which the power from a motor may be transmitted mechanically.

Dry Battery. (See Battery, Dry.)

Duct. The space in an underground conduit for a single wire or cable.

Duplex Wire. An insulated conductor having two distinct wires twisted or laid together, but properly insulated from each other.

Dynamic Electricity. Electricity in motion or flowing, as distinguished from static or frictional electricity.

Electricity of relatively low potential or electro-motive force in large quantity or amperage.

Dynamo. An apparatus consisting of a core and field-magnets, properly wound with insulated wire, which, when put into operation by revolving the core or armature at high speed, develops electric current; a mechanical generator of electricity.

Dynamo, Motor. (See Motor-dynamo.)

E

Earth. The accidental grounding of a circuit is termed an “earth.”

Earth-plate. A plate buried in the ground to receive the ends of telegraph lines and other circuits, and so give a ground connection. Copper plates are often used, but in houses the ground is usually formed by attaching a wire to the gas or water pipes.

Earth Return. The grounding of a wire in a circuit at both ends gives the circuit an earth return. This method is commonly used in telegraph lines, both in the wire and wireless systems.

Eddy Currents. (See Currents, Eddy.)

Edison Distributing-box. A box used in the Edison “three-wire” system, from which the outlets pass to local circuits.

Edison Lalande Cell. A zinc-copper battery having a depolarizing coating of copper oxide on the copper element, the couple being immersed in an electrolyte composed of potash or caustic soda.

Ediswan. A term applied to the incandescent lamps invented by Edison and Swan and used extensively in Great Britain. Also applied to other apparatus designed by the two inventors.

Efficiency. The relation of work done to the electrical energy absorbed. The efficiency is not equal to the energy absorbed, because it always takes more power to generate a current than is given back in actual efficiency. This is due to mechanical friction and to the resistance of the air in a mechanism such as a dynamo when revolving at high speed.

Efficiency, Electrical. In a generator it is the total electrical energy produced, both that wasted and that actually used in driving machinery or apparatus.

Efflorescence. The dry salts on a jar or vessel containing liquid that[381] collects above the water or evaporation line. This is due to creeping.

Elasticity. A property in some bodies and forces through which they recover their former figure, shape, or dimensions when the external pressure or stress is removed. Water has no elasticity. Air is very elastic; steam has a great volume of elasticity; while electricity is undoubtedly the most elastic of all in its motion through air, water, and other conducting mediums.

Electric. Pertaining to electricity; anything connected with the use of electricity. It has been a much-abused word, and its meaning has been garbled by the impostor, the crook, and the “business thief” in foisting on the public wares in which there was no electrical property whatever. “Electric” toothbrushes, combs, corsets, belts, and the like may contain a few bits of magnetized steel, but they possess no active therapeutic value.

Electrical Engineer. The profession of electrical engineer calls for the highest knowledge of electricity, both theoretical and practical. It embraces the designing and installation of all kinds of electrical apparatus.

Electrician. One versed in the practices and science of electricity; a practical lineman or wireman.

Electricity. One of the hidden and mysterious powers of nature, which man has brought under control to serve his ends, and which manifests itself mainly through attraction and repulsion; the most powerful and yet the most docile force known to man, coming from nowhere and without form, weight, or color, invisible and inaudible; an energy which fills the universe and which is the active principle in heat, light, magnetism, chemical affinity, and mechanical motion.

Electricity, Atmospheric. The electric currents of the atmosphere, variable but never absent. They include lightning, frictional electricity, the Aurora Borealis, the electric waves used in wireless telegraphy, etc. Benjamin Franklin indicated the method of drawing electricity from the clouds. In June, 1752, he flew a kite, and by its moistened cord drew an electric current from the clouds so that sparks were visible on a brass key at the ground end of the cord. Later, when a fine wire was substituted for the cord, and a kite was flown in a thunder-storm, the electric spark was vivid. This experiment confirmed his hypothesis that lightning was identical with the disruptive discharges of electricity.

Electricity, Latent. The bound charge of static electricity.

Electricity, Negative. (See Negative Electricity.)

Electricity, Positive. (See Positive Electricity.)

Electricity, Voltaic. Electricity of low potential difference and large current intensity.

Electricity produced by a voltaic battery or dynamo as opposed to static electricity, which is frictional and practically uncontrollable for commercial purposes.

Electrification. The process of imparting an electric charge to a surface. The term is applied chiefly to electro-static phenomena.

Electrization. In electro-therapeutics, the subjection of the human system to electric treatment. An electric tonic imparted by electro-medical baths through the nervous system.

Electro-chemistry. That branch of science which treats of the relations between electric and chemical forces in their different reactions and compounds. It deals with electro-plating,[382] electro-fusing, electrolysis, etc.

Electro-culture. The application of electricity to the cultivation of plants. The use of electricity has been found very beneficial in some forms of plant growth.

Electrocution. Capital punishment inflicted by electric current from a dynamo of high electro-motive force. The current used is from 1500 to 2000 volts, and it acts to break down the tissues of the body.

Electrode. The terminals of an open electric circuit.

The terminals between which an electric arc is formed, as in the arc-light.

The terminals of the conductors of an electric circuit immersed in an electrolytic solution, such as the carbon and zinc of a battery.

Electrolier. A fixture for supporting electric lamps, similar to a chandelier for gas or candles. Combination electroliers conduct both gas and electricity.

Electrolysis. The separation of a chemical compound into its constituted parts by the action of an electric current.

Electrolyte. A body susceptible of decomposition by the electric current. It must be a fluid body and a conductor capable of diffusion as well as composite in its make-up. An elemental body such as pure water cannot be an electrolyte.

Electrolytic Decomposition. (See Decomposition, Electrolytic.)

Electrolytic Deposit. (See Deposit, Electrolytic.)

Electrolytic Resistance. (See Resistance, Electrolytic.)

Electro-magnetic Induction. (See Induction, Electro-Magnetic.)

Electro-magnetism. Magnetism created by electric current.

That branch of electrical science which treats of the magnetic relations of a field of force produced by a current.

Electro-medical Bath. A bath provided with connections and electrodes for causing a current of electricity to pass through the body of the patient.

Electrometer. An instrument used for measuring static electricity. Electrometers are different from galvanometers, since the latter depend on a current flowing through wires to create an action of the magnetic needles.

Electro-motive Force. Voltage. It may be compared to the pressure of water in hydraulic systems. The unit of electro-motive force is the volt.

Electro-motor. A term sometimes applied to a current-generator, such as a small dynamo or voltaic battery.

Electro-plating. (See Plating, Electro.)

Electropoion Fluid. An acid depolarizing solution for use in zinc-carbon couples, such as the “Grenet” and “Daniell” cells. The bi-chromate-of-potash and sulphuric-acid solution for battery charges is a good example.

Electroscope. An apparatus for indicating the presence of an electric charge and whether the charge is negative or positive.

Electrostatic Accumulator. Two conducting surfaces, separated by a dielectric and arranged for the opposite charging of the two surfaces. A faradic or static machine for accumulating frictional electricity is an example.

Electrostatics. That division of electric science which treats of the phenomena of the electric charge, or of electricity in repose, as contrasted with electro-dynamics or electricity in motion.

[383]

Electrotype. The reproduction of a form of type or engraving by the copper electro-plating process. The original is coated with plumbago and a wax impression taken of it. The face of the negative is made conductive with plumbago or tin dust, then suspended in a copper bath and connected with the current. A film of copper will be deposited on the face of the wax impression.

Element, Chemical. Original forms of matter that cannot be separated into simple constituents by any known process. There are about seventy in all, but as science advances the list is constantly being revised. New elements are discovered and known ones are being resolved into simpler forms.

Elements of Battery Cell. (See Battery Cell, Elements of.)

Emergency Switch. An auxiliary switch used as a controller on a car to reverse the action of the motor.

E-M-F. An abbreviation for electro-motive force, or voltage.

Equalizer. A term applied to a wire or bar in electro-magnetic mechanism for equalizing the pressure over a system.

Exciter. A generator used for exciting the field-magnets of a dynamo.

Extension Call-bell. A bell connected with a telephone call-bell, and located in another part of a building so as to give a distant summons.

External Circuit. (See Circuit, External.)

F

F. The sign commonly employed to designate Fahrenheit. Thus, 30° F. means 30 degrees Fahrenheit, or 30 degrees above zero.

False Magnetic Poles. (See Magnetic Poles, False.)

Faradic. Induced current produced from induction-coils and faradic machines.

A series of alternating electrostatic discharges, as from a Holtz influence machine.

Faradic Coil. (See Coil, Faradic.)

Faradic Currents. (See Currents, Faradic.)

Faradic Machine. An apparatus designed to produce faradic current.

Feed. To furnish an electric current, also spoken of in connection with the mechanism that moves the carbons in arc-lamps.

Feeders, or Feed Wires. The conductors which convey electric currents at different points, as in the trolley system. The current is carried along in large cables strung on poles or laid underground, and at proper distances lines are run in to feed the trolley wire.

Field. The space in the neighborhood of a dynamo or motor, or other generator of electric current, from which the apparatus takes its electricity, both electrostatic and magnetic.

Field-magnet. (See Magnet, Field.)

Field of Force. The space in the neighborhood of an attracting or repelling mass or system. There are two kinds of fields of force—the electro-magnetic and the static—from which the respective pieces of apparatus draw their store of electricity.

Filament. A long, thin piece of solid substance. It is generally as thin as a thread and flexible enough to be bent.

The hairlike element in an incandescent lamp which, when heated by a current, glows and radiates light.

Filaments, Paper. Filaments for incandescent lamps made of carbonized paper. They were the ones originally used in electric lamps, but have been superseded by other substances easier to handle and more durable.

[384]

Flow. The volume of a current or stream escaping through a conductor, such as a wire, rod or pipe.

Fluorescence. The property of converting ether waves of one length into waves of another length. The phenomenon is utilized in the production of Geissler tubes and X-rays.

Fluoroscope. An apparatus for making examinations by means of the X-rays.

Fluoroscopic Screen. A screen overspread with fluorescent material and employed for fluoroscopic examinations in connection with the X-rays.

Force. Any change in the condition of matter with respect to motion or rest. Force is measured by the acceleration or change of motion that it can impart to a body of a unit mass in a unit of time. For instance, ten pounds pressure of steam will be indicated on a gauge made for measuring steam. That pressure of steam, with the proper volume behind it, is capable of instantly producing a given part of a horse-power. In the same way ten volts of electro-motive force is capable of pushing a current so as to exert a certain fraction of horse-power.

Force, Electro-magnetic. The force of attraction or repulsion exerted by the electro-magnet. It is also known as electric force in the electro-magnetic system.

Foucault Currents. (See Currents, Foucault.)

Fractional Distillation. The process of evaporating liquids by heat, the most volatile being the first treated. When that has been evaporated and distilled the heat is raised and the next most volatile liquid is evaporated, and so on until all are evaporated, leaving as a residue the solids that were a part of the original mass of liquid.

Friction. The effect of rubbing, or the resistance which a moving body encounters when in contact with another body.

Frictional Electric Machine. An apparatus for the development or generation of high-tension frictional electricity.

Frictional Electricity. Electricity produced by the friction of dissimilar substances.

Full Load. A complete load. The greatest load a machine or secondary battery will carry permanently. The full capacity of a motor running at its registered speed for its horse-power.

Furnace, Electric. A furnace in which the heat is produced by the electric arc. It is the hottest furnace known to man, and temperatures as high as 7500° Fahrenheit have been developed in it.

Fuse, Electric. A fuse for igniting an explosive charge by electricity. It is made by bringing the terminals or ends of wires close together, so that they will spark when a current passes through them. Or a thin piece of highly resistant wire may be imbedded in an explosive and brought to white heat by current.

Fuse-block. An insulator having a safety-fuse made fast to it.

Fuse-box. A box containing a safety-fuse, generally of porcelain, enamelled iron, or some other non-conductor.

Fuse-links. Links composed of strips or plates of fusible metal serving the purpose of safety-fuses.

Fusing-current. A current of sufficient strength to cause the blowing or fusing of a metal.

G

Galvanic. Voltaic. Relating to current electricity or the electro-chemical relations of metals.

[385]

Galvanic Taste. A salty taste in the mouth resulting from the passage of a light current from a voltaic battery, the ends of the wires being held to either side of the tongue. This has been called tasting electricity, but it is really the decomposition of saliva on the surface of the tongue, due to electrolysis or the passage of a current through a liquid.

Galvanism. The science of voltaic, or current, electricity.

Galvanizing. Coating iron with a thin layer of zinc by immersing the object in the molten metal.

Galvano-faradic. In medical electricity the shocking-coil. The application of the voltaic current, induced by a secondary current (induction-coil), to any part of the body.

Galvanometer. An instrument for measuring current strength.

A magnetic needle influenced by the passage of a current through a wire or coil located near it.

Galvanometer, Tangent. A galvanometer provided with two magnetic needles differing in length, the shorter one serving to measure tangents, the longer being used for sine measurements of current strength.

Galvanoscope. An instrument, generally of the galvanometer type, used to ascertain whether a current is flowing or not.

Generator. An apparatus for maintaining an electric current, such as a dynamo, a faradic machine, a battery, etc.

German-silver. An alloy of copper, nickel, and zinc. Used chiefly in resistance-coils, either in the form of wire or in strips of the sheet-metal.

Gold-bath. A solution of gold used for depositing that metal in the electro-plating bath.

Graphite. A form of carbon. It occurs in nature as a mineral, and also is made artificially by the agency of electric heat.

Gravity Battery. (See Battery, Gravity.)

Grounded Circuit. (See Circuit, Grounded.)

Ground-plate. (See Plate, Ground.)

Ground-wire. The contact of a conductor, in an electric circuit, with the earth. It permits the escape of current if another ground-wire exists.

Guard Tube. A tube inserted in a wooden or brick partition to insulate wires that may pass through it. These tubes are made of porcelain, gutta-percha, compositions of a non-conducting nature, and fibre.

Gutta-percha. Caoutchouc treated with sulphur to harden it; sometimes called vulcanized rubber or vulcanite. It is a product obtained from tropical trees, and when properly treated it is a valuable insulator in electrical work, particularly in submarine cables, since it offers great resistance to the destructive agencies of the ocean’s depths.

H

Hand Generator. A magneto-generator driven by hand for the generation of light currents.

Harmonic Currents. (See Currents, Harmonic.)

Harmonic Receiver. A receiver containing a vibrating reed acted on by an electro-magnet. Such a reed answers only to impulses tuned to its pitch.

Heat. One of the force agents of nature. It is recognized in its effects through expansion, fusion, evaporation, and generation of energy.

Heat, Electric. Caused by a resisting medium, such as carbon or German-silver, when too much current[386] is forced through it. The principle of the car-warmers, electric iron, electric chafing-dish, etc.

Helix. A coil of wire. Properly a coil of wire so wound as to follow the outlines of a screw without overlaying itself.

Horse-power, Electric. Meaning the same as in mechanics. Referred to when speaking of the working capacity of a motor or the power required to drive a dynamo.

Horse-power Hour. A unit or standard of electrical work theoretically equal to that accomplished by one horse during one hour.

Horseshoe Magnet. (See Magnet, Horseshoe.)

H-P. Abbreviation for horse-power.

Hydrometer. An instrument employed to determine the amount of moisture in the atmosphere.

An instrument for determining through flotation the density or specific gravity of liquids and fluids. It consists of a weighted glass bulb or hollow metallic cylinder with a long stem on which the Baumé scale is marked. Dropping it into a liquid it floats in a vertical position, and sinks to a level consistent with the gravity of the fluid.

Hydrometer, Baumé. An apparatus for testing the gravity of fluids. The zero point corresponds to the specific gravity of water for liquids heavier than water. A gauge, valuable in testing acids and other fluids used in electrical work.

I

Igniter. A mechanical hand apparatus, in which a battery, induction-coil, and vibrator are located, and whose spark, jumping across a gap at the end of a rod, ignites or lights a gas flame, blasting-powder, or dynamite.

I-H-P. An abbreviation for indicated horse-power.

Illuminating Power. Any source of light as compared with a standard light—as, for instance, the illuminating power of an electric light reckoned in candle-power.

Illumination. A light given from any source and projected on a surface, per unit of area, directly or by reflection. It is stated in terms—as, for instance, the candle-power of a lamp. When speaking of an incandescent lamp we say it illuminates equal to four candle-power or it gives a light equal to sixteen candle-power.

Immersion, Simple. Plating, without the aid of a battery, by simply immersing the metal in a solution of metallic salt.

Impulse. The motion produced by the sudden or momentary action of a force upon a body. An electro-magnetic impulse is the action produced by the electro-magnetic waves in magnetizing a mass of soft iron and attracting to it another mass of iron or steel.

An electro-motive impulse is one where the force rises so high as to produce an impulsive discharge such as that from a Leyden-jar.

Incandescence, Electric. The heating of a conductor to red or white heat by the passage of an electric current. For example, an incandescent lamp.

Incandescent Circuit. (See Circuit, Incandescent.)

Incandescent Lamp-filament. (See Filament.)

India-rubber. (See Caoutchouc and Gutta-percha.)

Indicator-card. The card used in galvanoscopes, volt and ampere meters, and other instruments. It is provided with a moving needle and is marked with a graduated scale.

[387]

Induced. Caused by induction, and not directly.

Induced Current. (See Current, Induced.)

Inductance. That capacity of a circuit which enables it to exercise induction and create lines of force.

Inductance is the ratio between the total induction through a circuit to the current producing it.

Induction, Back. A demagnetizing force produced in a dynamo armature when a lead is given to the brushes. When the brushes are so set the windings on the armature are virtually divided into two sets: one a direct magnetizing set, the other a cross-magnetizing set which exerts a demagnetizing action on the other set. The position of the brushes on a dynamo or motor is indicated by their location, and if changed back induction will be the result.

Induction-coil. (See Coil, Induction.)

Induction, Electro-magnetic. When negative and positive currents are brought towards each other against their material repulsive tendencies the result is work, or energy, and the consequent energy increases the intensity of both currents temporarily. The variations thus temporarily produced in the currents are examples of electro-magnetic induction. A current is surrounded by lines of force. The approach of two circuits—one negative, the other positive—involves a change in the lines of force about the secondary circuit. Lines of force and current are so intimately connected that a change in one compels a change in the other. Therefore, the induced current in the secondary may be attributed to the change in the field of force in which it lies. The inner and outer coils of wire about the soft iron wire composing an induction-coil are the best and simplest examples of electro-magnetic induction.

Induction, Magnetic. The magnetization of iron or other paramagnetic substances by a magnetic field. The magnetic influence of a bar excited under these conditions is shown by throwing iron filings upon it. They will adhere to both ends (that is at the negative and positive poles) but not at the middle.

Inductor. A mass of iron in a current generator which is moved past a magnet-pole to increase the number of lines of force issuing therefrom. It is generally laminated, and is used in inductor dynamos and motors of the alternating-current type.

Influence, Electric. Electric induction or influence which may be electro-static, current, or electro-magnetic.

Influence Machine. A static electric machine worked by induction, and used to build up charges of opposite nature on two separate prime-conductors.

Installation. The entire apparatus, building, and appurtenances of a technical or manufacturing plant or power-house. An electric-light installation would mean the machinery, street-lines, lamps, etc.

Insulating Joint. Used for the purpose of insulating a gas-pipe from an electric circuit.

Insulating Varnish. A varnish composed of insulating material, such as gums, shellac, or diluted rubber. Shellac dissolved in alcohol is perhaps the best. It is easy to make and dries quickly, making an insulating surface practical for almost every ordinary use.

Insulation. The dielectric or non-conducting materials which are used to prevent the leakage of electricity. The covering for magnet wires, and[388] overhead conduits for power lines and electric lighting.

Insulation, Oil. Any non-combustible oil may be employed as an insulator to prevent electrical leakage in induction-coils, transformers, and the like. Its principal advantage lies in its being in liquid form, permitting of easy handling. Moreover, if pierced by a spark from a coil, it at once closes again without becoming ignited. A solid insulator, if pierced, is permanently injured.

Insulator. Any insulating substance or material to prevent the escape of current. The knobs of porcelain or glass to which wires are made fast.

Insulator, Porcelain. An insulator made of porcelain and used to support a wire.

Intensity. The intensity or strength of a current is its amperage. The strength of a magnetic field, its power to attract or magnetize.

Internal Circuit. (See Circuit, Internal.)

Internal Resistance. (See Resistance, Internal.)

Interrupter. A circuit-breaker. Any device which breaks or interrupts a circuit. It may be operated by hand or automatically.

The vibrator of an induction-coil.

The commutators of an armature.

Isolated Plant. The system of supplying electric energy by independent generating dynamos for each house, factory, or traction line.

Isolation, Electric. A term applied to “electric sunstroke.” Exposure to powerful arc-light produces effects resembling those of sunstroke.

J

Joint. The point where two or more electric conductors join.

Joint Resistance. The united resistance offered by a number of resistances connected in parallel.

Jumper. A short circuit-shunt employed temporarily around an apparatus, lamp, or motor to cut out the current.

Jump-spark. A disruptive spark excited between two conducting surfaces in distinction from a spark excited by a rubbing contact.

K

Kaolin. A form of earth or product of decomposed feldspar composed of silica and alumina. It is serviceable in insulating compounds.

Kathode. The terminal of an electric circuit whence an electrolyzing current passes from a solution. It is the terminal connected to the zinc pole of a battery or the article on which the electro-deposit is made.

Key. The arm of a telegraphic sounder by which the circuit is made and broken. A pivoted lever with a finger-piece which, when depressed, makes contact between a point and a stationary contact on the base.

Keyboard. A board, or table, on which keys or switches are mounted.

A switchboard.

Kilowatt. A compound unit; one thousand watts; an electric-current measure. Abbreviation, K-W.

Kilowatt Hour. The result in work equal to the expenditure or exertion of one kilowatt in one hour.

Kinetoscope. A photographic instrument invented by Edison for obtaining the effect of a panorama or moving objects by the display of pictures in rapid succession—in familiar parlance, “moving pictures.”

Knife Switch. A switch with a narrow and deep, movable blade, or bar of copper or brass, which resembles[389] the blade of a knife. It is forced between two spring-clamps attached to one terminal so as to make perfect contact.

L

Laminated. Made up of thin plates, as an armature-core.

Laminated Core. (See Core, Laminated.)

Lamp-Arc. A lamp in which the light is produced by a voltaic arc. Carbon electrodes are used, and a special mechanism operates and regulates the space between the carbons so that a perfect arc may be maintained.

Lamp, Incandescent. A lamp in which the light is produced through heating a filament to whiteness by the electric current. It consists of a glass bulb from which the air is exhausted and sealed, after the filament is enclosed. The ends of the filament are attached to platinum wires, which in turn are made fast to the contact-plates at the head of the lamp, so as to connect with the current.

Lamp-socket. A receptacle for an incandescent lamp. It is generally made of brass and provided with a key-switch to turn the current on and off.

Latent Electricity. (See Electricity, Latent.)

Lead. (Not the metal.) An insulated conductor which leads to and from a source of power; an insulated conductor to and from a telegraph or telephone instrument; a circuit, a battery, or a station. Not a part of the line circuit.

That part of an electric light or power circuit which leads from the main to the lamps or motors.

Leading-in Wires. The wires which lead into a building from an aerial circuit.

The wires which lead in and out from a lamp, battery, or instrument.

Leak. An escape of electrical energy through leakage. This is more liable to occur in bare than in insulated wires. The escape of current from bare trolley wires is much greater than that from the insulated conductors, particularly in damp or rainy weather.

Leclanché Battery. (See Battery, Leclanché.)

Leyden-jar. A type of static condenser. Its usual form is a glass jar. Tin-foil is pasted about its inner and outer surfaces covering about half the wall. The balance of the glass is painted with shellac or insulating varnish. The mouth is closed with a cork stopper, and through its centre a brass rod is passed which, by a short chain, is connected with the interior coating of the jar. The top of the rod is provided with a brass knob or ball, and from this last the spark is drawn.

Lightning. The electro-static discharge of clouds floating in the atmosphere. It is the highest form of frictional electricity, uncontrollable and very dangerous, since the strength of a single flash may run into hundreds of thousands of volts.

Lightning-arrester. An apparatus for use with electric lines to carry off to earth any lightning discharges that such lines may pick up; or it may be a form of fuse which burns out before the current can do any harm to the electrical mechanism.

Line-insulator. An insulator serving to support an aerial line.

Lineman. A workman whose business is the practical part of electrical construction in lines and conducting circuits.

Link-fuse. A plate of fusible metal in the shape of a link. It is used as a safety-fuse in connection with copper terminals.

[390]

Liquefaction, Electric. The conversion of a solid into a liquid by the sole agency of electricity in its heat action upon the solid.

Liquid Resistance. (See Resistance, Liquid.)

Lithanode. A block of compressed lead binoxide, with platinum connections, for use in a storage battery.

Litharge. Yellow-lead. A chemical form of metallic lead.

Load. In a dynamo, the amperes of current delivered by it under given conditions of speed, etc.

Local Action. In a battery, the loss of current due to impurities in the zinc. The currents may circulate in exceedingly minute circles, but they waste zinc and chemicals and contribute nothing to the efficiency of the battery.

In a dynamo, the loss of energy through the formation of eddy currents in its core or armature, in the pole pieces, or in other conducting bodies.

Lodestone. The scientific name is magnetite. Some samples possess polarity and attract iron; these are called lodestones.

Loop. A portion of a circuit introduced in series into another circuit.

Low Frequency. A frequency (in current vibrations) of comparatively few alternations per second.

Low Potential Current. (See Current, Low Potential.)

Luminescence. The power or properties some bodies have of giving out light when their molecular mass is excited. For example, phosphorus and radium.

Luminous Heat. The radiation of heat by electric current, which at the same time produces light. For example, the filament in an incandescent lamp.

Luminous Jar. A Leyden-jar whose coatings are of lozenge-shaped pieces of tin-foil between which are very short spaces. When discharged, sparks appear all over the surface where the small plates of metal nearly join.

M

Magnet. A substance or metal having the power to attract iron and steel.

Magnet-bar. A magnet in the shape of a straight bar. (See Bar-magnet.)

Magnet-coil. A coil of insulated wire enclosing a core of soft iron through which a current of electricity is passed to magnetize the iron.

Magnet-core. An iron bar or mass of iron around which insulated wire is wound in order to create an electro-magnet.

Magnet, Electric. A magnet consisting of a bar of iron, a bundle of iron wires, or an iron tube, around which a coil of insulated wire is wound. When a current is passing through the coil its influence magnetizes the iron core, but directly the current ceases the magnetism disappears.

Magnet, Field. The electro or permanent magnet in a dynamo or motor, used to produce the area of electric energy.

Magnet, Horseshoe. A magnet of U shape with the poles or ends brought closer together than the other parts of the limbs. A soft iron bar is placed across the poles when not in use, as this serves to conserve the magnetism.

Magnet, Permanent. A term applied to a hard steel magnet possessing high retentivity, or the power to hold its magnetism indefinitely.

Magnet, Regulator. An electro-magnet whose armature moves in such a manner as to automatically[391] shift the commutator-brushes, on a motor or dynamo, to a position which insures the preservation of both brushes and commutator-bars, and also produces a constant current.

Magnet, Simple. A magnet made of one piece of metal.

Magnet Wire. Insulated wire used for coils. Cotton or silk covered wire is the most serviceable for winding magnets.

Magnetic Adherence. The tendency of a mass of iron to adhere to the poles of a magnet.

Magnetic Attraction and Repulsion. The attraction of a magnet for iron, steel, nickel, and cobalt; also of unlike poles of magnets for each other. The like poles repel.

Magnetic Circuit-breakers. An automatic switch, or breaker, whose action is excited and controlled by an electro-magnet.

Magnetic Concentration of Ores. The separation of iron and steel from their gangue by magnetic attraction. It is applicable only when either the ore or the gangue is susceptible to the magnet.

Magnetic Control. The control of a magnetic needle, magnet, index, armature, or other iron indicator in a galvanometer, ammeter, or voltmeter by a magnetic field.

Magnetic Dip. The inclination from the horizontal position of a magnetic needle that is free to move in a vertical plane.

Magnetic Field, Rotary. A magnetic field resulting from a rotary current.

Magnetic Field, Shifting. A magnetic field which rotates. Its lines of magnetic force vary, therefore, in position.

Magnetic Field, Uniform. A field of uniform strength in all portions, such as the magnetic field of the earth.

Magnetic Force. The power of attraction and repulsion exercised by a magnet; the force of attraction and repulsion which a magnet exercises, and which, in its ultimate essence, is unknown to science.

Magnetic Induction. (See Induction, Magnetic.)

Magnetic Needle. A magnet having a cup or small depression at its centre, and poised on a sharp pin of brass, so as to be free to rotate. Its N pole points to the north, and its S pole to the south. A compass needle.

Magnetic Poles. The terrestrial points towards which the north or south poles of the magnetic needle are attracted. There are two poles: the arctic, or negative, which attracts the positive or N pole of the magnetic needle; and the antarctic, or positive, which attracts the S pole of the needle.

Magnetic Poles, False. It has been established that there are other poles on the earth that attract the magnetic needle when the latter is brought into their vicinity. These are called false poles, and are probably caused by large deposits of iron lying close to the surface of the earth.

Magnetic Separator. An apparatus for separating magnetic substances from mixtures. It is used chiefly in separating iron ore from earth and rock. The mineral falls on an iron cylinder, or drum, magnetized by coils, and adheres there, while the earth or crushed rock drops below. The particles of iron are afterwards removed by a scraper. The machine is also used in separating iron filings and chips from brass, copper, or other metals, the iron adhering to the magnet, while the brass and other chips drop underneath.

Magnetism. The phenomena of attraction exerted by one body for another. It has been commonly understood that magnetism and electricity are very closely related,[392] for without electricity magnetism could not exist, although it has not been shown clearly that magnetism plays any part in the generation of electricity. Magnetism is the phenomenal force exerted by one body having two poles (negative and positive) for like bodies. The horseshoe magnet or a bar of magnetized steel are the simplest examples of this. If both ends of the horseshoe were positive they would not attract, but would repel. If both ends of a bar were positive they would repel; but as one is negative, or north-seeking, and the other positive, they exert lines of force which attract like bodies, such as bits of iron, nails, and needles. No energy is required to maintain magnetism in a tempered steel object, such as the wiring about a soft iron core when it has been magnetized, but electric current must flow about the soft iron core in order to render it a magnet. So soon as the current ceases to flow the magnetism ceases and the soft iron fails to attract.

Magnetism, Uniform. Magnetism that is uniform throughout a mass of magnetic steel, or a core that is electro-magnetic.

Magnetize. To impart magnetic property to a substance capable of receiving it.

Magnetizing-coil. (See Coil, Magnetizing.)

Magneto Call-bell. A call-bell used principally in telephone systems, and operated by a current from a magneto-electric generator. The current is excited by turning the handle at the side of the telephone-box before removing the receiver from the hook.

Magneto-generator. A current-generator composed of a permanent magnet and a revolving armature which is rotated between the poles of the permanent magnet.

Main Circuit. (See Circuit, Main.)

Main Feeder. The main wire in a district to which all the feeder wires are attached.

Main Switch. The switch connected to the main wire of a line, or the main-switch controlling a number of auxiliary switches.

Mains, Electric. The large conductors in a system of electric light or power distribution.

Make and Break, Automatic. An apparatus which enables the armature of a magnet to make and break its circuit automatically.

Make-and-break Current. (See Current, Make-and-break.)

Mercurial Air-pump. An air-pump operated by mercury to obtain a high vacuum, and used extensively for exhausting incandescent-lamp bulbs.

Mercury Tube. A glass tube sealed and containing mercury. It is so arranged as to give out fluorescent light when shaken or agitated by an electric current. For example, the Geissler tubes, the Cooper-Hewitt light, Crook’s tubes, etc.

Metallic Arc. An arc which forms between metallic electrodes.

Metallic Circuit. (See Circuit, Metallic.)

Metallic Conductor. A conductor composed of a metal.

Metallic Filament. A metal wire used in an incandescent lamp—the filament.

Metallic Resistance. (See Resistance, Metallic.)

Metallurgy. The art of working metals. Electro-metallurgy applies to the processes wherein electricity plays the most important part.

Mica. A natural mineral of sheet form and translucent, used extensively[393] as an insulator in electrical equipment and mechanism.

Mica, Moulded. A composition composed of ground mica and shellac as a binder. When heated and pressed into various shapes and forms, it is a valuable insulator, and is employed for hooks, locks, tubes, sockets, and the like.

Micanite. An insulating material made by cementing laminations of pure mica together and cementing them with shellac or other suitable non-conducting adhesives.

Molecular Adhesion. The attraction of similar molecules for each other.

Molecular Attraction. The attraction of molecules, or physical affinity.

Molecular Resistance. The resistance which a mass or electrolyte offers when contained in an insulated vessel and a current of electricity is passed through it.

Molecule. One of the invisible particles supposed to constitute matter of every kind; the smallest particle of matter that can exist independently. It is made up of atoms, but an atom cannot exist alone.

Morse Receiver. The receiving instrument once universally used in the Morse system of telegraphy, but now superseded by the sounder.

Morse Recorder. An apparatus which automatically records on a ribbon of paper the dots and dashes of the Morse telegraph alphabet.

Morse Sounder. An electro-magnetic instrument designed to make a sharp, clicking sound when its armature lever is drawn down by the attraction of the magnets.

Morse System. A telegraphic system invented by Prof. S. F. B. Morse, in which, by means of alternating makes and breaks of varying duration, the dots and dashes of the Morse alphabet are reproduced and received at a distance through the agency of wires and the electro-magnetic sounder.

Motor, Electric. A machine or apparatus for converting electric energy into mechanical kinetic energy or power. The electrical energy is usually generated by a dynamo, and distributed on conductors to motors located at various points.

Electric motors are of two types—the A-C., or alternating current, and the D-C., or direct current.

Motor-car, Electric. A self-propelling car driven by stored electricity.

Motor-dynamo. A motor driven by a dynamo whose armature is firmly attached or connected to that of the dynamo. It is used for modifying a current. If the dynamo generates an alternating current of high potential, the motor converts it into a direct current of lower voltage but increased amperage.

Motor-transformer. A transformer which is operated by a motor.

A dynamo-electric machine provided with two armature windings, one serving to receive current, as a motor, the other to deliver current, as a generator, to a secondary circuit.

N

N. An abbreviation for the north-seeking pole in a magnet.

Natural Magnet. A loadstone.

Needle. A term applied to a bar-magnet poised horizontally upon a vertical point.

A magnetic needle, or the magnet in a mariner’s compass.

Negative. Opposed to positive.

Negative Electricity. The kind of electricity with which a piece of amber is charged by friction with flannel.

In a galvanic battery or cell the[394] surface of the zinc is charged with negative electricity. Negative electricity, according to the theory of some scientists, really means a deficiency of electricity.

Negative Electrode. The same as Negative Element.

Negative Element. The plate not dissolved by the solution in a voltaic cell; the one which is positively charged.

The carbon, platinum, or copper plate or pole in a battery.

Negative Feeder. The conductor which connects the negative mains with the negative poles of a generator.

Negative Plate. (See Plate, Negative.)

Negative Pole. (See Pole, Negative.)

Neutral Feeder. The same as Neutral Wire.

Neutral Wire. The central wire in a three-wire system.

Nickel-bath. A bath for the electro-deposition of nickel.

Non-arcing Fuse. A fuse-wire which is enclosed in a tube packed with asbestos or silk, and which does not produce an arc when it fuses or blows out. It is practically noiseless, save for a slight hissing sound, accompanied by a light puff of smoke, which escapes from a venthole in the side of the tube.

Non-conductor. A material or substance offering very high resistance to the passage of the electric current.

Non-magnetic Steel. Alloys of iron incapable of being magnetized. They are composed of iron and manganese, nickel, steel, etc.

Normal. Regular. The average value of observed quantities. Normal current is a regular current without variations.

The force of a current at which a system is intended to work.

Normal Voltage. The same as Normal Current.

North Pole. The north-seeking pole of a magnet.

The pole of a magnet which tends to point to the north, and whence lines of force are assumed to issue on their course to the other pole of the magnet.

O

O. An abbreviation for Ohm.

Oersted’s Discovery. Oersted discovered, in 1820, that a magnetic needle tended to place itself at right angles to a current of electricity. This fundamental principle is the basis of the galvanometer, the dynamo, and the motor.

Ohm. The practical unit of resistance. A legal ohm is the resistance of a column of mercury one square millimetre in cross-sectional area and 106.24 centimetres in length.

Ohm, True. The true ohm is the resistance of a column of mercury 106.24 centimetres long and one square millimetre in cross-sectional area. An ohm may be measured by a No. 30 copper wire nine feet and nine inches long. If larger size wire is used the piece must be proportionately longer, since the resistance is less.

Ohmic Resistance. True resistance as distinguished from spurious resistance, or counter electro-motive force. (See also Resistance, Ohmic.)

Ohm’s Law. The basic law which expresses the relations between current, electro-motive force, and resistance in active circuits. It is formulated as follows:

1. The current strength is equal to the electro-motive force divided by the resistance.

2. The electro-motive force is[395] equal to the current strength multiplied by the resistance.

3. The resistance is equal to the electro-motive force divided by the current strength.

O. K. A telegraphic signal meaning yes, or all right. It is supposed to be a misspelled form of all correct, “Oll Kerrekt.”

Okonite. A form of insulation for wires and conductors; a trade name applied to insulations, and protected by copyright.

Open Arc. A voltaic arc not enclosed.

Open Circuit. (See Circuit, Open.)

Oscillating Current. (See Current, Oscillating.)

Outlet. That part of an electrolier or electric light fixture out of which the wires are led for attachment to incandescent light sockets.

Outside Wiring. The wiring for an electric circuit which is located outside a building or other structure.

Overhead Feeders. The same as overhead conductors.

Overhead Trolley. The system in which the current for the propulsion of trolley-cars is taken from overhead feeders or wires.

Overhead Trolley-wire. A naked, hard copper wire drawn at high tension, and suspended over or at the side of a car-track, and from which the trolley-wheel takes its current.

Overload. In an electric motor, an excess of mechanical load prevents economical working, causing the armature to revolve slowly and the wiring to heat. In this case heating implies waste of energy.

Overload Switch. A switch which operates automatically to open a circuit in line with a motor, and so save the motor from overheating or burning in the event of an overload.

P

Paper Cable. A cable insulated with waxed or paraffined paper.

Paraffine. A residuum of petroleum oil, valuable as an insulating medium in electrical work.

A hydro-carbon composition of the highest resistance known. It is extensively used in condensers and other electrical apparatus as a dielectric and insulator.

Parallel Distribution. A distributing system for electricity wherein the receptive contrivances are adjusted between every two of a number of parallel conductors running to the limits of the system. When two or more conductors connect two mains of comparatively large size and low resistance, they are said to be in parallel or in multiple. This order is easily pictured by imagining the mains to be the sides of a ladder and the conductors the rungs. In the latter the lamps are placed. It follows that the current flows from one main to the other through the conductors and lamps.

Paramagnetic. Substances which have magnetic properties, or those which are attracted by magnetic bodies. A paramagnetic substance has high multiplying power for lines of force, therefore a bar of iron which is a paramagnetic substance of the highest quality becomes magnetic when placed within a circle of electric lines of force. The first example of paramagnetic substance brought to the attention of man was the lodestone, from which the ancient mariners fashioned their crude compass needles.

P-C. An abbreviation for porous cup.

Pear Push. A push-button enclosed in a handle having the shape of a pear. It is generally attached to the end of a flexible wire cord.

[396]

Periodic Current. (See Current, Periodic.)

Permanency, Electric. The power of conductors to retain their conductivity unaffected by the lapse of time.

Permanent Magnet. (See Magnet, Permanent.)

Phase. One complete oscillation. The interval elapsing from the time a particle moves through the middle point of its course to the instant when the phase is to be stated.

Simple harmonic motion. Oscillation.

’Phone. An abbreviation for the word Telephone.

Phonograph. An apparatus for reproducing sound. It is vibratory and not electric in its action, except that the mechanism may be driven by electricity. It consists of a rotating cylinder of a waxlike material and a glass diaphragm carrying a needle-point that lightly touches the surface of the waxen cylinder. If the diaphragm is agitated the needle vibrates, making indentations in the surface of the wax. If the needle is set back and the cylinder rotated so as to carry the point over the indentations, the sound is given back through the vibration of the diaphragm.

Pickle. An acid solution used to cleanse metallic surfaces preparatory to electro-plating.

Pilot Wires. Wires brought from distant parts of electric light and power mains, and leading to voltmeters at a central station. Through their agency the potential energy of every part of the system may be measured.

Pith-balls. Balls made from the pith of light wood, such as elder. They are used in the construction of electroscopes and for other experiments in static electricity.

Plant. The apparatus for generating electric current, including engines, boilers, dynamos, mains, and subsidiary apparatus.

Plate, Condenser. In a static apparatus, the condenser having a flat piece of glass for a dielectric. It is mounted on an axle so that it may be revolved.

Plate, Ground. In a lightning-arrester, the plate connected to the earth or ground wire.

Plate, Negative. In a voltaic battery, the plate which is unattacked by the fluid. It is made of carbon, platinum, or copper.

Plate, Positive. (See Positive Plate.)

Plating-bath. A vessel of solution for the deposition of metal by electrolysis. Used in electro-plating.

Plating, Electro. The process of depositing metal on surfaces of metals or other substances by the aid of an electrolyte and the electric current.

Platinum Fuse. A slender wire of platinum roused to incandescence by current, and used to explode a charge of powder or other combustible substance.

Plug. A piece of metal, with a handle, used to make electric connections by being inserted between two slightly separated plates or blocks of metal.

A wedge of metal, slightly tapered, and used to thrust between two conductors to close or complete a circuit.

Plumbago. Soft, lustrous graphite; a native form of carbon sometimes chemically purified. It is used chiefly in electrotyping for dusting the wax moulds to make the surface an electric conductor.

Plunge-battery. (See Battery, Plunge.)

Polar. Pertaining to one of the poles of a magnet.

[397]

Polarity. The disposition in a body to place its axis in a particular direction when influenced by magnetism. For example, the attraction and repulsion at the opposite ends of a magnet. The N and S seeking poles of a compass needle is the simplest example.

Polarity, Electric. The disposition in a paramagnetic body to be influenced by electric waves and lines of force. The otherwise non-magnetic body or mass becomes magnetic to attract or repulse when influenced by electricity, but ceases to retain the phenomena after the electric influence is removed. A piece of soft iron wire, a nail, or a short rod of iron will become electro-polarized when a current of electricity is sent through a coil of insulated wire so wound that one end will be N the other S. So soon as the circuit is broken the polarity ceases.

Polarization. The depriving of a voltaic cell of its proper electro-motive force. This may be brought about through the solution becoming spent, or in the event of the acid being saturated with zinc, and so failing to act on the metallic zinc.

Counter electro-motive force due to the accumulation of hydrogen on the negative plate.

Polarizing-current. (See Current, Polarizing.)

Polar Surface. The surface of a magnetic substance through which the magnetic flux passes in or out.

Pole-changer. An automatic, oscillating switch or contact-breaker which reverses the direction of the current.

Pole, Negative. The S pole in a magnet or compass needle.

Pole, Positive. (See Positive Pole.)

Pole-switch, Single. A switch designed to open or close one lead only.

Poles. The terminals of an open electric circuit at which there necessarily exists a potential difference.

The terminals of an open magnetic circuit, or the ends of a magnetized mass of iron.

Porcelain. A fine variety of earthenware, valuable for insulators and insulating purposes.

Porosity. The state or property of having small interstices or holes. The opposite of density.

Porous Cup or Cell. A cup or cell made of pipe-clay or of unglazed earthenware through which a current of electricity can pass when wet or in a liquid. Porous cups are used in cells and batteries to keep two liquids apart, and yet permit electrolysis and electrolytic conduction.

Positive Currents. Currents which deflect the needle to the left.

Positive Electricity. The current that flows from the active element, the zinc in a battery, to the carbon. The negative electricity flows from the carbon to the zinc.

Positive Electrode. The electrode which is connected with the positive pole of a source of electric energy.

Positive Feeders. The lead or wire in a set of feeders which is connected to the positive terminal of the generator.

Positive Plate. In a voltaic cell, the plate which is acted upon and corroded. The current from the positive plate is negative electricity.

Positive Pole. The N pole in a magnet or magnetic needle. So called because it seeks the north or negative pole of the earth.

Positive Wire, or Conductor. The wire, or conductor, connected with the positive pole of any apparatus which produces electro-motive force.

Potential, Electric. The power to perform electric work.

Potential Energy. Capacity for[398] doing work. Potential energy when liberated becomes actual energy for the performance of work.

Power-generator. Any source from which power is generated.

Power-house. A station in which the plant of an electric power system is operated and the current distributed to local or long-distance points. Power-houses are either primary or secondary stations. In the primary station the current is generated directly by the aid of mechanical power, either the steam-engine or the steam-turbine. The secondary station, or sub-station, is located at a distance from the main power-house, and has no mechanical means of generating current. The current, usually of high alternating voltage, is supplied to the sub-station from the main power-house; and by means of transformers and converters, the high-voltage current is transformed into one of lower E-M-F and higher amperage, for distribution over local lines.

Power-unit. The unit of electric power is the volt-ampere or watt.

Pressure, Electric. Electro-motive force or voltage.

Primary. A term used to designate the induction-coil in an induction-apparatus or transformer. It is an abbreviation for primary coil.

Primary Battery. (See Battery, Primary.)

Prime Conductor. (See Conductor, Prime.)

Push-button. A switch for closing a circuit by means of pressure applied to a button. The button is provided with a spring, so that when pushed in and released it flies back, reopening the circuit.

Pyrogravure. A process of engraving by the use of platinum points heated to redness by the electric current.

Q

Q. Abbreviation or symbol for electric quantity.

Quadrant. The quarter of a circle or of its circumference.

Quadruple Circuit. (See Circuit, Quadruple.)

Quantity. The term is applied to express arrangements of electrical connections for giving the largest possible amount of current.

Quantity, Electro-magnetic. The electro-magnetic current measured by its intensity for a second of time.

Quick-break. A break affected in an electric current by the employment of a quick-break switch.

Quickening. The amalgamating of the surface of a metallic object before electro-plating it with silver. This secures better adhesion of the deposit, and is done by dipping the article into a solution of mercurial salts—one part of mercuric nitrate to one hundred parts of water.

R

Radiant Energy. Energy existing in the luminiferous ether and exercised in wave transmission, creating light or sound. Radium possesses the highest form of radiant energy.

Radiate. To emit or send out in direct lines from a point or points, as radiating heat, light, or sound. The radiations are sent out in all directions from a central point, just as a stone thrown in a pond of still water will radiate waves or ripples from the central point.

Radiation. The travelling or motion of ether waves through space.

Radiator, Electric. A series of plates or wire-coils heated by current. They radiate heat and so warm the surrounding air.

Radiograph. A photographic picture taken by the X-ray process.

[399]

Receiver. In telephony or telegraphy, an instrument for receiving the message as distinguished from the instrument sending or transmitting the message.

The telephone piece held to the ear is the receiver.

Receiving End. The end of a line where the operative currents are received, as opposed to the end at which they are transmitted.

Receptacle. A device for the installation of an attachment or extension plug. Used in connection with electric-lighting circuits.

Recoil Kick. Reaction resulting from a disruptive discharge.

Recorder. In telegraphy, the receiving apparatus for recording the dot-and-dash signals on a strip or tape of paper.

Reduction. The influence exerted without apparent communication by a magnetic field or a charged mass upon neighboring bodies. The induction-coil is a simple example of this force. The current passes through the primary or inner coil about a core of soft iron, and in doing so it develops lines of force in the secondary or outer coils, although no current is flowing directly through them from a battery or dynamo.

Reduction Gear. A gear which acts to reduce a speed below that of a motor in full motion without lessening its motive force.

Refract. To break the natural course of light in an elastic medium. The rays of light, as they pass from a rare into a dense medium, are refracted.

Register, Electric. An apparatus for registering and recording the movements of employés about a building. Press-buttons are arranged throughout the building, and when a man passes a station he presses the button, and the time is recorded by the apparatus.

Regulator Magnet. (See Magnet, Regulator.)

Relay. A telegraphic or telephonic receiving instrument which opens and closes a local circuit through movements caused by the impulses of currents received. The relay battery may be very delicate so as to work with weak currents. The function of the relay is to open and close circuits for the admission of a new current to push on the sound or vibration to a more distant point. The main battery may be of any desired power.

Relay Connection. A connection used in telegraphy, including a local battery, with a short circuit, normally open, but closed at will by a switch and sounder, or other appliance. A very weak current will work the apparatus.

Relay, Ordinary. A relay that is not polarized.

Relay, Repeating. In telegraphy, a relay for repeating the signals through a second line.

Reluctance. Magnetic resistance.

Repeater. In telegraphy, an instrument for repeating the signals through a second line. It is virtually a relay which is controlled by the sender, and which, in turn, operates the rest of the main line. It is usually located at about the middle of the total distance covered.

Repeating-station. A telegraph station located on a long line, and occupying a position at the juncture of the sections into which the line is divided. The currents received through one section are repeated into the other sections by means of a repeater.

Repulsion, Electric. The tendency which exists between two bodies charged alike to mutually repel each other.

Residual Charge. (See Charge, Residual.)

[400]

Resilience. The power to spring back to a former position. Electricity is resilient, although its elasticity cannot be measured accurately.

Resin. A solid inflammable substance or gum, and a good non-conductor in electrical work. It is the product obtained by distilling the sap of the pitch-pine. The name is also applied to the product of distilling the sap of other trees. Common resin, shellac, lac, Dragon’s-blood, and other substances of a similar nature are resins. They are all dielectrics, and the source of negative frictional electricity when rubbed with cotton, wool, flannel, silk, or fur.

Resistance. That quality of an electric conductor in virtue of which it opposes the passage of an electric current, causing the disappearance or modification of electro-motive force, and converting electric energy into heat energy.

Resistance-box. A box filled with resistance-coils connected in series and provided with a switch, so that any number of the coils may be cut out.

Resistance, Carbon. A resistance composed of carbon as a substitute for a coil of wire. Carbon rods are placed close together having an air space between them, with alternate ends connected. Piles may be built up of carbon plates, whose resistance is made to vary by changing the pressure.

Resistance-coil. A coil of wire metal or other substances having the power to resist a current of electricity.

A coil of wire used to measure an unknown resistance by virtue of its own known resistance. (See also Coil, Resistance.)

Resistance, Dielectric. (See Dielectric Resistance.)

Resistance, Electrolytic. The resistance of an electrolyte to the passage of a current decomposing it. It is almost entirely due to electrolysis, and is intensified by counter-electro-motive force. When a current of a voltage so low as not to decompose an electrolyte is passed through the latter, the resistance appears very high and sometimes almost infinite. If the voltage is increased until the electrolyte is decomposed the resistance suddenly drops to a point lower than the true resistance.

Resistance, Internal. The resistance of a battery, or generator, in an electric circuit as distinguished from the resistance of the rest of the circuit.

Resistance, Liquid. A liquid of varying specific gravity used to create resistance to the passage of the electric current.

Resistance effected by the use of liquid through which a current must pass to complete a circuit.

Resistance, Metallic. The resistance of metals to the electric current.

German-silver resistance as distinguished from that of water, carbon, or other substances.

Resistance, Ohmic. True resistance measured in ohms as distinguished from counter electro-motive force. (See also Ohmic Resistance.)

Resistance, Spurious. The counter-electro-motive force. In its effect of opposing a current and in resisting its formation it differs from true resistance. True resistance diminishes current strength, absorbs energy, and develops heat. Spurious resistance opposes and diminishes a current without absorption of energy or production of heat.

Resistance, Standard. A known resistance employed to determine unknown resistances by comparison.

Resistance, True. The true resistance measured in ohms as distinguished[401] from counter-electro-motive force.

Resonator, Electric. A small, open electric circuit with ends nearly touching. When exposed to electric resonance, or to a sympathetic electric oscillating discharge, a spark passes across the gap. The spark is due to inductance in the resonator.

Retentiveness. That property which enables steel to retain its magnetism.

Return. A line or conductor which carries current back to its starting-point after it has traversed a circuit. The best definition of a return is a circuit on which no new apparatus is installed.

Return-circuit. (See Circuit, Return.)

Return-circuit, Railway. A grounded circuit used in trolley systems for ground returns through the tracks, they being joined by links or flexible wires so as to form perfect conductors. It is the negative side of the system, the positive being in the overhead or underground feed-wire or rail.

Reversibility. The principle by which any form of generator for producing a given form of energy may be reversed to absorb energy. The dynamo of the reversible type driven to generate current may be reversed and will develop power if a current is run through it.

Rheostat. An adjustable resistance. An apparatus for changing the resistance, without opening the circuit, by throwing a switch-bar across contact points.

Rod Clamp. A clamp used in the lamp rod of an arc-light to hold the carbon.

Röntgen Effects. Phenomena obtained by the use of the X or Röntgen rays.

Röntgen-ray Screen. A screen whose surface is covered with fluorescent material for the purpose of receiving and displaying the Röntgen image.

Röntgen Rays. A peculiar form of light radiation discovered by Röntgen, and which is emitted from that portion of a high vacuum tube upon which the kathode rays fall.

Rotary Magnetic Field. (See Magnetic Field, Rotary.)

Ruhmkorff Coil. (See Coil, Ruhmkorff.)

S

Safety Fuse. A device to prevent overheating of any portion of a circuit by excessive current. It generally consists of a strip of fusible metal which, if the current attains too great strength, melts and opens the circuit.

Salt. A chemical compound containing two atoms or radicals which saturate each other. One is electro-positive, the other electro-negative.

Salts are decomposed by electrolysis, and in separating they combine to form new molecules.

Saturated. A liquid is said to be saturated when it has dissolved all the salts it will take up.

Search-light. An apparatus for producing a powerful beam of light and projecting it in any desired direction.

Secondary. A term applied to the secondary coil of a transformer or induction-coil.

Secondary Battery. (See Battery, Secondary.)

Secondary Plates. The plates of a secondary battery or storage-battery. When charged, the negative plate should be brown or deep reddish in color, and the positive slate-colored.

Self-excited. Electrified by its own current.

Self-winding Clock. A clock[402] which automatically winds itself by electricity. It is operated by a small electro-magnetic motor which obtains its current from an outside source.

Semaphore, Electric. An apparatus for exhibiting signals. Used in the railway block system.

Series. Arranged in succession. When incandescent lamps are installed so that the current goes in and out of one lamp, and so on to the next and the succeeding ones, they are said to be arranged in series. It takes high E-M-F and current, or amperage, to operate such lamps.

Series batteries are arranged with the zinc pole of one connected to the carbon pole of the next.

Series Arc Cut-out. A device by means of which a short circuit is established past a defective lamp, thereby securing the undisturbed operation of all the other lamps in the circuit.

Series Distribution. A distribution of electricity in which the receptive devices are arranged in successive order upon one conductor, extending the entire length of the circuit.

Series Dynamo. A series-wound dynamo.

Series Incandescent Lamp. An incandescent lamp adapted for service in a series circuit.

Series Motor. A motor adapted for use in a series circuit; a motor whose field-coil winding is in series with the armature.

Series, Multiple. An arrangement of electric apparatus in which the parts are grouped in sets in parallel, and these sets are connected in series.

Series Winding. A method of winding a generator or motor in which one of the commutator brush connections is joined to the field-magnet winding. The other end of the magnet winding is connected with the outer circuit, and the second armature brush is coupled with the remaining terminal of the outer circuit.

Service Wires. Wires connected to the supply circuit or main wires, and which run into buildings to supply current for heat, light, and power.

Shellac. A resin gum, gathered from certain Asiatic trees. It is soluble in alcohol, and is used extensively in electric work as an insulator.

Shifting Magnetic Field. (See Magnetic Field, Shifting.)

Shock, Electric. The effect upon the animal system of the discharge of an electric current of high potential difference. The voltage is the main element in a shock.

Shoe. As applied to electric railways, the casting employed to bear on the third rail to take in positive current and electro-motive force.

The cast-iron plate of an electric break, which, by magnetism, adheres to another iron surface.

Short Circuit. (See Circuit, Short.)

Shunt-box. A resistance-box designed for use as a galvanometer shunt. The box contains a series of resistance-coils which can be plugged in or out as required.

Shunt-winding. A dynamo or motor is shunt-wound when the field-magnet winding is parallel with the winding of the armature.

Silver-bath. A solution of a salt of silver used in the electro-plating process.

Silver-plating. Depositing a coating of silver on a metallic surface by the acid of electro-metallurgy.

Silver-stripping Bath. An acid solution used for stripping silver[403] from a metallic surface before re-plating it.

Simple Circuit. (See Circuit, Simple.)

Simple Immersion. (See Immersion, Simple.)

Simple Magnet. (See Magnet, Simple.)

Single-trolley System. A trolley system employing only one overhead conducting wire, the track and ground serving as the return-circuit.

Single-wound Wire. Wire insulated by winding or overlaying with but a single layer of material.

Sliding-condenser. (See Condenser, Sliding.)

Snap-switch. A switch so contrived as to give a quick break. A spiral spring is fastened between the handle and arm in such a manner that when the handle is drawn back the spring operates and quickly draws a knife-bar from the keeper, breaking the contact instantly and without the formation of an arc.

Socket. A receptacle for an incandescent lamp or plug.

Solenoid. A helical coil of wire of uniform diameter or cylindrical in shape. It is useful in experiments with electro-magnetism.

Solution. A fluid composed of dissolved salts; a mixture of liquids and fluids.

Sound Waves. Waves produced in an elastic medium by sonorous vibration, as in wireless telegraphy.

Sounder. In telegraphy, the instrument operated on by the key at the other end of a line. Various devices are employed to increase their resonance—as, for instance, hollow boxes. Sounders are generally placed on local circuits and are actuated by relays.

Sounder, Repeating. A telegraphic instrument which repeats a message into another circuit.

S-P. An abbreviation for single pole.

Spark-arrester. A screen of wire-netting fitted around the carbons of arc-lamps to prevent the chips or hot sparks from flying.

Spark-coil. A coil for producing a spark from a source of comparatively low electro-motive force. The induction-coil is an example.

Spark, Electric. The phenomenon observed when a disruptive charge leaves an accumulator or induction-coil and passes through an air gap.

Spark-gap. The space left between the ends of an electric resonator across which the spark springs.

Sparking. The production of sparks at the commutator, between the bars and the brushes of dynamos and motors. They are minute voltaic arcs, and should not be allowed to occur, as they cut away the metal and score the surface of the commutator.

Spark-tube. A tube used as a gauge to determine when the exhaustion of the vacuum chamber, or bulb, of an incandescent lamp is sufficiently high.

Specific Gravity. The relative weight or density of a body as compared with a standard. Water is usually taken as a standard for solids and liquids, and air for gases.

Speed-counter. An instrument which records the number of revolutions a shaft makes in a given time.

Spent Acid. Acid which has become exhausted. In a battery the acid becomes spent from combination with zinc; it also loses its depolarizing power.

Spring-contact. A spring connected to one lead of an electric circuit. It is arranged to press against another spring or contact, which it opens or closes by the introduction of a plug or wedge.

[404]

Spring-jack. An arrangement of spring-arm conductors under which plugs with wires attached can be slipped to make a new connection or to cut out certain circuits.

Spurious Resistance. (See Resistance, Spurious.)

Standard Candle. (See Candle, Standard.)

Standard Resistance. (See Resistance, Standard.)

Starting-box. A resistance or shunt box used for letting current pass gradually into motors, instead of throwing on the full current at once.

Static Electricity. Electricity generated by friction; frictional electricity, such as lightning; electricity of high electro-motive force and practically uncontrollable for commercial purposes.

Static Shock. A term used in electro-therapeutics for describing the discharge from a small condenser or Leyden-jar; also the effect produced by the action of the vibrator of the induction-coil.

Station, Central. The building or place in which the electrical apparatus is installed for the generation of current; the headquarters of telephone lines.

Steady Current. An electric current whose strength is fixed or invariable.

Stock-ticker. An instrument employed to give quotations of stocks by telegraphic record. A paper tape runs through an electrical machine which prints on it the figures and letters that stand for stocks and their values. The whole system is operated from a station located in the Stock-exchange.

Storage Accumulator. (See Accumulator, Storage.)

Storage-battery. (See Battery, Storage.)

Strength of Current. Amperage; the quantity of current in a circuit.

Stripping. The process of removing electro-plating, or thin metal coatings, from an object before it is re-electro-plated.

Stripping Liquid. The liquid in a stripping-bath used for removing metals from surfaces before re-plating them.

Submarine Cable. A telegraphic cable laid at the bottom of the sea or any body of water.

Submarine Search-light. An incandescent light which works under water.

Sub-station. A generating or converting plant subsidiary to a central station, and placed so as to supply current in a district situated at a distance from the main power-house.

Subway, Electric. An underground passageway utilized for carrying cables and wires.

Sweating. A process by which the ends of cables are brought together and soldered.

S-W-G. An abbreviation for standard wire gauge.

Switch. A device for opening and closing an electric circuit. Made in a great variety of forms, such as push-button, telegraph-key, knife switch, automatic switch, lever switch, rheostat, etc.

Switch-bell. A combined bell and switch. The bell is operated when the switch is opened or closed.

Switch-blade. The blade of a switch; a conducting strip connecting two contact-jaws.

Switch-board. A board or table to which wires are led and connected with cross-bars or other devices by which connections can be made.

Synchronize. To agree in point of time; to effect concurrence of phase in two alternating-current machines, in order to combine them electrically.

[405]

T

Table-push. A push-button connected with a call-bell and fixed on a table for convenience in using.

Tamadine. A form of cellulose used for making the filaments of incandescent lamps. The material is cut into proper shapes, carbonized, and flashed.

Tangent Galvanometer. (See Galvanometer, Tangent.)

Tape, Insulating. Prepared tape used in covering the bared ends of wires or joints.

Tap-wires. The conductors in trolley systems that at stated intervals, take the current from the mains and supply it to the bare feed-wires.

Telegraph. A system of electric communication invented by S. F. B. Morse, in which the dot-and-dash characters are used. There are various modifications of the system—double (or duplex), multiplex, and quadruplex—by means of which a number of messages may be sent out over the same wires at one time. Communication from place to place is had over wires mounted on poles, or by underground or submarine cables.

Telegraphy, Wireless. A system of telegraphy carried on without the aid of wires, using instead the ether waves of the atmosphere to conduct the vibrations overhead, and the ground, or earth, as a return. The present limit of its working is about four thousand miles.

Telephone. An instrument and apparatus for the transmission of articulate speech by the electric current. A magnet is encased in a tube and is encircled at one end by a coil of fine, insulated wire. A diaphragm of thin iron is fixed in front of the coil and close to the end of the magnet. The ends of the coil-wires are connected with a line, at the other end of which another and similar instrument is installed. The voice causes the sending diaphragm to vibrate, and these waves are transmitted to the other instrument, where they can be heard through contra-vibrations of the receiving diaphragm.

Telephone, Long-distance. A telephone of modern construction, in which the sound-recording mechanism is so sensitive as to make the vibrations of the voice audible at long distances. It will work satisfactorily at one thousand or even fifteen hundred miles.

Terminal. The end of any open electric circuit, or of any electric apparatus, as the electrodes of a battery.

Thermostat, Electric. An apparatus similar in some respects to a thermometer, and used for closing an electric circuit when the latter becomes heated. It is used in connection with automatic fire-alarms to give warning of fire. For this purpose the metal coil is arranged to close the contact at a temperature of 125° F. It usually consists of a compound strip of metal wound in the form of a spiral and fastened at one end. To this end one terminal of a circuit is connected. The expansion of the coil causes its loose end to touch a contact-point and close the circuit.

Third Rail. A railway motive system which employs a third rail instead of an overhead trolley feed-wire. The rail is laid on or under the surface of the ground and properly insulated. A shoe from the car bears on the rail and takes up the current.

Three-wire Circuit. A system invented by Edison for the distribution, from two dynamos, of current for multiple arc or constant potential[406] service. One wire or lead starts from the positive pole of one dynamo, another from the negative pole of the other dynamo, and between the two dynamos the central or neutral lead is made fast.

Circuit

Now the dynamos may generate a current of 220 volts, and send it, at this strength, through the outer wires; but if lamps are connected between either of the outer and the neutral wires, the current, passing through the lamps, will be reduced to 110 volts.

Time-ball, Electric. A ball which, by means of electricity, is made to drop from the top of a high pole, giving a visual signal for twelve o’clock or any other hour that may be designated.

Traction, Electric. The propulsion of a car or conveyance by means of electricity.

Transformer. In alternating-current systems, the induction-coil by means of which the primary current, with high initial electro-motive force, is changed into a secondary current with low initial electro-motive force.

Transmission. The conveyance of electric energy and currents from one point to another by the proper means of conduction.

Transmitter. An instrument which originates the signals which are sent through a line or circuit. The Morse key in telegraphy and the Blake transmitter in telephony are examples.

Tri-phase. Three-phase.

Trolley. A contact-wheel of bronze which rolls under the supply-wire in an overhead traction system and takes off the current necessary to run the car motors.

Trolley-wheel. The same as Trolley.

Trolley-wire. The overhead wire in a traction system which feeds the current through a trolley-wheel and pole to the motors of a car running underneath.

True Ohm. (See Ohm, True.)

True Resistance. (See Resistance, True.)

Two-wire Circuit. The single system universally used for light and power transmission of current.

U

Undulating Current. (See Current, Undulating.)

Uniform Magnetic Field. (See Magnetic Field, Uniform.)

Unipolar. Having but one pole.

Unit. The single standard of force, light, heat, magnetism, attraction, repulsion, resistance, etc.

V

Vacuum. A space empty or void of all matter; a space from which all gases have been exhausted.

Vacuum Tubes. Tubes of glass through which electric discharges are passed after the gases have been partially removed; for example, the X-ray tube of Röntgen and the Crooke tubes.

Vibrator, Electro-magnetic. The make-and-break mechanism used on induction-coils, or other similar apparatus, in which, through alternate attractions, an arm or spring is kept in motion.

Vitriol, Blue. A trade name for copper sulphate. (Bluestone.)

Vitriol, Green. A trade name for ferrous sulphate. (Copperas.)

Vitriol, White. A trade name for zinc sulphate. (Salts of zinc.)

[407]

Volt. The practical unit of electro-motive force; the volume and pressure of an electric current.

Voltage. Electric-motive force expressed in volts—as, a voltage of 100 volts.

Voltaic. A term derived from the name of the Italian scientist Volta, and used in many ways as applied to electrical current and devices. Formerly the term galvanic was commonly employed.

Voltaic Electricity. (See Electricity, Voltaic.)

Voltimeter. An instrument for measuring the voltage of a current.

Vulcanite. Vulcanized rubber. Valuable for its insulating properties and inductive capability.

W

Watt. The practical unit of electrical activity; the rate of work or rate of energy. It is a unit of energy or of work represented by a current of one ampere urged on by one volt of electro-motive force.

The volt-ampere.

The standard of electrical energy corresponding to horse-power in mechanics.

Watt-hour. A unit of electric energy or work; one watt exerted or expended through one hour.

Waves, Electro-magnetic. Ether waves caused by electro-magnetic disturbances affecting the luminiferous ether.

Welding, Electric. Welding by the use of the electric current.

Wimshurst Electric Machine. An influence machine for producing high potential or static electricity. Thin disks of glass are mounted on insulated bearings and revolved by power. Brushes collect the frictional electricity, which is discharged into a Leyden-jar or other form of accumulator. It is of no practical use excepting in electro-therapeutics.

Wire, Flexible. A cord of fine wire strands laid together and insulated so that it may be easily bent or wrapped.

Wiring. Installing wires so as to form a circuit for the conveyance of current for light, heat, and power.

X

X-rays. A curious phenomenon involving the radiation of invisible rays of light, which have the power to travel through various opaque bodies. The rays are used in detecting foreign substances in the human body and for photographing invisible or hidden objects without disturbing their surroundings.

X-ray Lamp. A high vacuum tube lamp whose interior walls are covered with crystals of calcium or other fluorescent substances, and which, when exposed to the X-rays, give out a luminous light.

Y

Yoke. A piece of soft iron which connects the ends of two portions of a core on which wire coils are wound. It is located at the ends farthest from the poles.

The soft-iron bar placed across the ends of a horseshoe magnet to retain its magnetism.

Z

Zinc-battery. A battery which decomposes zinc in an electrolyte, thereby producing a current.

Zinc Currents. Negative currents.

Zinc-plating. The employment of zinc in electro-plating.

THE END


Transcriber’s Notes

Inconsistent spelling, hyphenation, etc. have been retained, unless mentioned under Changes Made below. Technical descriptions have been kept as printed, even when they seem doubtful, wrong or dangerous.

Depending on the hard- and software and their settings used to read this text, not all elements may display as intended.

Changes Made

Footnotes and illustrations have been moved outside text paragraphs.

Where letters (such as V or L) are used to denote a shape rather than the letter, they have been transcribed as V or L for consistency with other, similarly used letters such as U.

Some minor obvious typographical errors have been corrected silently.

Page 108: "called Nobile’s pair" changed to "called Nobili’s pair".

Page 182: "shallacked" changed to "shellacked".

Page 184: "(A, B, and C) and A A, B B, and C C)" changed to "(A, B, and C and A A, B B, and C C)".

Dictionary: several entries have been moved to their proper alphabetical position.

Page 334: "modern applications of phenonema" changed to "applications of phenomena

Page 372: "Coil, Ruhmkoff" changed to "Coil, Ruhmkorff".

Page 382: "Daniells" changed to "Daniell".

Page 396: "graphite a native; form of carbon" changed to "graphite; a native form of carbon".

Page 401: "Ruhmkoff Coil. (See Coil, Ruhmkoff.)" changed to "Ruhmkorff Coil. (See Coil, Ruhmkorff.)"

*** END OF THE PROJECT GUTENBERG EBOOK 64592 ***